151652 (621861)
Текст из файла
Міністерство освіти і науки України
Державний вищий навчальний заклад
Донецький національний технічний університет
Кафедра "Електропривод та автоматизація промислових установок"
Курсовий проект
Тема: "Розрахунок параметрів і вибір елементів тиристорних електроприводів постійного струму"
Пояснювальна записка до курсового проекту
з дисципліни: "Елементи автоматизованого електроприводу"
КП 06.050702-09-235.04 ПЗ
Донецьк – 2009
Завдання
Початковими даними є номінальна потужність навантаження PН , номінальна швидкість обертання nН, напруга живильної мережі UН, тип силової схеми.
PН = 2,5 кВт ;
nН = 2120 об/хв ;
UН = 380 В ;
силова схема : нульова.
Реферат
Пояснювальна записка до курсового проекту містить:
сторінок 32, рисунків 7, таблиць 4, додатків 2, джерел 7.
Об’єктом дослідження та розрахунків даного курсового проекту є тиристорний перетворювач напруги для двигунів постійного струму.
Суть роботи полягає у розрахунку параметрів силового трансформатора, тиристорів, уставок захисної апаратури. В процесі застосовуються теоретичні знання з курсів "Електричні машини" та "Елементи автоматизованого електроприводу ".
Згідно початкових даних, а саме: номінальна потужність навантаження, потрібна швидкість обертання, напруга живильної мережі, тип силової схеми, була розрахована оптимальна схема тиристорного перетворювача для запропонованого типу двигунів, складена функціональна схема логічно-перемикаючого пристрою (ЛПП), розраховані зовнішня і регулювальна харатеристики тиристорного перетворювача.
Електропривод, тиристор, тиристорний перетворювач, силовий трансформатор, система керування, дросель, коефіцієнт потужності, апаратура захисту, регулювальна характеристика.
Перелік скорочень, прийнятих у даному проекті:
АЕП – автоматизований електропривод;
ВГ – вентильна група;
ДК - датчик керування;
ДНС – датчик нульового струму;
КЗ – коротке замикання;
ККД – коефіцієнт корисної дії;
ЛПП – логічно-перемикаючий пристрій;
СІФК– система імпульсно-фазового керування;
ТП – тиристорні перетворювачі.
Зміст
Вступ
1. Вибір двигуна постійного струму
2. Вибір схеми тиристорного перетворювача
3. Розрахунок параметрів силового трансформатора
4. Розрахунок параметрів та вибір тиристорів
5. Складання функціональної схеми ЛПП і таблиці істинності
6. Розрахунок параметрів дроселя, що згладжує
7. Розрахунок і побудова регулювальної характеристики тиристорного перетворювача
8. Розрахунок коефіцієнта потужності тиристорного перетворювача
9. Розрахунок і побудова зовнішньої характеристики тиристорного перетворювача
10. Розрахунок уставок захисної апаратури та її вибір
Висновки
Перелік використаної літератури
Вступ
У даний час вентильні перетворювачі напруги знаходять дуже широке застосування в системах автоматизованого електроприводу (АЕП) постійного струму. Широке використання вентильних перетворювачів обумовлено успішним розвитком напівпровідникової техніки, а саме освоєння промисловістю надійних малогабаритних керованих силових вентилів – тиристорів і транзисторів. У більшості сучасних перетворювачів для привода як силові вентилі використовуються тиристори. На їхній основі для електропривода постійного струму побудовані два типи перетворювачів: тиристорні перетворювачі (ТП) напруги перемінного струму в постійний (керовані випрямлячі) і широтно-імпульсні перетворювачі незмінної напруги постійного струму в регульовану напругу постійного струму.
Тиристорні перетворювачі мають деякі недоліки:
1) низький коефіцієнт потужності при глибокому регулюванні напруги;
2) перекручування живильної напруги, внесене роботою тиристорного перетворювача;
3) підвищений рівень випромінюваних радіоперешкод.
Однак, незважаючи на ці недоліки, такі схеми володіють доволі вагомими перевагами:
1) високий коефіцієнт корисної дії (ККД), обумовлений незначним падінням напруги на тиристорі (менш 1 В);
2) незначна інерціонність, обумовлена фільтрами в ланцюгах керування і некерованістю тиристорів протягом інтервалу провідності (10-20 мс);
3) висока надійність при використанні швидкодіючого захисту і модульно-блокового виконання ТП.
1. Вибір електродвигуна постійного струму
Згідно з початковими значеннями номінальної потужності та номінальної частоти обертання обираємо двигун постійного струму [2]. У довіднику надаються наступні параметри: потужність
(кВт), швидкість
(об/хв), коефіцієнт корисної дії η (%), опір обмотки якоря
(Ом), опір додаткових полюсів
(Ом), індуктивність якірного кола LЯ (Гн), напруга
(В), останні параметри розрахуємо за наступними формулами.
Згідно з цими даними та користуючись довідниковою літературою, обираємо двигун типу 2ПН112МУХЛ4 з наступними параметрами:
- номінальна потужність PН = 2,5 кВт;
- номінальна швидкість обертання nН = 2120 об/хв;
- номінальна напруга Uн= 110 В;
- коефіцієнт корисної дії = 76%;
- опір якоря Rя = 0,196 Ом;
- опір додаткових полюсів Rдп = 1,134 Ом;
- індукція в колі якоря LЯ = 2,3 мГн;
Розраховуємо інші параметри:
Номінальна швидкість обертання:
рад/с . (1.1)
Електромагнітна потужність:
кВт . (1.2)
Номінальний струм якоря:
A . (1.3)
Конструктивна постійна двигуна:
. (1.4)
Номінальний момент:
Нм . (1.5)
Індуктивність якірного кола :
мГн .
Для забезпечення нормальної роботи обраного електродвигуна живильний тиристорний перетворювач повинен мати запас напруги.
Потрібна максимальна випрямлена напруга перетворювача:
В , (1.6)
де
- коефіцієнт запасу за напругою (1,2
1,3). Обираємо
=1,25.
2. Вибір схеми тиристорного перетворювача
Тиристорні перетворювачі поділяють:
-
за призначенням: для живлення якірних кiл та обмоток збудження;
-
за виконанням: реверсивні та нереверсивні.
Основними параметрами є:
-
номінальна випрямлена напруга (Udn);
-
номінальний струм (Idn).
Обираємо схему тиристорного перетворювача відповідно до завдання на курсовий проект. Обираю трифазну нульову схему. Така схема ТП наведена на рисунку 2.1.
Рисунок 2.1 - Нульова схема тиристорного перетворювача
До складу тиристорного перетворювача входять:
-
силовий трансформатор або струмообмежувальний реактор (в даному випадку струмообмежувальний реактор відсутній);
-
силовий блок (напівпровідникові вентилі);
-
згладжуючий реактор (при живленні якірних кіл постійного струму);
-
блок керування та захисту;
-
комутаційна апаратура;
-
система охолодження (при
>100 А).
Живлення тиристорних перетворювачів потужністю більш, ніж 1кВт здійснюється від трифазної мережі змінного струму.
Залежно від співвідношення напруги мережі та потрібної для роботи двигуна випрямленої напруги, підключення перетворювача до мережі здійснюється через струмообмежувальний реактор або через силовий трансформатор. Для даного навантаження ми використовуємо силовий трансформатор. Така схема наведена на рисунку 2.2.
Рисунок 2.2 – Схема підключення тиристорного перетворювача до живильної мережі через силовий трансформатор
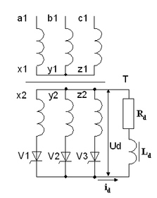
При застосуванні перетворювача для тиристорного живлення якірного ланцюга у вихідний ланцюг включається дросель, що згладжує, для забезпечення режиму безупинного струму . Така схема наведена на рисунку 2.3.
Рисунок 2.3 - Робота тиристорного перетворювача на якір двигуна постійного струму
Тиристорний перетворювач має захисти (рис. 2.4):
-
від внутрішніх коротких замикань (КЗ) - за допомогою швидкодіючих запобіжників FU, увімкнених з тиристором послідовно;
-
від КЗ на стороні змінного і постійного струмів - за допомогою автоматичного вимикача Q1 на вводі;
-
від КЗ в колі навантаження - за допомогою вимикача Q2;
-
від перенапруг - за допомогою "RC-кіл", увімкнених паралельно тиристорам, і "RC-фільтра", який підключений на вході перетворювача.
Рисунок 2.4 - Захист тиристорного перетворювача від перенапруги і коротких замикань
3. Розрахунок параметрів силового трансформатора
Розрахункове значення напруги
трансформатора, який живить трифазний ТП під час його роботи на якір двигуна постійного струму в зоні безперервних струмів, з урахуванням необхідного запасу напруги в силовому колі, визначається за формулою:
, (3.1)
де
– розрахунковий коефіцієнт, що характеризує відношення напруги
у залежності від типу схеми. (
);
– коефіцієнт запасу за напругою, що враховує можливе значення напруги мережі до
. (
);
– коефіцієнт запасу за напругою, що враховує неповне відкриття вентилів при максимальному керуючому сигналі. (
);
– коефіцієнт запасу за напругою, що враховує спад напруги в обмотках трансформатора, власний опір вентиля та перекриття анодів. (
=1,05);
Характеристики
Тип файла документ
Документы такого типа открываются такими программами, как Microsoft Office Word на компьютерах Windows, Apple Pages на компьютерах Mac, Open Office - бесплатная альтернатива на различных платформах, в том числе Linux. Наиболее простым и современным решением будут Google документы, так как открываются онлайн без скачивания прямо в браузере на любой платформе. Существуют российские качественные аналоги, например от Яндекса.
Будьте внимательны на мобильных устройствах, так как там используются упрощённый функционал даже в официальном приложении от Microsoft, поэтому для просмотра скачивайте PDF-версию. А если нужно редактировать файл, то используйте оригинальный файл.
Файлы такого типа обычно разбиты на страницы, а текст может быть форматированным (жирный, курсив, выбор шрифта, таблицы и т.п.), а также в него можно добавлять изображения. Формат идеально подходит для рефератов, докладов и РПЗ курсовых проектов, которые необходимо распечатать. Кстати перед печатью также сохраняйте файл в PDF, так как принтер может начудить со шрифтами.
>100 А).














