151572 (621793), страница 2
Текст из файла (страница 2)
Номиналы резистивных элементов:
R1 = 3 кОм,
R2 = 3 кОм,
R3 = 15 кОм.
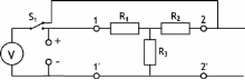
К входным выводам 1–1’ подключен источник питания, к выходным 2–2’ – нагрузка. Вольтметр V1 имеет возможность переключения с помощью тумблера S1 со входа схемы на выход и обратно (рис. 2).
Рис. 2.2
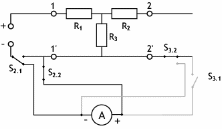
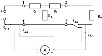
Тумблеры S2 (S2.1 и S2.2) и S3 (S3.1 и S3.2) переключают амперметр с измерения тока на входе схемы (рис. 3) на измерение тока на выходе (рис. 4) и обратно.
Рис. 2.3.
Рис. 2.4
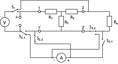
Итоговая схема:
Рис. 2.5
Лабораторная работа
Изучение соединения типа «звезда»
1. Цель работы
Целью работы будет являться экспериментальное исследование соединения типа «звезда» при постоянном токе.
2. Задание для самостоятельной подготовки
2.1. По разделу 4 описания этой лабораторной работы следует ознакомиться с некоторыми пояснениями по лабораторной работе.
3. Методические указания по проведению работы
3.1. Включите стенд. Измерьте токи на резисторах R2 и R3.
3.2. Найдите полное сопротивление цепи.
3.3. По закону Ома найдите ток I1 на резисторе R1.
3.4. Применив первый закон Кирхгофа к точке А и второй закон к контуру ABCD, найдите токи на резисторах R2 и R3.
3.5. Сравните найденные значения с полученными в ходе измерений.
4. Некоторые пояснения
Схема цепи показана на рисунке. Напряжение питания U равно 10 В. Номиналы резисторов: R1= R2 = 3 кОм, R3 = 15 кОм.
3. Расчетная часть
Схема цепи показана на рисунке.
Напряжение питания U = 10 В.
R1= R2 = 3 кОм,
R3 = 15 кОм.
1. Расчет сопротивления цепи
Резистор R1 соединен последовательно с резисторами R2 и R3. Следовательно, Rпол=R1+R23.
Резисторы R2 и R3 соединены параллельно. Следовательно,
и
.
2. Расчет тока I1
3.
На основании первого закона Кирхгофа для узла А:
.
Для контура ABCD по второму закону Кирхгофа:
.
Имеем систему уравнений:
;
т. к. R3 = 5 R2
;
;
;
;
;
.
I2=1,5 мА, I3=0,3 мА.
Литература
1. Бакалов В.П., Дмитриков В.Ф., Крук Б.И. Основы теории цепей. – М.: Радио и связь, 2000
2. Зевеке Г.В., Ионкин П.А. Основы теории цепей. М.: ЭнергоАтомИздат, 1989
3. Дмитриева В.Ф., Прокофьев В.Л. Основы физики – М.: Высшая школа, 2003.















