151495 (621744)
Текст из файла
КУРСОВА РОБОТА НА ТЕМУ:
ВИБІР СХЕМИ ВИДАЧІ ПОТУЖНОСТІ ЕЛЕКТРОСТАНЦІЇ ТИПУ АЕС
Cодержание
1. Вихідні дані завдання
2. Розподіл генераторів між РУ ВН і РУ СН
3. Вибір генераторів і блокових трансформаторів
4. Вибір АТ
5. Визначення втрат у трансформаторах блоків і АТ
6. Вибір провідників для ЛЕП на РУ-330 кВ і РУ-750 кВ
7. Кількість з'єднань на РУ-330 кВ і РУ-750 кВ
8. Вибір варіантів схем РУ всіх напруг
9. Техніко-економічний аналіз варіантів схем
9.1 Визначення втрат електроенергії від потоків відмов елементів схем РУ СН
9.2 Техніко-економічне зіставлення варіантів розглянутих схем
Література
1. Вихідні дані завдання
Виконати техніко-економічне зіставлення схем.
Вихідні дані завдання зведені в таблицю №1.
| Тип електростанції й число встановлених на ній генераторів | Дані РУ вищої напруги | Дані РУ середньої напруги | |||
| напруга, кВ | потужність к.з. від системи, МВА | Напряже ние, кВ | навантаження, МВт | потужність к.з. від системи, МВА | |
| АЕС 71000 МВт | 750 | 14000 | 330 | 3800/3200 | 12000 |
Кількість ЛЕП на напругу 750 кВ (4, довжиною 300 км.
Кількість ЛЕП на напругу 330 кВ (5, довжиною 30 км.
Час використання максимального навантаження Тнагр.мах=6000 годин.
Час використання встановленої потужності генераторів Тг.вуст.=7200 годин. Максимальна активна потужність, що віддається в енергосистему (7000 Мвт.
2. Розподіл генераторів між РУ ВН і РУ СН
Схема видачі потужності визначає розподіл генераторів між РУ різних напруг, трансформаторний і автотрансформаторний зв'язок між РУ, спосіб з'єднання генераторів із блоковими: трансформаторами, точки підключення резервних трансформаторів власних потреб.
Звичайно до РУ середньої напруги (СН) підключається стільки генераторів, скільки необхідно, щоб покрити навантаження в максимальному режимі.
Інші підключаються до РУ вищої напруги (ВН), тобто:
nг-сн = Рнг max / Рг = 3800/1000 4
де: Рнг max - максимальне навантаження РУ СН; Рг - потужність одного генератора; nг-сн - число генераторів, підключених до РУ СН.
3. Вибір генераторів і блокових трансформаторів
Згідно завдання вибираємо генератори проектованої станції (вибираються по активній потужності):
Вибираємо по (Л.3) генератор ТВВ-1000-4
| Генератор | Ном. частота обертання, про/хв | Номінальна потужність | Ном. напруга, кВ | Cos ном. | Ном. струм, кА | х” | Та | |||||
| S, МВА | Р, МВт | |||||||||||
| ТВВ-1000-4 | 1500 | 1111 | 1000 | 24 | 0,9 | 26,73 | 0,324 | 0,25 | ||||
Згідно завдання вибираємо по (Л.3) блокові трансформатори:
Sбл. расч. = 1,05 Sг = 1,05 1111 = 1166,55 МВА
По літературі (3) вибираємо ОРЦ-417000/750 і ТЦ-1250000/330
| Тип трансформатора | Sн, МВА | Рхх, кВт | Рк, кВт | НН, кВ | uквн-нн, % | uксн-нн, % | Iхх |
| ОРЦ 417000/750 | 3 417 | 3 320 | 3 800 | 24 | 14 | 45 | 0,35 |
| ТЦ 1250000/330 | 1250 | 500 | 2800 | 24 | 14,5 | - | 0,55 |
4. Вибір АТ
Вихідні дані для розрахунку наведені в таблиці №1.
Повна потужність генератора Sг дорівнює:
Sг = Рг / cos = 1000 / 0,9 = 1111 МВА
Тому що навантаження власних потреб (с.н.) Sсн не задані, то задаємо її самі з розрахунку 4-6% від потужності генератора:
Sсн = Sг 5% / 100% = 1111 5% / 100% = 55,55 МВА
Максимальна повна потужність РУ СН:
Sн max = Р Снmax / cos = 3800 / 0,85 = 4470,59 МВА
Мінімальна повна потужність РУ СН:
Sнг min = Р Сн min / cos = 3200 / 0,85 = 3764,7 МВА
Розглянемо два варіанти схем:
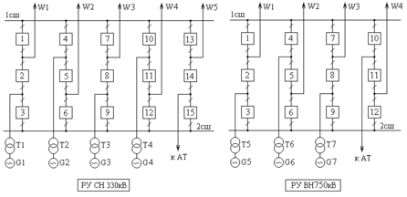
Рис.1 3 блоки на СН і 4 блоки на ВН
Розглядаємо 1-й варіант: 3 блоки на СН і 4 блоки на ВН.
SП min = SГсн - Sнг min - Sсн = 3333 - 3764,7 - 166,65 = - 598,35 МВА
SП max = Sн max - SГсн + Sсн = 4470,59 - 3333 + 166,65 = 1304,24 МВА
Sпа = Sн max - (SГсн - Sг1) + Sсн = 4470,59 - (3333 - 1111) + 166,65 = 2415,24 МВА
де:
Sсн - потужність власних потреб;
Sг1 - потужність одного генератора;
SП min - мінімальна потужність перетікань РУ СН РУ ВН;
SП max - максимальна потужність перетікань РУ СН РУ ВН;
Sпа - потужність перетікань РУ СН РУ ВН при відключенні одного блоку;
SГсн - сумарна потужність генераторів на СН;
Sнг min - мінімальна потужність навантаження на генератори СН;
Sн max - максимальна потужність навантаження на генератори СН.
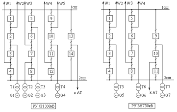
Розглядаємо 2-й варіант: 4 блоки на СН і 3 блоки на ВН.
SП min = SГсн - Sнг min - Sсн = 4444 - 3764,7 - 222,2 = 457,1 МВА
SП max = Sн max - SГсн + Sсн = 4470,59 - 4444 + 222,2 = 248,79 МВА
Sпа = Sн max - (SГсн - Sг1) + Sсн = 4470,59 - (4444 - 1111) + 222,2 = 1359,79 МВА
Рис.1 4 блоки на СН і 3 блоки на ВН
Вибираємо 2-й варіант: 4 блоки на СН і 3 блоки на ВН, тому що згідно розрахунку в другому варіанті максимальні потужності перетікань РУ СН (РУ ВН в аварійному режимі (відключення одного блоку) виявилися нижче майже вдвічі за значенням стосовно першого варіанта, що спричиняється вибір АТ з Л.3.
Розраховуємо потужність АТ:
SаТ расч. = 1359,79 МВА
По літературі (3) вибираємо 1 групу однофазних АТ: АОДЦТН-417000/750/330
Sн = 3 417 МВА; ВН = 750/
кВ; СН = 330/
кВ
5. Визначення втрат у трансформаторах блоків і АТ
Визначаємо втрати в автотрансформаторі.
Величина втрат у трифазній групі однофазних двох обмотувальних трансформаторів визначається по формулі:
Мвт (ч/рік
де:
n - число паралельно працюючих трансформаторів;
Sn - номінальна потужність трансформатора;
Snmax - максимальне навантаження трансформатора за графіком;
Рхх, Ркз - втрати потужності одного трансформатора потужністю Sn;
ТГ - число годин використання потужності (7200 годин);
max - час найбільших втрат (1% від ТГ).
Визначаємо втрати в трансформаторах блоку:
Величина втрат у трифазному двох обмотувальному трансформаторі визначається по формулі:
на напругу 330 кВ:
Мвт (ч/рік) на напругу 750 кВ:
Мвт (ч/рік
6. Вибір провідників для ЛЕП на РУ-330 кВ і РУ-750 кВ
Вибір провідників для ЛЕП на РУ-330 кВ:
де: n - кількість ліній.
По Л.3 вибираємо провідник АС 400/51
Iдоп. = 835 А.
Вибір провідників для ЛЕП на РУ-750 кВ:
де: n - кількість ліній.
По Л.3 вибираємо провідник АС 400/51
Iдоп. = 835 А.
7. Кількість з'єднань на РУ-330 кВ і РУ-750 кВ
У виді того, що групи РТСН живляться від ОРУ-330 і 150 кВ Запорізької ТЕС, що перебуває в 2-х км від АЕС, то на РУ-330 кВ і РУ-750 кВ АЕС ми їх не враховуємо.
Кіл-сть з'єднань на РУ 750 кВ:
n = nЛЭП + nг + nпртсн + nсекц. + nат = 4 + 3 + 0 + 0 + 1 = 8
Кіл-У з'єднань на РУ 330 кВ:
n = nЛЭП + nг + nпртсн + nсекц. + nат = 5 + 4 + 0 + 0 + 1 = 10
8. Вибір варіантів схем РУ всіх напруг
Схеми розподільних пристроїв (РУ) підвищених напруг електричних станцій вибираються по номінальній напрузі, числу приєднань, призначенню й відповідальності РУ в енергосистемі, а також з урахуванням схеми прилягаючої мережі, черговості й перспективи розширення.
Схеми РУ напругою 35 - 750 кВ повинні виконаються з урахуванням вимог і норм технологічного проектування.
При наявності декількох варіантів схем задовольняючих перерахованим вище вимогам перевага віддається:
-
більше простому й економічному варіанту;
-
варіанту, по якому потрібне найменша кількість операцій з вимикачами а роз'єднувачами РУ підвищеної напруги при режимних перемиканнях виводу в ремонт окремих ланцюгів і при відключенні ушкоджених ділянок в аварійних режимах.
Розглянемо основні види схем, застосовувані в схемах РУ330/750 кВ.
Схема №1. Схема із двома системами шин і трьома вимикачами на два ланцюги (3/2).
Схема із двома системами шин і трьома вимикачами на два ланцюги (сх.1). У розподільних пристроях 330 - 750 кВ застосовується схема із двома системами шин і трьома вимикачами на два ланцюги. Кожне приєднання включене через два вимикачі В нормальному режимі всі вимикачі включені, обидві системи шин перебувають під напругою Для ревізії будь-якого вимикача відключають його й роз'єднувачі, установлені по обох сторони вимикача Кількість операцій для виводу в ревізію - мінімальне, роз'єднувачі служать тільки для відділення вимикача при ремонті, ніяких оперативних перемиканні ними не роблять Достоїнства розглянутої схеми:
-
при ревізії будь-якого вимикача всі приєднання залишаються в роботі;
-
висока надійність схеми;
-
випробування вимикачів виробляється без операцій з роз'єднувачами. Ремонт шин, очищення ізоляторів, ревізія шинних роз'єднувачів виробляються без порушення роботи ланцюгів;
-
кількість необхідних операцій роз'єднувачами в плині року для виводу в ревізію по черзі всіх вимикачів, роз'єднувачів і збірних шин значно менше, ніж у схемі із двома робітниками й обхідний системами шин.
Розглянута схема:
-
відключення КЗ на лінії двома вимикачами, що збільшує загальну кількість ревізій вимикачів;
-
подорожчання конструкції РУ при непарному числі приєднань, тому що один ланцюг повинна приєднуватися через два вимикачі;
-
зниження надійності схеми, якщо кількість ліній не відповідає числу трансформаторів. У цьому випадку до одного ланцюжка із трьох вимикачів приєднуються два однойменних елементи, тому можливо аварійне відключення одночасно двох ліній;
-
ускладнення релейного захисту;
-
збільшення кількості вимикачів у схемі.
Схема №2. Схема із двома системами шин і чотирма вимикачами на три ланцюги.
Схема із двома системами шин і із чотирма вимикачами на три приєднання (сх.2). Найкращі показники схема має, якщо число ліній в 2 рази менше або більше числа трансформаторів.
Характеристики
Тип файла документ
Документы такого типа открываются такими программами, как Microsoft Office Word на компьютерах Windows, Apple Pages на компьютерах Mac, Open Office - бесплатная альтернатива на различных платформах, в том числе Linux. Наиболее простым и современным решением будут Google документы, так как открываются онлайн без скачивания прямо в браузере на любой платформе. Существуют российские качественные аналоги, например от Яндекса.
Будьте внимательны на мобильных устройствах, так как там используются упрощённый функционал даже в официальном приложении от Microsoft, поэтому для просмотра скачивайте PDF-версию. А если нужно редактировать файл, то используйте оригинальный файл.
Файлы такого типа обычно разбиты на страницы, а текст может быть форматированным (жирный, курсив, выбор шрифта, таблицы и т.п.), а также в него можно добавлять изображения. Формат идеально подходит для рефератов, докладов и РПЗ курсовых проектов, которые необходимо распечатать. Кстати перед печатью также сохраняйте файл в PDF, так как принтер может начудить со шрифтами.
















