151453 (621712)
Текст из файла
СОДЕРЖАНИЕ
ВВЕДЕНИЕ
1. ОБЩАЯ ХАРАКТЕРИСТИКА МАГНИТОУПРУГОГО ЭФФЕКТА
2. ИСПОЛЬЗОВАНИЕ МАГНИТОУПРУГОГО ЭФФЕКТА ДЛЯ ИЗМЕРЕНИЯ ФИЗИЧЕСКИХ ВЕЛИЧИН
2.1 Измерение силы
2.2 Измерение крутящего момента
2.3 Измерение давления
ЗАКЛЮЧЕНИЕ
ЛИТЕРАТУРА
ВВЕДЕНИЕ
Эффективное внедрение в промышленность систем автоматизации, наряду со специализацией производства, унификацией и нормализацией номенклатуры выпускаемой продукции и механизацией производства, опирается на высокую оснащенность предприятий специальными измерительными приборами для надежного контроля качества, эксплуатационных и физических свойств изделий. Развитие автоматизации промышленного производства идет по пути постепенного перехода от регулирования отдельных параметров к связанному регулирования множества параметров и в итоге к автоматизированным системам управления производством. Внедрение таких систем предполагает создание специализированных информационно - измерительных систем для сбора данных о ходе процесса и состоянии объектов с последующей централизованной обработкой поступающей информации вычислительными и управляющими машинами.
Общей чертой автоматизации производственных процессов является постоянно растущее значение измерений неэлектрических величин и повышение роли вычислительных устройств в замкнутой цепи управления.
Электрические приборы для измерения неэлектрических величин состоят из трех основных узлов: первичного преобразователя, измерительной схемы и устройства отображения. Достоинства приборов в целом, как правило, определяются характеристиками первичного преобразователя неэлектрической величины в электрическую. Чтобы полностью использовать достижения современной измерительной техники электрических величин, преобразователи должны обладать высокими метрологическими свойствами.
1. ОБЩАЯ ХАРАКТЕРИСТИКА МАГНИТОУПРУГОГО ЭФФЕКТА
Магнитоупругий эффект – это изменение намагниченности ферромагнитного тела при деформации. Он является термодинамически обратным магнитострикции, и его иногда называют обратным магнитострикционным эффектом.
При воздействии на кристаллы ферромагнетика механических усилий на кристаллографическую анизотропию накладывается магнитоупругая анизотропия, вызванная дополнительным магнитным взаимодействием атомов вследствие искажения атомной решетки кристалла.
Энергия магнитоупругой анизотропии зависит от вектора намагниченности насыщения в кристалле и создает дополнительные выгодные энергетические направления областей в решетке. Упругие напряжения, действующие на ферромагнетик, приводят к изменению ориентации магнитных моментов доменов в решетке (без изменения абсолютного значения вектора намагниченности насыщения). Это приводит к изменению намагниченности ферромагнетика. Магнитоупругая энергия непосредственно связана с магнитострикцией.
Устойчивые направления областей в ферромагнетике определяются минимальным значением магнитной энергии кристалла, включающей в себя три составляющие: 1) энергию магнитной анизотропии Wk; 2) магнитоупругую энергию Wd; 3) энергию внешнего магнитного поля WH.
В зависимости от вида упругой деформации намагниченность в различных ферромагнитных материалах изменяется различно. Характер изменения зависит от величины и знака магнитострикции материала.
Например, для случая сильных упругих растяжений, действующих в направлении магнитного поля Н, намагниченность М может быть определена из выражения
(1.1)
где α – численный коэффициент, равный
λs– магнитострикция насыщения.
Магнитоупругий эффект зависит от материала, величины и знака его магнитострикций, температуры окружающей среды, упругой деформации и напряженности магнитного поля. Вокруг образца существует магнитное поле. При положительной магнитострикции материала направление результирующей намагниченности совпадает с направлением действия силы и магнитного поля. При отрицательной магнитострикции материала направление результирующей намагниченности перпендикулярно к направлению действия силы и магнитного поля.
Принцип действия и конструкция. Работа магнитоупругого. преобразователя основана на магнитоупрутом эффекте. Как известно, ферромагнитные вещества имеют области самопроизвольного намагничивания (домены). В ненамагниченном состоянии вещества домены ориентированы хаотично и магнитные моменты отдельных доменов компенсируют друг друга. При помещении ферромагнитного тела в магнитное поле домены ориентируются в его направления. В слабом поле ориентация частичная; в сильном поле при магнитном насыщении материала ориентируются все домены. Ориентация доменов вызывает увеличение магнитной индукции, характерное для ферромагнитных материалов.
Если на намагниченный образец ферромагнитного тела воздействовать внешней механической силой, то тело деформируется, домены изменят свою ориентацию и индукция в материале изменяется. Явление имеет упругий характер. Если силу снять, то индукция примет прежнее значение.
μа = μr μ0 = В/Н, (1.2)
Поскольку абсолютная магнитная проницаемость вещества то при заданной напряженности поля H изменение индукции В эквивалентно изменению магнитной проницаемости.
Изменение индукции или магнитной проницаемости в ферромагнитных телах при действии на них силы называется магнитоупругим эффектом.
Рассмотренное явление используется для преобразования механической силы в электрическую величину.
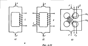
Один из возможных типов магнитоупругого преобразователя представлен на рисунке 1.1, а. Он представляет собой ферромагнитный сердечник с намотанной на нем катушкой. При действии силы – F в материале сердечника возникает механическое напряжение σ, изменяется μr следовательно, и магнитное сопротивление сердечника RM, а также индуктивность катушки L. Формула преобразований имеет вид
F → σ →μ →RM →L. (1.2)
Магнитоупругие преобразователи могут иметь две обмотки (рисунок 1.1,б). Такие преобразователи являются трансформаторными. При действии силы вследствие изменения магнитной проницаемости изменяется взаимная индуктивность М между обмотками и ЭДС вторичной обмотки Е. Формула преобразования имеет вид
F → σ → μr →RM →М→Е. (1.3)
При расчете преобразователя и его чувствительности нужно в соответствии с законами и правилами механики рассчитать механические напряжения σ в элементах конструкции и их зависимость от измеряемой силы σ = σ (F).
Рисунок 1.1-Магнитоупругие преобразователи
Зависимость μr=μr(σ) в ферромагнитных веществах в общем случае нелинейна. Однако при небольших механических напряжениях можно считать, что относительное изменение магнитной проницаемости пропорционально σ:
η=Δμ/ μrном=Sμσ, (1.4)
где Δμ = μr — μrном;
μr - значение магнитной проницаемости при воздействии σ;
μrном - номинальная магнитная проницаемость при σ = 0;
Sμ - чувствительность материала.
Магнитная проницаемость μrном зависит от напряженности поля Н. Для увеличения Δμ целесообразно работать при таких Н, при которых μrном максимальна. Наибольшую чувствительность Sμ имеют железоникелевые сплавы, меньшую — железокобальтовые сплавы и кремниевые стали.
Зная конфигурацию и размеры преобразователя и зависимость магнитной проницаемости μr от измеряемой силы F, можно определить зависимость сопротивления магнитной цепи, а также индуктивности L или коэффициента взаимоиндукции Μ преобразователя:
L = w2/RM ; Μ = w1w2/RM (1.5)
Магнитопровод преобразователя следует делать без воздушных зазоров. Даже пришлифованные друг к другу стыки магнитопровода имеют большое магнитное сопротивление и уменьшают чувствигель-ность преобразователя. При действии измеряемой силы воздушные зазоры изменяются, что приводит к возникновению погрешности.
Рисунок 1.2 - Магнитное поле создаваемое обмоткой питания
При низких частотах питающего напряжения или в случае, когда сердечник собран из достаточно тонких пластин, магнитное поле равномерно заполняет все сечение преобразователя и поверхностный эффект выражен слабо. При сильно выраженном поверхностном эффекте магнитное сопротивление увеличивается, а чувствительность уменьшается.
Лучшими метрологическими характеристиками обладает маг-нитоанизотропный трансформаторный преобразователь, схема которого показана на рисунке 1.1, в. Пока измеряемая сила не действует, магнитопровод такого преобразователя магнитоизотропен: его магнитная проницаемость одинакова во всех направлениях. Под действием механических напряжений магнитная проницаемость изменяется в направлении напряжения. Это изменяет магнитное сопротивление материала в том же направлении. Под действием механических напряжений материал становится магнитоанизотропным.
Преобразователь собран из пакета пластин, имеющих четыре отверстия. В отверстии уложены две обмотки: питания w1 и измерительная w2. Они расположены под углом 45° к направлению действия силы и под углом 90 ° друг к другу. При отсутствии измеряемой силы F магнитное поле, создаваемое обмоткой питания w1, направлено параллельно виткам измерительной обмотки w2 и не заходит в нее (рисунок 1.2,а). В измерительной обмотке ЭДС не индуцируется. Под действием измеряемой силы магнитная проницаемость в направлении ёе действия изменяется и изменяется магнитное сопротивление в том же направлении. Это деформирует магнитное поле (рисунок 1.2,б). Магнитный поток пронизывает измерительную обмотку и индуцирует в ней ЭДС E2, пропорциональную действующей силе.
Рисунок 1.3 - Схема включения трансформаторного магнитоанизотропного преобразователя
Схемы включения. Магнитоупругие индукционные преобразователи включаются в мостовые измерительные цепи. В плечо, смежное с измерительным преобразователем, включается такой же преобразователь для компенсации аддитивных, погрешностей. Он обычно не нагружается — прибор строится по дифференциальной схеме первого типа. Питание моста производится от феррорезонансного стабилизатора.
Схема включения трансформаторного магнитоанизотропного преобразователя приведена на рисунке 1.3. Первичная обмотка 1 питается от феррорезонансного стабилизатора 2. На выходе у ненагруженно-го преобразователя имеется некоторое остаточное напряжение. Для его компенсации в цепь включен резистор R, на который подается напряжение через фазосдвигающую цепочку 3. Напряжение питания преобразователя выбирается так, чтобы режим его работы был близок к режиму насыщения магнитной цепи. При этом на выходе преобразователя имеется напряжение верхних гармоник значительной величины. Для защиты от гармоник схема содержит фильтр верхних частот 4. Напряжение выпрямляется двухполупериодным выпрямителем 5 и подается на магнитоэлектрический измерительный механизм 6. Фильтр нижних частот 7 служит для сглаживания пульсаций выпрямленного напряжения. При измерении быетропеременных процессов в качестве измерительного механизма включается гальванометр све-толучевого осциллографа.
Магнитоупругие трансформаторные преобразователи могут работать также с автоматическими потенциометрами переменного тока.
Погрешность магнитоупругих преобразователей. Функция преобразования магнитоупругих преобразователей, как правило, нелинейна. Имеется ряд методов уменьшения нелинейности. Нелинейность уменьшается при сокращении диапазона измерения измеряемой силы; если наряду с измеряемой силой преобразователь нагружается некоторой дополнительной постоянной силой; при соответствующем выборе магнитного режима преобразователя; при применении магнитоанизотроп-ных материалов, имеющих различную магнитную проницаемость в различных направлениях. Такие материалы получают в результате определенной технологической обработки — ковки, протяжки, прокатки и т. д. Применение этих мер позволяет уменьшить погрешность, происходящую вследствие нелинейности, до 1,5—2 %.
Функция преобразования при увеличении нагрузки магнитоупру-гих преобразователей отличается от функции преобразования при уменьшении нагрузки. Это отличие имеет гистерезисный характер и обусловлено магнитным и механическим гистерезисом. При статических измерениях гистерезис преобразователя больше, чем при динамических. Для уменьшения погрешности, вызванной гистерезисом, рекомендуется изготавливать преобразователи из материалов, имеющих возможно больший предел упругости и возможно меньшую петлю магнитного гистерезиса. Максимальные механические напряжения в магни-тоупругом материале должны быть в 6—7 раз меньше его предела упругости. Погрешность, обусловленная гистерезисом, уменьшается после тренировки преобразователя. Тренировка производится 5—1 Обратным нагружением силой, соответствующей пределу изменения преобразователя. Гистерезис может возникнуть также в результате сил трения, если, например, магнитопровод не сплошной, а составной. Приведенную погрешность, вызванную гистерезисом, можно снизить до 0,5-1 %.
Характеристики
Тип файла документ
Документы такого типа открываются такими программами, как Microsoft Office Word на компьютерах Windows, Apple Pages на компьютерах Mac, Open Office - бесплатная альтернатива на различных платформах, в том числе Linux. Наиболее простым и современным решением будут Google документы, так как открываются онлайн без скачивания прямо в браузере на любой платформе. Существуют российские качественные аналоги, например от Яндекса.
Будьте внимательны на мобильных устройствах, так как там используются упрощённый функционал даже в официальном приложении от Microsoft, поэтому для просмотра скачивайте PDF-версию. А если нужно редактировать файл, то используйте оригинальный файл.
Файлы такого типа обычно разбиты на страницы, а текст может быть форматированным (жирный, курсив, выбор шрифта, таблицы и т.п.), а также в него можно добавлять изображения. Формат идеально подходит для рефератов, докладов и РПЗ курсовых проектов, которые необходимо распечатать. Кстати перед печатью также сохраняйте файл в PDF, так как принтер может начудить со шрифтами.















