151363 (621672)
Текст из файла
Камчатский Государственный Технический Университет
Заочный факультет
Кафедра: электротехники и электрооборудования судов
Курсовой проект
По дисциплине:
Судовые автоматизированные электроэнергетические системы
Вариант №03 - 631
Курсовой проект
выполнил :
Студент группы
Курсовой проект
проверил:
доцент кафедры Э и ЭОС
г. Петропавловск-Камчатский
2009 г.
Задание на курсовой проект:
-
Определение мощности судовой электростанции табличным методом, выбор генераторных агрегатов и преобразователей электроэнергии.
-
Разработка структурной однолинейной электрической схемы генерирования и распределение электроэнергии.
-
Выбор САРН и САРЧ генераторных агрегатов
-
Построение функциональной электрической схемы автоматизации судовой электростанции.
-
Определение расчетных токов в фидере питания одного из потребителей, выбор кабелей коммутационной, защитной и распределительной аппаратуры на основании расчета, проверка кабелей на потерю напряжения
-
Расчет шин ГРЩ, выбор шин
-
Выбор аккумуляторов
-
Расчет токов КЗ в СЭЭС, проверка элементов СЭЭС на динамическую и термическую устойчивость
-
Определение изменения напряжения в СЭЭС при прямом пуске энергоёмкого потребителя.
-
Расчет судовой сети освещения
-
Основные положения по технике эксплуатации САЭЭС, охране окружающей среды, охране труда и технике безопасности
Графическая часть:
-
Структурная однолинейная электрическая схема генерирования и распределения электроэнергии
-
Функциональная электрическая схема автоматизации судовой электростанции
-
Принципиальная электрическая схема одного из функциональных устройств автоматики.
-
Конструктивный чертеж одной из секций ГРЩ
Оглавление
Краткая характеристика судна, его режимы работы
Расчетная часть
-
Определение мощности судовой электростанции табличным методом, выбор генераторных агрегатов и преобразователей электроэнергии
-
Разработка структурной однолинейной электрической схемы генерирования и распределение электроэнергии
-
Выбор САРН и САРЧ генераторных агрегатов
-
Построение функциональной электрической схемы автоматизации судовой электростанции
-
Определение расчетных токов в фидере питания одного из потребителей, выбор кабелей коммутационной, защитной и распределительной аппаратуры на основании расчета, проверка кабелей на потерю напряжения
-
Расчет шин ГРЩ, выбор шин
-
Выбор аккумуляторов
-
Расчет токов КЗ в СЭЭС, проверка элементов СЭЭС на динамическую и термическую устойчивость
-
Определение изменения напряжения в СЭЭС при прямом пуске крупногабаритного АД с короткозамкнутым ротором и автономной работе генераторных агрегатов
-
Расчет судовой сети освещения
-
Основные положения по технике эксплуатации САЭЭС, охране окружающей среды, охране труда и технике безопасности
Список использованной литературы
Краткая характеристика судна, его основные режимы работы.
«Антиас» - специализированный среднетоннажный ярусник-морозильщик немецкой постройки.
Конструктивная специализация ярусоловов связана с особенностями орудий и районов промысла. В основном это суда длиной около 30 - 50 м, шириной 7 - 11 м, имеющие, как правило, два люка (в борту и в транце) для вымета и выборки яруса. В последнее время все шире начинают применяться суда с выборкой яруса через отверстие в днище судна (система “moon pool”), что позволяет увеличить улов на 10 - 20 % [21].
По обобщению технических характеристик судов ярусного лова 1970-2002 годов постройки: при длине 25 - 50 м мощность главного двигателя (ГД) типового судна – 500 - 1300 кВт, иногда суда оборудованы успокоителями качки и подруливающим устройством, экипаж 10-27 человек. Могут иметь ограниченный или неограниченный район плавания.
Тип судна: Рыболовное. Ярусный лов, рыбообработка, холодильная установка.
Класс судна: KM* Ice1 AUT2 fishing vessel
Порт приписки:
Петропавловск - Камчатский
Место и год постройки:
Германия, 07.09. 1993г.
Основные характеристики судна
-
дедвейт 808т
-
мощность ГД 1*1600кВт
-
количествово и мощность генераторов(кВт каждого) 1* 560 2* 291
-
Количествово и тип движителя 1-Винт регулируемого шага
-
водоизмещение 1827 т
-
осадка 5,06м
-
длина расчетная 104,5м
-
длина габаритная 52,5м
-
ширина габаритная 11,5м
-
ширина на миделе16м
-
высота борта до палубы переборок7,4м
-
осадка по КВЛ5,7м
-
высота борта 8,05м
-
скорость 12,3 узлов
Расчетная часть.
1. Определение мощности судовой электростанции табличным методом, выбор генераторных агрегатов и преобразователей электроэнергии
В практике проектирования для определения величины загрузки ГА производится расчет потребляемых мощностей в режимах работы судна табличным методом. Табличный метод основан на определении мощности СЭС по специальным расчетным таблицам нагрузок, составленных для наиболее важных режимов работы судна.
Первым шагом на пути определения мощности СЭЭС табличным методом является выбор электродвигателей для судовых механизмов по известным мощностям.
Условия выбора электродвигателей
-
По роду тока
-
По величине напряжения (Uн дв= Uсети)
-
По мощности (Рмех
н дв)
-
По режиму работы (ПВ)
-
По уровню вибрации и шума
-
По конструктивно-монтажному исполнению, степени защиты и способу охлаждения.
-
По частоте вращения
-
По способу сочетания с валом механизма.
В соответствии с требованиями Правил Регистра, электрооборудование должно безотказно работать в условиях относительной влажности воздуха 75±3% при температуре окружающего воздуха 45±2оС или влажности 80±3% температуре окружающего воздуха 40±2оС, а также при относительной влажности воздуха 95±3% при температуре окружающей воздуха 25±2оС
Также электрооборудование должно безотказно работать при длительном крене судна до 15о и длительном дифференте до 5о, а также бортовой качке до 22,5о и килевой качке до 10о от вертикали. Аварийное электрооборудование должно надежно работать при длительном крене до 22,5о и дифференте 10о. Электрооборудование должно безотказно работать при вибрациях от 5 до 30 Гц.
Все электродвигатели для данного типа судна рассчитаны на 3-х фазный переменный ток 50 Гц и напряжение 220 и 380 В. Для привода большинства судовых механизмов обычно используют АД с короткозамкнутым ротором.
В соответствии с ГОСТ 15150-69 и ГОСТ 15543-70 судовые электродвигатели должны иметь конструктивно-климатические исполнение М - умеренно холодный морской климат и ОМ – для неограниченного района плавания. По степени защиты двигатели серии 4А, АМ и АОМ имеют брызгозащищенное исполнение, т. е. степень защиты не ниже IР 44 , а электродвигатели палубных механизмов серии МАП-IР 56. По уровню шума в соответствии с ГОСТ 16372-84Е, судовые асинхронные электродвигатели можно отнести к классу О (МАП) и к классу 1 (4А, АМ, АОМ).
От правильного выбора ЭД по мощности зависят надёжность его работы в электроприводе и электрические показатели в процессе эксплуатации.
По режиму работы судовые потребители электрической энергии делят на следующие группы:
1 - электроприводы и устройства, работающие непрерывно с практически постоянной и неизменяющейся нагрузкой (насосы охлаждающие, топливные, масляные, циркуляционные; вентиляторы)
t=70-100% Tp t=17-24 час/сутки
2 - электроприводы и устройства, работающие в повторно-кратковременном режиме (санитарные насосы, компрессоры высокого давления, грузовые лебедки, краны, специальные потребители)
t=15-70% Tp t=3.5-17 час/сутки
3 - потребители электрической энергии, работающие кратковременно (балластные, осушительные, топливоперекачивающие насосы)
t£15% Tр t=3.5 час/сутки
Составление таблицы
В таблицу заносятся все потребители, работающие в данном режиме, их номинальные данные, данные для режима работы.
Расчеты производятся на основании нижеперечисленных соотношений:
Графа 1. Наименование групп потребителей.
Графа 2.Режим работы.
Графа 3. Количество однородных потребителей: n, шт.
Графа 4. Мощность на валу механизма: Pн.мех, кВт.
Графа 5. Мощность потребителя: Pн.эд, кВт.
Графа 6. Номинальный КПД электродвигателя: hн.эд.
Графа 7. Номинальный коэффициент мощности потребителя: Cosj.
Графа 8. Коэффициент использования электродвигателя: k1=Pн.мех./Pн.эд.
Графа 9. Установленная активная мощность однородных потребителей: Pуст.=(Pн.эд/hн.эд)*n, кВт.
Графа 10. Установленная реактивная мощность однородных потребителей: Qуст.=Pн.эд * tgj, кВАр.
Графа 11. Установленная полная мощность потребителей:
Графа 12. Коэффициент загрузки механизма в зависимости от режима работы: k2.
Графа 13. Фактический коэффициент загрузки электродвигателей: k3 =k1*k2.
Графа 14. КПД соответствующий фактической загрузке электродвигателя: hпотр.
Графа 15. Коэффициент мощности соответствующий фактической загрузке электродвигателя: Cos jпотр.
Графа 16. Коэффициент одновременности, определяющий отношение потребителей электрической энергии к общему их числу: k0 =праб/пуст.
Графа 17. Активная потребляемая мощность однородных потребителей:
Графа 18. Реактивная потребляемая мощность однородных потребителей:
Примечание: Значения КПД и Cos jпотр электродвигателя зависят от его загрузки. По соответствующим графикам зависимости КПД и Cos jпотр загрузки двигателя можно сказать, что значение КПД электродвигателей сравнительно мало изменяется в пределах нагрузки от 50 до 100% поэтому КПД из графы 5 переносится в графу 13 (исключение составляет рулевое устройство, где kз<0.5) Значения коэффициента мощности электродвигателя в значительной степени зависит от изменения загрузки электродвигателя - kз, поэтому при определении потребляемой мощности необходимо вводить соответствующую поправку на изменение Cos jпотр, значение коэффициентов использования установленных электродвигателей загрузки механизмов, одновременности, мощности, КПД принимает на основании расчетов по техническому и рабочему проектам данного судна и судна прототипа, а также по данным эксплуатации аналогичных потребителей на других судах.
После заполнения таблицы определяем сумарные потребляемые мощности (активная, реактивная, полная) для режима без учета эпизодически работающих потребителей. После этого выбирают общий коэффициент одновременности работы потребителей для каждого режима. Тем самым учитывают несовпадение максимумов нагрузки потребителей во времени. Значение коэффициента одновременности берутся в зависимости от соотношения мощностей:
Тогда:
где kc=1,05 коэффициент, учитывающий потери в судовой сети.
Суммарную активную и реактивную мощности судовой эл.станции в отдельных режимах находят из следующих соотношений:
Полная потребляемая мощность:
Определяем средневзвешенный Cos jср для режима по отношению суммарной активной мощности для режима к полной мощности для режима:
Значение средневзвешенного Cos jср (больше 0,8 ) указывает, что мощность генераторов выбираем по суммарной активной мощности для режима.
Выбор количества и мощности генераторных агрегатов
Условия выбора генераторных агрегатов:
-
Мощность выбираемых генераторов и их число должны обеспечивать номинальную среднегодовую себестоимость электроэнергии, т. е. генераторы должны быть выбраны так, чтобы в каждом из режимов работающие генераторы загружались как можно полнее. Если К=А+k P, то себестоимость 1 кВт×ч электроэнергии определяется так:
S=K/P=(A/P)+k, где k – коэффициент определяемый из нагрузочной характеристики генераторного агрегата.
K=a+b- эксплуатационные расходы на выработку электроэнергии за 1 час при нагрузке в Р кВт.
Р- нагрузка в кВт.
а- эксплуатационные расходы не зависящие от нагузки генераторов
(затраты на амортизацию основных фондов).
b=k*P - эксплуатационные расходы не зависящие от нагузки генераторов (затраты на ГСМ). Для обеспечения низкой себестоимости электроэнергии необходимо обеспечить загрузку генераторов близкой к номинальным значениям (75-80% от Рном).
-
При выборе мощности генераторов исходить из расчетной мощности на станцию Рр и выбрать по справочным данным такое количество генераторов n, равной мощности Рг ном , чтобы выполнялось неравенство:
Рр- расчетная мощность судовой ЭС для режима.
nr –количество генераторных агрегатов.
Рг- номинальная мощность генератора.
0,8 - коэффициент, предусматривающий запас мощности в связи с возможной неравномерностью распределения нагрузок между параллельно работающими генераторами и запас на расширение электрификации судна в процессе его эксплуатации
-
Согласно требованиям Регистра на случай выхода из строя любого из основных генераторов должны предусматриваться один или несколько резервных генераторов. При этом общая мощность СЭЭС должна быть достаточной для обеспечения ответственных потребителей электроэнергией в ходовом и аварийном режимах, т.е. не меньше мощности генератора работающего на основных режимах.
-
При выборе типа и мощности генераторов необходимо стремиться к установке агрегатов равных по мощности и одинаковых по конструкции, что облегчает эксплуатацию ГА, позволяет выровнять выработку моторесурса каждым из агрегатов и унифицировать потребность в ЗИПе и повышает устойчивость параллельной работы генераторов.
Коэффициент загрузки генераторов может быть повышен путем установки большого количества генераторов относительно небольшой мощности с применением их параллельной работы. Однако минимальное количество ГА ограниченно требованиями Регистра (не менее 2-х), а максимальное – возможностью размещения на судне.
Во время наименее нагруженного режима судна генераторы могут быть недогружены. Для уменьшения себестоимости вырабатываемой электроэнергии и существенного улучшения работы дизелей, для которых длительная работа с малыми нагрузками вредна, следует устанавливать стояночные дизель-генераторы. Однако опыт показывает, что установка стояночного дизель-генератора меньшей мощности по сравнению с другими ДГ нецелесообразна, поскольку в промысловом режиме его не используют. А при отказе такого ДГ его приходиться заменять генератором большей мощности, и наоборот, что существенно изменяет значения коэффициентов загрузки.
По требованиям расчетной мощности СЭЭС принимаем к установке три генераторных агрегата (один - резервный) типа МСК 114-4, имеющие следующие параметры:
-
частота напряжения: f = 50 Гц,
-
полная мощность: S = 500 кВА,
-
активная мощность: P = 400кВт,
-
напряжение: U = 400 В,
-
ток статора: Iст. = 722 А,
-
номинальный КПД hном=92.5%
-
частота вращения: n =1500 об/мин.
Выбор аварийного дизель-генератора.
Выбираем генератор:
-
тип: МСК 91-4
-
частота тока: f = 50 Гц,
-
полная мощность: S = 94 кВА,
-
активная мощность: P = 75 кВт,
-
напряжение: U = 400 В,
-
ток статора: Iст. = 135,5 А,
-
номинальный КПД hном=88,7%
-
частота вращения: n =1500 об/мин.
Выбор преобразователей электроэнергии.
Условия выбора трансформаторов:
-
По количеству фаз.
-
По напряжению.
-
По мощности.
По требованиям Регистра трансформаторная подстанция должна обеспечить питание всех приёмников в случае отказа самого мощного. Наиболее часто на судах устанавливают два или три трансформатора равной мощности, подключая их к разным секциям ГРЩ. Выбор мощности трансформаторов для сети освещения производят по режиму наибольшей нагрузки, принято в таблице нагрузок генераторов.
Для расчёта используем следующее соотношение :
, где
n - число трансформаторов;
Sн.т. - номинальная мощность трансформатора;
kо - коэф. одновременности;
kЗ – коэф. загрузки трансформатора;
SPi - суммарная мощность потребителей.
SPi=Ркамб+Росв+Рпрож+Рнагр+Рро+Рэл.нав.=46+38+1,5+27+7,1+5,2=124,8 кВт
Для питания сети освещения и других потребителей рассчитанных на напряжение 220 В, принимаем к установке два трехфазных силовых трансформатор типа ТСЗМ-160 (трехфазный, сухой, защищенный, морской) мощностью 160 кВА, напряжением 380/230 В.
Для запитки радиооборудования и электрорадионавигационных приборов и аварийного освещения от АРЩ принимаем к установке трехфазный силовой трансформатор типа ТСЗМ-40 (трехфазный, сухой, защищенный, морской) мощностью 40 кВА, напряжением 380/220 В.
2. Разработка структурной однолинейной электрической схемы генерирования и распределения электроэнергии
Согласно Правилам Регистра СССР непосредственно от ГРЩ получают питание электроприводы рулевого и якорно-швартовных устройств, насосов пожарных и балластно-осушительных, навигационное оборудование, щиты основного освещения, радиостанция, основные ЭП механизмов силовой установки (компрессоры пускового воздуха, насосы топливный и масляный), грузовые, траловые и шлюпочные лебедки. А также непосредственно от ГРЩ запитываются мощные электроприводы (компрессор системы кондиционирования воздуха, компрессор и насос провизионной установки).
От аварийного распределительного щита получают питание электроприводы аварийного пожарного насоса, производится дублирование питания электронавигационных приборов, радиостанции, аварийного освещения, сигнализации пожарной и СО2.
Через вторичные распределительные щиты питаются: вентиляторы трюмов, насосы бытовых систем, вентиляторы МКО и общесудовые, вентиляторы системы кондиционирования воздуха, механизмы, обеспечивающие работу вспомогательных котлов, испарительная установка, нагревательные устройства, электроприводы рыбообрабатывающих цехов, электроприводы мехмастерской, потребители камбуза и прочая нагрузка.
3. Выбор САРН и САРЧ
Системы автоматического регулирования напряжения (САРН) и частоты (САРЧ) для судовых генераторов выбирают в зависимости от тех требований, которые предъявляют к СЭЭС с учётом условий эксплуатации. Правила Регистра предусматривают следующие требования стабилизации напряжения и частоты вращения: системы стабилизации напряжения (ССН) генераторов должны поддерживать в установившихся режимах напряжение СГ с точностью ±2,5% для диапазона нагрузок от холостого хода до номинальной при изменении cosj от 1 до 0,4. В переходных режимах при набросе на СГ 100% номинального тока и сбросе его или при сбросе 50% номинального тока максимальное изменение напряжения должно быть не более 20% и восстанавливаться до номинального значения с точностью ±2,5% за 1,5 с.
Частота тока зависит от частоты вращения приводного двигателя. Постоянство частоты тока - основное условие нормальной работы потребителей электроэнергии. Поэтому дизели всегда имеют автоматические регуляторы частоты вращения, воздействующие на подачу топлива; а синхронные генераторы – автоматические регуляторы напряжения, воздействующие на ток возбуждения. САРН и САРЧ относятся к системам стабилизации. Системы автоматической стабилизации регулируемой величины могут быть статическими и (или) астатическими по отношению к внешнему воздействию. Первая обеспечивает установившееся значение регулируемой величины, зависящее от внешнего воздействия, а вторая – независимое. В САРЧ дизелей внешним воздействием является мощность, приложенная к выходному валу, которая равна активной мощности, отдаваемой генератором, делённой на КПД генератора. В САРН генераторов внешним воздействием является ток статора, который равен току нагрузки.
Практически характеристики регулируемой величины не являются прямыми линиями, так как любая САР имеет некоторую нечувствитнльность и нестабильность в работе. Статическая характеристика оценивается :
-статизмом системы
d=[(Ао-Аном)/Аном] ×100%; где
d – статизм системы
Ао – начальное значение регулируемой величины
Аном – номинальное значение регулируемой величины
-коэффициентом статизма
Кс=(Ао-Аном)/Вном=tg b; где
Кс – коэффициент статизма
Вном – номинальное значение внешнего воздействия
Качество САР в установившемся режиме оценивается точностью поддержания регулируемой величины и значением статической ошибки или статизмом системы. Астатическая характеристика имеет статическую ошибку, равную нулю, то есть лучшее качество по сравнению со статической характеристикой. Последняя применяется при параллельной работе агрегатов.
Существует два основных принципа автоматического регулирования: по отклонению регулируемой величины (САР по отклонению), по внешнему воздействию на регулируемую величину (САР по внешнему воздействию) и комбинированные (САР по отклонению и по внешнему воздействию). САРЧ и САРН судовых дизельгенераторов в большинстве случаев являются комбинированными. Такие регуляторы называют двухимпульсными. По сравнению с одноимпульсными, они обеспечивают более высокую точность регулирования.
Судовые синхронные генераторы серии МСК имеют комбинированную систему самовозбуждения выполненную по принципу компаундирования. Она выполняет все требования Регистра, обладает высокой точностью стабилизации напряжения. Требуемая точность поддержания напряжения обеспечивается совместной работой схемы фазового компаундирования и корректра напряжения. С помощью корректора напряжения можно осуществить ручную регулировку напряжения генератора с помощью потенциометров точной и грубой уставки.
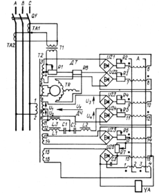
В САРН СГ типа МСК (рисунок ниже) используют трансформатор компаундирования ТК с подмагничиванием и магнитным шунтом МШ. Обмотка подмагничивания wп указанного трансформатора получает питание от КН, который представляет собой устройство, состоящее из полупроводниковых элементов и работающее в импульсном режиме. При уменьшении напряжения СГ корректор напряжения действует так, что ток подмагничивания Iп уменьшается, полезный результирующий магнитный поток Ф увеличивается, возрастает выходное напряжение о6мотки w2, увеличивается ток Iв и напряжение СГ восстанавливается. При увеличении напряжения СГ корректор напряжения увеличит ток подмагничивания ТК, что вызовет уменьшение магнитного потока Ф, уменьшение тока Iв и восстановление напряжения генератора до заданного значения.
Структурная схема САРН СГ типа МСК с фазовым компаудированием и корректором напряжения
Двухимпульсный АРЧ обладает высокой точностью и быстродействием и состоит из датчика частоты ДЧ, датчика активного тока ДТ, магнитного усилителя А и электромагнита УА.
Датчик частоты представляет собой двухполупериодный выпрямитель-демодулятор, в диагональ которого включен выход частотного индуктивно-емкостного фильтра L1-C1-L2-C2L3. При резонансной частоте (50 Гц) выходное напряжение фильтра Uf находится в квадратуре с опорными напряжениями U1 и U2 трансформатора Т2., При отклонении частоты от резонансной выходное напряжение Uf изменяет свою начальную фазу. Выходные напряжения ДЧ равны U3 = U1 + Uf и U4=U2-Uf , поэтому выходной сигнал ДЧ пропорционален отклонению частоты от номинальной, а его полярность uпределяется направлением этого отклонения. При понижении частоты обмотки управления 9-10 и 11-12 подмагнитят ДМУ, сработает электромагнит УА и откроет золотник гидроусилителя, который сместит топливную рейку до полной компенсации отклонения частоты от номинальной. При этом подмагничивание ДМУ прекратится, УА потеряет питание и гидроусилитель прекратит работу.
Датчик активного тока практически не отличается от датчика типа УРЧН-IД. В цепь дополнительно включена отрицательная обратная связь от поворотного трансформатора TR, связанного кинематически с гидроусилителем. В установившемся режиме напряжение TR уравновешивает выходное напряжение ДТ. При набросе активной нагрузки обмотки управления 5-6 и 7-8 подмагничивают ДМУ, и гидроусилитель переместит топливную рейку в положение, соответствующее новой нагрузке, после чего поворотный трансформатор ТR своим напряжением скомпенсирует сигнал ДТ. ДМУ АРЧ имеет дополнительную обмотку смещения 13-14 и обмотку положительной обратной связи по току нагрузки 15-16.
Двухимпульсный электрический АРЧ по сравнению с электромеханическим повышает качество процесса регулирования частоты и устойчивость распределения активных нагрузок методом мнимостатических характеристик.
4.Постороение функциональной электрической схемы автоматизации судовой электростанции.
Контроль сопротивления изоляции:
Для контроля сопротивления изоляции судовой сети переменного тока при наличии и отсутствии напряжения применяется прибор ПКИ. Он имеет пять уставок сопротивления изоляции (500, 200, 100, 50 и 25 кОм) и выдает сигнал при его снижении. Прибор состоит из преобразователя В переменного тока в стабилизированное постоянное напряжение (150 В) , измерительной схемы ИС, ограничивающего резистора R, фильтрующего конденсатора С и выходного бесконтактного элемента РЭ. При снижении сопротивления изоляции ниже заданного постоянный ток, протекающий по цепи через измерительную схему и резистор, приводит к срабатыванию реле РЭ. Оно подает напряжение переменного тока 24 В на звонок и сигнальные лампы в пульт управления ПУ. Конденсатор предназначен для защиты схемы от влияния переменного тока утечки через сопротивление изоляции.
5.Определение расчетных токов в фидере компрессора кондиционирования воздуха. Выбор кабелей, коммутационной защитной и распределительной аппаратуры на основании расчета, проверка кабеля на потерю напряжения
Условия:
Потребитель – мощностью Р = 37 кВт.
Режим работы – непрерывный.
Участок 1 – L1=17 м.
Уч-к 2 – L2=42 м.
Уч-к 3 – L3=9 м.
Способ монтажа кабеля по участкам:
L1 – однорядная пучковая прокладка.
L2 – многорядная пучковая прокладка.
L3 – автономная прокладка в трубе длиной более 1,3 м
Температура в МКУ 47 С0, в остальных помещениях не превышает расчетной , места контактирования на шинах ГРЩ необработанные.
На I участке:
Поправки с учетом прокладки и режима работы:
I’расч. = Iрасч./(k1 k2)=802 А, где
k1=0,9 - коэф.,учитывающий способ прокладки (однорядная пучковая),
k2== 1 - коэф.,учитывающий режим работы (непрерывный [24ч]).
С учетом температурного режима:
I’’расч.=I’р/k=951 А, где kθ - температурный коэф.
, температурный коэф.
На II участке:
kз=0,85 - коэф. загрузки потребителя,
Pн=37 кВт - номинальная мощность потребителя,
Uн=380 В - напряжение сети,
н =0,9 - номинальный К.П.Д. потребителя
cos=0,89 - номинальный коэф. мощности потребителя.
С учетом прокладки и режима работы:
I’расч. = Iрасч./(k1k2)= 98,3А, где
k1=0,6 - коэф., учитывающий способ прокладки (многорядная пучковая),
k2=1 - коэф., учитывающий режим работы (непрерывный).
С учетом температурного режима:
I’’расч.=I’расч/k=65,5А, где
, температурный коэф.
На III участке:
kз=0,85 - коэф. загрузки потребителя,
Pн=37 кВт - номинальная мощность потребителя,
Uн=380 В - напряжение сети,
н =0,9 - номинальный К.П.Д. потребителя
cos=0,89 - номинальный коэф. мощности потребителя.
Поправки с учетом прокладки и режима работы:
I’расч. = Iрасч./(k1 k2)=73,8 А, где
k1=0,8 - коэф.,учитывающий способ прокладки (автономная в трубе L более 1,3м),
k2== 1 - коэф., учитывающий режим работы (непрерывный [24ч]).
С учетом температурного режима:
I’’расч.=I’р/k=49,2 А, где kθ - температурный коэф.
, температурный коэф.
Выбор кабелей.
Произведем выбор кабелей для заданной трассы питания электропривода насоса рефрижератора трюмов с учетом режимов работы кабелей под нагрузкой, особенностей прокладки трассы и фактической температуры окружающей среды.
На 1 участке: I’’расч.= 951 А
По этому току из таблиц выбираем ближайшее большее значение допустимого тока: Iдоп=325А для кабеля КНР 3
240 мм2 ,число кабелей = 3
На 2 участке: I’’расч.= 65,5 А
По этому току из таблиц выбираем ближайшее большее значение допустимого тока: Iдоп =79А для кабеля КНР 3
25 мм2.
На 3 участке: I’’расч.= 49,2 А
По этому току из таблиц выбираем ближайшее большее значение допустимого тока: Iдоп =60А для кабеля КНР 3
16 мм2.
Выбор пуско-регулирующей и защитной аппаратуры.
В соответсвии с заданием необходимо выбрать для участка судовой сети (рис. 1) автоматические выключатели и пускорегулирующую аппаратуру электродвигателя.
Выбор автоматических выключателей
Условия выбора:
-
род тока (в случае переменного учесть частоту питающей сети.);
-
величина напряжения, причем необходимо, чтобы Uн.уст.£ Uн.ав., где Uн.уст. - номинальное напряжение установки, Uн.апп. - номинальное напряжение аппарата;
-
величина тока. Необходимо, чтобы Iн.потр. £ Iн.ав.;
-
конструктивно-климатическое исполнение (условия эксплуатации, Требования Регистра.);
-
номинальный ток расцепителя Iн.р.;
-
уставка по току срабатывания Iуст.£ Iуст. АВ.
Выбор автоматического выключателя (потребитель)
- по номинальному току max расцепителя: Iн.р.³Iр.ф.; Iн.р.³70А.
- по номинальному току АВ: Iн.АВ³Iр.ф.; Iн.АВ³70А.
- по току уставки срабатывания :
Iуст=800 А
Iуст³11,7 А
Выбираю автоматический выключатель серии А3120Р:
номинальный ток расцепителя: 80 А;
Допустимый ударный ток 22 кА.
вид расцепителя: комбинированный расцепитель максимального тока.
Выбор секционного автомата QF 5.
- по номинальному току max расцепителя: Iн.р.³ Iраб.; Iн.р.³1023 А.
Iраб=1023А
- по номинальному току АВ: Iн.АВ.³ Iн.потр..; Iн.АВ.³1023 А.
- по току уставки срабатывания АВ: Iуст.=(3¸5)×Iраб.=5×1023=5115 А.
Выбираю секционный автомат серии АМ15-М:
Номинальный ток автомата 1250 А.
Ток max расцепителя 1250 А.
Допустимый ударный ток 110 кА.
Действующее значение тока в момент расхождения дугогасительных контактов 45кА.
Выбор автоматического выключателя (ВРЩ 2 ) QF 7.
- по номинальному току max расцепителя: Iн.р.³ Iфид.=Ко(
К3i×Iн.i+Iр.), где Iфид=
Ко - коэффициент одновременности;
К3i - коэффициент загрузки i-ого потребителя;
Iн.i - ток i-ого потребителя;
Iр. - сумма номинальных токов расцепителей резервных АВ,
Iн.р.³24,85 А.
- по номинальному току АВ: Iн.АВ. ³ Iн.р.; Iн.АВ. ³ 24,85 А.
- по току уставки срабатывания АВ:
, где
Iф - ток фидера;
вкл.i =1,2
Iн.дв
н.дв.-номинальный ток i-го двигателя;
Кп=5¸7 - кратность пускового тока;
d=0,2 - минусовой допуск на ток срабатывания к.з.
вк.i = 1,2(21,36+63+91,2+30,18)=205,74 А.
н.i =34,35 А
Iфид.=27,61 А
Iуст. = (205,74+27,61-34,35)/(0,8×30) = 199/24=8,3(Кратность по току)
Выбираю АВ серии А3100Р исполнения А3110Р:
номинальный ток автомата - 30 А.
току уставки срабатывания – 300А.
Выбор генераторного автомата QF 1.
- по номинальному току max расцепителя: Iн.р.³ Iр.фид.; Iн.р.³956 А.
- по номинальному току АВ: Iн.АВ.³ Iн.р.; Iн.АВ.³ 956 А.
- по току уставки срабатывания АВ: Iуст.=(2,5¸3,5)×Iн.G.=3×659=1977 А.
Выбираю генераторный автомат серии АМ15-М: типоисполнение:АМ15Н-5М
Ток max расцепителя 1250 А.
Допустимый ударный ток 110 кА.
Действующее значение тока в момент расхождения дугогасительных контактов 45кА.
Термическая устойчивость = 3000 А2*с*10-6
Выбор магнитного пускателя для потребителя.
- Uн.уст.£Uн.апп., где Uн.уст. - номинальное напряжение установки; Uн.апп. - номинальное напряжение аппарата;
- Iн.потр. £ Iн.апп.
Iн.апп=70А
номинальный ток пускателя Iн.п. = 90 А,
Исходя из данных условий, выбираю магнитный пускатель серии ПММ-3020:
Проверка кабеля на потерю напряжения
Потеря напряжения есть арифметическая разность величин напряжений в начале и конце рассматриваемого участка кабеля. Линейная потрея напряжения вычисляется по формуле
, где
Iрасч. - расчетный ток на участке;
l - длина участка;
cosj - коэффициент мощности;
Uн - напряжение;
g=48 м/(Ом×мм2) - удельная проводимость электротехнической меди;
S - сечение жилы кабеля.
На I участке:
Iрасч.=722 А; l=17 м; cosj =0,8; Uн =400 В; S=240 мм2 .
DU=0,37%
На II участке:
Iрасч.=59 А; l=42 м; cosj=0,89; Uн=380 В; S=25 мм2.
DU=0,84 %
На III участке:
Iрасч.=59А; l=9 м; cosj=0,89; Uн =380 В; S=16 мм2.
DU =0,28 %
Суммарная потеря напряжения на расчётном участке: 1,49%
Так как по требованиям Регистра суммарное падение напряжения в силовой сети не должно привышать 7% то можем сказать, что выбранная сеть отвечает этим условиям.
6. Расчет шин ГРЩ, выбор шин
1) Определение наибольшего длительного рабочего тока нагрузки
где
kо = 1- коэффициент одновременности работающих генераторов;
kз.i. = 0,8 - коэффициент загрузки работающих генераторов;
I н.G.i = 956 А - номинальный ток i-того генератора;
1/2 - берется из расчета, что условная точка приема электроэнергии находится в центре шин по длине.
Iн.р. = 764,8 А
2) Определение расчетного тока
3) Выбор шин
Выбираем медные, сплошные, окрашенные шины из справочника по допустимому току нагрузки со следующими размерами (допустимый ток - Iдоп. = 860 А): ширина: а = 50 мм;толщина: b = 5 мм .
7.Выбор аккумуляторов
Выбор аккумуляторов состоит из двух задач:
-
выбор типа аккумулятора, соответственно заданным условиям эксплуатации
-
определение ёмкости аккумуляторной батареи для питания заданных потребителей электроэнергии.
Исходные данные:
средний пусковой разрядный ток – 340 А
кол-во пусков - 7
напряжение - 12 В,
время одного пуска - 6 с.
Выбор аккумулятора :
-
Рассчитаем ёмкость АБ: САБ =
=
=3,96 А
ч -
С’АБ= САБ/(к1к2)=3,96/0,85*0,9=5,2 А
ч -
Для обеспечения этой ёмкости и напряжения 12В выбираем аккумуляторную батарею типа 6СТК-135.
Данные аккумуляторной батареи 6СТК-135 :
-
Число аккумуляторов в батареи: 6
-
Номинальное напряжение : 12 В
-
Ток разряда : 340 А (для стартерного режима )
-
Ёмкость: 28,3 А ч
8. Расчет токов КЗ в СЭЭС, проверка элементов СЭЭС на динамическую и термическую устойчивость
Для заданного участка схемы (рис. 4) необходимо определить значение ударного тока КЗ при трехфазном металлическом КЗ в точке. Расчет производится упрощенным аналитическим методом.
Рис. 4
Для расчетной точки КЗ произведем преобразование расчетной схемы в эквивалентную схему замещения и определим базисную величину и сопротивление.
Генератор со следующими данными :
тип генеаратора: МСК 114-4
частота тока: f = 50 Гц,
полная мощность: S = 519 кВА,
активная мощность: P = 400 кВт,
напряжение: U = 400 В,
ток статора: Iст. = 722 А,
номинальный КПД hном=91,5%
частота вращения: n =1500 об/мин.
напряжение ротора: 25В
ток ротора: 182А
продольное индуктивное сопротивление Xd=1,665 о.е.
продольное переходное индуктивное сопротиление X’d=0,195 о.е.
продольное сверхпереходное индуктивное сопротиление X’’d*=0,123 о.е.
активное сопротивление СГ Rd*=0,04 о.е. (при 75°С)
время Td0=2,84 сек
время переходного процесса Td’=0,34 cек
время сверхпереходного процесса Td’’=0,006 cек
Представим расчетный участок в виде эквивалентной схемы замещения (рис. 5):
Рис. 5
На схеме обозначено:
- активное сопротивление обмотки статора СГ;
- сверхпереходное индуктивное сопротивление СГ;
- сопротивление сети до шин ГРЩ;
Определение сопротивления элементов цепи КЗ.
где
Rк - сопортивление кабеля(3´240); Rк =0.090 Ом/км; Rк =0.9*10-4 Ом/м;
Rконт - сопротивление контактов от генератора до шин на одну жилу;
Rконт=0,45*10-4 Ом
Rга - сопротивление главной цепи генераторного автомата;
Rга=0,03*10-3 Ом
Rтфк - сопротивление токовой обмотки ТФК.
где
XК - индуктивное сопротивление кабеля КНР (3´240); XК =0.086 Ом/км
XК=0,86*10-4Ом/м
Хга - индуктивное сопротивление генераторного автомата.
Хга=0,08*10-3Ом
Активным и индуктивным сопротивлением измерительного трансформатора тока, а также индуктивным сопротивлением ТФК пренебрегаем, т. к. Iр>400А.
Найдем коэффициенты пересчета сопротивлений в относительные единицы (о.е.).
, где
Sб - базовая полная мощность генератора;
Uб1 - базовое напряжение на I-ом участке.
Произведем пересчет сопротивлений в относительные единицы.
Расчетное индуктивное сопротивление:
Расчетное активное сопротивление цепи до точки КЗ:
Полное расчетное сопротивление цепи до точки КЗ:
Отношение сопротивлений:
Расчет тока КЗ.
Начальное значение сверхпереходной составляющей тока КЗ от генератора:
; где
Е0’’* - начальное значение сверхпереходной ЭДС принимаем равной 1.
Ударное значение тока КЗ, возникающее примерно через 0,01сек после начала КЗ:
где
g=0,76 - коэффициент характеризующий затухание периодической составляющей тока КЗ (определяем по рис.2.7.19. из спр. Суд. Электротехн. Том1. Под ред. Г.И. Китаенко);
- ударный коэффициент (по полному сопротивлению по графику рисунка 10.13 Баранов А.П. “САЭЭС”).
Та=0,72
Ударный ток КЗ от генератора:
Действующее значение тока КЗ от генератора:
Ток подпитки от асинхронных двигателей:
где
Ед’’*=0,9 - сверхпереходная ЭДС эквивалентного АД;
- остаточное напряжение на шинах ГРЩ;
- полное сопротивление II-ого участка.
- полное сверхпереходное сопротивление эквивалентного АД и линии.
Номинальный ток эквивавалентного АД:
, где
Pд.э.=0,75Рн.г. - номинальная мощность эквивалентного АД.
Ударный ток КЗ от асинхронных двигателей:
Суммарный ударный ток в точке КЗ:
Суммарное действующее значение ударного тока КЗ от генераторов и эквиввалентного АД:
где
- ток подпитки, приведенный к базисному, где
- базисный ток.
Полученные значения ударного тока КЗ и его действующее значение в точке КЗ будут использоваться в дальнейших расчетах и проверках элементов СЭЭС.
Проверка элементов СЭЭС на динамическую и термическую устойчивость
В соответствии с заданием произведем необходимо произвести проверку автомата QF1 на термическую и динамическую, а кабеля на термическую устойчивость.
1. Проверка QF1 на динамическую устойчивость.
Динамическая устойчивость это способность отдельных узлов аппарата, а следовательно и его в целом функционировать нормально после прохождения тока КЗ.
Проверку производят исходя из условия: iуд.расч.£ iуд.доп.;
QF1 18916,6 А£110000 А
Отсюда следует, что выбранные автоматы удовлетворяют требованиям динамической устойчивости.
2. Проверка QF1 на термическую устойчивость.
Под термической устойчивостью понимают способность аппарата противостоять токам КЗ при этом не перегреваясь.
Проверку производим исходя из условия:
, где
(I2×t)доп=3000×106 А2×с - допустимое значение тепловой энергии, применительно к данной серии АВ;
- термическое воздействие на АВ за время КЗ 0,18с. Для судовых систем с частотой 50Гц определяется по кривым в справочнике судового электромеханика под редакцией Китаенко.
В результате произведенных вычислений делаем вывод, что АВ термически устойчив.
3. Проверка кабеля на участке I на термическую устойчивость.
Определим величину установившегося тока КЗ:
= 4,5/1,66=2,71
где Eуст=1 - установившееся значение ЭДС,
4,5-кратность форсировки,
Находим переменную температуру жил кабеля до момента КЗ (t£0), т.е. рабочую температуру кабеля, находящегося под нагрузкой:
По найденной величине q0’ в соответствии с графиком (рис. 2-17 - “Брунов Татьянченко”) определяем значение А0’=1,2×10-4.
-
Определим условное время кз:
7,6946/2,71=2,83
tу = 0,7 с (по кривым зависимости от )
Вычисляем коэффициент А по выражению:
Находим сумму коэффициентов: Ак=А0’+А=1,2×10-4+0,89×10-4=2,09×104
По Ак найдем температуру нагрева из графика: qк =120°доп.
Для кратковременного нагрева медных жил кабеля с резиновой изоляцией максимальная допустимая температура qдоп =200 0C.
qкдоп, следовательно делаем вывод, что кабель термически устойчив.
9.Определение изменения напряжения в СЭЭС при прямом пуске энергоемкого потребителя (компрессора кондиц.воздуха) и автономной работе ГА
Расчёт выполняем аналитическим методом
Исходные данные:
Тип генератора МСК 114-4;
Sн.G.=519кВА;
продольное индуктивное сопротивление Xd=1,665 о.е.
продольное переходное индуктивное сопротиление Xd’=0,195 о.е.
продольное сверхпереходное индуктивное сопротиление Xd’’*=0,123 о.е.
поперечное индуктивное сопротивление Xq=0,815 о.е.
поперечное сверхпереходное индуктивное сопротиление Xq’’*=0.151 о.е.
активное сопротивление СГ Rd*=0,04 о.е. (при 75°С)
время Td0=2,84 сек
время переходного процесса Td’=0,34 cек
время сверхпереходного процесса Td’’=0,006 cек
Коэффициент магнитной связи фаз статора и поперечного демпферного контура:
mq=0,8 о.е.;
Полная мощность включаемой нагрузки:
=46,2 кВА;
Коэффициент мощности включаемой нагрузки :
=0,8;
Полная мощность предварительной нагрузки :
= 320кВА ;
Усреднённый коэффициент мощности предварительной нагрузки:
=0,85.
Порядок расчёта :
Определяем полную проводимость включаемой нагрузки :
=0,089
Определяем активные и реактивные составляющие полной проводимости вклю-
чаемой нагрузки:
=0,0890,8=0,071 о.е
=0,0890,6=0,053 о.е.
Определяем полную проводимость предварительной нагрузки :
320/519=0,61 о.е.
Определяем активные и реактивные составляющие полной проводимости предварительной нагрузки :
0,61 ×0,85=0,518 о.е.
о.е.
Определяем суммарные активные и реактивные составляющие проводимости нагрузки:
0,071 +0,518 =0,589 о.е.
о.е.
Определяем составляющие напряжения генератора для исходного установившегося режима:
=
Определяем составляющие тока статора и ток возбуждения генератора в исходном установившемся режиме:
0,518×0,319+0,31×0,94=0,456 о.е.
о.е.
0,94+1,665×0,456=1,7 о.е.
Определяем составляющие напряжения генератора с учётом демпферных обмоток в первый момент времени после включения нагрузки:
Определяем составляющие напряжения генераторов на момент включения без учёта демпферных обмоток:
Определяем отклонение напряжения с учётом и без учёта демпферных обмоток:
Определяем окончательное значение отклонения напряжения генератора:
Это значение удовлетворяет требованиям Регистра.
10.Расчёт сети освещения над умывальником в каюте эл. механика
Цель расчета: определить тип, количество и мощность ламп, необходимых для получения заданной освещенности. Пользуясь нормами освещенности и рядом коэффициентов, характеризующих светотехнические свойства помещения, определяем расчетный световой поток, необходимый для получения требуемой нормы освещенности. По найденному световому потоку выбирается стандартная лампа, их количество, а так же количество светильников. Расчет ведем методом коэффициента использования осветительной установки.
Исходные данные:
длина l=1м;
ширина b=0,6 м;
высота подвеса светильника h=0,8 м.
Подволок – белый пластик;
Переборка – голубой пластик;
Раковина – белая Эмаль.
Используя справочную литературу (Крепак А.П. “Судовая светотехника”) определяем коэффициенты отражения поверхностей :
Подволока - 0,75 Переборки - 0,5 Раковина - 0,75
N - число источников света;
Eмин=100 - минимально допустимая нормированная освещенность;
S=l×b=1*0,6=0,6м2 - освещаемая поверхность;
z =1,2 - коэфициент неравномерности освещенности;
kз=1,3 - коэффициент запаса;
n - число ламп в светильнике;
Фл=1600 - поток лампы
; i = 0,6/0,8*1,6 = 0,468
η = 28% (из табл.10 на стр.96)
Устанавливаем 1 подпалубный светильник типа 30.
Количество ламп n=1;
U = 220 В
Тип лампы ЛБ-40;
КПД=0,85;
Потребляемая мощность 40 Вт
11. Основные положения по технической эксплуатации САЭЭС,
охране труда, окружающей среды и техники безопасности
К работам, выполняемым в порядке текущей эксплуатации, относятся: чистка кожухов электрооборудования, смазка подшипников, смена перегоревших ламп и плавких вставок предохранителей, уход за кольцами и коллекторами электрических машин, чистка, регулировка и обтяжка магнитных пускателей, пусковых кнопок, регулировочных реостатов и т.п.
Указанные работы производятся:
-
при полном снятии напряжения, когда напряжение снято со всех частей электрооборудования и с питающих его фидеров;
-
при частичном снятии напряжении, когда напряжение снято только с техчастей, в которых производятся работы;
-
без снятия напряжения.
До начала работ при полном или частичном снятии напряжения нужно принять следующие меры безопасности:
-
произвести необходимые отключения и разрядить все ёмкости относительно корпуса;
-
на рукоятках рубильников, выключателей и на пусковых кнопках аппаратов, которыми может быть подано напряжение вывесить табличку с предупреждающей надписью (например: “НЕ ВКЛЮЧАТЬ!!! РАБОТАЮТ ЛЮДИ.”);
-
перед выполнением работ с частично снятым напряжением, все токоведущие части, остающиеся под напряжением, и доступные для случайных прикосновений, оградить конструкциями из изолирующих материалов (деревянными щитами, решетками, изделиями из резины и т. п.);
-
проверить индикаторами отсутствие напряжения на токоведущих частях в которых будет производиться работа. Проверку производить между фазами и между каждой фазой и корпусом;
-
при полностью снятом напряжении наложить переносное заземление.
Работы без снятия напряжения допускаются(при напряжении до 1000В.), когда исключена возможность случайных прикосновений к неогражденным токоведущим частям или когда необходимо произвести контрольные измерения.
Аварийные работы под напряжением допускаются лишь в том случае, если напряжение не превышает 500 В и снять его невозможно.
Во время аварийных работ необходимо соблюдать следующие правила:
-
выполняя работы на одной фазе, ни в коем случае не касаться токоведущих частей других фаз;
-
не прикасаться одновременно к токоведущим частям и окружающим предметам, а также к рядом находящимся рабочим, не стоящим на изолированной поверхности;
-
при работе с распределительными щитами, ставить изолирующие ограждения на соседние токоведущие части, остающиеся под напряжением.
-
Запрещается менять щётки и ремонтировать электрические машины в рабочем состоянии, снимать ограждения со шкифов, муфт и других вращающихся деталей. Коллектор и другие части машин, находящиеся под напряжением, нельзя протирать бензином. При ремонте генератора необходимо исключить возможность случайного пуска приводного двигателя. На распределительных устройствах для этого предусмотрен свободный доступ к выключателям, КИП, трансформаторам и другим элементам для осмотра и чистки. При этом проверяется плотность контактов на шинах, между шинами и токоведущими болтами и винтами аппаратуры, установленной на щитах. Нарушение контактов может вызвать искрение в соединении, загорание изоляции.
При автоматическом отключении выключателя на распредилительных устройствах разрешается повторное однократное включение. На распределительных устройствах заменять под напряжением плавкие вставки предохранителей разрешается только изолированными клещами или в диэлектрических перчатках. Запрещается применять нестандартные вставки. В коммутационных аппаратах, предназначенных для размыкания цепей предусматриваются дугогасительные камеры. Электрические машины подлежат немедленному отключению от сети в случаях:
-
появление дыма или огня из машины или её ПРА;
-
возникновению вибрации, превышающую допустимые нормы;
-
поломки приводного механизма;
-
чрезмерного нагрева подшипников;
-
резкого изменения скорости вращения;
-
возникновение ситуаций, опасных для жизни человека.
Список использованной литературы
-
Лейкин В.С., Михайлов В.А. “Автоматизированные электрические системы промысловых судов”
-
Баранов А.П. “Судовые автоматизированные электроэнергетические системы”
-
Роджеро Н.П. “Справочник судового электромеханика и электрика”
-
Лейкин В.С. “Судовые электрические станции и сети”
-
Брунав Я.П., Татьянченко Ю.Г. “Судовые электрические сети”
-
Китаенко Г.И. “Справочник судового электротехника в трех томах”
-
Крепак А.П. “Судовая светотехника”
-
Хайдуков О.П., Дмитриев А.Н., Запорожцев Г.Н. “Эксплуатация электроэнергетических систем морских судов”
-
Хатылов А.А. “Курс лекций по САЭЭС”
Характеристики
Тип файла документ
Документы такого типа открываются такими программами, как Microsoft Office Word на компьютерах Windows, Apple Pages на компьютерах Mac, Open Office - бесплатная альтернатива на различных платформах, в том числе Linux. Наиболее простым и современным решением будут Google документы, так как открываются онлайн без скачивания прямо в браузере на любой платформе. Существуют российские качественные аналоги, например от Яндекса.
Будьте внимательны на мобильных устройствах, так как там используются упрощённый функционал даже в официальном приложении от Microsoft, поэтому для просмотра скачивайте PDF-версию. А если нужно редактировать файл, то используйте оригинальный файл.
Файлы такого типа обычно разбиты на страницы, а текст может быть форматированным (жирный, курсив, выбор шрифта, таблицы и т.п.), а также в него можно добавлять изображения. Формат идеально подходит для рефератов, докладов и РПЗ курсовых проектов, которые необходимо распечатать. Кстати перед печатью также сохраняйте файл в PDF, так как принтер может начудить со шрифтами.
=
=3,96 А 














