151185 (621599), страница 4
Текст из файла (страница 4)
Применим провод АС25.
Проверим выбранное сечение провода по допустимому нагреву:
Iдоп=135 А ≥ Iр=24,8 А — выполняется.
Участок 3-4:
Fрасч.=32/1,3=24,6 мм2.
Применим провод АС25.
Проверим выбранное сечение провода по допустимому нагреву:
Iдоп=135 А ≥ Iр=32 А — выполняется.
Fрасч.=32,8/1,3=24,2 мм2.
Применим провод АС25.
Проверим выбранное сечение провода по допустимому нагреву:
Iдоп=135 А ≥ Iр=27,4 А — выполняется.
Основные технические характеристики проводов
Таблица №7
| Провод | Dср, мм | Ro, Ом/км | хо, Ом/км | Iдоп, А |
| АС16 | 1500 | 1,772 | 0,416 | 111 |
| АС25 | 1500 | 1,146 | 0,40 | 135 |
| АС50 | 1500 | 0,592 | 0,380 | 210 |
Расчет потерь напряжения на участках
Рассчитаем потери напряжения на участках в процентах.
Участок Л1:
ΔUд=
=
=7%;
ΔUв=
=
= 10,7%.
Участок линии Л2:
ΔUд=
=
= 6,9%;
ΔUв=
=
= 10,8%.
Участок линии Л3:
ΔUд=
=
= 4,9%;
ΔUв=
=
= 7,4%.
Участок линии Л4:
ΔUд=
=
= 7,5%;
ΔUв=
=
= 9,4%.
Потери электрической энергии на участках
Участок линии Л1:
ΔW=3·
·rо·L· τ·10-3=3·592·0,592·0,6·1500·10-3=5564 кВт·ч/год.
Участок линии Л2:
ΔW=3·
·rо·L· τ·10-3=3·392·0,592·0,6·1500·10-3=2431 кВт·ч/год.
Участок линии Л3:
ΔW=3·
·rо·L· τ·10-3=3·462·0,592·0,55·1500·10-3=3100 кВт·ч/год.
Участок линии Л4:
ΔW=3·
·rо·L· τ·10-3=3·572·0,592·0,55·1500·10-3=4760 кВт·ч/год.
Потери электрической энергии по всей линии:
ΔWл=5564+2431+3100+4760=15855 кВт·ч/год.
Годового потребление электроэнергии :
Wгод=Ррасч·Тmax=36*(1000+1000)/2=25200 кВт·ч/год.
Потери по всей линии от годового потребления электроэнергии в процентах составят:
ΔWл %= ΔWл/ Wгод·100=15855/25200=0,6%.
Расчет ТП-2
Участок Л1:
Намечаем использовать неизолированный сталеалюминевый провод марки «АС». При времени использования максимальной нагрузки Tmax=700 ч, экономическая плотность тока составляет jэк=1,3 А/мм2 [5]. Тогда:
Fрасч.=138/1,3=106,2 мм2.
Применим провод АС120.
Проверим выбранное сечение провода по допустимому нагреву:
Iдоп=390 А ≥ Iр=106,2 А — выполняется.
Участок 1-2:
Fрасч.=57,2/1,3=44 мм2.
Применим провод АС50.
Проверим выбранное сечение провода по допустимому нагреву:
Iдоп=210 А ≥ Iр=44 А — выполняется.
Участок 3-4:
Fрасч.=86,6/1,3=66,6 мм2.
Применим провод АС95.
Проверим выбранное сечение провода по допустимому нагреву:
Iдоп=330 А ≥ Iр=66,6 А — выполняется.
Основные технические характеристики проводов
Таблица №8
| Провод | Dср, мм | Ro, Ом/км | хо, Ом/км | Iдоп, А |
| АС50 | 1500 | 0,592 | 0,380 | 210 |
| АС95 | 1500 | 0,299 | 0,357 | 330 |
| АС120 | 1500 | 0,245 | 0,349 | 390 |
Расчет потерь напряжения на участках
Рассчитаем потери напряжения на участках в процентах.
Участок Л1:
ΔUд=
=
=3,8%;
ΔUв=
=
= 1,8%.
Участок линии 1-2:
ΔUд=
=
= 1,8%;
ΔUв=
=
= 1,6%.
Участок линии 3-4:
ΔUд=
=
= 0,9%;
ΔUв=
=
= 0,8%.
Потери электрической энергии на участках
Участок линии Л1:
ΔW=3·
·rо·L· τ·10-3=3·1382·0,245·0,15·1500·10-3=3149 кВт·ч/год.
Участок линии 1-2:
ΔW=3·
·rо·L· τ·10-3=3·57,22·0,592·0,1·1500·10-3=872 кВт·ч/год.
Участок линии 3-4:
ΔW=3·
·rо·L· τ·10-3=3·86,62·0,299·0,05·1500·10-3=505 кВт·ч/год.
Потери электрической энергии по всей линии:
ΔWл=3149+872+505=4526кВт·ч/год.
Годового потребление электроэнергии:
Wгод=Ррасч·Тmax=71*(1000+1000)/2=49700 кВт·ч/год.
Потери по всей линии от годового потребления электроэнергии в процентах составят:
ΔWл %= ΔWл/ Wгод·100=4526/49700=0,09%.
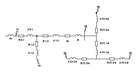
Расчет токов короткого замыкания
Токи короткого замыкания необходимы для выбора оборудования, расчета и проверки защит, выбора устройств грозозащиты и заземления подстанции и т. п.
Составим исходную схему для расчета токов короткого замыкания:
Схема замещения электропередачи для расчета токов короткого замыкания:
Для приведения сопротивлений к базисным условиям воспользуемся системой именованных единиц, приведя все сопротивления к базисному напряжению Uб=0,4 кВ. Тогда сопротивления схемы замещения, приведенные к базисным условиям:
Сопротивление системы:
Хсб =
=
=1,33·10-3 Ом;
Сопротивление трансформатора:
Rт.б=ΔРк.з/Sт.ном·
/Sт.ном=2270/1·105·4002/1·105=14,2·10-3 Ом;
Хтб=uр %/100·
/Sт.ном=4,27/100·4002/1·105=26,7·10-3 Ом;
Сопротивление линии:
rб=ro·L·(Uб/Uс.ном)2; хб=хo·L·(Uб/Uс.ном)2, тогда
Л1: rб=2,45·10-3 Ом; хб=3,49·10-3 Ом.
Л11-2: rб=5,98·10-3 Ом; хб=7,14·10-3 Ом.
Л11-3: rб=8,97·10-3 Ом; хб=10,7·10-3 Ом.
Л13-4: rб=29,6·10-3 Ом; хб=19·10-3 Ом.
Л13-5: rб=29,6·10-3 Ом; хб=19·10-3 Ом.
Участок 0-1: rб=45,8·10-3 Ом; хб=16·10-3 Ом.
Участок 1-2: rб=0,28·10-3 Ом; хб=0,1·10-3 Ом.
Участок 1-3: rб=0,8·10-3 Ом; хб=0,3·10-3 Ом.
Результирующие сопротивления до точек короткого замыкания:
К1: RΣ=0 Ом; XΣ=1,33·10-3 Ом.
К2: RΣ=45,8·10-3+0,28·10-3=46,08·10-3 Ом; XΣ=1,33·10-3+16·10-3+0,1·10-3= 17,
43·10-3 Ом.
К3: RΣ=61,08·10-3 Ом; XΣ=44,43·10-3 Ом.
К4: RΣ=69,51·10-3 Ом; XΣ=55,06·10-3 Ом.
К5: RΣ=93,13·10-3 Ом; XΣ=66,92·10-3 Ом.
К6: RΣ=93,13·10-3 Ом; XΣ=66,92·10-3 Ом.
Полные сопротивления:
ZΣ=
К1: ZΣ=
=
=1,33·10-3 Ом;
К2: ZΣ=
=
=49·10-3 Ом;
К3: ZΣ=75,2·10-3 Ом;
К4: ZΣ=88,2·10-3 Ом;
К5: ZΣ=114·10-3 Ом;
К6: ZΣ=114·10-3 Ом;
Токи трехфазного короткого замыкания:
К1:
=
=6,95 кА;
К2:
4,7 кА; К3:
3,1 кА; К4:
2,6 кА;
К5:
2,02 кА; К6:
2,02 кА;
Токи двухфазного короткого замыкания:
К1:
=
=6,05 кА;
К2:
=4,1 кА; К3:
=2,7 кА; К4:
=2,2 кА;
К5:
=1,7 кА; К6:
=1,7 кА;
Ударные токи:
iу=
Ударный коэффициент:
=1+
К1:
=1+
=1+
=2; iу=
=
=16,67 кА;
К2:
=1; iу=6,58 кА;
К3:
=1,01; iу=4,4 кА;
К4:
=1,02; iу=3,7 кА;
К5:
=1,01; iу=2,4 кА;
К6:
=1,01; iу=2,4 кА;
Мощность короткого замыкания:
К1:
=Sс.к=120 МВА;
К2:
=
=81,3 МВА;
К3:
=2,1 МВА;
К4:
=1,8 МВА;
К5:
=1,4 МВА;
К6:
=1,4 МВА;
Ток минимального однофазного короткого замыкания в конце линии 0,38 кВ
Ток минимального однофазного короткого замыкания в конце линии 0,38 кВ определяется с целью проверки защиты на чувствительность. Этот ток как правило однофазный и возникает он у потребителя из-за неисправности технологического оборудования:
,
где
— минимальное фазное напряжение на шинах 0,4 кВ ТП-1, принятое с учетом оценки качества напряжения у потребителя Vш.0,4 =+4,9 %:
=220·(1+ Vш.0,4\100)=220·(1+4,9/100)=230,78 В.
— полное сопротивление трансформатора току замыкания на корпус:
для трансформатора 10/0,4 кВ со схемой соединения обмотки «звезда-звезда с нулем» при Sт.ном=400 кВА, составляет
=0,195 Ом.
— полное сопротивление петли «фаза-нуль» от шин 0,4 кВ ТП-1 до конца линии 0,38 кВ:
=
,
где
,
,
,
— активное и индуктивное сопротивление фазного и нулевого провода (сопротивлением вводных проводов не учитывается т. к. их длина менее 20 м);
L — длина линии.
В моей системе самой удаленной точкой является точка 4 линии Л1, тогда
=
= =(0,01+0,03+0,05)·
=0,04 Ом.
Тогда
=405 А.
Результаты расчетов сведем в таблицу №11.
Таблица №10 Результаты расчетов токов короткого замыкания
| Точка КЗ | Uс.ном, кВ | Сопротивление, ·10-3 Ом | Ку | Токи, кА |
| ||||||||
| RΣ | XΣ | ZΣ |
|
| iу |
| |||||||
| К1 | 10 | 0 | 1,33 | 1,33 | 2 | 6,95 | 6,05 | 16,67 | — | 120 | |||
| К2 | 10 | 46,08 | 17,43 | 49 | 1 | 4,7 | 4,1 | 6,58 | — | 81,3 | |||
| К3 | 0,4 | 61,08 | 44,43 | 75,2 | 1,01 | 3,1 | 2,7 | 4,4 | — | 2,1 | |||
| К4 | 0,4 | 69,51 | 55,06 | 88,2 | 1,02 | 2,6 | 2,2 | 3,7 | 405 | 1,8 | |||
| К5 | 0,4 | 93,13 | 66,92 | 114 | 1,01 | 2,02 | 1,7 | 2,4 | — | 1,4 | |||
| К6 | 0,4 | 93,13 | 66,92 | 114 | 1,01 | 2,02 | 1,7 | 2,4 | — | 1,4 | |||
Защита линии 0,38 кВ от токов короткого замыкания и перегрузки
Линии 0,38 кВ питающие 3-х фазные потребителей, защищаются в основном автоматическими выключателями (ВА) со встроенными электромеханическими тепловыми расцепителями и электромагнитной токовой отсечкой.















