151083 (621567)
Текст из файла
МІНІСТЕРСТВО ОСВІТИ І НАУКИ УКРАЇНИ
ДЕРЖАВНИЙ ВИЩИЙ НАВЧАЛЬНИЙ ЗАКЛАД
Курсова робота
Фізико-технологічні основи одержання чутливих елементів для датчиків газів.
Зміст
Вступ
1. Газова детекція
1.1 Загальні відомості про методи детекції газів
1.2 Поверхневі напівпровідникові датчики газів, принцип їх дії, основи їх побудови
2. Сучасні датчики газів, та методи їх отримання
2.1 Нові матеріали та наноструктури – перспективна база елементів для датчиків газів
2.2 Датчики газів на основі нових матеріалів та наноструктур
2.3 Технології, що використовуються при побудові датчиків газів
Висновки
Література
Вступ
Проблеми моніторингу навколишнього середовища, контролю за екологічними параметрами середовища проживання людини, в особливості місць скупчення великої кількості людей, контролю фізіологічного стану людини, якості продуктів харчування, а також визначення мікроконцентрацій токсичних та вибухонебезпечних компонентів в різного роду технологіях (гірничодобувній, хімічній промисловостях...) та наукових дослідженнях, ставлять питання про вдосконалення засобів вимірювання хімічного складу газових середовищ, синтезі нових матеріалів, що мають селективну чутливість до певного типу молекул, створення на їх основі нових, більш ефективних та не дорогих вимірювальних приладів. Зростаюча небезпека тероризму з використанням вибухових, отравляючих та радіоактивних речовин також загострює цю проблему [1].
Першою та надзвичайно важливою задачею газової сенсорики являється створення порогових датчиків, що реагують на перевищення допустимого рівня в повітрі вибухонебезпечних та шкідливих для здоров’я речовин. Наступним більш, складним завданням являється аналіз складу атмосфери та газових сумішей. По суті, справа полягає в створенні штучного електронного носу.
Вимоги до створення ідеального газового сенсору були сформульовані в свій час Дж. Н. Земелем: низька ціна, малі розміри, добре співвідношення сигнал/шум, простота та надійність конструкції, обратимість реакції на гази, селективність, нечутливість до отруєння, швидкодія, сумісність з електронними схемами управління, температурна та часова стабільність [1].
Мета даної роботи: ознайомлення з основами детекції газів; вивчення принципів дії поверхневих детектрорів газів;
способів підвищення чутливості датчиків; ознайомлення з деякими сучасними технологіями побудови елементів детекторів газів.
1. Газова детекція
1.1 Загальні відомості про методи детекції газів
Умовно способи детекції газів мабуть можна поділити на: а) фізичні ; б) хімічні ; в) біологічні. Хімічна детекція заключається, наприклад, в зміні кольору, агрегатного стану речовини-детектора (наприклад мутніння і поява осаду в вапняній воді під впливом вуглекислого газу), біологічна (хеморецепція) – в здатності живих організмів (в тому числі і людей) до сприйняття (нюх, смак) змін концентрації певних речовин ( в нашому випадку газів) в навколишньому середовищі. Хеморецепція- по суті теж хімічна. Фізичні методи (більшість з них опирається на хімічні реакції) однак знайшли біль широке застосування. Напевно тому, що порівняно з іншими методами мають ряд переваг: швидкість детекції, можливість кількісної оцінки концентрації газів, можливість проводити детекцію на віддалі... Як правило, газочутливим елементом таких структур являються напівпровідникові оксиди металів SnO2, ZnO, TiO2, NiO, WO3, In2O3 та інші. Унікалність цих матеріалів для детектування молекул в газовій фазі викликано рядом фундаментальних фізичних та хімічних властивостей. Для широкозонних напівпровідників електропровідність надзвичайно чутлива для стану поверхні саме в тому діапазоні температур (25…900 0С), при якій на поверхні оксидів спостерігаються окисно-відновні реакції. Хімічні властивості поверхні також відіграють важливу роль в механізмі газової чутливості. Поверхня оксидів металів характеризується адсорбційними властивостями та здатністю до реакції, які обумовлені наявністю вільних електронів в зоні провідності, поверхневих та об’ємних кисневих вакансій, а також активного хемосорбованого кисню [1].
На сьогоднішній день відомо багато способів визначення газового складу. Кожен з них має як свої переваги так і певні недоліки. Тому варто розглянути принцип дії та характеристики деяких з них.
Найбільшу точність при вимірі газового складу має метод хроматографії, проте він надзвичайно громіздкий та дорогий. Метод хроматографії опирається на розподілі компонентів сумішей між двома фазами – нерухомій та рухомій (елюент), що протікає церез нерухому [2].
Найбільш швидкодіючими є сенсори оптичного типу. Принцип їх дії опирається на поглинанні газом оптичного випромінювання. Кожен газ має свій спектр поглинання. Оптичні методи досить дорогі.
Термомагнітні датчики основані на зміні магнітних властивостей молекул деяких газів в залежності від температури [2].Термокаталітичні датчики газів використовуються для вимірювання концентрації горючих газів (метан, пропан...). Основним елементом такого датчика є платинова проволка, нагріта до відносно високої температури. Платина являється каталізатором хімічних процесів – її присутність ініціює реакцію окислення горючого газу. При цьому температура платинової проволки, а значить і опір останньої змінюється з температурою тим більше, чим вища концентрація горючого газу[2].
В основі роботи електролітичних датчиків лежать закономірності протікання електричного струму через електричний ланцюг, основними елементами якого є: 1) металічні або напівпровідникові наноселективні електроди 2) провідники другого роду (розчини електролітів, їх розплави та тверді електроліти)
3) границя поділу фаз між металами (напівпровідниками) та електролітами, двома різними провідниками першого роду, двома різними електролітами [2].
Є детектори, в яких використано ефект зміни маси електродів при адсорбції газу, що визначається зміною резонансної частоти коливань eлектроду [3].
Дуже значна роль в детекції газів відведена МДН (метал-діелектрик- напівпровідник) або практично в більшості випадків МОН (метал-окисел-напівпровідник) структурам, металічний електрод яких виконаний з перехідних металів (паладій, платина, нікель). В цих структурах використано факт зміни їх вольт-амперних характеристик (ВАХ) під дією газів. При цьому в МДН- конденсаторах спостерігається зсув ВФХ (вольт фарадних характеристик) вздовж осі напруг без зміни її форми, а в МДН-транзисторах – зміна порогової напруги і як наслідок зсув вольт-амперних характеристик. У випадку діодів Шоттки (перехід метал-напівпровідник) міняється висота барєру Шоттки під впливом газу, що адсорбується, а це в свою чергу змінює його ВАХ [3].
1.2 Поверхневі напівпровідникові датчики газів, принцип їх дії, основи їх побудови
Не дивлячись на широкий спектр детекторів, найбільш поширеними на сьогонішній день являються поверхневі датчики на базі напівпровідникових матеріалів (наприклад типу оксидів металів та метал-оксид- напівпровідник) та електролітичні, а найбільш перспективними, вірогідно, являються напівпровідникові детектори на основі нових матеріалів з квантоворозмірними ефектами - наноструктури. Загальні принципи деяких найважливіших сучасних технологій отримання складових елементів датчиків газів будуть описані в наступному розділі.
В датчиках на основі оксидів металів (наприклад напівпровідники -SnO2, ZnO, Fe2O3, WO3, Co3O4) здійснюють детекцію газів наступним чином: на поверхні цих напівпровідників при хемосорбції кисню локалізується від’ємний заряд, створений захопленим електродом, що збіднює приповерхневу область напівпровідника електронами, що в свою чергу означає зниження її провідності. Коли адсорбується інший досліджуваний газ, що каталітично взаємодіє з хемосорбованим киснем, провідність приповерхневої області напівпровідника зростає. Швидкість цих процесів та їх оборотність залежать від температури, що повинна складати порядка сотень градусів цельсія [3].
Ці датчики виготовляються тонко та товстоплівковими технологіями. На ізолюючу підложку (ситал, сапфір) напилюють платиновий контакт. Зверху наносять плівку чутливого матеріалу у вигляді пасти, яку потім відпалюють. На оберненій стороні ізолюючої підложки формують тонкоплівковий резистивний нагрівник із платини. В залежності від складу плівки чутливого матеріалу датчики реагують на гази C2H2OH, CO, CН4, H2, O2. Робоча температура коливається в діапазоні 273-773 К. Наприклад, з допомогою мікроелектронної технології виготовляють резистивний датчик етанола, конструкція якого приведена на Рис.1. Після термічного окислення кремнію підложки осадженням із газової фази наносять полікремній, імплантований фосфором. Дальше хімічним осадженням із газової фази наносять шар SiO2 (1мкм), а поверх нього термічним напиленням – тонкий шар SnOx (100 нм). Пористий шар PdAu товщиною 2.5 нм служить для збільшення чутливості датчика до C2H2OH. При введенні в досліджуване середовище 200 ppm C2H5OH опір датчика зменшується в 140 раз [3].
Кремнієвий датчик другої конструкції [3], призначений для визначення вмісту CO, виготовлений по груповій технології на пластині Si. Його структура представлена на Рис.2 . Використовується анізотропне травлення на всю товщину кремнієвої підложки. Шари SiO2 та SnO2 нанесені магнетронним розпиленням. Час відклику такого датчика при 35000 ppm CO2 складає біля 4 хв.
|
|
|
| Рис.1. Резистивний датчик етанолу: 1 — шар SiO2 (1 мкм); 2— полі-кремній; 3 — піролітичний SiO2 (1 мкм); 4 — плівка SnOx; 5 — контакти Al/Cr; 6 — островки PdAu [3] | Рис.2. Датчик СО: 1 — Si жорстка опора; 2 — пиролітичений SiO2;3— плівки Au/Mo; 4 — изолюючий шар; 5 — плівка SnO2 [3] |
Іншу конструкцію (Рис.3) запропонувала фірма Figaro Engineering Inc. (Японія) в своєму датчику TGS2611 (чутливість якого подано на Рис.4 ) [4]. На трубчату підложку із оксида алюмінію (Рис.3) нанесено тонкий шар оксиду олова (SnO2), легованого елементами, що мають каталітичну дію (Pt, Cu, Ni, Pd), щоб забезпеxити більш високу чутливість напівпровідника до конкретного типу газу.
| | |
| Рис.3. Схема датчика на основі оксиду олова.1 . керамічна трубка тримача; 2 . резистивний нагрівник; 3. електрод; 4 . зажими; 5. легований оксид олова. [4] | Рис.4. Приклад характеристик чуутливості датчика на основі оксиду олова (TGS2611) [4] |
Для визначення наявності CO2, наприклад фірма Figaro Engineering Inc. (Японія) використовує датчик на основі твердого електроліту (TGS4110) [4]. Цей датчик являє собою гібридну структуру на основі чутливого елементу (Рис.5) та внутрішнього термістора. Сенсор, чутливий до вуглекислого газу (Рис.6), складається з твердого електроліту між двома електродами, носієм заряду в якому є катіони натрію (Na+), а також нагрівного елементу , виконаного у вигляді паладієвої підложки. Катод (електрод порівняння виготовляється з карбонату літія, анод (вимірювальний електрод) – з золота. Внутрішній термістор служить для кмпенсації температурної залежності сенсора. При наявності вуглекислого газу на електродах сенсору відбуваються наступні хімічні реакції:
Катод: 2Li+ + CO2 + 1/2O2 + 2e- = Li2CO3
Анод: 2Na+ + 1/2O2 + 2e- = Na2O
В цілому : Li2CO3 + 2Na+ = Na2O + 2Li+ + CO2
В результаті електрохімічної реакції елемент створює різницю потенціалів (ЕРС), що являєтья відгуком датчика і відображається законом Нернста наступним чином:
ЕРС = Ec . (RT/2F)ln(P(CO2))
де Ec . константа, R - універсальна газова, постійна, F - постійна Фарадея, T – абсотютна температура (К), P(CO2) – парциальний тиск вуглекислого газу.
Чутливість такого датчику показана на Рис. 6.
| | |
| Рис.5. Конструкція чутливого елементу датчика на основі твердого електроліту. 1 . нагрівний елемент (платина), 2 . контакти, 3 . герметизація (скло), 4 . вимірювальний електрод (анод), 5 . твердий электроліт, 6 . електрод порівняння (катод) [4] | Рис.6. Чутливість датчика TGS4160 до різних газів. [4] |
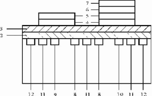
У МДН- структур з затвором з паладію при наявності водню, молекули останнього при адсорбції дисоціюють на атоми, що розчиняються в паладії і під дією градієнта концентрації дифундують до границі поділу Pd-SiO2 [2]. На цій границі внаслідок реакції H←→H+ + e− утворюється дипольний шар, іони розташовуються на активних центрах границі поділу Pd-SiO2, а електрони залишаються в паладії. Таким чином в діелектрику появляється додатковий заряд, який приводить до зсуву ВАХ, зміни напруг плоских зон та порогової напруги. Існує декілька конструкцій датчиків хімічного складу на основі МДН-структур. Наприклад, диференціальний датчик водню на МДН – транзисторі має вид представлений на Рис. 7. На одному кристалі формують два МДН – транзистора, що відрізняються лише матеріалом металічного затвору. Шар SiO2
отриманий термічним окисленням, Si3N4 (50 нм) – осадженням із газової фази, шар платини (50 нм) та паладію (50 нм) напилюються через металічну маску. Щоб забезпечити нечутливість одного з МДН- транзисторів до зміни концентрації водню в середовищі, зверху палладію нанесено шар (1 мкм) металу, що не поглинає водень (Al, Ni, Cu, Au, Ag). На виході диференціальної схеми вимірюється величина зміни порогу напруги dUпор.
| | Рис.7. Диференціальный датчик водню на МДН-транзисторі: 1 —Si підложка; 2 — шар SiO2; 3 —шар Si3N4; 4 — платина; 5 — палладій; 6— мідь; 7 — срібло; 8 — спільний стік; 9 — стік первого МДН- транзистору; 10 — стік второго МДН-транзистору; 11 — охоронні кільця; 12 — нагрівник [3] |
В [5] показано приклад технології (пошарово) отримання мікродатчиків газу на основі оксиду олова без платинового датчику температури (Рис.8 а) та (Рис.8 б) з платиновим датчиком температури.
| Рис. 8. (a)Мікрофотографія датчику без чутливого шару (б) фотографія скануючого електронного мікроскопу оксидного покриття [5] |
Як видно з приведених прикладів (Рис. 9, 10) отримання датчиків газу багатоетапний, технологічно складний процес, що складається з різного типу росту (осадження, напилення) структури, полірування, травлення, фотолітографії, нанесення металічних контактів. Матеріали, що використовуються при цьому та суть самих процесів досить відомі, проте велике значення мають параметри самих процесів (тиск, температура, струм, тощо та їх залежність з часом), що є вже результат досвіду виконавців і найчастіше є більш-менш секретною інформацією фірм-виробників.
|
|
| Рис. 10. Схематичне зображення послідовності побудови округлого датчику. Параметри датчику: розміри мембрани 500*500 μm, Si-островки (діаметер) 300μm, опір нагрівника 125Ω, опір датчику температури 10 kΩ, еталонний резистор 3 kΩ, відстань між електродами 40 μm, довжина електродів 205 μm. a) фотолітографія b) локальна металізаія c) стартовий стан d) e) електромеханічна гравіровка f) осадження оксиду олова. [5] |
Характеристики
Тип файла документ
Документы такого типа открываются такими программами, как Microsoft Office Word на компьютерах Windows, Apple Pages на компьютерах Mac, Open Office - бесплатная альтернатива на различных платформах, в том числе Linux. Наиболее простым и современным решением будут Google документы, так как открываются онлайн без скачивания прямо в браузере на любой платформе. Существуют российские качественные аналоги, например от Яндекса.
Будьте внимательны на мобильных устройствах, так как там используются упрощённый функционал даже в официальном приложении от Microsoft, поэтому для просмотра скачивайте PDF-версию. А если нужно редактировать файл, то используйте оригинальный файл.
Файлы такого типа обычно разбиты на страницы, а текст может быть форматированным (жирный, курсив, выбор шрифта, таблицы и т.п.), а также в него можно добавлять изображения. Формат идеально подходит для рефератов, докладов и РПЗ курсовых проектов, которые необходимо распечатать. Кстати перед печатью также сохраняйте файл в PDF, так как принтер может начудить со шрифтами.















