150811 (621441)
Текст из файла
Министерство образования и науки РФ
«Омский государственный технический университет»
Кафедра «Автоматизированные системы обработки информации и управления»
РАСЧЁТНО-ГРАФИЧЕСКАЯ РАБОТА
на тему «Расчёт электрической цепи»
по дисциплине «Электротехника и электроника»
Пояснительная записка
Шифр работы РГР – 2068998 - 43 - 3 ПЗ
Направление 230100.62
Омск –XXX
-
Реферат
Отчёт 11 с., 1 ч., 4 рис., 1 табл., 2 источника, 1 прил.
ЭЛЕКТРИЧЕСКАЯ ЦЕПЬ, MICRO-CAP 8, ПРОГРАММИРОВАНИЕ НА ЯЗЫКЕ ВЫСОКОГО УРОВНЯ, РАСЧЁТ ТОКОВ ВЕТВЕЙ
Предметом исследования является практическое применение знаний по электротехнике и электронике для расчёта электрической цепи.
Цель работы – расчёт токов ветвей методом контурных токов с последующей проверкой решения с помощью ППП для моделирования аналоговых схем (Micro-CAP).
В процессе работы создавалась программа, написанная на языке высокого уровня C#, реализующая нахождение всех требуемых в ходе работы численных значений.
В
результате при помощи разработанной программы и ППП для моделирования аналоговых схем Micro-CAP были получены требуемые численные величины и произведена оценка погрешности.
-
Содержание
Введение4
1 Аналитическое решение5
2 Нахождение численных значений6
3 Проверка решения и оценка погрешности7
Заключение9
Список использованных источников 10
Приложение А. Листинг программы 11
Введение
Целью данной расчетно-графической работы по дисциплине «Электротехника и электроника» является расчёт электрической цепи с последующей проверкой в ППП для моделирования аналоговых схем.
В ходе работы требуется определить токи и напряжения в отдельных ветвях цепи.
В ходе выполнения работы был изучен метод контурных токов, проведено ознакомление с ППП для моделирования аналоговых схем MicroCAP.
Первый раздел отчета посвящён аналитическому решению.
Второй раздел посвящён нахождению всех требуемых в ходе работы численных величин.
Третий раздел содержит результаты проверки требуемых величин с помощью ППП для моделирования аналоговых схем Micro-CAP.
-
Аналитическое решение
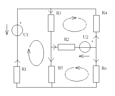
В
ik1
ik2
i2
i3
i4
данной расчетно-графической работе при определении токов и напряжений в отдельных ветвях цепи с n ветвями по закону Кирхгофа необходимо решить систему из n уравнений, при этом используем метод
контурных токов. В его основе лежит введение в каждый контур условного контурного тока iK, для которого будут справедливы закон токов Кирхгофа (ЗТК) и закон напряжений Кирхгофа (ЗНК).
Р
ik3
i1
i5
i6
исунок 1 – Исходная схемаДля контурных токов ik1, ik2 и ik3 запишем уравнения по ЗНК:
-u1+(R1+R3+R5)ik1-R3ik2+R5ik3=0; (1)
u2-R3ik1+(R2+R3+R4)ik2+R2ik3=0; (2)
u2+R5ik1+R2ik2+(R6+R2+R5)ik3=0. (3)
Перенесём u1 и u2 в правую часть системы и получим каноническую форму записи уравнений по методу контурных токов.
R11ik1-R12ik2+R13ik3= u1; (4)
-R21ik1+R22ik2+R23ik3= - u2; (5)
R31ik1+R32ik2+R33ik3= - u2. (6)
Где собственными или контурными сопротивлениями 1, 2 и 3 контуров являются формулы (7), (8) и (9).
R11= R1+R3+R5; (7)
R22= R2+R3+R4; (8)
R33= R6+R2+R5. (9)
А взаимным сопротивлением – (10), (11) и (12).
R12= R21= R3; (10)
R13= R31= R5; (11)
R23= R32= R2. (12)
Из данной системы уравнений получаем определитель системы (13), а определитель
(14) находится путём замены k-столбца правой частью приведённой выше системы.
. (13)
. (14)
Величины контурных токов находятся из формул (15), (16) и (17).
; (15)
; (16)
. (17)
Истинные токи в ветвях находятся как алгебраическая сумма контурных токов.
-
-
Нахождение численных значений
Нахождение всех требуемых в ходе работы численных значений выполнено с помощью программы, написанной на языке высокого уровня C#. Пример работы программы представлен на рисунке 2.
Рисунок 2 – Пример работы программы
Листинг программы, выполняющий необходимые расчёты приведен в виде рисунка А1 приложения А.
-
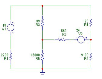
Проверка решения и оценка погрешностей
В данной расчётно-графической работе проверка результатов, полученных с помощью программы, написанной на языке высокого уровня, производилась при помощи ППП для моделирования аналоговых схем Micro-CAP 8.
П
ринципиальная схема электрической цепи, расчёт которой необходимо произвести, представлена на рисунке 3.
Рисунок 3 – Схема электрической цепи
Проверка выполнялась путём сравнения численных величин полученных разными средствами, с оценкой погрешности. Оценка погрешности для мощностей выполнялась по следующей формуле:
E =
. (18)
где Iрасч. – значение, полученное путём программирования на языке высокого уровня, Iмод. – то же самое значение, но полученное с помощью ППП Micro-CAP 8. Полученные результаты представлены в таблице 1.
Таблица 1 – Сравнение результатов и оценка погрешности
| k | iк, А | Погрешность, % | ||
| Значения, полученные программой | Значения, полученные в Micro-CAP | |||
| 1 | 2,49 | 2,494 | 0,002 | |
| 2 | 33,64 | 33,641 | 0,00003 | |
| 3 | 34,34 | 34,34 | 0,00 | |
| 4 | 31,85 | 31,846 | 0,00013 | |
| 5 | 0,70 | 0,698 | 0,00287 | |
| 6 | 1,80 | 1,795 | 0,00279 | |
Как видно из таблицы: значения, полученные с помощью программы, сходятся со значениями полученными средствами ППП для аналоговых схем Micro-CAP, следовательно, программа, написанная на языке высокого уровня, работает правильно и выдаёт результат с достаточно малой относительной погрешностью.
Заключение
Результатом выполнения расчётно-графической работы является программа написанная на языке высокого уровня C#, которая при заданных исходных данных вычисляет все необходимые в ходе работы велечины с достаточно малой относительной погрешностью.
В ходе выполнения работы была произведена проверка полученных значений средствами ППП для моделирования аналоговых схем Micro-CAP 8 и выполнена оценка. Результаты вычислений погрешности наглядно показывают, что вычисления, сделанные с помощью программы написанной на языке высокого уровня точны. Следовательно, расчёт электрической цепи выполнен правильно.
Поставленные задачи выполнены полностью.
Список использованных источников
-
Бакалов В.П., Игнатов А.Н., Крук Б.И. Основы теории электрических цепей и электроники. - М.: Радио и связь,1989. – 528 с.
-
Разевиг В.Д. Система схемотехнического моделирования MICRO-CAP V. – М.: ТОО «СОЛОН», 1997. – 273 с.
Приложение А
-
(обязательное)
Листинг программы
Ниже, на рисунке А.1, представлен основной код программы.
Рисунок А.1 – Вычисление необходимых величин и их вывод на экран
Характеристики
Тип файла документ
Документы такого типа открываются такими программами, как Microsoft Office Word на компьютерах Windows, Apple Pages на компьютерах Mac, Open Office - бесплатная альтернатива на различных платформах, в том числе Linux. Наиболее простым и современным решением будут Google документы, так как открываются онлайн без скачивания прямо в браузере на любой платформе. Существуют российские качественные аналоги, например от Яндекса.
Будьте внимательны на мобильных устройствах, так как там используются упрощённый функционал даже в официальном приложении от Microsoft, поэтому для просмотра скачивайте PDF-версию. А если нужно редактировать файл, то используйте оригинальный файл.
Файлы такого типа обычно разбиты на страницы, а текст может быть форматированным (жирный, курсив, выбор шрифта, таблицы и т.п.), а также в него можно добавлять изображения. Формат идеально подходит для рефератов, докладов и РПЗ курсовых проектов, которые необходимо распечатать. Кстати перед печатью также сохраняйте файл в PDF, так как принтер может начудить со шрифтами.















