150776 (621411)
Текст из файла
Министерство образования и науки Российской Федерации
Федеральное агентство по образованию
Государственное образовательное учреждение
Высшего профессионального образования
ОРЕНБУРГСКИЙ ГОСУДАРСТВЕННЫЙ УНИВЕРСИТЕТ
Электроэнергетический факультет
Кафедра теплоэнергетики
Расчетно-графическая работа
по дисциплине «Теоретические основы теплотехники»
ГОУ ОГУ 140106. 6 0 10. 20 О
Руководитель:
кандидат технических наук
Соколов В.Ю.
Исполнитель:
Студент гр. 08 ЭОП
Трофимов А.И.
Оренбург 2010
Содержание
1. Введение
1.1 Перечень обозначений к расчету тепловой схемы
1.2 Условные обозначения принятые в схеме
1.3 Исходные данные
2 Расчет тепловой схемы котельной
2.1 Определение параметров воды и пара
2.2 Общие замечания о расчете водоподогревательных установок
2.3 Расчет подогревателей сетевой воды
2.4 Определение расхода пара на подогрев сетевой воды и на технологические нужды
2.5 Ориентировочное определение общего расхода свежего пара
2.6 Расчет редукционно-охладительной установки (РОУ)
2.7 Расчет сепаратора непрерывной продувки
2.8 Расход расхода химически очищенной воды
2.9 Расчет пароводяного подогревателя сырой воды №2
2.10 Расчет пароводяного подогревателя сырой воды №1.
2.11 Общие замечания о расчете деаэратора.
2.12 Расчет деаэратора
2.13 Проверка точности расчета первого приближения
2.14 Уточненный расчет РОУ
2.15 Уточненный расход тепловой схемы
2.16 Проверка математического баланса линии дедуцированного пара
2.17 Определение полной нагрузки на котельную
3 Составление теплового баланса котельной
4 Определение количества котлоагрегатов, устанавливаемых в котельной
5 Список используемой литературы
Введение
Данная расчетно-графическая работа преследует цели углубленной проработки основных типов тепловых схем котельной, подробного расчета заданного варианта тепловой схемы и отдельных её элементов, составление теплового баланса котлоагрегата на его основе, определение стоимости годового расхода топлива для различных вариантов компоновки котлоагрегатов.
Тепловая схема во многом определяет экономичность работы котельной. Подробный расчёт тепловой схемы с составлением его теплового баланса позволяет определить экономические показатели котельной, расхода пара и воды, по которым производится выбор основного и вспомогательного оборудования.
Составление теплового баланса котлоагрегата позволяет оценить его экономичность для вариантов с использованием водяного экономайзера и без него.
Приведённая методика расчётов тепловой схемы и составление теплового баланса парогенератора максимально упрощена с целью уменьшения объёма необходимых расчетов. Определение параметров воды и пара в состояние насыщения производится по табл. 1 приложения.
1.1 Перечень обозначений к расчёту тепловой схемы.
- давление пара на выходе из котлоагрегата. MПa;
- давление пара после РОУ, МПа;
- температура воды на выходе из сетевых подогревателей, °С;
- температура воды в обратной линии теплосети, °С;
- температура конденсата, возвращаемого с производства, °С;
- температура конденсата на выходе из бойлера, °С;
-температура конденсата после i-го подогревателя. °С;
- температура сырой воды, °С;
- температура воды на входе и выходе из химводоочистки, °С;
- температура смеси на выходе из конденсатного бака, °С;
- теплота парообразования при давлении
кДж/кг;
- степень сухости пара на выходе из котлоагрегата:
- степень сухости пара на выходе из расширителя непрерывной продувки
- энтальпия кипящей воды в котлоагрегате, кДж/кг;
- энтальпия кипящей воды в расширителе непрерывной продувки (при
давлении
.) кДж/кг;
- энтальпия влажного пара на входе из котлоагрегата, кДж/кг;
- энтальпия влажного пара на входе из расширителя непрерывной
продувки, кДж/кг;
- энтальпия сухого насыщенного пара при давлении
, кДж/кг;
- энтальпия сухого насыщенного пара при давлении
. кДж/кг;
- энтальпия сырой воды, кДж/кг;
- энтальпия воды перед и после химводоочистки, кДж/кг;
- паропроизводительность котельной, кг/с;
- паропроизводительность одного котлоагрегата, кг/с;
- расход пара на технологические нужды, кг/с;
- расход пара в подогревателе сетевой воды (бойлеры), кг/с;
- количество пара, выделяющегося в расширителе из продувочной воды, кг/с;
- расход пара на деаэрацию, кг/с;
- расход пара на подогрев сырой воды перед химводоочисткой, кг/с;
- расход острого пара, поступающего в РОУ, кг/с;
- количество редуцированного пара, кг/с;
- количество выпара из деаэратора, кг/с;
- потери пара внутри котельной, кг/с;
- потери пара внутри котельной в процентах от
;
- расход котловой воды на непрерывную продувку, кг/с;
- расход котловой воды на продувку в процентах от
;
- возврат конденсата от потребителя, кг/с;
- возврат конденсата от потребителя в процентах от
;
- расход увлажняющей воды, поступающего в РОУ, кг/с;
- расход воды через сетевой подогреватель (бойлер), кг/с;
- потери воды в теплосети, кг/с;
- потери воды в теплосети в процентах от
;
- расход воды через химводоочистку, кг/с;
-расход деаэрированной воды на выходе из деаэратора, кг/с;
- расход воды из расширителя непрерывной продувки, кг/с;
- расход тепла на подогрев сетевой воды, кДж/с;
- расход тепла на технологические нужды, кДж/с.
1.2 Условные обозначения принятые в схемах.
п
ар
д
еаэрированная вода
с
ырая вода
х
имически очищенная вода
к
онденсат
п
родувочная вода
в
торичный пар
1.3 Исходные данные
| Начальная буква фамилии студента | А,Б,В | Г,Д,Е | Ж,З,И | К,Л,М | Н,О,П | Р,С,Т | У,Ф,Х | Ц,Ч,Ш | Щ,Э | Ю,Я |
| Номер тепловой схемы | 14 | 15 | 16 | 17 | 18 | 19 | 20 | 21 | 22 | 23 |
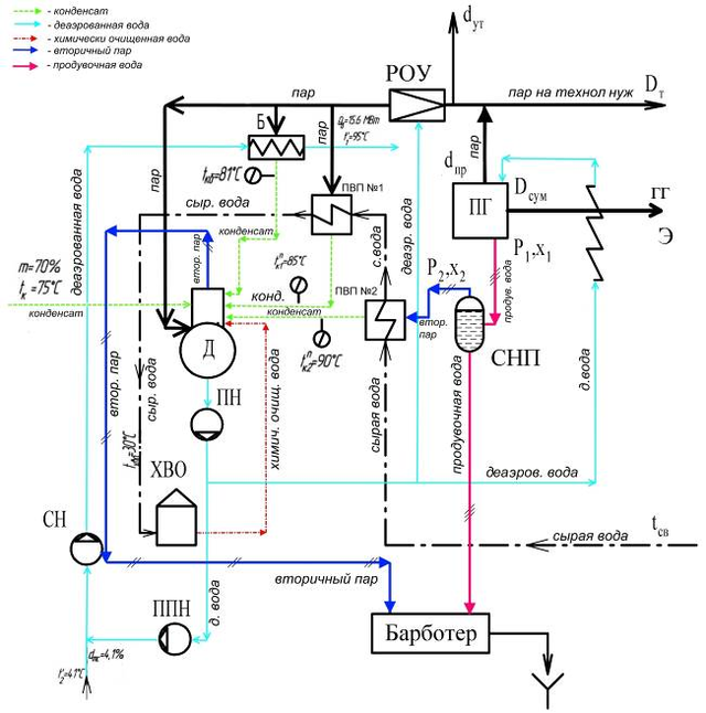
Рисунок 19
Исходные данные:
| №/№ | Наименование | Ед. изм. | Исходные данные |
| 1 | Пар для технологических нужд производства: - давление пара на выходе из котлоагрегата, - сухость пара на выходе из котлоагрегата, - расход пара на технологические нужды, | МПа - кг/с | 1,32 0,99 14,82 |
| 2 | Температура сырой воды, | ºС | 5 |
| 3 | Давление пара после РОУ, | МПа | 0,111 |
| 4 | Сухость пара на выходе из расширителя непрерывной продувки, | - | 0,96 |
| 5 | Потери пара в котельной в процентах от | % | 1,5 |
| 6 | Расход тепловой воды на непрерывную продувку в процентах от | % | 1,2 |
| 7 | Расход тепла на подогрев сетевой воды, | кДж/с | 15,6×103 |
| 8 | Температура воды на выходе из сетевых подогревателей, | ºC | 95 |
| 9 | Температура в обратной линии теплосети, | ºС | 41 |
| 10 | Возврат конденсата от потребителя m в процентах от D сум | % | 70 |
| 11 | Потери воды в тепловой сети, | % | 4,1 |
| 12 | Температура конденсата после подогревателя, | ºС | 81 |
| 13 | Температура конденсата после охладителя, | ºС | 75 |
| 14 | Температура конденсата после подогревателя, | ºС | 85 |
| 15 | Температура конденсата после подогревателя, | ºС | 90 |
| 16 | Температура воды перед и после ХВО, | ºС | 30 |
2.Расчет тепловой схемы котельной
2.1 Определение параметров воды и пара
При давлении Р1 = 1,32 МПа в состоянии насыщения имеем [1-32]
= 192 ºС,
= 2786,3 кДж/кг,
= 816,5 кДж/кг,
= 1969,8 кДж кг.
При давлении
= 0,119 МПа в состоянии насыщения имеем [1-31]
= 105 ºС,
= 2684,1 кДж/кг,
= 440,17 кДж/кг,
= 2243,9 кДж/кг.
Энтальпия влажного пара на выходе из котлоагрегата:
кДж/кг.
Энтальпия влажного пара на выходе из расширителя:
Характеристики
Тип файла документ
Документы такого типа открываются такими программами, как Microsoft Office Word на компьютерах Windows, Apple Pages на компьютерах Mac, Open Office - бесплатная альтернатива на различных платформах, в том числе Linux. Наиболее простым и современным решением будут Google документы, так как открываются онлайн без скачивания прямо в браузере на любой платформе. Существуют российские качественные аналоги, например от Яндекса.
Будьте внимательны на мобильных устройствах, так как там используются упрощённый функционал даже в официальном приложении от Microsoft, поэтому для просмотра скачивайте PDF-версию. А если нужно редактировать файл, то используйте оригинальный файл.
Файлы такого типа обычно разбиты на страницы, а текст может быть форматированным (жирный, курсив, выбор шрифта, таблицы и т.п.), а также в него можно добавлять изображения. Формат идеально подходит для рефератов, докладов и РПЗ курсовых проектов, которые необходимо распечатать. Кстати перед печатью также сохраняйте файл в PDF, так как принтер может начудить со шрифтами.















