150679 (621332)
Текст из файла
Министерство образования и науки Украины
Приазовский государственный технический университет
Кафедра ЭПП
Пояснительная записка к курсовому проекту по курсу «Электрическая часть станций и подстанций»
Задание 2
Вариант 1
Мариуполь 2004
Реферат
Пояснительная записка состоит из:
а) 19страниц;
б) 2 иллюстраций;
в) 22 таблиц;
г) графического приложения формата А1 .
В данной работе осуществляется проектирование электрической подстанции 110/10 кВ.
Цель работы: спроектировать и выбрать оборудование ГПП предприятия.
Метод расчета включает использование ЭВМ
Оглавление
Введение
Задание на курсовой проект
Расчёт электрических нагрузок
Выбор компенсирующих устройств
Выбор силовых трансформаторов ГПП
Выбор сечения проводов воздушной ЛЭП
Расчёт токов короткого замыкания
Выбор цеховых трансформаторов
Выбор синхронных двигателей
Расчёт тепловых импульсов
Выбор выключателей
Параметры выключателей
Выбор разъединителей
Выбор заземлителей
Выбор защиты от перенапряжений
Выбор трансформаторов тока
Выбор трансформатора напряжения
Выбор шин
Выбор трансформатора собственных нужд
Выбор изоляторов
Выбор аккумуляторных батарей
Вывод
Список литературы
Введение
В настоящее время все технологические процессы, проходящие на предприятиях, заводах, а они являются потребителями большей части электроэнергии, нуждаются в постоянном питании. Поэтому очень важно правильно спроектировать ГПП предприятия с максимальной надежностью и минимальными затратами.
Исходные данные – данные о потребителе.
Задачи курсового проекта:
1) расчёт нагрузки на ГПП;
2) выбор силовых трансформаторов ГПП;
3) выбор оборудования ГПП
Задание на курсовой проект
Таблица 1 Задание
| ЛЭП-110кВ L1,км | 15 | |||
| ЛЭП-110кВ L2,км | 12 | |||
| ЛЭП-110кВ L2,км | 14 | |||
| Генераторы Г-1, Г-2, МВт | 60 | |||
| cos_f_генераторов | 0,83 | |||
| xd гннераторов | 0,125 | |||
| Трансформаторы Т-1, Т-2, МВА | 80 | |||
| Наименование приёмника | Pу (кВт) | K.с | К.м(cos) | К.м(tg) |
| Вентиляторы производственные, | 10000 | 0,8 | 0,9 | 0,48 |
| насосы, двигатель-генератор | ||||
| Станки цеховой горячей обработки металлов | 10880 | 0,25 | 0,65 | 1,17 |
| при поточном производстве | ||||
| То же при холодной обработке металлов | 8640 | 0,15 | 0,5 | 1,73 |
| Вентиляторы сан.гигиенические | 3060 | 0,75 | 0,8 | 0,75 |
| Механизмы непрерывного | 5520 | 0,8 | 0,75 | 0,88 |
| транспорта несбалансированные | ||||
| Краны цеховые | 3415 | 0,5 | 0,5 | 1,73 |
| Печи плавильные | 9660 | 0,85 | 1 | 0,00 |
| Трансформаторы сварочные | 5100 | 0,4 | 0,4 | 2,29 |
| Освещение | 900 | 0,6 | 1 | 0,00 |
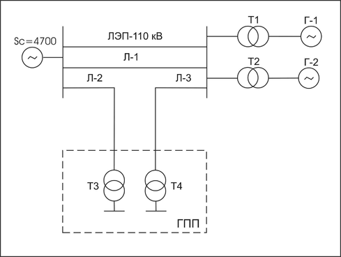
Расчёт электрических нагрузок
Рисунок 1 Схема электроснабжения
Таблица 2 Электрические нагрузки
| Наименование приёмника | Pу (кВт) | K.с | К.м(cos) | К.м(tg) | Ppi | Qpi |
| Вентиляторы производственные, | 10000 | 0,8 | 0,9 | 0,48 | 8000 | -3875 |
| насосы, двигатель-генератор | ||||||
| Станки цеховой горячей обработки металлов | 10880 | 0,25 | 0,65 | 1,17 | 2720 | 3180,0 |
| при поточном производстве | ||||||
| То же при холодной обработке металлов | 8640 | 0,15 | 0,5 | 1,73 | 1296 | 2245 |
| Вентиляторы сан.гигиенические | 3060 | 0,75 | 0,8 | 0,75 | 2295 | 1721 |
| Механизмы непрерывного | 5520 | 0,8 | 0,75 | 0,88 | 4416 | 3895 |
| транспорта несбалансированные | ||||||
| Краны цеховые | 3415 | 0,5 | 0,5 | 1,73 | 1707,5 | 2957 |
| Печи плавильные | 9660 | 0,85 | 1 | 0,00 | 8211 | 0 |
| Трансформаторы сварочные | 5100 | 0,4 | 0,4 | 2,29 | 2040 | 4674 |
| Суммарные величины | - | - | - | - | 30685,5 | 14798 |
| С учётом разновременности максимумов | - | - | - | - | 29151,2 | 13318 |
| Освещение | 900 | 0,6 | 1 | 0,00 | 540 | 0,0 |
| Суммарные величины | - | - | - | - | 29691,2 | 13318 |
Выбор компенсирующих устройств
| Qe=Pp* tgэк =29621*0.3=8907 кВар | (1) |
где Qe экономическая реактивная мощность, Pp- расчётная активная мощность на подстанции, tgэк=0.3 –коэффициент мощности задается энергосистемой.
| Qкур= Qsum-Qe=13318-8907=4411 кВар | (1) |
где Qкур- расчётная реактивная мощность батарей конденсаторов, Qsum - расчётная реактивная мощность на подстанции.
Устанавливаем 4 батареи конденсаторов БК УК-10-900-УЗ, и 4 БК УК-10-150-У3.
Мощность нагрузки с учётом компенсации реактивной мощности составит
|
| (1) |
Выбор силовых трансформаторов ГПП
|
| (1) |
Таблица 3 Трансформатор ТРДН 25000/110 паспортные данные
| Pnom | кВт | 25000 |
| Uvn | кВ | 115 |
| Unn | кВ | 10,5 |
| Uk | % | 10,5 |
| dPk | кВт | 120 |
| dPx | кВт | 29 |
| Ix | % | 0,8 |
| Kz | 0,62 | |
| Цена | тыс.грн | 250 |
| Kип | 0,05 | |
| n | штук | 2 |
Расчёт потер в трансформаторе
|
| (1) |
где Kz-коэффициент загрузки трансформатора в нормальном режиме,
-активные потери в обмотке трансформатора,
- реактивные потери в обмотке трансформатора.
|
| (1) |
где
-реактивные потери в обмотке трансформатора,
- номинальная мощность трансформатора,
-напряжение короткого замыкания.
|
| (1) |
где
-активные потери в стали трансформатора,
- реактивные потери в стали трансформатора.
|
| (1) |
где
-реактивные потери в стали трансформатора,
- номинальная мощность трансформатора,
-ток холостого хода.
|
| (1) |
где
-реактивные потери в стали трансформатора,
- реактивные потери в меди трансформатора,
-коэффициент загрузки,
-потери реактивной энергии на 1 трансформатор.
|
| (1) |
где
-активные потери в трансформаторах,
-активные потери в обмотке трансформатора, где
-активные потери в стали трансформатора,
- реактивные потери в стали трансформатора, n-число трансформаторов на ГПП.
|
| (1) |
где
-реактивные потери в стали трансформатора,
- реактивные потери в меди трансформатора
-потери реактивной энергии на трансформаторах подстанции, n-число трансформаторов на ГПП.
|
| (1) |
где
- расчётная мощность на стороне 10 кВ,
-активные потери в трансформаторах,
- расчётная мощность на стороне 110 кВ.
|
| (1) |
где
- расчётная реактивная мощность на стороне 10 кВ,
-реактивные потери в трансформаторах,
- расчётная реактивная мощность на стороне 110 кВ.
|
| (1) |
где
- расчётная мощность на стороне 110 кВ,
- расчётная реактивная мощность на стороне 110 кВ,
- полная расчётная мощность на стороне 110 кВ.
|
| (1) |
где
- полная расчётная мощность на стороне 110 кВ, U-номинальное напряжение питающей сети,
-расчётный ток в послеаварийном режиме.
Выбор сечения проводов воздушной ЛЭП
Учитывая что по одной цепи будет протекать половинный ток , а так же оноцепные стальные опоры и второй район по гололёду выбираем провод марки АС-95. Предельно допустимый ток для выбранного провода вне помещений составляет 330 А. В после аварийном режиме по нему будет протекать ток 119 А, значит провод проходит по после аварийному режиму работы.
Расчёт токов короткого замыкания
Рисунок 2 Схема замещения сети
Характеристики
Тип файла документ
Документы такого типа открываются такими программами, как Microsoft Office Word на компьютерах Windows, Apple Pages на компьютерах Mac, Open Office - бесплатная альтернатива на различных платформах, в том числе Linux. Наиболее простым и современным решением будут Google документы, так как открываются онлайн без скачивания прямо в браузере на любой платформе. Существуют российские качественные аналоги, например от Яндекса.
Будьте внимательны на мобильных устройствах, так как там используются упрощённый функционал даже в официальном приложении от Microsoft, поэтому для просмотра скачивайте PDF-версию. А если нужно редактировать файл, то используйте оригинальный файл.
Файлы такого типа обычно разбиты на страницы, а текст может быть форматированным (жирный, курсив, выбор шрифта, таблицы и т.п.), а также в него можно добавлять изображения. Формат идеально подходит для рефератов, докладов и РПЗ курсовых проектов, которые необходимо распечатать. Кстати перед печатью также сохраняйте файл в PDF, так как принтер может начудить со шрифтами.
















