150667 (621323), страница 5
Текст из файла (страница 5)
Рт/ = 0,02S/р.;(6.1) и Q/т = 0,1S/p.;(6.2)
где S/р – расчетная мощность нагрузки низковольтной и высоковольтной, питающейся через трансформаторы, за исключением нагрузки от высоковольтных электродвигателей, которые подключаются к внутризаводской сети без трансформаторов.
Для определения S/р, а впоследствии и Sр находим коэффициенты использования и реактивной мощности в целом по заводу:
(6.3)
(6.4)
Ки =
По найденному значению Ku и предполагаемому числу высоковольтных присоединений на ГПП находим значения коэффициента одновременности Ко = 0,9
Расчетные мощности для вычисления потерь в трансформаторах находим по формулам:
(6.5)
(6.6)
(6.7)
кВт
кВар
По этим нагрузкам будем рассчитывать и выбирать напряжение внешнего электроснабжения, необходимую мощность компенсирующих устройств и мощности трансформаторов ГПП.
(6.8)
(6.9)
После определения расчётной нагрузки рассчитываем компенсацию реактивной мощности на высокой стороне.
Для расчета необходимой мощности компенсирующих устройств (КУ), необходимо знать полную расчетную мощность Рр, Qp и Sp по заводу с учетом потерь мощности в трансформаторах цеховых и ГПП.
Потери мощности в трансформаторах ГПП определяется с учетом мощности и коэффициента загрузки трансформаторов. Для диапазона мощностей от 4 до 40 МВА при коэффициенте загрузки 0,7 потери мощности можно определить по приближенным формулам:
Pт = 0,007Sp (6.10)
Qт = 0,09Sp(6.11)
Уточняем расчетную нагрузку завода и коэффициент реактивной мощности на границе раздела между предприятием и энергоснабжающей организацией по формулам:
(6.12)
(6.13)
(6.14)
Далее определяем значение входной реактивной мощности, т.е. разрешенной мощности передаваемой из сети энергосистемы в сеть предприятия в режиме наибольших активных нагрузок энергосистемы.
(6.15)
tgэ1 = 0,340,42 при напряжении 35 кВ
Находим необходимую мощность компенсирующих устройств (КУ) в целом для завода:
Qky = Qpу - Qэ1 (6.16)
Qky = 8378,6–5715,8 =2662,8 кВар
Определяем расчётную реактивную мощность после компенсации
Qр' = Qр – Qку (6.17)
Qр' = 8816,4 – 2662,8 =5486 кВар
Определяем расчётную полную мощность после компенсации
Sp =
Устанавливаем высоковольтные конденсаторные батареи:
2 УК- 6 - 300Л УЗ Qн = 300 кВар
2 УКЛ – 6 - 450УЗ Qн = 450 кВар
7 ВЫБОР МЕСТОРАСПОЛОЖЕНИЯ ГПП
Для определения места расположения ГПП завода, необходимо определить центр электрических нагрузок. Для определения условного центра электрических нагрузок на генплане отмечают место расположения центров электрических нагрузок цехов. Их координаты выносятся на оси ОХ и ОУ, и по формуле определяем координаты условного центра электрических нагрузок.
Таблица 7.1 - Определение места расположения ГПП
| № цеха на плане |
|
|
|
|
| 1 | 93,9 | 2,2 | 22 | 57 |
| 2 | 2594 | 1337,9 | 7 | 34 |
| 3 | 1623,2 | 1391,3 | 114 | 58 |
| 4 | 1704,6 | 1204,6 | 93 | 57 |
| 5 | 750,3 | 437,1 | 73 | 59 |
| 6 | 1008,1 | 593,4 | 48 | 59 |
| 7 | 2276,7 | 1039,4 | 1008 | 24 |
| 8 | 136,2 | 115,9 | 86 | 14 |
| 9 | 317,4 | 176,2 | 15 | 12 |
| 10 | 64,62 | 52,4 | 37 | 07 |
| 11 | 252,3 | 806,4 | 68 | 37 |
| 12 | 1298,3 | 244,8 | 15 | 15 |
Координата Х центра электрических нагрузок:
(7.1)
Координата Y центра электрических нагрузок:
(7.2)
С целью определения места расположения ГПП завода, строят картограмму электрических нагрузок, она представляет собой, размещенную на генплане или плане цеха окружность, радиус которой соответствует в выбранном масштабе расчетным нагрузкам. Целесообразно строить картограммы для активной и реактивной мощности. Отдельным сектором выделяем активную мощность осветительной нагрузки.
К примеру, для цеха 1:
(7.3)
(7.4)
Сектор осветительной нагрузки вычислим по формуле:
(7.5)
Расчет картограмм электричесих нагрузок приведен в таблице 7.2
Таблица 7.2 - Расчет картограмм электрических нагрузок
| № | Радиус r, мм | Освещение α, градус | |
| Pр | Qр | ||
| 1 | 11,96 | 9 | 78,8 |
| 2 | 18,17 | 5 | 3 |
| 3 | 14,37 | 14,64 | 6 |
| 4 | 16,47 | 15,06 | 5 |
| 5 | 10,93 | 11,2 | 9 |
| 6 | 13 | 11 | 7 |
| 7 | 20 | 14 | 5 |
| 8 | 4,65 | 4,9 | 53,28 |
| 9 | 7 | 6 | 22 |
| 10 | 3,5 | 3 | 22 |
| 11 | 6,33 | 7,08 | 13 |
| 12 | 5,93 | 5,58 | 21 |
Для остальных цехов расчет выполняется аналогично.
В графической части лист 2 приведен генплан рассматриваемого завода c нанесенными на нем ЦЭН и картограммами.
В фактическом центре нагрузок мы не можем поставить ГПП, поэтому переносим ГПП в сторону источника питания.
8 ВЫБОР НАПРЯЖЕНИЯ ЭЛЕКТРОСНАБЖЕНИЯ
8.1 Выбор напряжения питания
Выбор напряжения питания, т.е. внешнего электроснабжения, зависит от мощности, потребляемой предприятием, его удаленности от источника питания, напряжения, имеющегося на источнике питания.
Для приближенного определения рационального напряжения Uрац, кВ можно воспользоваться формулами Илларионова или Стилла:
Uрац= (8.1)
Uрац=4,34 (8.2)
где P передаваемая мощность, МВт; - расстояние, км.
В большинстве случаев, напряжение полученное по формулам, оказывается нестандартным и для определения рационального стандартного напряжения принимают два ближайших стандартных напряжения и на основе технико-экономических расчетов определяют рациональное стандартное.
Для рассматриваемого завода рациональное напряжение, найденное по эмпирическим формулам будет
Uрац=
Uрац=
Следовательно, для электроснабжения завода выбираем напряжение 35 Кв, так как напряжение 35 кВ имеет экономические преимущества для предприятий средней мощности при передаваемой мощности 5-15 МВт на расстояние до 10-15 км.
8.2 Выбор напряжения распределения
Для распределительных сетей промышленных предприятий в основном применяются напряжения 10 и 6 кВ.
Для распределения электроэнергии применяем напряжение 6кВ, так как на ГПП устанавливаем трансформаторы мощностью до 16 МВА, и на предприятии имеются электроприемники 6 кВ.
9 ВЫБОР СХЕМЫ ВНЕШНЕГО И ВНУТРИОБЪЕКТНОГО ЭЛЕКТРОСНАБЖЕНИЯ
9.1 Схемы внешнего электроснабжения
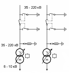
Для предприятий средней или большой мощности возникает необходимость сооружения одной или нескольких ГПП (ПГВ). Схема присоединения ГПП к питающей линии показана на рис.9.1
При радиальном питании (тупиковая линия) глухое присоединение ВЛ к трансформатору через разъединитель или через разъединитель и короткозамыкатель при более значительном удалении ГППП от источника питания.
Рисунок 9.1 - Схема присоединения ГПП при радиальном питании
Перемычка между питающими линиями может применяться как при радиальном так и при магистральном присоединении ГПП.
Перемычка может быть как с автоматическим ее включением так и неавтоматическим. Она применяется в основном в тех случаях когда один из трансформаторов при послеаварийном режиме т.е. при отключении второго трансформатора, не позволяет полностью покрыть нагрузку потребителей I-II категорий.
Следует избегать применение перемычек на предприятиях с загрязненной средой так как большее число аппаратов и токоведущих частей повышает вероятность возникновения аварий.
9.2 Схемы внутриобъектного электроснабжения















