150661 (621320)
Текст из файла
ФАЖТ РФ
ИрГУПС
Кафедра: ЭЖТ
Дисциплина: «Релейная защита»
Курсовой проект
«Проектирование релейной защиты контактной сети и тяговой подстанции»
Вариант №I (033)
Выполнил: ст. группы
ЭНС-07-1
Полякова С.А.
Проверил: преподаватель Музыка Д.Ф.
Иркутск, 2009 г.
Введение
Электрификация железных дорог является ключевым направлением в развитии железнодорожного транспорта. Преимущества электрической тяги очевидны: повышение пропускной способности, уменьшение себестоимости перевозок, понижение пагубного влияния на окружающую среду, развитие электрификации всей страны, т.к. тяговые подстанции используются также для питания нетяговых железнодорожных потребителей и промышленных предприятий прилегающих районов.
Надежность работы системы тягового электроснабжения (СТЭ) зависит от надежности работы ее составных частей (тяговых подстанций, линий электропередачи и т.д.). Надежность же элементов системы электроснабжения кроме прочих параметров во многом зависит и от релейной защиты. Поэтому для эффективного и экономичного использования всех частей системы важно правильного выбрать и настроить релейные защиты.
Тяговая сеть не имеет резерва как другие элементы СТЭ и поэтому очень важна защита устанавливаемая на фидеры тяговых подстанций и постов секционирования. Большие токи коротких замыканий могут очень быстро вывести из строя участок контактной сети. Исходя из этого контактная сеть должна снабжаться быстродействующей защитой которая в совокупности с быстродействующими выключателями обеспечивала бы отключение поврежденного участка за минимальное время.
Реферат
В данном курсовом проекте произведен расчёт уставок электронных защит фидеров тяговых подстанций и постов секционирования заданного участка электрифицированной железной дороги, а именно 2-х путного участка, электрифицированного на переменном токе с узловой схемой питания. В ходе проектирования рассчитывались уставки направленных и ненаправленных дистанционных защит, токовой отсечки, блокировки по напряжению для соответствующих комплектов. По результатам расчетов построены совмещенные характеристики электронных защит фидеров и временные диаграммы срабатывания этих защит. Кроме того на чертежах прилагаемых к курсовому проекту изображены функциональные схемы защит и схемы цепей управления выключателями фидеров тяговой подстанции и поста секционирования.
Содержание
Введение
Реферат
Задание на курсовой проект
1. Комплект защиты фидера тяговой подстанции
1.1 Функциональная схема
1.2 Расчет уставок электронных защит
1.3 Расчет уставок защит фидера тяговой подстанции
1.3.1 Ненаправленная дистанционная защита ДС1
1.3.2 Ускоренная токовая отсечка УТО
1.3.3 Направленная дистанционная защита ДС2
Предоставление результатов расчетов электронной защиты фидера тяговой подстанции
2. Комплект защиты фидера поста секционирования
2.1 Функциональная схема
2.2 Расчет уставок защит фидера поста секционирования
2.2.1 Направленная дистанционная защита ДС1
2.2.2 Ускоренная токовая отсечка УТО
2.2.3 Ненаправленная дистанционная защита ДС1
2.3 Предоставление результатов расчетов электронной защиты фидера поста секционирования
3. Совмещенные характеристики электронных защит
Совмещенная характеристика электронных защит тяговой подстанции
Совмещенная характеристика электронных защит поста секционирования
Список литературы
Задание на курсовой проект
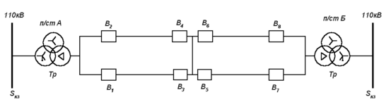
Защита фидеров контактной сети тяговой подстанции и поста секционирования двухпутного участка переменного тока с узловой схемой питания.
Исходные данные
Рис. 1 Схема тягового электроснабжения 2-х путного участка с узловой схемой питания
Вариант: I (033)
Мощность к/з в условиях максимума и минимума энергосистемы: Sкз max = 1000 МВА;Sкз min = 700 МВА
Тип и мощность трансформатора подстанций А и Б: ТДТНЭ 40000 / 110/115 / 27,5 / 11
Фидеры: B2, B4
Наличие каналов связи телемеханики: есть.
Расстояние между тяговыми подстанциями А и Б: L = 50 км
Тип контактной подвески: ПБСМ1-95+МФ100;
Тип рельсов: Р 50
Максимальные токи нагрузки фидеров ТП и ПС: IТП = 450 A; IПС = 200 A
Выключатели: ВМК-27,5
Cos Н = 0,85
Измерительные трансформаторы:
трансформаторы тока на фидерах тяговой подстанции: 1000/5
трансформаторы тока на посту секционирования: 600/5
трансформаторы напряжения на подст. и посту секционирования: 27,5 / 100
Оперативный ток: постоянный 220В, переменный 220В.
1. Комплект защиты фидера тяговой подстанции
-
Функциональная схема
На листе прилагаемого к курсовому проекту чертежа изображена функциональная схема защиты фидера тяговой подстанции. Данная защита выполняется двухступенчатой:
Первая ступень – Дистанционная ненаправленная защита ДС1, предназначенная для защиты зоны 0,8 L1 Вторая ступень – Дистанционная направленная защита ДС2, настраиваемая до шин поста секционирования. Назначение защиты ДС2 – резервировать первую ступень защиты фидера тяговой подстанции.
В устройство так же включена ускоренная токовая отсечка УТО, имеющая укороченную зону действия и предназначенная для предотвращения возможных пережогов контактного провода при повреждениях около подстанции.
Первая ступень состоит из измерительного органа полного сопротивления ZI, характеристикой которого является окружность с центром в начале координат комплексной плоскости и токового блокирующего органа, разрешающего срабатывать первой ступени защиты только при наличии КЗ в защищаемой линии. Необходимость блокирующего органа вызвана тем, что измерительный орган является не направленным и может сработать при КЗ на других фидерах в следствие понижения напряжения на шинах 27,5 кВ до значения, при котором сопротивление, подводимое к его зажимам, меньше сопротивления уставки срабатывания.
Вторая ступень состоит из измерительного органа полного сопротивления ZII и фазового блокирующего органа . Характеристика второй ступени представляет собой луч (сектор) с центром в начале координат комплексной плоскости, в котором в зависимости от конкретных условий можно раздельно производить регулировку по модулю полного сопротивления ZII и углу . Углы в пределах луча характеризуют фазовые сдвиги между током и напряжением до точек КЗ защищаемой линии. Комбинированную характеристику получают наложением первой и второй ступеней.
Логические связи между различными органами первой и второй ступеней обеспечиваются наличием логической схемы "ИЛИ", с выхода которой посылается импульс на отключение выключателя при поступление необходимого импульса от одной из двух ступеней. От первой и второй ступеней необходимые импульсы могут поступить только в том случае если с обоих органов каждой ступени поступят сигналы, одинаковые по знаку и совпадающие по времени (схема "И"). В отличие от первой, во второй ступени схемы "И" стоит электронное реле времени KT2 для создания необходимой выдержки на отключение выключателя.
Защита выполнена на модулях серии "Сейма-3". Модуль токового органа ДТ-ЗК представляет собой трехфазное реле трехфазное реле максимального тока и выполняет следующие функции: блокирует измерительный орган ZI при КЗ за пределами защитной зоны первой ступени; работает как ускоренная токовая отсечка УТО1 при КЗ в близи шин; совместно с электронным реле времени KT1, которое является составной частью ДТ-ЗК, образует максимальную токовую защиту от перегрузок МТЗП. Измерительные органы полного сопротивления ZI и ZII представляют собой схемы сравнений двух переменных напряжений U1 и U2, пропорциональных напряжению на шинах ТП и первичному току фидера. Сравнение этих напряжений соответствует сопротивлению подводимого к органам ZI и ZII. Фазовый орган (модуль ФТН) представляет собой фазоограничивающее реле, позволяющее получить блокирующую характеристику направленности.При срабатывании любой защиты – составляется цепь на логическую схему "ИЛИ", с выхода которой подается управляющий импульс на вход выходного устройства ВУ. К выходу ВУ присоединен трансформатор T4, с вторичной обмотки которого подается положительный импульс на управляющий электрод тиристора VS. Тиристор открывается и посылает импульс на катушку отключения выключателя YAT. Все пусковые и измерительные элементы подключаются к TA и TV через промежуточные трансформаторы тока и напряжения TL. В цепи вторичных обмоток TL включены потенциометры и резисторы для регулировки токов и напряжений, подаваемых на входы рассмотренных органов защиты.
1.2 Расчет уставок электронных защит
Для расчета уставок электронных защит необходимо найти сопротивления цепи к.з. и токи к.з.
Общее сопротивление до места к.з.:
где
- сопротивление подстанции, Ом;
- входное сопротивление петли к.з. тяговой сети, замеренное на шинах 27,5кВ,Ом;
где
- сопротивление одной фазы энергосистемы, приведенное к напряжению шин 27,5кВ, Ом;
- сопротивление фазы понижающего трансформатора тяговой подстанции, Ом;
- число параллельно включенных трансформаторов.
Пренебрегая активным сопротивлением энергосистемы и понижающего трансформатора получим:
Сопротивление понижающего трансформатора будет равно сумме сопротивлений двух обмоток входящих в цепь к.з.:
где
- номинальная мощность трансформатора, кВА;
- номинальное напряжение равное 27,5 кВ;
,
,
- условные напряжения короткого замыкания отдельных обмоток (В - высокой, С- средней, Н - низкой) трехобмоточного трансформатора, %
Напряжения к.з. отдельных обмоток находят из напряжений к.з. между обмотками по следующим формулам:
Характеристики
Тип файла документ
Документы такого типа открываются такими программами, как Microsoft Office Word на компьютерах Windows, Apple Pages на компьютерах Mac, Open Office - бесплатная альтернатива на различных платформах, в том числе Linux. Наиболее простым и современным решением будут Google документы, так как открываются онлайн без скачивания прямо в браузере на любой платформе. Существуют российские качественные аналоги, например от Яндекса.
Будьте внимательны на мобильных устройствах, так как там используются упрощённый функционал даже в официальном приложении от Microsoft, поэтому для просмотра скачивайте PDF-версию. А если нужно редактировать файл, то используйте оригинальный файл.
Файлы такого типа обычно разбиты на страницы, а текст может быть форматированным (жирный, курсив, выбор шрифта, таблицы и т.п.), а также в него можно добавлять изображения. Формат идеально подходит для рефератов, докладов и РПЗ курсовых проектов, которые необходимо распечатать. Кстати перед печатью также сохраняйте файл в PDF, так как принтер может начудить со шрифтами.















