150529 (621279), страница 4
Текст из файла (страница 4)
Достоинства: простота конструкции.
2.7.1 Кориолисовые расходомеры
Принцип действия основан на возникновении ускорения и силы Кориолиса в массе жидкости или протекании их через вибрирующую U-образную трубку. Расходомер состоит сенсора и преобразователя сигнала. Сенсор состоит из одной или двух U-образных трубок (нержавеющая сталь), электромагнитной катушки, расположенной в центре изгиба, 2-х индуктивных датчиков и поверхностного термометра сопротивления.
Среда, расход которой измеряется, поступает на вход преобразователя и изменяет направление движения по U-образной трубке. Среда проходит по одному колену трубки в прямом направлении, а по другому- в обратном. В середине U-образной трубке на её конце установлен электромагнит- вибровозбудитель, сообщающей трубке поперечное синусоидальное колебание. При этих условиях среда протекающая по трубке имеет поступательное и вращательное движение. Их совокупность вызывает появление ускорения и силы Кориолиса. За счёт разной направленности поступательного движения среды по коленам трубки сила Кориолиса в зоне перехода прямых участков трубки в дугообразные воздействует в противоположных направлениях и в зоне перехода на трубку действуют моменты сил, изгибающие трубку в вертикальной плоскости. Во входной половине трубки сила Кориолиса, действующая на трубку со стороны среды, расход которой измеряется, препятствует смещению трубки, а в выходной способствует смещению. В зонах перехода дугообразного участка трубки в прямолинейные участки установлены электромагнитные преобразователи результирующих колебаний трубки. Трубка колеблется в вертикальной плоскости с амплитудой пропорциональной массе среды протекающей через U-образную трубку. Электромагнитные преобразователи измеряют величину амплитуды колебаний и сдвиг фаз, который происходит за счёт отставания возникновения сил Кориолиса на сопряженных участках. Расход определяется путём измерения временной задержки между сигналами электромагнитных преобразователей, а плотность- измерением резонансной частоты колебаний (резонансная частота является функцией массы, а масса пропорциональна плотности). Термометр сопротивления на поверхности трубки учитывает изменение модуля упругости материала трубки.
Величина силы Кориолиса находится по формуле:
,
где
масса протекающей через трубку среды,
средняя скорость потока среды,
циклическая частота принудительных колебаний конца трубки.
Трубка может иметь другую форму.
Данные расходомеры изготавливаются на диаметр
мм и на расход: для жидкостей (от
до 550
), для газов (от 50
до 71000
). Статическое давление эксплуатации прибора до 7 МПа.
Достоинства: высокая точность измерений (до
), длительный срок службы, измерение больших расходов, нет ограничений на способ установки, измерение одновременно 3-х параметров (расхода, массы, плотности), измерение параметров любых сред, на показания прибора не влияет изменение параметров среды, расход которой измеряется.
Недостатки: относительная сложность устройства вторичных преобразователей, ограниченное давление эксплуатации.
3. Выбор средства контроля
3.1 Обоснование выбора типа расходомера
По условию измеряется расход сжиженной пропан-бутановой фракции со следующими технологическими параметрами: расход
; давление
аТ.
Рассмотренные контактные виды расходомеров (тахометрические, тепловые, ротаметры и др.) жидкостей, паров и газов обладают существенным недостатком: наличие контакта чувствительного элемента с контролируемой средой и обусловленная этим потеря давления потока измеряемой среды. Так как сжиженная пропан-бутановая фракция- легко испаряющаяся и легко воспламеняющаяся жидкость, то наличие контакта чувствительного элемента с измеряемой средой также нежелательно. Электромагнитные расходомеры не применимы из-за отсутствия электропроводности контролируемой среды (пропан-бутановая фракция).
Применение разделительных сосудов, продувка нейтральным газом, изготовление сужающих устройств из специальных материалов и применение других специальных защитных устройств делает применение контактных расходомеров нецелесообразным из-за дороговизны материалов и сложности обслуживания.
Наличие первичных преобразовательных устройств в контактных расходомерах влияет на общую погрешность (увеличивается), в связи с этим точность показаний уменьшается.
Лишены выше перечисленных недостатков акустические расходомеры, в частности ультразвуковые. К достоинствам ультразвуковых расходомеров можно отнести: бесконтактность измерений; высокую точность измерений; не нарушается герметичность трубопровода при необходимости ремонта или диагностики расходомера; нет потерь давления потока; нет подвижных частей, что резко повышает срок службы прибора; искро- и взрывобезопасное исполнение ультразвуковых расходомеров делает возможным их применение в химической промышленности; с экономической точки зрения ультразвуковые расходомеры являются рентабельными для заказчика уже после непродолжительной эксплуатации. На точность показаний этого типа расходомеров влияет только качество поверхности стенок трубопровода. Поэтому для контроля расхода сжиженной пропан-бутановой фракции будем использовать ультразвуковой расходомер.
3.2 Обоснование выбора марки ультразвукового расходомера
Я предлагаю к установке трехлучевой ультразвуковой расходомер UFM3030 фирмы KROHNE.
Фирма KROHNE работает с технологией измерения расхода при помощи ультразвука уже 28 лет (с 1980г.). С 1980 года на объектах заказчиков установлено более 30 000 надежных и безотказно работающих ультразвуковых расходомеров KROHNE.
Ультразвуковые расходомеры KROHNE занимают лидирующие позиции на мировом рынке расходомеров. Трехлучевой расходомер UFM 3030 фирмы KROHNE стал эталоном для самых различных применений. Там, где не справляются электромагнитные расходомеры, UFM 3030 демонстрирует надежные и стабильные результаты благодаря более совершенной электроники, цифровой обработке сигнала и трехлучевой технологии измерения. UFM 3030 обладает всеми преимуществами измерения расхода с помощью ультразвуковых волн: точность измерений не зависит от электропроводимости, вязкости, температуры, плотности и давления измеряемой среды. Первичный преобразователь не имеет выступающих частей, он гладкий внутри и снаружи и не имеет подвижных частей, подвергающихся износу. Поэтому не происходит дополнительной потери давления, нет необходимости в перекалибровке прибора, а потребность в техническом обслуживании минимальна.
Все расходомеры UFM3030 , диаметром от 25 до 3000 мм и расходом от 1 до 40 000 м3/ч, калибруются по воде. Калибровка приборов диаметром больше 150 мм, производится на самой точной и самой большой в мире проливной установке, имеющей погрешность менее 0,03% от измеренного значения, тем самым гарантируя соответствие каждого поставленного прибора спецификации. Кроме того, каждый вторичный преобразователь проходит испытания под напряжением с симулируемым расходом с несколькими температурными циклами от -20ºС до + 60ºС. Эти испытания контролируются и документируются. Это повышает надежность работы прибора на месте установки и гарантирует бесперебойную работу и точность измерений при монтаже вне помещения независимо от погоды и времени года.
UFM3030 является универсальным прибором для непосредственного измерения жидкостей, как с простыми, так и со сложными свойствами. Особенно выделяются здесь среды с малой электропроводностью или неэлектропроводные среды, такие как деминерализованная вода или углеводороды. Неорганические вещества от расплавленной серы до хлора и органические соединения, такие как сжиженные газы, также не представляют сложности для UFM 3030.
3.3 Конструкция ультразвукового расходомера UFM 3030
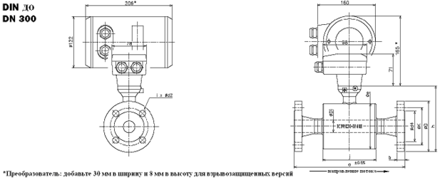
Расходомер UFM 3030 в разнесенном или в компактном исполнении состоит из ультразвукового первичного преобразователя UFS 3000 в комбинации с электронным конвертором UFC 030. Конвертор имеет локальный дисплей с подсветкой и тремя кнопками. Все параметры конфигурации можно вводить либо при помощи этих кнопок, либо используя ручной стрежневой магнит и магнитные датчики Холла на передней панели, при этом корпус конвертора открывать не нужно. Также прибор можно отконфигурировать по коммуникационному протоколу HART® (протокол – встроенный по умолчанию). Конвертор компактного исполнения (UFC 030 K) устанавливается непосредственно на первичном преобразователе (датчике) расхода, а конвертор для разнесенного исполнения (UFC 030 F) имеет специальную крепежную скобу для монтажа на стенке или трубопроводе.
Компактное исполнение UFM 3030 K:
Конвертор UFC 030 K установлен непосредственно на корпусе ультразвукового первичного преобразователя UFS 3000.
Применение: UFM 3030 K – EEx / FM / CSA (взрывоопасные зоны).
Разнесенное исполнение UFM 3030 F:
Конвертор UFC 030 F установлен отдельно (разнесен) от ультразвукового датчика UFS 3000.
Применение: UFM 3030 F – EEx / FM / CSA (взрывоопасные зоны).
Структура первичного преобразователя UFS 3000.
3.4 Принцип работы выбранного расходомера
Принцип действия UFM 3030 и всех других ультразвуковых расходомеров фирмы KROHNE основан на разнице времени прохождения сигнала. При помощи трех пар запатентованных ультразвуковых датчиков измеряется время прохождения акустических сигналов, которые движутся по направлению потока и против него. Разница во времени прохождения пропорциональна средней скорости потока и преобразуется в выходной сигнал объемного и суммарного расхода. Измерительные лучи расходомера UFM 3030 образуют трехмерный профиль распределения скоростей движения среды или профиль потока среды, которая проходит по измерительной трубе, благодаря третьему измерительному лучу. Эти линии измерения располагаются таким образом, чтобы максимально снизить воздействие режима потока (ламинарного или турбулентного). В комбинации с использованием новейших технологий цифровой обработки сигнала это дает стабильные и надежные измерения расхода.
Третий измерительный луч позволяет UFM 3030 учитывать условия измерения как в ламинарном, так и в турбулентном режиме потока.
3.5 Технические характеристики ультразвукового расходомера UFM 3030
3.5.1 Ультразвуковой электронный конвертор UFC 030
| Функция | Значение |
| Токовый выход | |
| Значение токового сигнала | для Q = 0%; 0 для Q=100%; 4 программируется с шагом 1мА (ограничено 20 |
| Электрические соединения | Активный режим: используется встроенный источник питания 24 В DC; Источник тока, нагрузка ≤ 680 Ом; Пассивный режим: внешнее напряжение ≤ 18 . 24 В DC, нагрузка ≤ 680 Ом. |
| Импульсный выход | |
| Параметры выходных сигналов | Импульс на единицу измеряемой величины (макс. 2000 Гц) (например, 1000 импульсов/м3). Скважность импульса 25, 50, 100, 200 или 500 миллисекунд для частоты < 10 Гц. |
| Электрические соединения | В активном режиме подключение к электронным счетчикам осуществляется через встроенный источник питания 24 В DC / I ≤ 50 мА; В пассивном режиме подключение к электронным (EC) или электромагнитным счетчика (ЭМС) осуществляется через внешний источник питания ≤ 19 - 32 В DC / I ≤ 150 мА. |
| Частотный выход | |
| Параметры выходных сигналов | От 0 до 2 000 Гц (например, Q0% - 0 Гц, Q100% - 1000 Гц) при 100% от значения шкалы; Fмакс - 2 кГц |
| Электрические соединения | В активном режиме подключение к электронным счетчикам осуществляется через встроенный источник питания 24 В DC / I ≤ 50 мА; В пассивном режиме подключение к электронным (EC) или электромагнитным счетчика (ЭМС) осуществляется через внешний источник питания ≤ 19 - 32 В DC / I≤ 150 мА. |
| Выход состояния | |
| Параметры выходных сигналов | Включен или выключен; Низкий уровень: Uвых < 5 В (выключен); Высокий уровень: Uвых > 15 В (включен); Максимальное значение Uвых = 24 В DC. |
| Электрические соединения | В активном режиме подключение к электронным счетчикам осуществляется через встроенный источник питания 24 В DC / I ≤ 50 мА; В пассивном режиме подключение к электронным (EC) или электромагнитным счетчика (ЭМС) осуществляется через внешний источник питания ≤ 19 - 32 В DC / I ≤ 150 мА. |
| Аналоговые входы | |
| Параметры входных сигналов | |
| Вход 1 | Единица измерения: градусы Цельсия или Фаренгейта; Температура для 4 мА: от -50°C до 150°C (от -58°F до 302°F); Температура для 20 мА: от -50°C до 150°C (от -58°F до 302°F). |
| Вход 2 | Единица измерения: бар или psi; Давление для 4 мА: от 0 до 100 бар (от 0 до 1450 psi); Давление для 20 мА: от 0 до 100 бар (от 0 до 1450 psi). |
| Электрические соединения | |
| Вход 1 | 4 Нагрузка 58 Ом; Активный (если использовать источник питания UFC 030 24 В DC) или пассивный. |
| Вход 2 | 4 Нагрузка 58 Ом; Активный (если использовать источник питания UFC 030 24 В DC) или пассивный. |
| Управляющие входы | |
| Значения сигналов | Включено или выключено. |
| Электрические соединения | Низкий уровень: Uвх < 5 В (выключено); Высокий уровень: Uвх > 15 В (включено); Максимальное значение Uвх: Uвх-макс = 32 В. |
| Сигнальный кабель | |
| Стандартное исполнение | Только для разнесенного исполнения, тип MR06, O.D. = 11 мм (0.43 дюйма) 5 м (15 футов). |
| Опционально | 10 м (30 фт), 15 м (45 фт), 20 м (65 фт), 25 м (80 фт), 30 м (100 фт). > 30 м (> 100 футов) под заказ. |
| Электрическое присоединение | |
3.5.2 Ультразвуковой первичный преобразователь UFS 3000
| Фланцевые соединения | ||
| Диаметр | Класс фланца / Номинальное давление | Максимальное давление |
| Для фланцев по DIN 2501 | ||
| DN 25 - 80 DN 100 - 150 DN 200 - 2000 DN 1200 - 2000 DN 2200 - 3000 | PN 40 PN 16 PN 10 PN 6 PN 2,5 | 40 бар 16 бар 10 бар 6 бар 2,5 бар |
| Для фланцев по ANSI B 16,5 | ||
| 1" - 24" 26" - 40" | ANSI - Класс 150 фунтов / RF MSS-SP44 - Класс 150 фунтов/ RF | 19,7 бар при 20°C 19,7 бар при 20°C |
| Для фланцев по AWWA | ||
| 24" - 120" | ANSI - Класс 150 фунтов / RF | 6 бар при 20°C |
| Применяемые материалы | ||
| Измерительная труба (с полиуретановым покрытием) | DN 25 - 300 / 1" - 12" SS 316 L (по сравнению с нержавеющей сталью 1.4404 и 1.4435); DN 350 - 3000 / 14" - 120" углеродистая сталь. | |
| Внешняя оболочка датчика | ≤ DN 65 / 21/2” SS 316 L; ≥ DN 80 / 3” углеродистая сталь; ≥ DN 350 / 14” отдельный корпус для каждого датчика из нержавеющей стали SS 316 L. | |
| Сенсор / окна сенсора | SS 316 L | |
| Фланцы (наружное полиуретановое покрытие) | < DN 65 / 2.5” SS 316 L; > DN 80 / 3” углеродистая сталь. | |
| Клеммная коробка (полиуретановое покрытие) | Литой алюминиевый корпус | |
3.5.3 Ультразвуковой расходомер UFS 3030
| Функция (параметр) | Значение |
| Измеряемые параметры | Реальный объем с простой одностадийной функцией дозирования Откорректированный расход или объемный расход, приведенный к нормальным условиям в соответствии с API 2540 или требованиями заказчика Массовый расход в единицах измерения заказчика (необходимы дополнительные сведения) |
| Рабочие условия | Жидкости с максимальным содержанием твердых частиц <5% (по объему) или максимальным содержанием газа <2% (по объему). |
| Коммуникационные протоколы | HART® PROFIBUS PA |
| Диапазон измерения | UFM 3030 измеряет в пределах широкого диапазона скоростей потока: V= от 0 до 20 м/сек |
| Точность измерения (при нормальных условиях) | |
| Погрешность измерения (V- скорость потока) | При V = от 0,5 до 20 м/сек < ± 0.5% от измеренного значения; При V < 0.5 м/сек < ± 2.5 мм/сек от измеренного значения. |
| Повторяемость измерения | ± 0,2% от измеряемого значения. |
| Влияние температуры | < ± 0,1% на 10°C (18°F). |
| Сертификаты на применение во взрывоопасных зонах | ATEX IEC 529-EN 60 529, EEx de ib IIC Tb … Ts; FM Класс I, Div. 1 и 2, Группы A, B, C и D; Класс II, Div. 1, Группы E, F и G; Div. 2, Группы F и G; Класс III, Div. 1 и 2; CSA Класс I, Div. 1 и 2, Группы A, B, C и D; Класс II, Div. 1 и 2, Группы E, F и G; Класс III, Div. 1 и 2. |
| Предельные температуры | |
| Компактное исполнение | |
| Температура рабочей среды | от 25°C до +140°C (от -13°F до +284°F). |
| Температура окружающей среды | от 40°C до +65°C (от -40°F до 149°F). |
| Разнесенное исполнение | |
| Температура рабочей среды | от -25°C до +180 °C (от -13°F до +356°F). |
| Температура окружающей среды | от -40°C до +65°C (от -40°F до 149°F). |
| Опционально расширенный диапазон температур рабочей среды | от 25°C до 220°C (от 13°F до +428°F) до размера DN150. |
| Специальные исполнения | Для рабочих сред с номинальными температурами в пределах от -170°C до + 500°C (от -274°F до +932°F) по запросу доступны высокотемпературное исполнение и исполнение для высокого давления. |
| Категория защиты в соответствии с IEC 529 (EN 60 529) | |
| Стандартное (разнесенное или компактное исполнение) | IP 67 (приравнивается к NEMA 6 и 6P). |
| Опционально для разнесенного исполнения | IP 65 (приравнивается к NEMA 4 и 4X) или IP 68 (приравнивается к EMA 6 и 6P). |
| Диапазон измерения расхода | от 1 до 40 000 м³/ч. |
| Диапазон диаметров трубопровода | от 25 до 3000 мм |
3.6 Электрические схемы подключения расходомера
5>














