150529 (621279), страница 3
Текст из файла (страница 3)
где
кол-во теплоты, отдаваемое нагревателем жидкости или газу,
поправочный коэффициент на неравномерность распределения температур по сечению трубы,
массовый расход вещества,
уд. массовая теплоёмкость при температуре
,
разность температур нагреваемой среды до и после нагревателя.
Существует два способа измерений расхода: измерение по мощности, потребляемой нагревателем и обеспечивающей постоянную разность температур
; измерение по разности температур
при постоянной мощности нагревателя (разность температур измеряется термометрами сопротивления, выполненных в виде сетки, что позволяет измерять среднюю температуру по сечению трубопровода). Второй способ является более экономичным, т.к. контролируемая среда нагревается на 1-3 ºС, поэтому даже при больших расходах потребляемая мощность невелика.
Достоинства: высокая точность измерений (
), большой диапазон измерений (10:1), измерение пульсирующих и малых расходов.
Недостатки: сложность устройства для автоматического поддержания заданной разности температур и постоянного расхода электроэнергии на нагрев потока.
2.4.3 Вихревые расходомеры
В настоящее время разработаны и имеют весьма широкие перспективы применения вихревые расходомеры, принцип действия которых основан на зависимости от расхода частоты колебаний давления среды, возникающих в потоке в процессе вихреобразования.
Измерительный преобразователь вихревого расходомера (рис. VIII.19) представляет собой завихритель 1, вмонтированный в трубопровод, с помощью которого поток, завихряется (закручивается) и поступает в патрубок 2. На выходе из патрубка в расширяющейся области 4 установлен пьезометрический преобразователь 3, воспринимающий и преобразующий вихревые колебания потока (для которых имеет силу зависимость:
,
где
частота пульсаций на преобразователе,
-константа Строухала,
диаметр лицевой, относительно потока, части препятствия,
скорость потока) в электрический сигнал (переменное напряжение), который далее приводится к нормализованному виду, отвечающему требованиям ГСП.
Завихрения потока формируются таким образом, что внутренняя область вихря - ядро, поступая в патрубок 2, совершает только вращательное движение. На выходе же из патрубка в расширяющуюся область 4 ядро теряет устойчивость и начинает асимметрично вращаться вокруг оси патрубка.
Достоинства: широкий диапазон температур, возможность использования практически на любых средах.
Недостатки: чувствительность к влиянию внешних помех (вибрации), ненулевая шкала.
2.5 Акустические расходомеры
Для измерения расходов загрязненных, агрессивных и быстро-кристаллизующихся жидкостей и пульп, а также потоков, в которых возможны большие изменения (пульсации) расходов и даже изменения направления движения, когда не могут быть применены другие виды расходомеров, используются расходомеры акустические, чаще всего ультразвуковые (частота звуковых колебаний более 20 кГц).
В основном используют два метода. Один метод основан на измерении разности фазовых сдвигов двух ультразвуковых колебаний, направленных по потоку и против него (фазовые расходомеры).
Другой метод основан на измерении разности частот повторения коротких импульсов или пакетов ультразвуковых колебаний, направленных одновременно по потоку и против него (частотные расходомеры).
2.6 Фазовые расходомеры
Если колебания распространяются в направлении скорости потока, то они проходят расстояние L за время
где а — скорость звука в данной среде; V — скорость потока. При распространении колебаний против скорости потока время
Отношение
весьма мало по сравнению с единицей (для жидкостей скорость звука 1000...1500 м/с; V = 3...4 м/с), поэтому с большой степенью точности можно принять
В фазовых расходомерах фиксируется разность времени
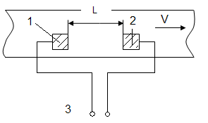
На поверхности трубопровода расположены два пьезоэлектрических элемента 1 и 2. Пьезоэлемент 1 механическим переключателем 3 подключен к генератору высокочастотных синусоидальных электрических колебаний. Пьезоэлемент преобразует электрические колебания в ультразвуковые, которые направляются в контролируемую среду через стенки трубопровода. Пьезоэлемент 2 воспринимает ультразвуковые колебания, прошедшие в жидкости расстояние L, и преобразует их в выходные электрические колебания.
Наличие в схеме механического переключателя ограничивает возможность измерения быстро меняющихся расходов вследствие небольшой частоты переключений (порядка 10 Гц). Это можно исключить, если в трубопроводе установить две пары пьезоэлементов так, чтобы в одной паре излучатель непрерывно создавал колебания, направленные по потоку, а в другой — против потока. В таком расходомере на фазометр будут непрерывно поступать два синусоидальных колебания, фазовый сдвиг между которыми пропорционален скорости потока.
2.6.1 Частотно-пакетные расходомеры
Принцип действия этих расходомеров основан на измерении частот импульсно-модулированных ультразвуковых колебаний, направляемых одновременно по потоку жидкости и против него.
Генераторы Г создают синусоидальные колебания высокой частоты (10 МГц) и подают их через модуляторы М на излучающие пьезоэлементы П1 и ПЗ. Пьезоэлемент П1 создает направленные ультразвуковые излучения (с частотой 10 МГц), которые воспринимаются пьезоэлементом П2.
При неподвижной жидкости время распространения излучений при расстоянии L между пьезоэлементами
.
Если жидкость перемещается по трубе со скоростью V, то составляющая скорости в направлении движения ультразвуковых колебаний равна
, следовательно, время перемещения колебаний между пьезоэлементами П1 и П2 по потоку жидкости
Соответственно время перемещения колебаний между пьезоэлементами ПЗ и П4 против направления потока
.
Модулятор совместно с двумя пьезоэлементами и усилителем-преобразователем УП включены в схему периодического модулирования. Как только первые колебания, поступающие на приемные пьезоэлементы П2 и П4, достигнут модуляторов, работающих в триггерном режиме, произойдет отключение генераторов от пьезоэлементов П1 и ПЗ, и излучение ультразвуковых колебаний прекращается. Оно возобновляется в те моменты, когда последние ультразвуковые колебания первых пакетов достигнут приемных пьезопреобразователей и генерация последних электрических колебаний прекратится. В эти моменты модуляторы вновь пропускают электрические колебания от генератора к приемным пьезоэлементам и процесс повторяется. Частота модулирования сигналов зависит от скорости потока и направления ультразвуковых колебаний (по потоку или против него).
Разность частот, определяемая пересчетной схемой ПС, пропорциональна скорости движения жидкости:
Разность
регистрируется прибором РП.
По значению
определяют скорость потока и объёмный расход:
,
где
коэффициент, учитывающий различия в усреднении скорости по площади сечения трубопровода;
внутренний диаметр трубопровода.
Разность частот прямо пропорциональна скорости и не зависит от скорости распространения звука в среде. Это является преимуществом частотного метода, так как исключается воздействие физических параметров среды (плотность, температура) на показания прибора.
Достоинства: относительно высокая точность (
); широкий диапазон рабочих температур ( от -200ºС до +600ºС); возможность измерять быстропеременные (пульсирующие) расходы; для замены и обслуживания не требуется разгерметизации оборудования (исполнение с накладными датчиками); бесконтактность измерений; отсутствие движущихся частей в потоке; отсутствие потерь давления в трубопроводах; нет влияния физических факторов среды на показания прибора (плотность, температур и др.) при частотном методе; широкий диапазон диаметров трубопроводов (от 6 мм до 6500 мм); широчайший диапазон измерения величины расхода (0,001
2985000 м³/ч).
Недостатки: зависимость точности измерений от качества стенок трубопровода.
2.7 Напорные устройства
Напорные устройства- устройства, создающие перепад давления, зависящий от динамического давления потока (скорости). Используются для измерения скорости потока, а также расходов жидкостей и газов (редко).
Принцип действия основан на помещении в трубопровод Г-образной трубки (трубка Пито), направленной изгибом на поток. Трубка воспринимает полное давление в трубопроводе равного сумме динамического, зависимого от скорости потока, и статического давления трубопровода. Чтобы измерять скорость или расход, помимо трубки Пито необходимо установить в трубопроводе ещё одну трубку для отбора статического давления, а так же ввести поправочныё коэффициент. Давление в трубке Пито выражается по следующей формуле:
,
где
статическое давление в трубопроводе,
плотность жидкости (газа),
скорость потока.
Для второй трубке формула имеет вид:
Зная перепад давлений и плотность вещества можно найти скорость и расход.
Чаще для измерения расхода используют анюбар, который обеспечивает усреднение динамического давления потока по всему сечению трубопровода. Анюбар состоит из 2-х секций в одном корпусе, расположенных под углом 90º друг к другу. Отверстия положительной секции ("+") расположены встречно потоку, а отрицательной ("-") – перпе-ндикулярно.
Недостатком данного метода является то, что он применим только в трубопроводах большого диаметра.
Недостатки: сопротивление потоку (потеря давления), низкая точность (
).















