150471 (621273), страница 2
Текст из файла (страница 2)
– 0,000504 = 0,000516
0,04 – 0,01 – 0,63
Δ3 = 0,01 0,03 0 = 0,002292 – 0,000063 – 0,000378 –
– 0,02 – 0,01 1,91
– 0,000191 = 0,00166
-
Определяем узловые напряжения
U1.1 = Δ1 / Δ = – 1,647 В
U2.2 = Δ2 / Δ = 7,588 В
U3.3 = Δ3 / Δ = 24,412 В
-
Используя II закон Кирхгофа, определяем токи в ветвях
ί1 = (E1 – U3) / R1 = (25,02 – 24,412) / 19,5 = 0,03 А
ί2 = (– E2 – U1 + U3) / R2 = (– 37,5 + 1,647 + 24,412) / 60 = – 0,19 А
ί3 = (U1 – U2) / R3 = (– 1,647 – 7,588) / 90 = – 0,1 А
ί4 = U1 / R4 = – 1,647 / 120 = – 0,01 А
ί5 = (– U3 + U2) / R5 = (– 24,412 + 7,588) / 165 = – 0,1 А
ί6 = U2 / R6 = 7,588 / 67,5 = 0,11 А
-
Проверка
ί5 + ί1 – ί2 = – 0,1 + 0,03 + 0,191 = 0,12
ί3 – ί6 – ί5 = – 0,1 – 0,11 + 0,11 = – 0,11
ί6 + ί4 – ί1 = 0,11 – 0,01 – 0,03 = 0,07
ί2 – ί3 – ί4 = – 0,19 + 0,1 + 0,01 = – 0,08
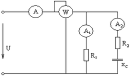
ЗАДАЧА 2 Линейные электрические цепи синусоидального тока
В сеть переменного тока с действующим значением напряжения U включена цепь, состоящая из двух параллельных ветвей. Определить показания приборов, реактивную мощность цепи, коэффициент мощности и построить векторную диаграмму напряжений. Указать на схеме положительное направление токов в ветвях и обозначить эти токи.
Дано:
R1 = 8 Ом
R2 = 2 Ом
U = 127 В
јx c = 17 Ом
Решение:
-
Примем начальную фазу напряжения равной нулю
Ů = 127 е ј0 В
-
Определяем комплексное сопротивление
z 1 = R1 = 8 Ом
z 2 = R2 – јx c = √2 2 + 17 2 · е – ј arctg 17/4 = 17,1 е – 77
-
По закону Ома определяем комплексные точки
İ 1 = Ů / z 1 = 127 е ј0 / 8 = 15,9 е ј0 А
İ 2 = Ů / z 2 = 127 е ј0 / 17,1 е – 77 = 7,4 е ј 77 =
= 7,4 · cos 77 + ј 7,4 · sin 77 = 1,7 + ј 7,2
-
Определяем полный комплексный ток
İ = İ 1 + İ 2 = 15,9 е ј0 + 7,4 е ј 77 = 15,9 cos 0 + ј 15,9 sin 0 +
+ 7,4 cos 77 + ј 7,4 sin 77 = 17,5 + ј 7,2 =
= √17,5 2 + 7,2 2 · е ј arctg 7,23/17,544 = 18,9 · е ј 22
А 18,9 А
А1 15,9 А
А2 7,4 А
-
Определяем полную мощность
S = İ · Ů = 18,9 е ј 22 · 127 е ј0 = 2410,5 е ј 22 =
= 2410,5 cos 22 + ј 2410,5 sin 22 = 2234,9 + ј 902,9
İ = 18,9 · е ј 22 S = 2410,5 ВА
P = 2234,9 Вт Q = 902,9 ВАР
-
Определяем коэффициент мощности
cos φ = P / S = 0,93
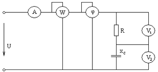
ЗАДАЧА 3 Линейные электрические цепи синусоидального тока
В цепь переменного тока с мгновенным значением напряжения
U = U m sin ωt промышленной частоты f = 50 Гц включены резистор и конденсатор. Определить показания приборов, реактивную и полную мощность цепи. Построить треугольник напряжений и векторную диаграмму напряжений.
Дано:
R = 2 Ом
Um = 282 В
x c = 17 Ом
Решение:
-
Определяем напряжение на зажимах цепи
U = Um / √2 = 282 / 1,41 = 200 В
-
Определяем накопленное емкостное сопротивление
– јx c = – ј 17 = 17 е – ј 90
-
Определяем полное комплексное сопротивление цепи z
Z = R – јx c = 2 – ј 17 = √2 2 + 17 2 · е – ј arctg 17/2 = 17,1 е – ј 83
-
Начальную фазу напряжения примем равной нулю
Ů = 200 е ј0 В
-
Определяем комплексный ток по закону Ома
İ = Ů / Z = 200 е ј0 / 17,1 е – ј 83 = 11,7 е ј 83
тогда показания амперметра IА = 11,7 А
-
Определяем комплексное напряжение на R
ŮR = I R = 11,7 е ј 83 · 2 = 23,4 е ј 83 =
= 23,4 cos 83 + ј 23,4 sin 83= 2,9 + ј23,2
-
Определяем напряжение на емкости
Ůc = İ (– ј x c) = 11,7 е ј 83 · 17 е – ј 90 = 198,6 е – ј 7 =
= 198,6 cos 7 – ј 198,6 sin 7 = 197,1 – ј 24,2
тогда показания вольтметра Uc = 198,6 В
-
Определяем полную комплексную мощность цепи
Ŝ = I* · Ů = 11,7 е -ј 83 · 200 е ј0 = 2336 е -ј 83 =
= 2336 cos 83 – ј 2336 sin 83 = 284,7 – ј 2318,6
S = 2336 ВА
P = 284,7Вт Q = 2318,6 ВАР
-
Определяем показатель фазометра
φ = φu – φί = 0 – 83 = – 83
тогда показания фазометра cos φ = cos (– 83) = 0,12
ЗАДАЧА 4 Трехфазные электрические цепи синусоидального тока
В трехфазную сеть с линейным напряжением Uл (действующее значение напряжения) по схеме «треугольник/треугольник» включены активно-индуктивные приемники. Определить фазные и линейные токи в нагрузке, активную мощность всей цепи и каждой фазы отдельно.
Дано:
RАВ = 8 Ом Uл = 127 В XСА = 3 Ом RСА = 2 Ом
RВС = 3 Ом XАВ = 6 Ом XВC = 17 Ом
Решение:
-
Т. к. рассматриваем соединение «треугольник/треугольник», то
Uп = Uдо
ŮАВ = 127 е ј 0
ŮВС = 127 е – ј 120
ŮСА = 127 е ј 120
-
Определяем комплексное полное сопротивление фаз
zАВ = RАВ + ј xАВ = 8 + ј 6 = √82 + 62 · е ј arctg 6/8 = 10 е ј37
zВC = RВC + ј xВC = 3 + ј 17 = √32 + 172 · е ј arctg 17/3 = 17,3 е ј80
zCА = RСА + ј xСА = 2 + ј 3 = √22 + 32 · е ј arctg 3/2 = 3,6 е ј56
-
Определяем комплексные фазные токи
Iф = Uф / zф
İАВ = 127 е ј 0 / 10 е ј37 = 12,7 е -ј37
İВС = 127 е -ј 120 / 17,3 е ј80 = 7,3 е -ј200
İСА = 127 е ј 120 / 3,6 е ј56 = 35,3 е ј64
-
Определим сопряженные комплексные токи фаз:
İАВ* = 12,7 е ј37
İВС* = 7,3 е ј200
İСА* = 35,3 е -ј64
-
Определяем комплексные полные мощности фаз
S = IФ* · UФ
SАВ = 12,7 е ј37 · 127 е ј 0 = 1612,9 е ј37 = 1612,9 cos 37 + ј 1612,9 sin 37 = 1288,1 + ј 970,7
SВC = 7,3 е ј200 · 127 е – ј 120 = 927,1 е -ј80 =
= 927,1 cos 80 – ј 927,1 sin 80 = 161 – ј 913
SCА = 35,3 е -ј64 · 127 е ј 120 = 4483,1 е ј56 = 4483,1 cos 56 + ј 4483,1 sin 56 =
= 2506,9 + ј 3716,7
-
Определяем активную мощность фаз
PАВ = 1288,1 Вт
PВC = 161 Вт
PCА = 2506,9 Вт
-
Определяем активную мощность цепи
Pц = PАВ + PВC + PCА = 3956 Вт
СПИСОК ЛИТЕРАТУРЫ
-
Касаткин А. С., М. В. Немцов «Электротехника»: М., Академия, 2005.
-
Методические указания к выполнению контрольной работы по дисциплине «Общая электротехника и электроника» для студентов заочной формы обучения.
-
Лачин В.И., Н.С. Савёлов «Электроника»: М., Феникс, 2002.
-
Лекции по дисциплине «Общая электротехника и электроника».















