150185 (621232), страница 2
Текст из файла (страница 2)
тыс. руб.
тыс. руб. – стоимость ячейки с выключателем 330 кВ [1, табл. 7.16]
тыс. руб. [1, табл. 7.18]
тыс. руб. [1, табл. 7.28]
•
тыс. руб.
тыс. руб.
тыс. руб.
К0 = 147 тыс. руб./км, 90 тыс. руб./км – стоимость сооружения 1 км. линии 330 кВ (для стальных двухцепных, одноцепных опор, район по гололёду II, провод 2АС-400/51) [1, табл. 7.5]
КЗОН = 1,0 – зональный коэффициент (для Центра) [1, табл. 7.2]
•
тыс. руб.
тыс. руб. [1, табл. 7.16]
тыс. руб. [1, табл. 7.18]
тыс. руб. [1, табл. 7.28]
•
тыс. руб.
Издержки:
•
тыс. руб.
•
тыс. руб.
,
– ежегодные издержки на обслуживание и ремонты силового оборудования, в долях от капиталовложений [1, табл. 6.2]
•
тыс. руб.
тыс. руб.
– ежегодные издержки на обслуживание и ремонты линий, в долях от капиталовложений [1, табл. 6.2]
тыс. руб.
коп/кВт·ч – стоимость потерь электроэнергии (для Европейской части)
МВт·ч/год
МВт
кВт/км – удельные потери на корону [1, табл. 3.10]
ч/год
МВт
•
тыс. руб.
тыс. руб.
тыс. руб.
МВт·ч/год
МВт
кВт/км
МВт
•
тыс. руб.
•
тыс. руб.
•
, ущерб мы не рассматриваем, т. к. правая часть обоих вариантов – это одноцепная линия 330 кВ одного и того же сечения. Ущерб правой части так же не рассматриваем, из-за индивидуальности задания: во втором варианте правая часть схемы – это одноцепная линия 500 кВ, и при выходе её из стоя выходит из работы вся схема. Т.о. ни в одном варианте ущерб не рассматриваем.
Приведенные затраты:
тыс. руб.
Технико-экономический расчёт для варианта №2:
Капиталовложения:
•
тыс. руб.
тыс. руб.
тыс. руб. стоимость ячейки с выключателем 500 кВ [1, табл. 7.16]
тыс. руб. [1, табл. 7.19]
тыс. руб. [1, табл. 7.28]
•
тыс. руб.
тыс. руб.
тыс. руб.
К0 = 125 тыс. руб./км, 90 тыс. руб./км – стоимость сооружения 1 км. линии 500 кВ, 330 (для стальных одноцепных опор с оттяжками, район по гололёду II, провод 3АС-400/51) [1, табл. 7.5]
КЗОН = 1,0 – зональный коэффициент (для Центра) [1, табл. 7.2]
•
тыс. руб.
тыс. руб.
тыс. руб. [1, табл. 7.16]
тыс. руб. [1, табл. 7.16]
тыс. руб. [1, табл. 7.18–7.19]
тыс. руб. [1, табл. 7.28]
•
тыс. руб.
Издержки:
•
тыс. руб.
•
тыс. руб.
,
– ежегодные издержки на обслуживание и ремонты силового оборудования, в долях от капиталовложений [1, табл. 6.2]
•
тыс. руб.
тыс. руб.
– ежегодные издержки на обслуживание и ремонты линий, в долях от капиталовложений [1, табл. 6.2]
тыс. руб.
коп/кВт·ч – стоимость потерь электроэнергии (для Европейской части)
МВт·ч/год
МВт
кВт/км – удельные потери на корону [1, табл. 3.10]
ч/год
МВт
•
тыс. руб.
тыс. руб.
тыс. руб.
МВт·ч/год
МВт
кВт/км – удельные потери на корону [1, табл. 3.10]
МВт
•
тыс. руб.
•
тыс. руб.
•
Приведенные затраты:
тыс. руб.
Итак, получили:
З1= 18986,8 тыс. руб.
З2= 19458,4 тыс. руб.
Найдём разницу в процентах:
.
Разница в процентах получилась менее 5%, что говорит о примерной равноценности вариантов, но исходя из того, что в схеме 1 левая часть схемы это двухцепная линия, соответственно более надежная, чем одноцепная во второй схеме, т.о. исходя из надежности, выбираем вариант схемы №1
2. Расчёт основных рабочих режимов электропередачи
В расчёте принимаются следующие допущения:
– протяжённые участки ВЛ представляются П – образными схемами замещения с учётом поправочных коэффициентов на распределённость параметров
– распределение напряжения по длине линии считается соответствующим идеализированной ВЛ
– потери мощности при коронировании проводов учитываются как сосредоточенные отборы на концах участков электропередачи
– потерями активной мощности намагничивания трансформаторов и шунтирующих реакторов пренебрегают
– не учитывается активное сопротивление трансформаторов
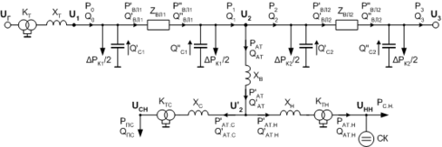
Учитывая выше сказанное, составим схему замещения электропередачи (рис. 6).
Рис. 6. Схема замещения электропередачи
Рассчитаем параметры линий электропередач на одну цепь:
Линия 1: UНОМ = 330 кВ; N = 1; провод 2АС-400/51;
Ом/км;
Ом/км;
См/км;
МВт/км
рад.
;
Ом
Ом
См
МВт
Ом;
МВт
Линия 2: UНОМ = 330 кВ; N = 1; провод 2АС-400/51;
Ом/км;
Ом/км;
См/км;
МВт/км
рад.
;
Ом
Ом
См
МВт
Ом;
МВт
Параметры трансформаторов:
– блочные трансформаторы ГЭС: ТДЦ – 200000/330
кВ;
кВ;
Ом [1, табл. 5.19]
– автотрансформаторы 2×АТДЦТН – 167000/330/220:
кВ;
кВ;
кВ;
Ом;
;
Ом [1, табл. 5.22]
Напряжение U3 на шинах системы во всех режимах принимается равным номинальному (330 кВ). Коэффициент мощности в конце второго участка электропередачи не должен быть ниже заданного (
)
2.1 Режим наибольшей передаваемой мощности
Задача расчёта состоит в отыскании экономически целесообразного отношения значений напряжения в начале и конце головного участка электропередачи (перепада напряжения). Такому перепаду соответствуют минимальные народнохозяйственные затраты, приведенные к одному году нормативного срока окупаемости. В затратах учитываются капиталовложения в дополнительно устанавливаемые источники реактивной мощности (ИРМ) на промежуточной подстанции, издержки на ремонт и обслуживание ИРМ, а также затраты на возмещение потерь электроэнергии в линии.
Параметры элементов схемы замещения:
• Линия 1:
Ом;
Ом;
См;
МВт
• Линия 2:
Ом;
Ом;
См;
МВт
• Группа трансформаторов ГЭС:
Ом
• 2 автотрансформатора 330/220 кВ (АТ):
Ом;
;
Ом
С целью уменьшения потерь активной мощности желательно обеспечить возможно более высокие значения напряжения в промежуточных и узловых точках электропередачи, ограниченные высшим допустимым напряжением UДОП = 1,1·UНОМ = 363 кВ. Натуральная мощность линии первого участка
МВт немого больше передаваемой мощности Р0 = 700 МВт, следовательно в линии будет избыток реактивной мощности, а напряжение в середине линии будет превышать напряжения по концам линии; учитывая это, зададимся напряжением U1 равным 1,05·UНОМ и проведём расчёт режима при различных значениях U2.
U1 = 347 кВ, U2 = 340 кВ
МВт
Ом;
65,99 Ом
См
;
;
МВАр
МВАр
13,71 кВ
МВАр
0,999
МВт
МВАр
МВт
МВАр
МВт
МВАр
Методом систематизированного подбора подбираем Q2 так, чтобы, получить коэффициент мощности в конце второго участка электропередачи не ниже заданного (
), а напряжение U3 на шинах системы близким к номинальному (330 кВ).
Q2 = – 25 МВАр
Принимаем
МВт (собственные нужды подстанции и местная нагрузка).
МВт
МВт
МВАр
МВАр
МВАр
339,34 кВ
МВт
МВАр
247,37кВ
МВт
МВАр
МВАр
Мощность синхронного компенсатора
76,12 МВАр
12,27 кВ
должно находиться в технических пределах: от
до
. Иначе данный вариант не осуществим по техническим условиям. Получившееся напряжение UНН не соответствует допустимому.
Приведенные затраты:
= 3231,9 тыс. руб.
КСК ≈ 35 тыс. руб./МВАр – удельная стоимость СК типа КСВБ 50–11
Результаты расчёта при других значениях U2 представим в виде таблицы:
Таблица 1 – Результаты расчёта режима наибольшей передаваемой мощности
| U2, кВ | 310 | 320 | 330 | 340 |
| δ° | 24,12 | 23,54 | 23 | 22,5 |
| Q'ВЛ1, МВАр | 262,61 | 207,44 | 152,45 | 97,6 |
| Q0, МВАр | 84,76 | 29,59 | -25,41 | -80,25 |
| UГ, кВ | 14,11 | 13,98 | 13,84 | 13,71 |
| cosφГ | 0,971 | 0,987 | 0,996 | 0,999 |
| ΔPВЛ1, МВт | 33,14 | 31,6 | 30,42 | 29,61 |
| ΔQВЛ1, МВАр | 303,61 | 289,48 | 278,7 | 271,22 |
| P''ВЛ1, МВт | 665,64 | 667,18 | 668,36 | 669,17 |
| Q''ВЛ1, МВАр | -41 | -82,04 | -126,25 | -173,62 |
| P1, МВт | 664,42 | 665,96 | 667,14 | 667,96 |
| Q1, МВАр | 100,95 | 69,22 | 34,6 | -2,87 |
| Q1 - QР, МВАр | 100,95 | 69,22 | 34,6 | -2,87 |
| Q2, МВАр | -65 | -75 | -60 | -25 |
| P2, МВт | 311,42 | 312,96 | 314,14 | 314,96 |
| QАТ, МВАр | 165,95 | 144,22 | 94,6 | 22,13 |
| Q'АТ, МВАр | 134,92 | 116,38 | 70,57 | 0,91 |
| U'2, кВ | 300,34 | 311,92 | 325,06 | 339,34 |
| UСН, кВ | 220,25 | 228,74 | 238,38 | 248,85 |
| Q'АТ.Н, МВАр | 63,85 | 45,31 | -0,51 | -70,16 |
| QАТ.Н, МВАр | 57,54 | 42,36 | -0,49 | -64,19 |
| QСК, МВАр | 53,77 | 29,71 | 0,49 | 34,06 |
| UНН, кВ | 9,03 | 9,72 | 10,84 | 12,27 |
| З, тыс. руб. | 3410,5 | 3158,2 | 2735,1 | 3231,9 |
Минимум затрат наблюдается при U2 = 330 кВ;
, ущерб мы не рассматриваем, т. к. правая часть обоих вариантов – это одноцепная линия 330 кВ одного и того же сечения. Ущерб правой части так же не рассматриваем, из-за индивидуальности задания: во втором варианте правая часть схемы – это одноцепная линия 500 кВ, и при выходе её из стоя выходит из работы вся схема. Т.о. ни в одном варианте ущерб не рассматриваем.














