150063 (621192), страница 2
Текст из файла (страница 2)
Многофазной системой электрических цепей называется совокупность электрических цепей, в которых действуют синусоидальные ЭДС одной и той же частоты, создаваемые общим источником энергии и сдвинутые относительно друг друга по фазе. Как ранее отмечалось, термин фаза обозначал стадию синусоидального процесса. Введем ее второе понятие: фаза многофазной системы - часть многофазной электрической цепи, в которой может протекать один из токов многофазной системы. По числу фаз многофазные системы электрических цепей подразделяются на двух-, трех-,..., т - фазные системы. Наибольшее распространение получили трехфазные (т = 3) и кратные трем (т = 6, т = 12) системы.
Трехфазная система электрических цепей, в которой отдельные фазы электрически соединены друг с другом называется трехфазной цепью. Такие цепи составляют основу электроэнергетики.
Достоинствами трехфазной системы, обусловившими ее исключительно широкое применение в системах электроснабжения, являются:
1) использование, при передаче заданной мощности, меньшего числа проводов, чем в несвязанных однофазных системах;
2) наличие двух уровней напряжения - фазного и линейного, что позволяет питать различные нагрузки без применения трансформаторов;
3) сравнительная легкость создания вращающегося магнитного поля, необходимого для работы трехфазных электрических машин.
Симметричные источники. Преобладающая часть мощных генераторов и приемников электрической энергии вырабатывают и потребляют трехфазные синусоидальные токи. В обмотках статора трехфазного генератора - фазах А, В, С - генерируется три ЭДС одинаковой частоты и амплитуды, имеющие фазовый сдвиг 120° (или 2π/3). Такая система ЭДС называется симметричной (рис.3.1, а). Комплексные изображения ЭДС подобной трехфазной системы имеют вид:
.
Наиболее характерное свойство такой системы - сумма фазных ЭДС равна нулю, т.е.
.
Фазные обмотки трехфазного генератора соединяются между собой. Это может осуществляться посредством объединения концов обмоток в общем узле N - соединение звездой ("Y") (рис.3.1, б). Поскольку выполняется соотношение (3.1), то фазные обмотки можно соединить и последовательно - соединение треугольником ("А") (рис.3.1, с).
Симметричные электроприемники.
Трехфазные электроприемники соединяют аналогичным способом (звездой и треугольником). Симметричным называется приемник, комплексные сопротивления которого для каждой фазы равны. При соединении звездой (рис.3.2, а)
Последнее равенство распадается на два равенства:
- равенство модулей и
- равенство фаз. При соединении треугольником (рис.3.2, б)
. Аналогично два равенства:
и
.
Путем эквивалентных преобразований можно перейти от одного способа соединения к другому. Для симметричных приемников переход:
3.2 Трехфазная система с нагрузкой
Несимметричная трехфазная система по схеме звезда с нейтральным проводом (четырехпроводная).
В этом случае определение токов в фазах
и тока в нейтральном проводе
, в незначительной степени отличается от рассмотренного выше случая. Искомые токи в фазах, они же линейные токи, также определяются по закону Ома. Естественно, что токи в фазах уже не будут равны между собой как по модулю, так и по фазе. Ток в нейтральном проводе определяется по первому закону Кирхгофа
и не равен нулю. Величину этого тока можно определить как сложением токов в фазах, представленных в комплексной форме, так и сложением векторов фазных токов на комплексной плоскости. Напряжение между точками nN, как и для предыдущего случая, будет равно нулю, т.е.
. Несимметричная трехфазная система по схеме звезда без нейтрального провода (четырехпроходная). При отсутствии нейтрального провода потенциал нейтральной точки "и" несимметричного приемника электроэнергии будет не равен потенциалу нейтральной точки "N" источника. Для этого случая фазные напряжения электроприемника и источника электроэнергии не равны друг другу, т.е.
Электрическая цепь состоит из параллельных ветвей с источниками ЭДС и в общем случае одной параллельной ветви (нейтральный провод) с пассивным элементом (
) и содержит два узла N и n. В соответствии с методом узловых напряжений (метод двух узлов) напряжение между узлами N и п определяется выражением:
где
- комплексные проводимости фаз (в общем случае не равные между собой);
- проводимость нейтрального провода.
Вектор напряжения
, будет направлен из точки N, причем его концу будет соответствовать потенциал точки и приемника (может лежать как внутри, так и вне треугольника линейных напряжений). Фазное напряжение
это напряжение между точками а и п. Поэтому на диаграмме вектор напряжения Uan направлен от точки п к точке а. Аналогично строятся фазные напряжения
и
.
Построенные таким образом векторы напряжений для фаз приемника полностью удовлетворяют уравнениям второго закона Кирхгофа:
После того как определены фазные напряжения, токи в фазах определяются по закону Ома, причем для этого случая должно выполняться условие первого закона Кирхгофа
Симметричная трехфазная система с нагрузкой по схеме треугольника - это объединение трехфазного источника (рис.3.1, с) и симметричного трехфазного электроприемника (рис.3.2, б), каждый из которых соединен в треугольник, причем
Линейные напряжения на зажимах А, В, С источника
являются одновременно линейными напряжениями на электроприемнике
следовательно,
. Эти же напряжения являются фазными для электроприемника.
Комплексные линейные напряжения определяются выражениями:
Исходя из свойств симметричных систем, можно записать:
. Модули фазных напряжений электроприемника
- одновременно линейные напряжения на его зажимах, т.е.
Токи в фазах электроприемника определяются по закону Ома:
При симметричной нагрузке, полагая
, модули токов в фазах одинаковы
По первому закону Кирхгофа для узловых точек а, b, с можно записать:
Токи
протекают в линейных проводах, т.е. это линейные токи, имеющие одинаковые модули
.
Соотношение между линейными и фазными токами
Несимметричная трехфазная система характеризуется тем, что комплексные сопротивления фаз не равны друг другу, т.е.
Токи в фазах электроприемника определяются по закону Ома и также несимметричны.
Следует отметить, что как для симметричной, так и несимметричной системы, выполняется условие равенства нулю линейных токов, т.е.1а+1b + 1с= 0. Это равенство легко получается суммированием линейных токов выражения, тогда в правой части все фазные токи сокращаются.
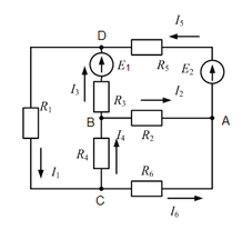
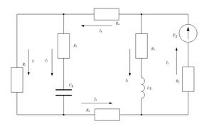
Дано:
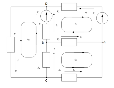
Метод контурных токов
Запишем систему уравнений контурных токов:
Сопротивления контуров:
Взаимное сопротивление контуров:
Контурные ЭДС
Подставим найденные значения в систему уравнений:
Решаем систему по методу Крамара:
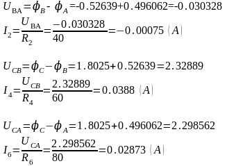
Остальные токи определяем по первому закону Кирхгофа:
Определим напряжения на элементах цепи:
Метод непосредственного применения законов Кирхгофа
m=6 n=4
К1=n-1=4-1=3 К2=m-K1=6-3=3
По первому закону:
Для узла А
Для узла C
Для узла D
По второму закону:
Кон.1
Кон.2
Кон.3
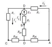
Метод двух узлов
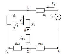
Преобразуем треугольник в звезду:
Проводимости каждой ветви:
Определим напряжения между узлами D и O:
Находим токи:
Возьмем
Значения найденных токов совпадают со значениями найденными по методу контурных токов, следовательно расчет выполнен верно.
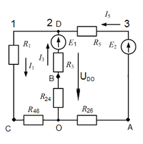
Метод наложения
-
Отключим Е2 и преобразуем исходную схему:
Значениями
воспользуемся из предыдущих расчетов.
Найдем эквивалентное сопротивление схемы 3 (R’э)
2) Отключим Е1 и преобразуем исходную схему:
Найдем эквивалентное сопротивление схемы 3 (R”э)
Определим истинные токи:
Остальные токи определяем исходя из I и II закона Кирхгофа:
По II закону Кирхгофа:
По I закону Кирхгофа:
По II закону Кирхгофа:
Значения найденных токов совпадают с значениями найденными по предыдущим методам, следовательно расчет выполнен верно. Правильность определения токов проверим по балансу мощностей: Мощность потребителя:
Мощность источника:
Баланс мощности сошелся.
Составим таблицу результатов:
| № ветви | Ii, A | Ui, В | Pi, Вт | ||||
| Метод конт. токов | Метод 2х узлов | Метод наложения | |||||
| 1 | 0,06753 | 0,06753 | 0,06753 | 8,1036 | 0,5472 | ||
| 2 | -0,00075 | -0,00075 | -0,00075 | -0,03 | 0,0000225 | ||
| 3 | 0,03955 | 0,03955 | 0,03955 | 2,7685 | 0,109494 | ||
| 4 | 0,0388 | 0,0388 | 0,0388 | 2,328 | 0,09033 | ||
| 5 | -0,02798 | -0,02798 | -0,02798 | -2,798 | 0,078288 | ||
| 6 | -0,02873 | -0,02873 | -0,02873 | -2,2984 | 0,066033 | ||
Дано:















