144957 (620828), страница 5
Текст из файла (страница 5)
Vзач = a b hн ,
где а и b – размеры котлована по дну, м; hн - величина недобора грунта в основании, м,
а=50 м
b=80 м
hн =0.1 м
Vзач =50∙80∙0.1=400 м3
Vpaз=16608,42+488,7+3035-400=19732,12 (м3)
3.2.Выбор ведущей машины
Отыскание эффективных способов выполнения процессов и неразрывно связанного с ними рационального комплекта машин производится исходя из объемов работ, глубины отрываемого котлована, расстояния вывоза грунта и гидрогеологических условий на площадке.
В жилищном строительстве наибольшее распространение для разработки котлованов получили одноковшовые экскаваторы с вместимостью ковша от 0,15 до 1,0 м3. В зависимости от размеров котлована, уровня грунтовых вод и влажности грунта одноковшовые экскаваторы оборудуются различным сменным оборудованием: прямой лопатой, обратной лопатой или ковшом драглайна.
При выборе рабочего оборудования следует учитывать, что производительность экскаватора с прямой лопатой больше, чем с ковшом драглайна или с обратной лопатой аналогичной вместимости. Прямая лопата срезает грунт выше уровня стоянки и чаще всего применяется для разработки грунта естественной влажности с погрузкой его в транспортные средства. При уровне грунтовых вод выше отметки дна котлована прямая лопата может работать при водоотливе или искусственном понижении уровня воды.
Зная вместимость ковша экскаватора, можно установить марку ведущей машины для устройства котлована. При выборе марки предпочтение следует отдавать машинам, выпускаемым в настоящее время промышленностью и имеющим лучшие технические характеристики.
Изложенные выше рекомендации не исключают возможности применения в качестве ведущей машины других средств механизации, которые в конкретных условиях могут оказаться более эффективными. Для отрывки неглубоких котлованов значительной протяженности успешно применяются бульдозеры и скреперы, если расстояние перемещения грунта не превышает рациональной дальности возки для этих машин. При разработке котлованов в грунтах I - III групп с погрузкой в транспортные средства или в отвал можно использовать одноковшовые погрузчики грузоподъемностью от 2 до 10 т. После отыскания марки ведущей машины приводятся ее технические характеристики и рабочие параметры .
Таблица 6 – Технические характеристики и параметры экскаватора ЭО 3323
| Наименование показателя | Единицы измерения | ЭО-3323 гидравлическим приводом |
| Вместимость ковша | м3 | 0,63 |
| Наибольший радиус резания | м | 6,8 |
| Радиус выгрузки | м | 5,4 |
| Наибольшая высота резания | м | 7,66 |
| Наибольшая высота выгрузки | м | 4,2 |
| Длина стрелы | м | - |
| Длина рукояти | м | - |
| Мощность двигателя | кВт | 55 |
| Масса | т | 13,6 |
3.3 Подбор вспомогательных машин
При использовании в качестве ведущей машины одноковшового экскаватора остаются немеханизированными транспортирование грунта и зачистка дна котлована.
Перевозка грунта может осуществляться тракторным, автомобильным или рельсовым транспортом. Решающее влияние на выбор способа транспортирования оказывает дальность возки грунта. Рекомендуемая длина пробега составляет:
а) для тракторов с прицепами - 0,25 - 1,0 км ;
б) для автосамосвалов - 0,5 - 5,0 км ;
в) для рельсового транспорта - 2,0 - 10,0 км.
Количество транспортных средств, потребных для отвозки разрабатываемого грунта, рассчитывается из условия бесперебойной работы землеройной машины и транспорта по формуле
N = tmр / tn,
где tmp - продолжительность цикла работы транспортной единицы, мин; tn - продолжительность погрузки транспорта экскаватором, мин.
Продолжительность рабочего цикла транспорта
tmp = tp + tn + 2 Lтр / vp,
где tp - продолжительность разгрузки транспортной единицы, мин; Lтр -расстояние транспортирования грунта, м; vp - расчетная скорость движения транспорта, м / мин.
При использовании автосамосвалов tp = 1,5 мин. Величина vp может приниматься: при работе в черте города - 20 км / ч, а при работе вне города - 25 - 30 км / ч.
Продолжительность погрузки транспортного средства
tn = nК / n кn,
где n - число экскаваторных циклов в одну мин (прил. 4); кn = 0,92-0,97 коэффициент, учитывающий потери времени на передвижку экскаватора по забою; nк - количество ковшей грунта, погружаемых экскаватором в транспортную единицу (целое число).
Величина nк может быть определена по формуле
nк = Q / g Vэк,
где Q - грузоподъемность самосвала, т; g - плотность разрабатываемого грунта, т / м3 (прил. 1); Vэк - объем грунта в ковше экскаватора
Загрузка транспортных средств проверяется путем расчета процента использования их по грузоподъемности, Кг, %:
Кг = 100 Ртр / Q,
где Ртр - масса загружаемого грунта в кузов транспорта, т,
Ртр = Vэк nк g .
Перегруз транспортных средств не должен превышать 5 %, а недогруз - 10 %. При нарушении этого условия изменяется количество загружаемых в кузов самосвала ковшей грунта или принимается другая марка транспортного средства.
Для грубой зачистки дна котлована механизированным способом может использоваться бульдозер, который перемещает грунт к экскаватору или удаляет его сам (при небольшой глубине котлована, наличии въезда и малых расстояниях перемещения). В небольших котлованах без въезда планировка дна производится вручную.
После подбора вспомогательных машин выписываются их технические характеристики и приводится состав комплекта средств механизации для отрывки котлована с указанием номенклатуры машин, их марок и количества.
N = 30,12/3,02=9,97=10 (шт.)
tmp = 1,5+3,02+2*6400*60/(30*1000)=30,12=31 (мин)
tn = 7/2,44*0,95=3,02 (мин.)
nк = 7/(1,75*0,55)=7,27=7 (ковшей)
Ртр = 1,75*0,55*7=6,74 (т)
Кг = 96,25%
Таблица 7 – Технические характеристики и параметры автомобиля-самосвала КамАЗ-55102
| Наименование показателя | Единицы измерения | КамАЗ-55102 |
| Грузоподъёмность | т | 7,0 |
| Объём кузова | м3 | 7,9 |
| Масса автомобиля | м | 5,4 |
| Габаритные размеры: Длина Ширина Высота | м | 7,57 2,5 2,9 |
| Направление разгрузки | - | На боковые стороны |
| Максимальная скорость | Км/ч | 80 |
| Мощность двигателя | кВт | 154 |
| Расход топлива при скорости 60 км/ч | л/100 км | 35 |
Таблица 2.1 – Технические характеристики и размерные параметры катков
| Наименование показателя | Единицы измерения | ДУ-16В | ДУ-31А |
| Тип катка | - | Полуприцепной на пневмошинах секционные | Самоходный на пневмошине |
| Буксирующий трактор | - | МОАЗ-546П | - |
| Ширина уплотняемой полосы | м | 2,6 | 1,9 |
| Толщина уплотняемого слоя | м | 0,35 | 0,35 |
| Число проходов по одному месту | шт | 6-8 | 2-6 |
| Габаритные размеры: Длина Ширина Высота | м | 9,67 3,23 3,05 | 5,3 1,93 3,15 |
| Мощность двигателя | кВт | 177 | 66 |
| Масса катка | т | 35,9 | 16 |
Таблица 2.2 – Технические характеристики и размерные параметры рыхлителей
| Наименование показателя | Ед. измер. | ДП-18 | ДП-14 |
| Базовый трактор | Т-180 | Т-100 | |
| Число рыхлительных зубьев | шт. | 5 | 3 |
| Ширина полосы разрыхления | м | 1,9 | 1,48 |
| Глубина рыхления | м | 0,4 | 0,4 |
| Габаритные размеры: длина ширина высота | м | - - - | 6,36 3,97 3,04 |
| Мощность двигателя | кВт | 132 | 79 |
Скорость движения | м/с | 1-3,4 | 1-3,4 |
| Общая масса | т | - | 16,1 |
Таблица 2.3.– Технические характеристики и размерные параметры бульдозера
| Наименование показателя | Ед. изм. | ДЗ-28 | ДЗ-18 |
| Отвал | поворотный | поворотный | |
| Базовый трактор | Т-130 | Т-100 | |
| Длина отвала | м | 3,94 | 3,94 |
| Высота отвала | м | 0,82 | 0,82 |
| Мощность двигателя | кВт | 118 | 79 |
| Масса бульдозерного оборудования | т | 1,9 | 1,9 |
| Масса с трактором | т | 14,9 | 13,9 |
-
Проектирование экскаваторных работ
Разработка грунта одноковшовыми экскаваторами производится проходками, состоящими из последовательных забоев.
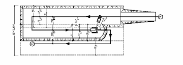
Рис.11. – Рабочие параметры и профили забоя экскаваторов с прямой лопатой и канатным управлением: Rp = 6,8м - радиус резания; Rв =5,4м - радиус выгрузки; Н=7,66м – высота резания; Нк - глубина резания; Нв =4,2м - высота выгрузки
Экскаваторным забоем называется пространство, ограниченное радиусом действия рабочего оборудования машины, а проходкой -траншея, образуемая при последовательной срезке грунта и периодическом перемещении экскаватора вдоль выемки. Экскаваторный забой включает место расположения землеройной машины, часть разрабатываемого с данной стоянки массива грунта и площадку для размещения транспортного средства (при погрузке грунта в транспорт) или отвала (при разработке грунта навымет). Профиль забоя зависит от основных рабочих параметров экскаватора (рис.11).
















