144739 (620715), страница 2
Текст из файла (страница 2)
Конструктивные особенности кирпичных стен. Прочность кладки зависит от качества выполнения каменных работ, конструктивных особенностей возводимых каменных конструкций, условий их эксплуатации и свойств кирпича и раствора.
Наружные стены выполняют в виде трех основных конструктивных схем: массив или сплошная кладка на всю толщину стены; кладка с утеплителем в теле стены (рисунок 2, а) и кладка с утеплителем на поверхности стены (рисунок 2,б и в). Массив — наиболее распространенная форма наружных стен кирпичом заполняется все сечение стены. Согласно последним нормативным требованиям, для обеспечения требуемой теплозащиты толщина стены из кирпича для климатического пояса Москвы должна быть более 100 см. Такое значительное потребление кирпича приводит к удорожанию конструкций, увеличению трудоемкости и продолжительности строительства.
Рисунок 2 – Конструктивные схемы наружных кирпичных стен:
1 – кирпичная кладка; 2 – утеплитель; 3 – штукатурка; 4 – гипсокартон
В последние годы с появлением новых материалов, используемых в качестве утеплителей, наибольшее развитие получили вторая и третья конструктивные схемы. При второй схеме утеплитель укладывают в тело стены. На первом этапе возводят основную часть стены (в 1,5-2 кирпича). В растворный шов через два ряда кирпичей с шагом 50 см устанавливают проволочные штыри, выполненные из нержавеющей стали диаметром 5...8 мм и длиной, превышающей толщину утеплителя на 50 мм. На стержни монтируют (нанизывают) листовой утеплитель (пенополистирол, роквул) на высоту одного стандартного листа. Затем выкладывают вторую часть стены (в 0,5-1 кирпич), соединяя с основной частью нержавеющей проволокой, устанавливаемой также в растворный шов через два ряда кирпичей с шагом 50 см.
Третья схема предусматривает две возможности укладки утеплителя: снаружи и изнутри кирпичной стены. При установке снаружи утеплитель используют как элемент отделки фасада, на него монтируют отделочную сетку, наносят фактурный слой и окраску. При отделке фасадов камнем, витражами, декоративными панелями утеплитель оказывается внутри системы навесных наружных конструкций. При установке изнутри утеплитель облицовывают гипсокартонными листами по металлическому каркасу или, значительно реже, оштукатуривают по сетке и красят.[4]
Перегородки. Делят помещения на более мелкие отдельные помещения. Они должны быть прочными и устойчивыми, отвечать определенным санитарно-гигиеническим условиям (поверхности должны быть гладкими, поддаваться чистке, не иметь щелей).
Перегородки делятся на: межкомнатные перегородки, офисные перегородки, торговые перегородки, сантехнические перегородки.
Торговые перегородки предназначены для создания или разделения торговых помещений и включают в свою конструкцию витрины, прилавки, торговые окошки и другое необходимое оборудование для торговли. Могут быть алюминиевые, стальные или ПВХ.
По типу секций они могут быть: глухие, стеклянные и комбинированные.
В качестве материалов для заполнения в перегородках чаще всего используют стекло.
Перекрытия - это горизонтальные конструкции дома для разделения объема здания и по вертикали. Перекрытия несут нагрузку от собственного веса, пола, мебели, людей. Стоимость перекрытия с полом составляет 18-22 % стоимости здания, следовательно, важно обеспечить его наибольшую экономичность.
Перекрытия разделяют на цокольные, междуэтажные, чердачные. По виду несущих элементов их разделяют на перекрытия по деревянным балкам, перекрытия из железобетонных элементов, перекрытия по металлическим балкам.
Цоколь – нижняя часть наружной стены над фундаментом до уровня пола. Цоколь предохраняет эту часть здания от атмосферных и от механических повреждений, его делают из водо- и морозостойких материалов.
Простенок – часть стены, расположенная между проемами. Перемычка – участок стены, расположенный непосредственно над окнами, дверными или другими проемами.
Пол – это конструкция, устраиваемая на грунте или перекрытии. Верхний элемент пола называется покрытием. В проектируемом торговом предприятии для покрытия пола предлагается использовать керамический гранит.
Крыша защищает здание от атмосферных воздействий. Водонепроницаемая часть крыши называется кровлей. Кровлю выполняют из рулонных и мастичных материалов, асбестоцементных листов, а также из черепицы и металлических листов.
Рисунок 3– простейшая несущая конструкция крыши
Плоские крыши находят наиболее широкое применение, как в гражданском, так и в промышленном строительстве. Основными функциями плоской крыши, как и любой другой, являются защита здания от атмосферных осадков и теплоизолирующая функция. Плоские крыши могут быть как с чердаком, так и без него (совмещенные покрытия).
Плоская бесчердачная крыша обычно не нуждается в механической очистке от снега. Таяние снега в течение всей зимы происходит за счет тепла, проводимого крышей из помещения. Для удаления снега может быть использована сила ветра. Для этого крыши лучше окружать не глухими парапетами, а решетчатыми барьерами. Механическая очистка от снега может понадобиться лишь после обильных снегопадов, а также в тех случаях, когда поверхность крыши эксплуатируется зимой. Недостатком плоских бесчердачных крыш является невозможность регулярного наблюдения за влажностным состоянием утеплителя и герметичностью водоизолирующего ковра. О повреждении водоизолирующего ковра можно узнать лишь по протечкам на потолке.
1.3 Краткая характеристика строительных материалов, используемых в курсовой работе. Современное и перспективное направление в строительстве при использовании этих материалов
В соответствии с заданием основным строительным материалом, используемым при возведении проектируемого торгового предприятия, является кирпич. Универсальность свойств, прочность и долговечность позволяют широко использовать кирпич в самых разнообразных конструкциях зданий и сооружений.
Кирпич может быть керамическим (получают из глиняных масс путём формования и обжига) и силикатным (изготавливается из воздушной извести и кварцевого песка), полнотелым и пустотелым массой до 4,4 кг.
Кирпич керамический сплошной и пустотелый представляет собой искусственный камень, изготовленный из глины с добавками и без них и обожженный. По внешнему виду кирпич должен иметь форму прямоугольного параллелепипеда с прямыми ребрами и углами и с ровными гранями. Кирпич изготавливают одинарным размером 25012065 мм и утолщенный 25012088 мм. Модульный кирпич с технологическими пустотами выполняют размером 28813863/65/85 мм. [8]
Силикатный кирпич — искусственный камневидный материал, получаемый путем прессования увлажненной смеси кварцевого песка и извести с последующим запариванием в автоклаве. Сырьем для его производства служат кварцевый песок (92—94% от массы сухой смеси) и известь (6—8%). Силикатный кирпич имеет такую же форму и те же размеры, как обыкновенный глиняный. В зависимости от предела прочности при сжатии и изгибе силикатный кирпич делят на марки 100. 125, 200 и 250. Средняя плотность силикатного кирпича несколько выше, нежели у обычного глиняного, и составляет 1800—1900 кг/м3. По назначению этот кирпич именуют рядовым и лицевым. Лицевой может быть неокрашенным и цветным: голубого, зеленоватого, желтого и других цветов. Себестоимость силикатного кирпича примерно на 25—35% ниже глиняного. [11]
По теплотехническим свойствам и плотности кирпич делят на три группы:
-
эффективный (плотность до 1400 кг/м3) с высокими теплотехническими свойствами, позволяющими уменьшить толщину стен по сравнению с толщиной стен, выполненных из обыкновенного кирпича;
-
условно эффективный (плотность 1400…1600 кг/м3), улучшающий теплотехнические функции ограждающих конструкций;
-
обыкновенный кирпич (плотность свыше 1600 кг/м3).
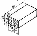
Улучшение теплотехнических свойств кирпича достигается за счет образования отверстий (пустот). Кирпич пустотелый (рисунок 3) с круглыми или прямоугольными пустотами, вертикально расположенный по отношению к постели, выпускают девяти видов с количеством пустот 2…60 и пустотностью 10…33%. Кирпич с горизонтальным расположением пустот производят трёх видов с четырьмя или шестью сквозными прямоугольными отверстиями в один или два ряда и пустотностью 41…42%. [8]
а) б) в) г)
Рисунок 4 – Кирпич пустотелый:
а – кирпич с 19 пустотами; б – кирпич с 31 пустотой (пустотность 30 %); в – кирпич с 21 пустотой (пустотность 32 %); г – кирпич с 6 горизонтальными пустотами (пустотность 42 %)
Кирпич пустотелый применяют для несущих наружных и внутренних стен, перегородок и других частей зданий и сооружений. Для фундаментов, цоколей и стен мокрых помещений рекомендуется применять обыкновенный кирпич (без пустот). [8]
Таким образом, для укладки фундамента проектируемого универмага целесообразно использовать обыкновенный кирпич, а для возведения стен – кирпич с технологическими пустотами одинарных размеров. При выбранной ранее конструктивной схеме наружных кирпичных стен общая толщина кирпичной стены составит 0,58 м (вместе с утеплителем и внутренней отделкой гипсокартоном).
Керамический гранит (плитка грес, гранитогрес, каменная плитка из искусственного камня) является современным облицовочным материалом. Производство керамического гранита является высокотехнологичным процессом. Керамический гранит получают из белой специальной глины с добавлением полевых шпатов, кварца и минералов. В результате высокотемпературного обжига, необходимого для спекания мельчайших крупинок минералов, плитки керамического гранита становятся однородными, предельно прочными и стойкими к различным воздействиям.
Изделие окрашивается на стадии изготовления: для придания керамограниту необходимого цвета в сырьевую массу вводят минеральные пигменты. Таким образом, цвет распределяется по всей толщине плитки, придавая ей однородную структуру, напоминающую природный гранит. Благодаря такой технологии производства свет и ультрафиолетовые лучи не оказывают влияния на интенсивность цвета. Кроме того, возможно изготовление большого разнообразия цветов и рисунков.
В отличие от керамических плиток керамический гранит обладает более высокими показателями износостойкости, сопротивления механическим и климатическим воздействиям, морозостойкости, устойчивости к ультрафиолетовым излучениям, и т.п.
Материал обладает чрезвычайно низким водопоглощением (порядка 0,05%), что объясняется плотной структурой материала, и, соответственно, обеспечивает гарантированную морозоустойчивость. Препятствует распространению огня. Отдельной характеристикой керамогранита является его превосходное эстетическое качество, дающее бесконечные возможности для подбора цветовых решений, и широкий спектр разнообразных форматов.
В зависимости от способа обработки поверхность керамогранита может быть различной: полированной, полуполированной, матовой (лощеной), рельефной (под дикий камень) и противоскользящей (с рисунком в виде насечек).
Благодаря особым техническим характеристикам керамического гранита и широким декоративным возможностям доля его применения в общей массе керамических плиток постоянно увеличивается. Особое внимание уделяется облицовке керамическим гранитом лестниц. Лестницы, отделанные такой плиткой, выглядят особенно эффектно, и при этом решается проблема скольжения. Лестницы внутри помещений рекомендуется облицовывать специально выпускаемыми облицовочными элементами с завальцованной передней кромкой и специальными насечками на плитке от скольжения.
А для отделки зон вне помещения (под открытым небом - крыльца, площадки перед входом, пандуса при въезде, и т.д.) выпускается еще один вид керамического гранита - противоскользящая плитка с выраженной рельефной поверхностью, которая предотвращает скольжение даже при неблагоприятной погоде. [11]
2. Расчетное обоснование проектируемого торгового предриятия
2.1 Расчет количества расчетно-кассовых узлов, внутренняя планировка торгового зала в привязке к рассчетно-кассовым узлам
Для того, чтобы определить количество расчетно-кассовых аппаратов, необходимо знать следующие показатели:
-
Площадь торгового зала ( Sтз = 1584м²)
-
Тип обслуживания покупателей – самообслуживание
-
Время работы гипермаркета – 9:00 – 22:00
-
Кассовый аппарат - TEC ST-5600
-
Средняя продолжительность работы кассового аппарата при обслуживании – 1 мин
-
Коэффициент потерь рабочего времени = 0,8 (20%)
-
Интенсивность покупательского потока – 500 чел/час
1). Рассчитаем среднюю производительность кассового аппарата в час:
В`ч = 60∙Кпот/ t, где (1)
Кпот – коэффициент потери времени;
t – время обслуживания одного покупателя
Приняли выше, что Кпот = 0,8, а t = 1 мин, следовательно, средняя производительность одного кассового аппарата равна:
В`ч = 60*0,8/1 = 48 покупателей/час
2). Далее рассчитаем среднее количество покупателей, приходящихся на 1 кассовый аппарат:
B`=B`час*13 , где (2)
13 – количество часов работы кассового аппарата в смену, причем предположим, что кассовый аппарат работает все 13 часов, меняются только кассиры.
B`=48*13 = 624 покупателя
3). Средний интервал посещения магазина покупателями:
α=60/интенсивность, где (3)
интенсивность- интенсивность покупательского потока.
α = 60/500 = 0,12
4). Интенсивность покупательского потока в минуту:
λ=1/αср., где (4)
αср.- средний интервал посещения магазина покупателями.
λ = 1/0,12 = 8,3 ~ 9 человек/мин
5). Интенсивность обслуживания покупателей:
μ=1/t, где (5)
t- средняя продолжительность работы кассового аппарата при обслуживании одного покупателя.
μ = 1/1 = 1 пок/мин
6). Загрузка кассового аппарата:
ρ=λ/(Сн*μ) (6)
При этом, если ρ = 1, то покупательский поток называется установившимся, и производительность кассового аппарата соответствует интенсивности покупательского потока, приходящегося на 1 кассовый аппарат.
ρ>1 говорит о том, что кассовый аппарат не справляется с обслуживанием
0< ρ<1 – возможны простои кассового аппарата
ρ = 9/1 = 9пок/1 кас.ап
7). Средняя длина очереди:
L=(ρ*(Cн*ρ)^Cн)/Сн! (7)
L = (9(1*9)^1)/1 = 81
Учитывая большую длину очереди, необходимо увеличить количество кассовых аппаратов таким образом, чтобы рассчитанное значение находилось в оптимальном диапазоне, то есть:
ρ = 0,5 – 0, 7
L не более 0,5 – 2 человек
Среднее время ожидания обслуживания (W) = 0,2 – 1,05 мин
8). Общее количество покупателей в смену за будни и праздники:
Фпокуп.потока = 500*13 = 6500 (8)
9). Требуемое количество кассовых аппаратов для обслуживания покупателей в течение рабочего дня:
Cн=(Фпок*Ксм)/B`пок, где (9)
Ксм- коэффициент, учитывающий неравномерность покупательского потока в смену (в будние дни меньше, в праздники больше). Ксм=1,3
Сн = 6500*1,3/624 = 13,5 ~ 14 кас. ап
10). Загрузка 1 кассового аппарата:
ρ= λ/(Сн*μ) (10)
ρ = 9/14*1 = 0,6
11). Средняя длина очереди:
L = (ρ*(Сн*ρ)^Cн)/Сн! (11)
L = (0,6(14*0,6)^14)/14! = 0,6
12). Время ожидания обслуживания:
W = L/ λ (12)
W = 0,6/9 = 0,07 мин
Все показатели, характеризующие работу кассовых аппаратов, вписываются в нормы. Следовательно, принятое количество кассовых аппаратов, равное четырнадцати, позволит быстро и качественно обслужить весь поток покупателей.
2.2 Расчет вентиляции торгового зала гипермаркета
Для нормального функционирования торгового предприятия предусматривается естественная или принудительная вентиляция. Вентиляция необходима для того, чтобы обеспечить отвод вредных газов (СО2), избыточного количества тепла и нормализовать воздух от влажности, так как в процессе жизнедеятельности все эти элементы являются сопутствующими.
1). Определим содержание СО2 в воздухе торгового зала:
Vco2=(m*P1)/(P2-P0), где (13)
m - количество источников выделения СО2
Р1 – количество углекислого газа, выделенное одним источником
Р2 - нормативное содержание СО2, концентрация выше которой недопустима
Р0- содержание СО2 на открытом воздухе (0,3-0,4 дм³/м³)
Vco2 = (500*1,2) / (2,5 – 0,3) = 272,7 м³/час
2). Для того, чтобы выяснить, требуется вентиляция или нет, надо определить объем торгового зала:
V=S*h, где (14)
S- площадь торгового помещения
h- высота торгового помещения.
Vтз = 1584*3 = 4752 м³
3). Концентрация СО2 в объеме торгового зала:
Сco2 =Vco2/Vт.з. (15)
Сco2 = 272,7*1000/4752 = 57,4 дм/м³
4). Требуется принудительная или естественная вентиляция, поскольку содержание углекислого газа в воздухе торгового зала значительно превышает допустимое значение (2,5 дм/м³). Поэтому определим требуемый объем воздухообмена:
Vco2`/Vco2 = 57,4/2,5 = 22,96 ~ 23 (16)
Учитывая, что в процессе торгово-технологических операций воздухообмен осуществляется (через входные группы, неплотности оконных уплотнений и т.д.), введем поправочный коэффициент, равный 0,5 , который учитывает возможность естественного воздухообмена.
5). Требуемый объем воздуха:
Vтр = K*Vт.з.*23 = 0,5*4752*23 = 54648 м³ (17)
6). Кроме содержания углекислого газа в воздухе может накапливаться влага – повышение влажности воздуха. Чтобы удалить избыточную влагу, необходимо рассчитать воздухообмен для ее удаления:
Vco2=G*M/((α2-α1)*ρ), где (18)
G – суммарное влаговыделение в помещении
Предположим, что влажность воздуха внутри помещения 40%, а влажность воздуха за пределами помещения - 80%, тогда
Vco2 = (5*0,01*500) / ((0,62*0,8 – 0,62*0,4)*2,79) = 0,7 м³/ч
То есть для того, чтобы обеспечить влагоудаоение, достаточно того, чтобы интенсивность воздуха была 0,7 м³/ч.
7). В процессе работы часть торгового оборудование выделяет тепло. Но основная масса тепла в помещении приходится на покупателей. Например, 1 покупатель в час выделяет 75 ккал тепла. Поэтому чтобы определить требуемый воздухообмен по отводу избыточного тепла предположим, что доля тепла торгового оборудования мала по отношению к теплу покупателей.
VQ=Q/(0,24*(tвн-tн))* 4,19*ρ) (19)
VQ = (75*0,859*500) / (0,24*(20-(-20))*4,19*2,79) = 287 м³/ч
8). Для того, чтобы обеспечить требуемый воздухообмен, можно использовать естественную или принудительную вентиляцию, когда специальное устройство (вентилятор)по воздуховоду подает в помещение атмосферный воздух, обеспечивая необходимую концентрацию углекислого газа, отвода тепла и излишней влаги.
Для этого нужно определить интенсивность воздухообмена:
ИНТ.= Vco2/Vт.з. (20)
При этом если интенсивность >1, то используют принудительную вентиляцию, если <1, то достаточно естественной вентиляции.
ИНТ. = 272,7/4752 = 0,057
Так как интенсивность <1, то достаточно естественной вентиляции.
9). Чтобы обеспечить требуемый воздухообмен в помещении устраивают воздуховоды, по которым воздух поступает для воздухообмена. Выберем из предшествующего расчета наибольший требуемый объем воздухообмена, и предположим, что скорость движения воздуха должна быть не более 2м/с. В расчете скорость движения воздуха примем за 1,5 м/с, тогда площадь воздуховода будет равна:
ω = V/ύ (21)
ω = 287/1,5 = 191,3 м³
Сечение воздуховода может быть различным. В расчетах примем квадратное.
а = √ ω = √191,3 = 13,8 см
В приложении 1 при размещении воздуховода длину стороны квадрата примем равной 15см.
2.3 Расчет освещенности торгового зала гипермаркета
1). Для начала, чтобы определить освещенность торгового зала, необходимо зафиксировать его геометрические параметры:
Длина ( ℓ ) = 48м
Ширина (b) = 33м
Высота (h) = 3м
В соответствии с требованиями СНиП помещение должно освещаться с интенсивностью 75 Люкс/м.
2). Выберем тип светильника. Возьмем светильники дневного света с двумя лампами, мощность каждой 40 Вт. Длина светильника 1,325м.
3). Для того, чтобы учесть особенности торгового помещения: площадь, высоту, форму – введем комплексный параметр – индекс помещения (iп), который рассчитывается по зависимости:
iп = S/h(b+ℓ) (22)
iп = 1584/3(33+48) = 6,5
4). Между коэффициентом помещения и коэффициентом использования светового потока (η) есть определенная зависимость:
i<1,3 η=0,8
i=1,3-2,25 η =0,72
i=2,25-3,20 η =0,7
i=3,20-5 η=0,65
i=5-7 η =0,62
i=7-9 η =0,6
i=9-11 η=0,55
i>11 η =0,55
То есть η=f(i) = 0,62
5). Расчетная длина помещения, ширина и высота зависят от коэффициента привидения, который учитывает отражение светового потока от ограждающих конструкций. Для высоты коэффициент привидения λ = 1,4. Так как отражающая способность потолка наибольшая, поэтому расчетная высота помещения будет:
Н = h*λ = 3*1,4 = 4,2м (23)
6). Лампы освещения можно размещать вдоль или поперек торгового зала. Количество осветительных приборов будет привязано к габаритам помещения. Количество источников в ряду осветительных приборов с учетом приведенной высоты торгового зала будет равно:
h = ℓ(Н+1) = 48(4,2+1) = 9,2 ~ 10 источников в ряду
При рядном размещении осветительных приборов световые потоки от ламп накладываются друг на друга. И это наложение может быть во взаимно перпендикулярных плоскостях. Поэтому необходимо ввести коэффициенты наложения светового потока:
Z – в поперечном направлении = 1,15
К – в продольном направлении = 1,5
Тогда световой поток ряда ламп будет равен:
Ф = Емин*S*Z*K/n*η (24)
Ф = 75*1584*1,15*1,5/10*0,62 = 33053,2 люкс/м²
7). Одна лампа дневного света мощностью 40Вт генерирует световой поток в 2700 люменов. Тогда количество рядов будет равно:
n1 = Ф/2700 (25)
n1 = 33053.2/2700 = 12,3 ~ 13 рядов
8). Потребное количество ламп при условии, что в одном осветительном приборе одна лампа, будет равно:
Nламп = n*n1 (26)
Nламп = 10*13 = 130 ламп
9). Осветительные приборы располагаются следующим образом: минимальное расстояние от стены в ряду должно находиться в пределах 1,2 – 1,5м. а расстояние от стены до прибора по боковой поверхности – 0,4-0,5м. все остальное пространство заполняется осветительными приборами.
2.4 Расчет отопления торгового зала гипермаркета
1). Для рассчета необходимого отопления торгового зала универмага нужно определить общее количество тепла, которое складывается из теплот, теряемых через воздухообмен с окружающей средой, по следующей зависимости:
Q = Qв + Qог.р + Qпот, где (27)
Q – общее количество теплоты, необходимое для помещения;
Qв – количество теплоты, уносимое потоком воздуха при вентиляции;
Qогр – количество теплоты, теряемое через стены, пол, потолок, окна;
Qпот – количество теплоты, выносимое через открываемые двери, неплотности.
Количество теплоты, уносимое потоком воздуха при вентиляции, рассчитывается по следующей формуле:
Qв = V∙ρвозд ∙ с ∙(tв-tн), где (28)
V – рассчитанный воздухообмен;
ρвозд – плотность воздуха;
с – теплоемкость воздуха;
tв; tн – соответственно температура воздуха внутри помещения и снаружи.
Qв =287*2,79*1(20-(-25)) = 36032,85 кДж/ч
2). Тепловые потери через ограждающие конструкции:
Qогр = ΣК ∙ F ∙(tв-tн) = [kстены (h*ℓ)*2 + kстены (h*b)*2 + kпот (b*ℓ)] (tв-tн), где (29)
К – коэффициент теплопередачи;
F – площадь внутренних и наружных стен и потолка.
Qогр = [0,8*(3*48)*2+0,8(3*33)*2+0,72(33*48)](20-(-25)) = 68817,6 кДж/ч
3). Количество тепла, которое теряется через зазоры оконных уплотнений, входные группы и другие источники потерь тепла, примем в процентном отношении от величины потерь через ограждающие конструкции, равное 10%.
Qпот = 10% от Qогр = 0,1*68817,6 = 6881,76 кДж/ч (30)
4). Суммарное количество тепла, которое необходимо для отопления торгового зала:
Q = 36032,85+68817,6+6881,76 = 111732,21 кДж/ч
5). Зная общее количество требуемого тепла, необходимо рассчитать количество отопительных приборов:
n = Q/q, где (31)
n – необходимое количество приборов;
Q – рассчитанное количество теплоты;
q – потребляемая энергия одного прибора; теплоотдача одного отопительного прибора.
Для того, чтобы перейти от кДж к Вт, необходимо использовать коэффициент пересчета К=3,6
Вт = кДж/3,6 = 111732,21/3,6 = 31036 Вт ~ 32 кВт
Таким образом, для отопления торгового зала гипермаркета можно взять одну установку типа ВУ-40-01, мощностью 40 кВт, которая будет отапливать все помещение.
2.5 Подбор и размещение торгового оборудования в торговом зале
Расчетная площадь проектируемого торгового предприятия составила 2304м², площадь торгового зала – 1584м². Высота зала – 4м.
Так как в проектируемом торговом предприятии торговля ведется, в основном, продуктами питания, то и оборудование будет соответствующее – пристенные и островные горки, морозильные лари различных комплектаций. На долю непродовольственных товаров отводится небольшая площадь, в качестве оборудования для размещения товаров используются также горки различных видов.
Таблица 2 – Торговое оборудование проектируемого гипермаркета.
| Вид торгового оборудования | Внешний вид | Характеристика |
| Проход-флажок | Высота калитки 910 мм; на пластиковой вставке с одной стороны изображена стрелка, с другой стороны - знак запрета прохода. Размеры 755x910. | |
| Кассовое место | Стандартная комплектация: сваренный каркас, оцинкованные опоры с полимерным покрытием, усиленные алюминиевые балки, защитный бампер серого цвета,нижний пылезащитный плинтус из серого пластика, место для ног продавца. Рабочий стол длиной 350мм. Стол для кассы постформинга серого цвета. Размер: 1600x1170x820 мм | |
| Кассовый аппарат ForPOSt 7009 | Технические характеристики Процессор VIA C3 1000 MHz Оперативная память 128 Мб Жесткий диск 20 ГбСетевая карта 3COM Fast EthernetФизические характеристикиЦвет Светло-серыйМасса 7.5Электрические характеристикиЧастота переменного тока 50 +- 5 ГцНапряжение 220 В | |
| Горки пристенные Violla-big и Нарочь 180 ВС | | Площадь размещения продуктов – 3,35 м² Температурный диапазон - +4….+8 Потребляемая мощность – не более 1,6 кВт Габаритные размеры, мм: 1550*1000*2055 |
| | Нарочь 180 ВС | |
| Горки островные | | Площадь экспозиции , м2: 0,85 Полезный объем , м3 (без учета товарного запасника): 0,35 Мощность, Вт: 390 Холодопроизводительность , Вт: 616 Температурный режим ( при температуре окружающей среды +12...+25 градусов и влажности 60 %): -18 градусов Габаритные размеры, мм: 1250*1100*1600 |
| Морозильные лари | | Морозильный ларь с прямым стеклом Объём - 611 литров Диапазон температур: -18...-25 Габариты (ДхШхВ) (мм): 1704х654х916 Цвет – белый |
| | Климаткласс 4 Напряжение: 220 – 240 В | |
| Шкафчики для хранения личных вещей покупателей | | Габаритные размеры, мм: 1860*900*500 |
| Островные горки для непродовольственных товаров | | Габаритные размеры, мм: 2000*1464*2200 |
| Терминал для оплаты | | Габаритные размеры, мм: 500*350*1300 |
Также в качестве оборудования торгового зала используются сборные секционные стеллажи. Ширина такого стеллажа 1м, высота – 5м, длина одной секции – 2м. Общая длина стеллажа может достигать 10м.
3.ВЫВОДЫ И ЗАКЛЮЧЕНИЯ
Проектируемый гипермаркет работает 13 часов в сутки, с 9:00 до 22:00. Режим работы односменный; количество рассчетно-кассовых узлов составило 14 шт. короба для вентиляции расположены по двум сторонам торгового зала, по двум другим сторонам проходит отопление, которое обеспечивается с помощью установки ВУ-40-01, мощностью 40 кВт. Также в зале располагается 13 рядов светильников дневного света, с 10 светильниками в каждом ряду.
Площадь проектируемого предприятия 2500 м², расчетная площадь составила 1304м². площадь торгового зала – 1584 м². на предприятии используется схема торговли №1 – с хранением товара в подсобных помещениях.
Перечь технологий в строительном производстве велик, они постоянно обновляются, прогрессируют, развиваются. Основные направления дальнейшего совершенствования строительных технологий связаны с решением задач ресурсосбережения, повышения уровня гибкости технологий, их безопасности, качества, снижения нагрузки на окружающую природную и социальную среду.
Возрастающие объемы общестроительных работ требуют нового притока высококвалифицированных специалистов: каменщиков и печников, монтажников по монтажу стальных и железобетонных конструкций, бетонщиков, арматурщиков и многих других.
Список используемых источников
1. Веселов В.А. Проектирование оснований и фундаментов: (Основы теории и примеры задач): Учеб. пособие для ВУЗов – 3-е изд. перераб. и доп. – М.: Стройиздат 1990 – 304с, ил.
2. Дашков Л.П. и др. Организация, технология и проектирование торговых предприятий.: Учебник для студентов ВУЗов. – 5-е изд., перераб. и доп. – М.: Издательско-торговая корпорация «Дашков и ко», 2004. – 520с.
3. Комаров А.Г.Строительные материалы и изделия: Учеб. для инж-экон. спец. строит. ВУЗов – 5-е изд., перераб. и доп. – М.: Высш. школа., 1988 – 527., ил
4. Лахтин Ю. М., Леонтьев В.П. Материаловедение: Учебник для высших технических заведений. – 3-е изд., перераб и доп. – М.: Машиностроение, 1990. – 528с, ил.
5. Микульчкий В.Г. и др. Строительные материалы (Материаловедение строй. мат.): Учеб издание – М.: Издательство ассоциации строительных ВУЗов, 2004 – 536с.
6. Рыбьев И.А. Строительное материаловедение.: Учеб. пособие для строит. спец. ВУЗов. - 2-е изд., испр. – М.: Высш. шк., 2004. – 701с, ил.
7. Терентьев О.М. Технология возведения зданий и сооружений. – Ростов н/Д: Феникс, 2006. – 573с, ил.
8. Цытович Н.А. Механика грунтов (краткий курс): Учебник для строит. ВУЗов. – 4-е изд, перераб. и доп. – М.: Высш. шк., 1983. – 288с.,ил.
9. Чичерин И.И. Общестроительные работы: Учеб. для проф. образования – 2-е изд., испр. – М.: Изд. центр «Академия», 2004 – 416с.
10. Яковлев Р.Н. Новые методы строительства» - ООО «Аделант», 2003 – 480с.
11. htt:/www.know-house.ru
12. htt:/www.pos-shop.ru
1>1>1>1>
















