144624 (620662)
Текст из файла
Содержание
Задание
-
Компоновка балочной клетки
-
Расчет несущего настила
-
Расчет балок настила
-
Расчет и конструирование главных балок
-
Расчет и конструирование центрально-сжатой колонны
Литература
-
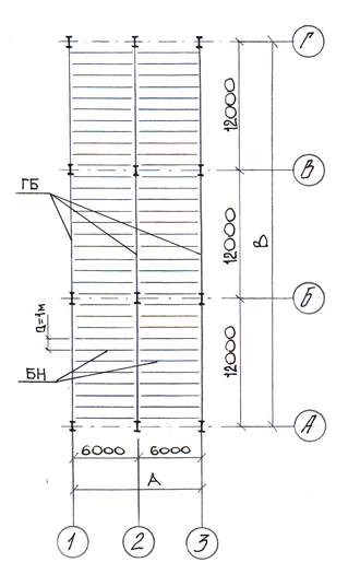
Компоновка балочной клетки
Главные балки располагаются вдоль больших расстояний. Пролет главных балок обычно составляет
. Шаг главных балок
. Шаг балок настила
зависти от типа настила. При стальном плоском настиле принимается
.
2. Расчёт несущего настила
Для стального плоского настила применяют листы толщиной 6-14 мм из стали С245.
Настил рассчитывается в следующем порядке:
- устанавливается относительный прогиб полосы от нормативной нагрузки
- определяют отношение пролёта настила к его толщине
,
где
- коэффициент Пуассона для стали;
–модуль упругости прокатной стали;
где
- нормативная равномерно распределённая нагрузка на настил;
-нормативная временная нагрузка;
- нормативная постоянная нагрузка;
расчётный пролёт настила, см,
толщина листа настила, см.
Толщина листа настила назначается в зависимости от нормативной временной нагрузки
.
рекомендуемая толщина настила
.
Зная толщину настила
и отношение расчётного пролета к толщине полосы настила
, можно вычислить пролёт
настила:
а затем шаг a балок настила
и кол-во балок настила.
, принимаем, а=1м.
Растягивающую силу Н, на действие которой надо проверить сварные швы, прикрепляющие настил, можно определить по приближённой формуле:
где
– коэффициент надёжности по нагрузке.
Расчётное значение катета углового шва, прикрепляющего настил к балкам:
где
- минимальное значение произведений;
расчет по металлу шва;
расчет по металлу границы сплавления;
,
-для полуавтоматической сварки;
и
- коэффициенты условий работы сварного соединения с угловыми швами по металлу шва и по металлу границы сплавления соответственно;
и
- расчётное сопротивление угловых сварных швов условному срезу по металлу шва и по металлу границы сплавления соответственно;
коэффициент условий работы.
Прочность одного из расчетных сечений будет меньше прочности другого, поэтому достаточно выполнить расчет по менее прочному сечению. Установить расчетное сечение можно путем сравнения значений
и
:
Так как
<
, то расчетным является сечение по металлу шва.
,
принимаем
3. Расчёт балок настила
В качестве балок настила и вспомогательных балок применяются двутавры ГОСТ 8239-89, двутавры с параллельными гранями полок (тип Б и Ш) по ГОСТ 26020-83 или швеллеры по ГОСТ 8240-93 из стали С235-С345 по ГОСТ 27772-88. Принимаем С245
Сечение балок настила подбирается на основе данных статического расчёта, в результате которого определяются расчетные изгибающие моменты и расчетные поперечные силы в характерных сечениях. Расчет балок производится по двум группам предельных состояний и сводится к определению необходимого номера профиля по сортаменту и проверке его на прочность, жёсткость и устойчивость.
Нормативная погонная нагрузка на балку настила:
Расчетная погонная нагрузка:
где
коэффициенты надежности по нагрузке.
Максимальное значение изгибающего момента:
Наибольшая поперечная сила на опоре:
где
- пролет балки настила, м.
Номер прокатного профиля определяется по требуемому моменту сопротивления:
где
коэффициент, учитывающий развитие пластических деформаций по сечению, для прокатных балок можно принять
;
расчетное сопротивление стали по пределу текучести.
С учетом требуемого момента сопротивления
, по сортаменту
подбирается сечение с ближайшим значением
.
По сортаменту устанавливаются геометрические характеристики сечения балки.
Принимаем двутавр №35Б1 стальной горячекатаный с параллельными гранями полок по ГОСТ 26020-83:
;
;
;
;
;
Проверка прочности от действия касательных напряжений в опорном сечении балки:
,
- условие выполняется.
Проверка местной устойчивости поясов и стенки прокатных балок не требуется, поскольку она обеспечивается их толщинами.
Прогибы не должны превышать предельных значений, установленных нормами проектирования:
- предельный относительный прогиб балок
условие выполняется.
4. Расчет и конструирование главных балок
Нагрузка на главную балку передается от балок настила. Для главной балки ширина грузовой площади равна шагу главных балок.
Нагрузку на главную балку в балочной клетке нормального типа можно считать равномерно распределенной, в связи с частым расположением балок настила.
Нормативная и расчетная нагрузка на главную балку:
где
- шаг главных балок, м;
1,02-коэффициент, учитывающий собственный вес главной балки (по опыту проектирования примерно1-2% нагрузки, приходящейся на балку).
Расчетный изгибающий момент в середине пролета:
Поперечная сила на опоре:
Требуемый момент сопротивления сечения балки:
Для балок высотой 1-2м значение толщины стенки можно определить по эмпирической формуле:
где
Оптимальная высота главной балки из условия наименьшего расхода материала:
где k- коэффициент, зависящий от конструктивного оформления (для сварных балок
).
Наименьшая допустимая высота балки определяется из условия жесткости:
где
предельное отношение прогиба балок к пролету, регламентируется нормами в зависимости от назначения балки.
Окончательно высота балки назначается с учетом следующих требований:
принимаем h=120см
Высоту составной балки рационально принимать кратно 100 мм, если для стенки не использовалась универсальная сталь. При выборе высоты балки возможны отступления от
, что приводит к изменению массы балки на 3-5 %.
Для определения наименьшей толщины стенки из условия работы на срез для балок оптимального сечения с
можно воспользоваться формулой:
где
Из условия обеспечения местной устойчивости стенки балки без дополнительного укрепления ее продольными ребрами жесткости необходимо, чтобы выполнялось условие:
Толщина стенки должна быть согласована с имеющимися толщинами проката листовой стали. Принимаем
.
В сварных балках пояса рационально принимать из листов универсальной стали. Размеры горизонтальных поясных листов находят исходя из необходимой несущей способности балки.
Требуемая площадь сечения пояса балки, исходя из условия прочности, может быть определена по приближенной формуле:
Толщина
горизонтального поясного листа принимается с учетом
следующих условий:
принимаем
Ширина поясных листов принимается из условия обеспечения общей устойчивости в пределах:
По конструктивным соображениям:
Окончательно принимаем
Уточняется коэффициент
и выполняется проверка прочности по нормальным напряжениям.
=1,07.
Характеристики принятого сечения:
где
Наибольшее нормальное напряжение в балке:
Недонапряжение:
-условие выполняется.
Прогиб составных балок можно не проверять, если принятая высота балки больше минимальной.
С целью экономии стали рационально предусмотреть изменение сечения балки, например за счет изменения ширины пояса. При равномерно
распределенной нагрузке наиболее выгодное по расходу стали место изменения сечения однопролетной сварной балки находится на расстоянии
от опоры. Место изменения сечения не должно совпадать с местом установки балок настила.
По моменту
в указанном сечении определяется необходимый момент сопротивления
измененного сечения балки, исходя из прочности сварного стыкового шва, работающего на растяжение:
,
где
- расчетное сопротивление металла стыковых сварных соединений растяжению, сжатию, изгибу по пределу текучести.
Определяем требуемый момент инерции уменьшенного сечения поясов:
Требуемая площадь уменьшенного сечения пояса балки:
Отсюда
, при этом ширина поясов должна отвечать следующим условиям:
Принимаем уменьшенное сечение пояса:
- условие выполняется.
Определяем геометрические характеристики уменьшенного сечения балки:
Проверяем максимальное касательное напряжение в стенке на опоре балки:
,
- условие выполняется,
где
- статический момент полусечения балки.
Проверка совместного действия нормальных и касательных напряжений (приведенных напряжений) производится в месте изменения сечения на уровне поясных швов:
-условие выполняется,
где
При воздействии на верхний пояс балки сосредоточенной нагрузки
необходима проверка местных напряжений в сечениях, не укрепленных поперечными ребрами жесткости:
;
где F=180кН - опорная реакция двух балок настила;
условная длина распределения нагрузки;
-ширина пояса балки настила.
Приведенные напряжения, в этом случае, проверяются с учетом местных напряжений:
-условие выполняется
Общая устойчивость составных балок:
Устойчивость балок не требуется проверять, если выполняются условия:
а) при передаче нагрузки через сплошной жесткий настил, непрерывно опирающийся на сжатый пояс балки и надежно связанный с ним;
б) при выполнении условия
Проверка в середине балки, где материал работает в упруго-пластической стадии
где
расчетная длина балки (
или
);
где
условие выполняется
Проверка в месте уменьшенного сечения балки, где материал работает в упругой стадии:
где
,
условие выполняется
Значит, общую устойчивость балки проверять не требуется.
Местная устойчивость сжатого пояса:
а) в пределах упругих деформаций
условие выполняется
б) с учетом развития пластических деформаций при
условие выполняется
Устойчивость стенки балки обеспечивается за счет укрепления ее ребрами жесткости. В балках, несущих статическую нагрузку, поперечные ребра жесткости привариваются к поясам. При этом торцы ребер должны иметь скосы размером
или
для снижения концентрации сварочных напряжений и пропуска поясных швов.
Размеры поперечных ребер жесткости:
и
, принимаем
.
, принимаем
Ребра жесткости рекомендуется устанавливать с шагом
. Меньшие значения а назначаются в приопорных зонах балки. В местах приложения сосредоточенных грузов в зоне развития упругопластических деформаций поперечные ребра жесткости устанавливаются под каждым грузом.
Длина участка, на котором развиваются упругопластические деформации, подсчитывается по формуле:
Т.к.
необходимо проверить местную устойчивость стенки балки.
Проверка местной устойчивости производится в каждом отсеке, на которые ребра жесткости разделяют стенку балки. Напряжения подсчитываются по средним значениям М и Q в пределах коротких отсеков (
) или в пределах наиболее напряженного участка отсека длиной равной
(
).Если в пределах расчетного участка M или Q меняют знак, то их средние значения вычисляются на участке отсека с одним знаком.
Крайний отсек.
Определяем действующие напряжения:
Проверка устойчивости стенки балки выполняется по формуле:
где
отношение большей стороны пластинки (отсека) к меньшей;
d - меньшая сторона пластинки.
г
де
- коэффициент, принимаемый для сварных балок в зависимости от значения коэффициента
:
где
;
,
условие выполняется.
Второй отсек.
Определяем действующие напряжения:
Проверка устойчивости стенки балки выполняется по формуле:
где
отношение большей стороны пластинки (отсека) к меньшей;
d - меньшая сторона пластинки.
где
- коэффициент, принимаемый для сварных балок в зависимости от значения коэффициента
:
где
;
условие выполняется.
Третий отсек.
Определяем действующие напряжения:
Проверка устойчивости стенки балки выполняется по формуле:
где
отношение большей стороны пластинки (отсека) к меньшей;
d - меньшая сторона пластинки.
где
- коэффициент, принимаемый для сварных балок в зависимости от значения отношения
;
где
;
условие выполняется.
Расчет на устойчивость стенок балок симметричного сечения с учетом развития пластических деформаций при
,
,
,
;
где
– расчетные значения усилий в рассматриваемом сечении
-условие выполняется
Соединение поясов со стенкой в сварных балках осуществляют непрерывными угловыми швами.
Требуемый катет швов, соединяющих пояса балки со стенкой подсчитывается по формуле:
где
- минимальное значение произведений;
расчет по металлу шва;
расчет по металлу границы сплавления;
,
-для полуавтоматической сварки;
и
- коэффициенты условий работы сварного соединения с угловыми швами по металлу шва и по металлу границы сплавления соответственно;
и
- расчётное сопротивление угловых сварных швов условному срезу по металлу шва и по металлу границы сплавления соответственно;
коэффициент условий работы;
при двусторонних швах;
- расчетная поперечная сила в рассматриваемом сечении (под первой от опоры балкой настила).
,
принимаем
В стыках составных балок на высокопрочных болтах пояса балки перекрывают тремя накладками, а стенку - двумя вертикальными накладками.
Определяем несущую способность одного высокопрочного болта (диаметром задаются предварительно).
Стык осуществляется на высокопрочных болтах
из стали 30Х3МФ ;
где
;
наименьшее временное сопротивление болта разрыву;
-коэффициент трения;
-коэффициент надежности;
-коэффициент условий работы соединения, при количестве болтов
площадь сечения болта нетто;
Стык поясов.
Определяем усилие в поясе:
где
момент инерции двух поясов балки.
Рассчитываем количество болтов для прикрепления накладок:
Принимаем 10 болтов.
Диаметр отверстий
.
Толщина накладок
принимается на
меньше чем толщина пояса
:
.
Определяем общую площадь поясных накладок:
Проверяем ослабление сечения поясов балки:
-требуется проверка ослабленных сечений(по условной площади):
;
Расстановка болтов соответствует констр-ым требованиям.
где n-количество отверстий, которые влияют на ослабление сечения.
Проверяем ослабление накладок в середине стыка:
- количество накладок;
принимаем накладки толщиной 22мм.
Стык стенки.
Определяем момент, приходящийся на стенку:
Расстояние между крайними по высоте рядами болтов:
,
где
максимальное расстояние от центра болта до края элемента.
Находим коэффициент стыка:
По таблице определяем четное количество горизонтальных рядов болтов: k=10 с шагом а=100мм.
Уточняем значение
:
Определяем максимальное горизонтальное усилие от изгибаемого момента, действующего на каждый крайний, наиболее нагруженный болт:
где
т-число вертикальных рядов на полунакладке
условие выполняется.
Толщина накладки принимается на
меньше, чем толщина стенки
, но не менее
. Принимаем накладки толщиной 8 мм.
Расчет опорного ребра.
Размер опорных ребер определяется из расчета на смятие:
где
расчетное сопротивление стали смятию.
Ширина опорных ребер должна быть не менее 90мм, а торцевых диафрагм – не менее 180мм.
Принимаем торцевую диафрагму с
Проверка местной устойчивости торцевой диафрагмы:
условие выполняется.
Проверка условной стойки.
Условная площадь:
где
- часть стенки, включающаяся в совместную работу с диафрагмой.
Момент инерции условной стойки относительно оси стенки:
Радиус инерции:
Проверяем условную стойку на устойчивость из плоскости стенки:
-условие выполняется,
где
коэффициент продольного изгиба стойки, определенный исходя из гибкости
.
Рассчитываем прикрепление диафрагмы к стенке балки.
Зададимся катетом шва
принимаем
расчет по металлу шва;
расчет по металлу границы сплавления;
,
-для полуавтоматической сварки;
и
- коэффициенты условий работы сварного соединения с угловыми швами по металлу шва и по металлу границы сплавления соответственно;
и
- расчётное сопротивление угловых сварных швов условному срезу по металлу шва и по металлу границы сплавления соответственно;
коэффициент условий работы;
Проверяем прочность сварных швов:
где
,
, принимаем
- условие выполняется.
Диафрагма приваривается к стенке балки по всей высоте сплошными швами.
-
Расчет и конструирование центрально-сжатой колонны
Принимаем сплошную колонну.(т.к. N>1500кН)
Требуемая площадь сечения сплошной колонны определяется из условия обеспечения ее общей устойчивости:
где
коэффициент продольного изгиба, предварительно принимаемый в пределах
.
Находим соответствующую гибкость
и определяем требуемые радиусы инерции сечения:
;
где
;
.
Определяем генеральные размеры сечения колонны:
;
; принимаем
,
.
В сварном двутавре толщина стенки принимается в пределах
, а толщину поясов в пределах
.
Приближенно для двутаврового сечения можно принять:
и
Компоновка сечения поясов и стенки должна выполняться с учетом обеспечения их местной устойчивости:
- для поясов колонн двутаврового сечения
;
где
условие выполняется.
- для стенок центрально-сжатой колонны двутаврового сечения:
где
;
- условие выполняется.
Геометрические характеристики сечения:
;
и
Отсюда
, т.к.
сущ. отлич. от
то:
Проверка на устойчивость:
,
условие выполняется
Недонапряжение составляет
Расчет оголовка колонны.
Оголовок колонны, при опирании балок с торцевой диафрагмой, проектируется следующим образом. Горизонтальные швы, прикрепляющие ребро оголовка должны выдерживать полное давление на оголовок, но при большом значении
торец колонны рекомендуется фрезеровать и эти участки швов назначать конструктивно. Высота ребра оголовка определяется исходя из требуемой длины швов, передающих нагрузку на стержень колонны.
Принимаем
Толщина ребра оголовка определяется из условия сопротивления смятию под полным опорным давлением:
, где
.
- ширина торцевой диафрагмы главной балки;
- толщина плиты оголовка;
- толщина стенки колонны в пределах высоты оголовка.
, принимаем
.
Проверяем ребро на срез:
условие выполняется.
Также проверяется на срез стенка колонны в месте прикрепления к ней ребер:
условие не выполняется, значит, следует в пределах высоты оголовка увеличить толщину стенки колонны.
условие выполняется
Расчет базы колонны.
Требуемая площадь опорной плиты:
где
- расчетное сопротивление смятию бетона фундамента;
расчетное сопротивление бетона осевому сжатию.
Принимаем
, тогда
, принимаем
.
где
площадь верхнего обреза фундамента.
Среднее напряжение в бетоне под опорной плитой:
,
.
Опорная плита может быть разделена на различные участки в зависимости от опирания. Для определения толщины плиты вычисляем изгибающие моменты на различных участках.
Участок 1, опертый на четыре стороны.
Участок 2, опертый на три стороны.
участок рассчитывается как консольный
Участок 3, консольный.
Толщина плиты определяется исходя из условия ее работы на изгиб:
, принимаем плиту толщиной
.
Принимаем толщину траверсы
.
Усилие от стержня колонны передается на траверсу через сварные швы, длина которых и определяет высоту траверсы:
где
.
Принимаем высоту траверсы
.
Список литературы
-
Металлические конструкции: Учебник для вузов/Под. ред. Е.И. Беленя. – 6-е изд., М., Стройиздат, 1986-560с.
-
Металлические конструкции. В3т.Т.1. Элементы стальных конструкций: Учебное пособие для строит. вузов/В.В.Горев и др.: Под ред. В.В. Горева – М.: Высш. шк., 2001. – 551с.: ил.
-
СНиП 2.01.07-85. Нагрузки и воздействия. М., ЦИТП Госстроя СССР, 1989.-36с.
-
СНиП II-23-81*. Стальные конструкции. М., ЦИТП Госстроя СССР, 1991.-94с.
-
Методические указания по курсу «Металлические конструкции» для студентов очной и заочной форм обучения специальностей 290300 и 291500 / Составитель: Столбов А.В. Набережные Челны: КамГПИ, 2003.-128с.
Характеристики
Тип файла документ
Документы такого типа открываются такими программами, как Microsoft Office Word на компьютерах Windows, Apple Pages на компьютерах Mac, Open Office - бесплатная альтернатива на различных платформах, в том числе Linux. Наиболее простым и современным решением будут Google документы, так как открываются онлайн без скачивания прямо в браузере на любой платформе. Существуют российские качественные аналоги, например от Яндекса.
Будьте внимательны на мобильных устройствах, так как там используются упрощённый функционал даже в официальном приложении от Microsoft, поэтому для просмотра скачивайте PDF-версию. А если нужно редактировать файл, то используйте оригинальный файл.
Файлы такого типа обычно разбиты на страницы, а текст может быть форматированным (жирный, курсив, выбор шрифта, таблицы и т.п.), а также в него можно добавлять изображения. Формат идеально подходит для рефератов, докладов и РПЗ курсовых проектов, которые необходимо распечатать. Кстати перед печатью также сохраняйте файл в PDF, так как принтер может начудить со шрифтами.















