144620 (620658), страница 2
Текст из файла (страница 2)
b = 14,5 см – ширина полки балки настила I №36 из сортамента;
см – толщина полки главной балки;
см – толщина стенки главной балки.
Таким образом, прочность принятого уменьшенного сечения главной балки обеспечена.
4.5 Проверить общую устойчивость балки
Устойчивость балок проверять не требуется, если выполняются следующие условия:
– нагрузка передается через сплошной жесткий настил, непрерывно опирающийся на сжатый пояс балки и надежно с ним связанный, в частности, железобетонные плиты или стальной лист;
– при отношении расчетной длины балки
(расстояние между точками закрепления сжатого пояса от поперечных смещений) к ширине сжатого пояса “b” не более
(3.7)
Коэффициент
принимается равным 0,3 при учете пластических деформаций. При отсутствии пластических деформаций
. тогда;
>
.
Следовательно, устойчивость балки можно не проверять.
4.6 Проверка местной устойчивости сжатого пояса и стенки
Устойчивость сжатого пояса при отсутствии пластических деформаций обеспечивается выполнением условия:
, где
.
В рассмотренном примере устойчивость обеспечена.
Расставим ребра жесткости и проверим местную устойчивость стенки.
Рисунок 10 – Расстановка ребер жесткости. Расчетные усилия для проверки устойчивости стенки
Ребра жесткости принимаем односторонние шириной
мм
и толщиной
мм.
В отсеке №1 стенка работает в упругой стадии и проверка устойчивости выполняется по формуле
Расчетные усилия принимаем приближенно по сечению
м,
м,
,
под балками настила.
кН·м;
кН;
кН/см2;
кН/см2; (по 3.6)
кН/см2;
;
Предельное значение
находим критические напряжения
и
кН/см2;
кН/см22250
кН/см2
Проверяем устойчивость стенки отсека № 1 по формуле (3.14):
Устойчивость стенки обеспечена.
В отсеке № 2 расположено место изменения сечения, поэтому эпюра х имеет скачок. Средние напряжения в пределах наиболее напряженного участка отсека (расчётного) длиной
мм можно найти, разделив площадь эпюры x на длину участка
. Однако в настоящем примере приближённо примем средние напряжения для проверки устойчивости по сечению x=3,5 м, учитывая, что уменьшенное сечение находится близко к краю отсека и мало влияет на устойчивость стенки.
кНм;
кН;
кН/см2;
кН/см2;
кН/см2;
;
Находим критические напряжения
кН/см2;
кН/см2;
кН/см2.
Проверяем устойчивость стенки отсека № 2:
Устойчивость стенки обеспечена.
Проверяем устойчивость стенки отсека № 3
кНм;
кН;
кН/см2;
кН/см2;
кН/см2;
;
Находим критические напряжения
кН/см2;
кН/см2;
кН/см2.
Проверяем устойчивость стенки отсека № 3:
Устойчивость стенки обеспечена.
Проверяем устойчивость стенки отсека № 4
кНм;
кН;
кН/см2;
кН/см2;
кН/см2;
;
Находим критические напряжения
кН/см2;
кН/см2;
кН/см2.
Проверяем устойчивость стенки отсека № 4:
Устойчивость стенки обеспечена.
4.7 Расчет поясных швов главной балки
Поясные швы примем двусторонними, так как
. Расчет выполняем для наиболее нагруженного участка шва у опоры под балкой настила. Расчетные усилия на единицу длины шва составляют
кН/см;
кН/см.
1 –сечение по металлу шва;
2 –сечение по металлу границы сплавления
Рисунок 11 – К расчету поясных швов
Сварка автоматическая, выполняется в положении «в лодочку» сварочной проволокой Св-08Га. Для этих условий и стали С245 находим
кН/см2;
кН/см2;
.
Принимаем минимальный катет шва
мм. (см. табл. 6 прил. Б)
Проверяем прочность шва:
кН/см2 <
кН/см2;
по металлу границы сплавления
кН/см2 <
кН/см2;
Таким образом, минимально допустимый катет шва достаточен по прочности.
4.8 Конструирование и расчет опорной части балки
Рисунок 13 – Вариант опорной части балки
Ребро крепится к стенке полуавтоматической сваркой в углекислом газе сварочной проволокой Св-08Г2С. Размер выступающей части опорного ребра принимаем 20 мм. Из условия смятия находим
см2;
Ширину опорного ребра
принимаем равной ширине пояса уменьшенного сечения балки:
. Тогда:
см.
Принимаем ребро из листа 300×14 мм.
Площадь
см2 >
см2.
Проверяем устойчивость опорной части
см;
см4;
(моментом инерции участка стенки шириной
пренебрегаем ввиду малости)
см2;
По таблице 16 прил. Б находим путем интерполяции
кН/см2
Проверяем местную устойчивость опорного ребра
см;
Подбираем размер катета угловых швов по формуле:
Откуда
см = 7 мм, где
кН/см2;
кН/см2;
Проверку по металлу границы сплавления делать не нужно, так как
. Принимаем
мм.
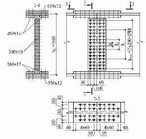
4.9 Конструирование и расчет укрупнительного стыка балки
Рисунок 14 – Схема монтажного стыка на высокопрочных болтах
Принимаем болты диаметром 20 мм из стали 40Х «Селект», отверстия диаметром 23 мм. Тогда
кН/см2, Abn = 2,45 см2. Способ подготовки поверхности - газопламенный без консервации, способ регулирования натяжения - по углу поворота гайки. Для этих условий коэффициент трения μ = 0,42, регулятор натяжения h =1,02. Тогдаращетное усилие на один болт
Qbh=
= 0,71102,450,42/1,02 = 77,7 кН.
Стык поясов перекрываем накладками из стали С245 сечением 550×12 с наружной и 2×260×12 с внутренней стороны поясов. При этом суммарная площадь сечения накладок
см2, что несколько больше площади сечения поясов.
Усилие в поясах
кН.
Требуемое количество болтов в стыке поясов
Принимаем 18 болтов. Ставим их, как показано на рис. 14, в соответствии с требованиями
Стык стенки перекрываем парными накладками из листа t =10 мм. Болты ставим в двух вертикальных рядах с каждой стороны стыка на расстоянии в ряду a=100 мм (максимально допустимое расстояние
мм. Число болтов в ряду 16 шт.
мм. Момент, приходящийся на стенку, равен
кНм;
Проверяем прочность болтового соединения на сдвиг
кН.
5. Расчет и конструирование колонны
5.1 Подбор сечения сплошной колоны балочной площадки
В соответствии с заданием принимаем сплошное сечение колонны. Принимаем шарнирное закрепление концов колонны (коэффициент μ=1). Материал - сталь класса С235, лист t = 4÷20 мм. Ry= 23 кН/см2.
Геометрическая длина колонны равна отметке верха настила (из задания) за вычетом толщины настила tн, высоты балки настила и главной балки hг.б., с учетом выступающей части опорного ребра 2см, заглубления колонны ниже отметки чистого пола на 0,6 м. с учетом μ=1 составляет
м.
Усилие в колонне
кН.
Рисунок 17 – К определению расчетной длины колонны
Определяем ориентировочную требуемую площадь сечения по формуле (4.1) при
с = 1
см2
Проектируя колонну с гибкостью, равной примерно =60 , найдём наименьшие размеры h и bf
см
см
Поскольку ширину колонны bf не рекомендуется принимать больше высоты h, а толщину стенки принимают обычно
мм и толщину поясов
, то компонуем сечение колонны с
см.
Принимаем: пояса – 2 листа 420×15 мм, площадью 2Af=2×42×1,5=126,0 см2 , стенка – 1 лист 460×10 мм, площадью Aw=4,6×1.0=46.0см2, рис. 18 Площадь сечения колонны
см2.
Рисунок 18 – Сечение сплошной колонны
Находим геометрические характеристики принятого сечения:
см4;
см;
см.
Гибкость колонны в обоих направлениях будет соответственно равна:
По большей из гибкостей находим коэффициент продольного изгиба
(табл. П.Б.16) и проверяем устойчивость стержня колонны
кН/см2
Недонапряжение составляет
< 5%
Местная устойчивость стенки стержня колонны обеспечена. Таким образом, подобранное сечение удовлетворяет требованиям общей и местной устойчивости и может быть выполнено с помощью автоматической сварки.
Поперечные ребра не требуются т.к.
5.2 Конструкция и расчет оголовка колонны
Принимаем плиту оголовка толщиной tпл= 25 мм и размерами 530x420 мм. Давление главных балок передается колонне через ребро, приваренное к стенке колонны четырьмя угловыми швами Д. Сварка полуавтоматическая, в углекислом газе, проволокой Св-08Г2С,
кН/см2,
кН/см2, βf=0,7 βz=1,0.
Принимаем ширину ребер 200 мм, что обеспечивает необходимую длину участка смятия
мм. Толщину ребер находим из условия смятия
см=25 мм.
Рисунок 21 – Оголовок колонны
Принимаем tp = 25 мм. Длину ребра lр находим из расчета на срез швов Д его прикрепления. Примем kf =10 мм. Тогда
см.
Принимаем lp=51 см. При этом условие
см выполнено. Шов Е принимаем таким же, как и шов Д. Проверяем стенку на срез вдоль ребра
кН/см2>Rs=13,3 кН/см2.
Необходимо устройство вставки верхней части стенки. Принимаем ее толщину tвст=25 мм, а длину
мм.
кН/см2
Торец колонны фрезеруем после ее сварки, поэтому швы Г можно не рассчитывать По табл. 6 прил. Б принимаем конструктивно минимально допустимый катет шва kf = 7 мм. Стенку колонны у конца ребра укрепляем поперечными ребрами, сечение которых принимаем 100x8 мм.
5.3 Конструкция и расчет базы колонны
Рисунок 22 – База колонны
Определяем требуемую площадь плиты из условия смятия бетона
,
где
. Значение коэффициента зависит от отношения площадей фундамента и плиты. ( принимать =1,2.) Для бетона класса В15 Rпр = 0,7 кН/см2. – расчетное сопротивление бетона на смятие Rсм.б=Rпр=1,2 0,7=0,84 кН/см2
см2.
Принимаем плиту размером 650×560 мм. Тогда
см2
кН/см2
Рисунок 24 – Схема участка плиты 2 Рисунок 25 – Схема участка плиты 3
Находим изгибающие моменты на единицу длины d = 1 см на разных участках плиты.
Участок 1 рассчитываем как балочную плиту, так как отношение сторон b/a=460/203 = 2,26 > 2
кНсм/см.
Участок 2 (консольный) рис 24:
кНсм/см.
Участок 3 работает так же, как консольный, так как отношение сторон 420/80=5,25>2. Свес консоли на 20 мм больше, чем на участке 2 для размещения анкерных болтов.
кНсм/см
Толщину плиты подбираем по наибольшему моменту M1, M2, M3 из условия
.
Момент сопротивления полоски плиты шириной d=1 см равен
,
откуда, учитывая, что дли стали C235 при
мм
кН/см2,
см = 32 мм.
Принимаем tпл = 35 мм.
Прикрепление траверсы к колонне выполняем полуавтоматической сваркой в углекислом газе сварочной проволокой Св-08Г2С. Соответствующие характеристики:
кН/см2,
кН/см2, f=0,7, z=1,0.
Расчет выполняем по металлу шва, так как
(3,2<4,08) Учитывая условие
находим требуемую величину катета шва kf из условия
см = 9,2 мм.
Принимаем kf = 10 мм. При этом требуемая длина шва составит
мм., поэтому высоту траверс принимаем 600 мм.
Крепление траверсы Кf=8мм принимаем конструктивно, так как применен фрезеровочный торец колоны.
6. Список рекомендуемой литературы
1.Металлические конструкции /Под ред. Ю.И. Кудишин. Академия 2006. – 680 с.
2.Узлы балочных площадок: Метод. указ. / Моск. инж.-строит. ин-т им. В.В. Куйбышева. – М.: ШСИ, 1980. – Ч.1.
4>
















