144568 (620634), страница 2
Текст из файла (страница 2)
В ППР должны быть уточнены и детализированы:
• продолжительность, очередность и сроки строительства каждого отдельного здания и сооружения и выполнение каждого отдельного вида работ;
• структура специализированных, объектных и комплексных потоков;
• способы производства основных строительных и монтажных работ;
• потребность строительства или реконструкции объектов в материально-технических и трудовых ресурсах;
• строительные генеральные планы отдельных зданий и сооружений
применительно к основным этапам их возведения. Исходными материалами для составления проекта производства работ служат:
• задание на разработку, выдаваемое строительной организацией как заказчиком ППР;
• проект организации строительства;
• необходимая для разработки ППР рабочая документация (рабочие
чертежи и сметы);
. • условия поставки материально-технических ресурсов, обеспечение рабочими кадрами по основным профессиям;
• результаты материально-технического обследования действующих предприятий, зданий и сооружений при их реконструкции, а также требования к выполнению строительных, монтажных и специальных строительных работ в условиях действующего производства.
Порядок разработки ППР близок к порядку, присущему разработке ПОС, с тем отличием, что разработка ПОС осуществляется от общего к частному, а разработка ППР - от частного к общему.
Может быть рекомендован следующий порядок разработки проекта производства работ.
1. На основании рабочих чертежей, сведений о конкретных условиях строительства или реконструкции объекта определяются или уточняются объемы и способы производства работ.
2. На основании рабочих чертежей и сведений о мощности и механо-вооруженности бригад общий фронт работ (здание, сооружение) делится на частные (захватки, участки работ).
3. На основе производственных норм, сведений об объемах работ на каждом частном фронте и о бригадах, планируемых к производству работ, устанавливается последовательность, трудоемкость, продолжительность работ на каждом частном фронте (захватке, участке работ).
Разрабатываются технологические карты и (или) карты трудовых процессов на сложные работы и работы, выполняемые новыми способами, а на остальные работы - схемы организации работ с описанием последовательности и способов их производства с пересчетом потребности затрат труда, машин и механизмов.
4. В соответствии с принятой в ПОС структурой потоков производится сравнение и выбор наиболее целесообразного в конкретных условиях варианта организации работ.
При этом разработка организации работ осуществляется применительно к поточным методам: с непрерывным использованием ресурсов, с непрерывным освоением фронтов работ.
5. Составляются календарные планы производства работ по объекту или (при наложении связей) сетевые графики строительства или реконструкции объектов.
6. Уточняется потребность строительства во временных сооружениях и инженерных сетях и разрабатывается строительный генеральный план объекта применительно к разным этапам его возведения (нулевой цикл, возведение надземной части и др.).
7. Уточняются потребности, определяются сроки и составляются календарные графики обеспечения строительства необходимыми материально-техническими ресурсами (по номенклатуре, видам, маркам, типоразмерам).
При монтаже с транспортных средств составляются почасовые графики доставки к местам работ необходимых строительных конструкций, деталей, изделий и материалов.
8. Составляется пояснительная записка, содержащая необходимые обоснования принятых решений.
2. Календарный план работ
2.1 Подсчет объемов работ
| № п/п | Наименование работ | Формулы, эскизы | Ед. изм. | Кол-во | ||||||||
| Подготовительный период. | ||||||||||||
| 1 | Внутриплощадочные подготовительные работы. | Берётся 5% от затрат на общестроительные работы: 0,05*4485,25=210,94-дн | ч-дн | 210,94 | ||||||||
| Основной период. | ||||||||||||
| 2 | А. Подземная часть. I. Земляные работы. Срезка растительного слоя грунта бульдозером Д3-18. | Объём грунта: V= S – площадь срезаемо грунта; h – высота срезаемого грунта; h=0.2 м (толщина срезаемого слоя) S= V= | 1000м3 | 0,61 | ||||||||
| 3 | Предварительная грубая планировка площадки бульдозером марки ДЗ-18. | S= | 1000м2 | 3,05 | ||||||||
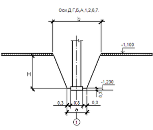
| 4 | Разработка траншеи экскаватором марки на дизельном ходу с ёмкостью ковша 1,25 м2. | Траншеи по осям Д,Г,Б,А,1,2,6,7. F= H= где 0,3-недобор грунта a= b= где m=0,25 при Н<1,5 м L= | ||||||||||
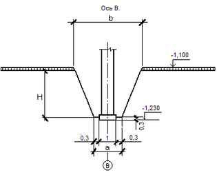
| Траншея по оси В. F= H= где 0,3-недобор грунта a= b= где m=0,25 при Н<1,5 м L= Траншеи по осям В,3,4,5,6. F= H= где 0,3-недобор грунта a= b= где m=0,25 при Н<1,5 м L= | ||||||||||||
| а) на транспорт б) в отвал | Т.к. объём разрабатываемого грунта меньше чем засыпки, то необходимо весь грунт укладывать в отвал. | 100м3 100м 3 | 0 1,27 | |||||||||
| 5 | Ручная доработка грунта | Объем доработки равен площади подошвы фундаментов умноженной на толщину доработки (0,3 м) где h - Высота подошвы фундамента. | м3 | 36,9 | ||||||||
| 6 | Обратная засыпка грунта а) механизировано | где = | 100м3 | 3,08 | ||||||||
| б) вручную | | м3 | 34,25 | |||||||||
| Основания и фундаменты. | ||||||||||||
| 7 | Укладка плит ленточных фундаментов массой: до 1.5т. | Рассчитываем по спецификации. | 100 шт. | 0,68 | ||||||||
| 8 | Укладка стеновых блоков массой: до 0,5 т. | | 100 шт. | 0,3 | ||||||||
| до 1 т. | | 100 шт. | 0,45 | |||||||||
| до 1,5т. | | 100 шт. | 1,29 | |||||||||
| 9 | Устройство монолитных участков в плитах и блоках | V= | 100 м3 | 0,12 | ||||||||
| 10 | Устройство гидроизоляции фундаментов: горизонтальной из 2-ух слоёв рубероида. | S= | 100 м2 | 0,65 | ||||||||
| Надземная часть. | ||||||||||||
| Стены. | ||||||||||||
| 11 | Кладка наружных стен и технического этажа. | где: x | м3 | 683,97 | ||||||||
| 12 | Кладка парапета. | | м3 | 36,67 | ||||||||
| 13 | Кладка внутренних стен толщиной: а) 250мм | | м3 | 73,67 | ||||||||
| б) 380мм | | м3 | 353,73 | |||||||||
| Перекрытия и лестницы. | ||||||||||||
| 14 | Монтаж плит перекрытия и покрытия: площадью до 10м2 |
| шт | 189 | ||||||||
| 15 | Устройство монолитных участков в перекрытиях. | S= | 100м2 | 0,88 | ||||||||
| 16 | Монтаж лестничных площадок m более 1т. | | 100шт | 0,2 | ||||||||
| 17 | Монтаж плит балконов площадью до 5 м2 | | 100шт | 0,24 | ||||||||
| 18 | Установка экранов ограждений площадью до 10 м2 | | 100шт | 0,24 | ||||||||
| 19 | Установка плит парапета m до 0,5 т | 37 | 100шт | 0,37 | ||||||||
| 20 | Монтаж лестничных маршей m более 1 т. | | 100шт | 0,18 | ||||||||
| Перегородки. | ||||||||||||
| 21 | Установка кирпичных перегородок толщиной 120 мм (неармированных) | S= | 100м2 | 8,35 | ||||||||
| Заполнение проёмов. | ||||||||||||
| 22 | Установка оконных блоков с деревянными коробками площадью до 2 м2 | S= | 100м2 | 1,06 | ||||||||
| более 2 м2 | S= | 100м2 | 0,66 | |||||||||
| 23 | Установка подоконных досок. | l= | 100 м погон. | 1,28 | ||||||||
| 24 | Герметизация мест примыкания оконных и дверных блоков и блоков в кирпичных стенах полиуретановой пеной. | P= | 100м | 5,92 | ||||||||
| Заполнение дверных проёмов. | ||||||||||||
| 25 | Установка дверных блоков в наружных и внутренних стенах с площадью проёма до 3 м2 | S= | 100м2 | 0,99 | ||||||||
| 26 | Установка дверных блоков для перегородок | S= | 100м2 | 2,79 | ||||||||
| Устройство кровли. | ||||||||||||
| 27 | Устройство пароизоляции из полиэтиленовой плёнки. | S= | 100м2 | 3,66 | ||||||||
| 28 | Устройство теплоизоляции из плит | S= | 100м2 | 3,66 | ||||||||
| 29 | Устройство цементно-песчаной стяжки толщиной 20мм. | S= | 100м2 | 3,66 | ||||||||
| 30 | Устройство рулонной кровли. | R=1.014 S= | 100м2 | 3,72 | ||||||||
| 31 | Отделка кровельной сталью | | 100м2 | 0,19 | ||||||||
| Устройство полов. | ||||||||||||
| 32 | Уплотнение грунта щебнем. | S= | 100м2 | 2,9 | ||||||||
| 33 | Устройство бетонной подготовки t=80 см. | V= | 100м3 | 0,23 | ||||||||
| 34 | Устройство гидроизоляции полов. | S= | 100м2 | 14,3 | ||||||||
| 35 | Устройство цементно-песчаной стяжки t=0,02 м | S= | 100м3 | 14,3 | ||||||||
| 36 | Устройство полов из паркета. | S= | 100м2 | 9,64 | ||||||||
| 37 | Устройство полов из керамической плитки. | S=356,1 м2 | 100м2 | 3,56 | ||||||||
| Внутренняя отделка. | ||||||||||||
| 38 | Отделка потолков под окраску | | 100м2 | 14,04 | ||||||||
| 39 | Улучшенная штукатурка поверхности внутренних стен и перегородок. | S= = | 100м2 | 52,12 | ||||||||
| 40 | Улучшена штукатурка оконных и дверных откосов. | S= = | 100м2 | 1,37 | ||||||||
| 41 | Облицовка стен | См. технологическую карту. | 100м2 | 9,25 | ||||||||
| 42 | Масляная окраска стен | S= | 100м2 | 7,44 | ||||||||
| 43 | Известковая окраска | S= | 100м2 | 1,71 | ||||||||
| 44 | Масляная окраска дверных панелей | S= = | 100м2 | 9,69 | ||||||||
| 45 | Масляная окраска металлических ограждений | S= | 100м2 | 0,22 | ||||||||
| 46 | Клеевая окраска потолков | S= | 100м2 | 8,32 | ||||||||
| 47 | Известковая окраска потолков | S= | 100м2 | 2,73 | ||||||||
| 48 | Оклейка стен обоями | S= | 100м2 | 27,25 | ||||||||
| 49 | Оклейка потолков обоями | S= | 100м2 | 8,32 | ||||||||
| Наружная отделка. | ||||||||||||
| 50 | Устройство термошубы. | S=1461-170,7=1290,3м2 | 100м2 | 12,9 | ||||||||
| 51 | Штукатурка цоколя | L= | 100м2 | 1 | ||||||||
| Разные работы. | ||||||||||||
| 52 | Устройство основания под отмостку. | S= V= | м3 | 13,83 | ||||||||
| 53 | Покрытие отмостки асфальтобетонной смесью | S= | 100м2 | 0,92 | ||||||||
| 56 | Благоустройство территории. | 0,067*4485,25=302,8ч-дн | ч-дн | 302,8 | ||||||||
| 57 | Прочие неучтённые затраты | 0,058*4485,25=259,54ч-дн | ч-дн | 259,54 | ||||||||
| Специальные работы. | ||||||||||||
| 58 | Сантехнические работы. | | ||||||||||
| а) черновые | | ч-дн | 157 | |||||||||
| б) чистовые | | ч-дн | 68 | |||||||||
| 59 | Электромонтажные работы. | | ||||||||||
| а) черновые | | ч-дн | 54 | |||||||||
| б) чистовые | | ч-дн | 23 | |||||||||
| 60 | Слаботочные работы | | ч-дн | 31 | ||||||||
2.3 Выбор методов производства работ
1) Срезка растительного слоя, предварительная грубая планировка площадки и обратная засыпка механизировано производиться бульдозером ДЗ-18 послойным способом, т.к. срезка растительного слоя производиться на глубину 0,2 м. В цикл работы бульдозера входят следующие операции:
-
резание и набор грунта путём снятия стружки под уклон;
-
перемещение грунта с надвижкой его отвалом;
-
разгрузка грунта и возвратный холостой ход.
Возвращается бульдозер в забой задним ходом без разворота, так как дальность перемещения грунта не превышает 70 м.
Техническая характеристика бульдозера: длина отвала 4,15м. Высота отвала 1м.
2) Разработка траншей производиться экскаватором марки ЭО3322-А с ёмкостью ковша 0,5 м2. Грунт разрабатывают боковыми проходками, в отвал.
Параметры экскаватора
Вместимость ковша
Наибольшая глубина копания
Наибольший радиус копания
Наибольшая высота выгрузки
Мощность
Масса экскаватора
Оптимальные параметры
ширина лобовой проходки при разработке в отвал
Ширина траншеи по верху d=1.9м
Выбор монтажного крана.
а) для монтажа плит перекрытия:
Требуемая грузоподъёмность:
Q=
=
т
Требуемая высота подъёма крюка:
=hо+hз+hэ+hгр=
м
Требуемый вылет крюка:
Lкр=
=
м
Расположение крана вблизи котлована.
Для супесей принимаем безопасное наименьшее расстояние по горизонтали от выемки до ближайшей опоры крана:
>
=
м
Кран выбираем по максимальным расчётным параметрам
| Требуемые параметры | Величина параметров | Марки кранов | |
| КБ-100 | КБ-100.0А | ||
| Грузоподъёмность, т | 13,5 на Lкр=17,7м | ||
| max | 5 | 5 | |
| Высота подъёма крюка, м | 22,29 | ||
| max | 26,9 | 22,2 | |
| min | 21,3 | 12 | |
| Вылет крюка, м | 12,77 при Q=1,556т | ||
| max | 18,59 | 20,8 | |
| min | 5,62 | 6,1 | |
| Длина стрелы, м | 23,3 | 27,5 | 22,75 |
| Себестоимость машино смены, руб. | 34,6 | 30,8 | |
Выбираю кран КБ-100, как наиболее экономичный в эксплуатации.
3) Ленточные фундаменты.
Установке блоков предшествует разбивка осей фундаментов, которую начинают с перенесения осей здания на основание. Для этого на обноске натягивают осевые струны и с помощью отвесов переносят точки их пересечения на дно котлованов и траншей. От этих точек отмеряют проектные размеры фундаментов и закрепляют их металлическими штырями так, чтобы натянутая между ними проволочная причалка находилась на 2...3 мм дальше боковой грани ленточного фундамента. Монтаж блоков-подушек начинают с укладки угловых блоков-подушек, которые являются маячными, а также промежуточных маячных блоков па расстоянии около 20 м между ними, преимущественно в местах примыкания поперечных стен к продольным. Промежуточные блоки укладывают последовательно от маячного углового блока до маячного промежуточного, определяя их положение в плане по причалке и по монтажному зазору между устанавливаемым и ранее установленным блоками.
Монтаж блоков-подушек ленточных фундаментов осуществляют способом «на весу» стреловым гусеничным краном.
После укладки всего ряда блоков-подушек ленточных фундаментов проверяют правильность их положения относительно разбивочных осей с помощью теодолита или отвесом с разбивочных осей, натянутых на обноске, нанося соответствующие осям риски на маячные угловые и промежуточные блоки.
Последующие ряды ленточных фундаментов монтируют из стеновых блоков на растворе с тщательным заполнением горизонтальных и вертикальных швов. Вертикальные швы в смежных по высоте рядах блоков перевязывают не менее чем на высоту блока . В местах примыкания поперечных стен к продольным перевязывают швы примыкания к каждому ряду с закладкой в горизонтальные швы сварных арматурных стенок.
Стеновые блоки фундаментов монтируют по рядам, начиная также с укладки маячных и промежуточных блоков. Проектное положение этих блоков определяют по рискам, нанесенным на маячные угловые и промежуточные блоки-подушки. После определения положения маячных стеновых блоков их закрепляют рисками на блоках-подушках и от этих рисок с помощью рулетки проводят разбивку положения промежуточных блоков по всем лентам фундаментов (по вертикальным швам), выполняя эту разбивку по рабочим чертежам раскладки блоков фундаментов.
После разбивки тщательно укладывают маячные блоки на слое раствора. Затем на этих блоках укрепляют причалку и по ней и по нанесенным на блоках-подушках разбивочным рискам укладывают все промежуточные стеновые блоки.
После укладки последнего ряда блоков проверяют правильность их положения относительно разбивочных осей с помощью теодолита или отвеса, а также выполняют нивелировку поверхности верхнего ряда блоков.
4) Горизонтальная гидроизоляция фундамента.
Гидроизоляцию фундамента оклеенной гидроизоляцией, как сплошной водонепроницаемый ковер из рубероида, наклеиваемых в 2 слоя на изолируемую поверхность. Такая изоляция приемлема для сооружений, подверженных небольшим деформациям, осадкам и некоторым динамическим нагрузкам. Ее устраивают со стороны гидростатического напора во избежание отрыва.
5) Кладочно - монтажные работы.
Для производительной работы каменщиков существенное значение имеет организация подачи материалов к рабочим местам. Для этой цели используется башенный кран. Кирпич и керамический камень подают на рабочее место пакетами на поддонах. Для этого используют четырехстенчатые футляры, рассчитанные на 1—2 поддона. Раствор для кладки подают краном в ящиках.
Процесс каменной кладки состоит из следующих операций: установки порядовок и натягивания причалки; подготовки постели, подачи и разравнивания раствора; укладки камней на постель с образованием швов; проверки правильности кладки.
Порядовки устанавливают в углах кладки, в местах пересечения стен и на прямых участках стен не реже чем через 12 м. Причалку натягивают между порядовками, во избежание ее провисания через каждые 4...5 м под нее укладывают на растворе маячные камни или деревянные бруски соответствующих размеров так, чтобы они выступали за плоскость стены на 2...З см. Причалку сверху прижимают камнем, уложенным насухо на маяк. Причалка служит направляющей при укладке наружных и внутренних верст, причем на наружных верстах причалку устанавливают для каждого ряда кладки, а на внутренних — через 3, 4 ряда.
Подготовка постели заключается в очистке ее и раскладке на ней кирпича. Для кладки наружной версты кирпич раскладывают на внутренней половине стены, а для кладки внутренней версты — на наружной половине. Раствор на постель подают, как правило, ковшовыми лопатами, а разравнивают кельмой.
Кирпич укладывают тремя способами: вприсык с подрезкой. Способом вприсык с подрезкой ведут кладку при необходимости полного заполнения швов раствором с расшивкой. В этом случае раствор расстилают, отступая от края стены на 1 см, а раствор, выжатый из шва на лицевую поверхность стены, подрезают кельмой.
Керамические камни в тычковые ряды и забутку каменщик укладывает двумя руками. Камни предварительно наверстывают на стену. Для наружной тычковой версты их наверстывают тычками вровень с внутренним обрезом стены непрерывным рядом с таким расчетом, чтобы поверхность камня, которая должна быть прижата к соседнему камню, была сверху. Затем подручный рабочий на весь ряд наверстанных камней расстилает раствор, а каменщик укладывает каждый камень, поворачивая его на 90° и прижимая к ранее уложенному камню.
Увязка каменных работ с монтажом сборных элементов
По ходу производства каменной кладки ведутся сопутствующие работы, в том числе и монтаж междуэтажных перекрытий и лестниц, установка перемычек, балконов, перегородок и т. д.
Возведение каменных конструкций последующего этажа допускается только после укладки несущих конструкций, перекрывающих возведенный этаж.
Предельная высота возведения свободно стоящих каменных стен (без укладки перекрытий или покрытий) не должна превышать значений, указанных в табл. 6.3. При необходимости возведения свободно стоящих стен большей высоты должны применяться временные крепления, обеспечивающие устойчивость стен во время производства работ.
Лестничные площадки и марши устанавливают по ходу кладки. После проверки мест опирания укладывают раствор и краном подают лестничную площадку. Каменщики принимают конструкцию, находясь на подмостях или на перекрытии. Уложив площадку, проверяют ее горизонтальность (по двум направлениям) и соосность с площадками нижних этажей. Расстояние между уложенными площадками проверяют (в двух местах) деревянным шаблоном, имеющим форму продольного сечения косоура. При необходимости конструкцию рихтуют ломом.
В таком же порядке устанавливают следующую лестничную площадку.
Лестничный марш стропят специальными стропами с разновеликими петлями или вилочными захватами, с помощью которых обеспечивается подача марша в положении, близком к проектному, с небольшим превышением его верха (до 10 см). Каменщики, принимающие конструкцию, находятся на верхней и нижней лестничных площадках. Они очищают место опирания и кельмой расстилают раствор. Марш опирают вначале на нижнюю площадку, затем на верхнюю. При его укладке проверяют точность опирания на полки площадок и горизонтальность ступеней. После расстроповки сваривают закладные детали. Стык между площадкой и маршем тщательно заполняют раствором и уплотняют подштопкой или кельмой.
Перемычки укладывают на растворную постель после завершения кладки простенков. Несущие перемычки стропят за монтажные петли и устанавливают краном. Рядовые перемычки укладывают вручную. При этом проверяют точность их установки по вертикальным отметкам, горизонтальность и глубину заделки концов.
Панели междуэтажных перекрытий монтируют после завершения каменной кладки, установки перегородок, укладки индустриальных плит подготовки пола или устройства засыпок под полы. Перед монтажом панелей опорные поверхности стен проверяют нивелиром или водяным уровнем и при необходимости выравнивают кладку стяжкой из цементного раствора.
Монтаж начинают от стены с инвентарных подмостей, последующие плиты укладывают к ранее смонтированным.
При укладке панелей следят, чтобы потолок помещения был горизонтальным, при этом перепады по высоте не превышали 3 мм. Несоответствие монтажных провесов плит устанавливают визированием по плоскости потолка или правилом. Величину провеса распределяют пополам между смежными плитами. Если уложенную конструкцию необходимо переложить, ее поднимают, очищают от раствора и устанавливают заново.
Швы между панелями заделывают раствором марки 100, а места сопряжения со стенами и торцы замоноличивают бетоном или раствором.
Со стенами здания и между собой панели перекрытия соединяют стальными связями, приваренными по ходу монтажа.
Прогоны (балки) стропят двухветвевым стропом за монтажные петли или отверстия в конструкции. До установки прогона проверяют отметки и горизонтальность железобетонных подушек, заделанных в стены по ходу кладки. Работу ведут с подмостей, на опорные поверхности расстилают раствор. Уложенную конструкцию в продольном направлении выправляют монтажными ломиками и проверяют горизонтальность (по уровню и визируя по ранее установленным прогонам), а вертикальность -по отвесу. Затем уложенные на каменные стены прогоны закрепляют анкерами.
Балконные плиты устанавливают после монтажа перекрытий и до начала кладки стен. Их укладывают на опоры по слою раствора. Балконные плиты временно закрепляют инвентарными приспособлениями (телескопическими стойками, кронштейнами, треугольными стойками с удерживающими скобами и др.). Горизонтальность проверяют уровнем с рейкой, после чего сваривают закладные детали. Инвентарные крепления балконов снимают после завершения кладки стен второго яруса.
Установка столярных изделий
Оконные и дверные блоки устанавливают на место по мере возведения стен, в наружных стенах их следует ставить строго по вертикали и высоте, на одинаковом расстоянии от наружной плоскости стены. В многоэтажных зданиях каждый блок второго и вышележащих этажей центрируют по средней створке блока первого этажа.
Оконные и дверные коробки прикрепляют к боковым откосам стен ершами, анкерами или другими приспособлениями, устанавливаемыми через 1,2 м по высоте, но не менее двух в каждом откосе проела. При каменных стенах ерши забивают в деревянные антисептированные пробки, закладываемые в кладку при ее возведении. Расстояние по высоте между двумя ершами - не более 1,5м.
Двери и окна выверяют с помощью деревянных или пластмассовых клиньев. При установке коробки дверей сперва выверяют и прибивают верх стояка, к которому крепятся дверные петли, потом, выверив по отвесу, низ. После этого устанавливают второй стояк, но предварительно навесив дверь, иначе получится перекос коробки.
Оконные и дверные коробки наружных стен в местах их примыкания к кладке обрабатывают антисептической пастой и оборачивают гидроизоляционными прокладками (толем, пергамином). Зазоры между коробками и кладкой наружных стен заполняют антисептическим войлоком, паклей или другими теплоизоляционными материалами, а во внутренних стенах -звукоизоляционными материалами.
Подоконные доскц устанавливают с уклоном внутрь помещения до 1 %. Их торцы, заделываемые в кладку стен, необходимо обработать антисептической пастой и обернуть толем или пергамином. В пределах одного помещения подоконные доски должны быть установлены на одном уровне.
Гидроизоляционные работы
Обмазочная гидроизоляция - сплошной водонепроницаемый слой из остывшей мастики (например, битумной), нанесенный на поверхность конструкции толщиной 2-4 мм, а окрасочная изоляция — более тонкий слой (0,2 - 0,8 мм) красящего состава ( например, этинолевого лака, смешанного с распушенным асбестом). Эти изоляции наносят на изолируемую поверхность распылителями или кистями.
Штукатурные работы
Подготовка поверхностей под штукатурку включает их тщательную очистку от пыли, грязи, жировых и битумных пятен, а также от выступивших солей. Работы выполняются электро- или пнемомолотками, металлическими скребками, стальными щетками. Чтобы штукатурный намет хорошо соединялся с основанием, гладкие бетонные поверхности насекают, обрабатывают пескоструйным аппаратом или обтягивают металлической сеткой, деревянные обивают драночными щитами, а кладка кирпичных стен должна быть выполнена впустошовку.
Поверхности, подлежащие оштукатуриванию, проверяются провешиванием в вертикальной и горизонтальной плоскостях с установкой инвентарных съемных марок, а при высококачественной штукатурке - маяков. Для этого применяют быстротвердеющий раствор из гипса или инвентарные приспособления, удаляемые после нанесения штукатурного раствора. Операция выполняется вручную с использованием шнуров, отвесов, правил и уровней. Толщина марок и маяков должна соответствовать толщине намета без накрывки.
Растворы для штукатурных р а б о т и их марки назначаются проектом. Каменные и бетонные поверхности в помещениях оштукатуривают сложными или известковыми растворами, а деревянные и гипсовые - известково-гипсовыми. При оштукатуривании помещений, влажность воздуха в которых во время эксплуатации будет более 60 % (ванных комнат, прачечных, бань, цехов с мокрыми технологическими процессами и т. п.), для первого слоя штукатурки (обрызга) применяются цементные и цементно-известковые растворы, приготовленные на портландцемен-тах.
Штукатурные растворы приготавливают централизованно. Во втором случае рационально максимально использовать сухие растворные смеси, доставляемые в бумажных мешках или бункерах-контейнерах.
Дня нанесения штукатурного раствора применяют растворонасосы, которые под давлением подают его на стену через бескомпрессорные (преимущественно прямоточные) и пневматические форсунки.
Обработка лицевых слоев. Нанесение накрывочного слоя осуществляют с помощью растворонасоса через форсунку или вручную методом намазывания с использованием полутерков. Затирку накрывочного слоя выполняют затирочными машинками пневматического или электрического действия, либо вручную с помощью терок.
Оштукатуривание откосов, лузг, усенков, поясков иверхности стен и потолков. Работы выполняют вручную с помощью специальных приспособлений. Перед оштукатуриванием откосов зажимами (рейкодержателями) укрепляют рейки-правила, которыми обеспечиваются вертикальность откоса и заданный "угол рассвета" (уклон внутрь оконного или дверного откоса). Они являются маяками при нанесении раствора и его разравнивании. Для получения ровных внутренних углов (лузг) и наружных (усенков) устанавливают направляющие для соответствующих угловых шаблонов. Такие же направляющие нужны при устройстве поясков и карнизов. Их создают путем вытягивания, срезая излишки раствора при движении шаблонов, профиль которых определяет профиль карниза или пояска.
Механизация оштукатуривания откосов возможна при применении литьевой технологии, которая позволяет формировать откосы при заливке раствора за установленную в проеме переставную опалубку.
Уход за штукатуркой. Свежевыполненная штукатурка до затвердения должна предохраняться от ударов и сотрясений, намокания, замерзания и пересушивания.
При необходимости производят искусственную сушку штукатурки, равномерно подавая в оштукатуренные помещения нагретый наружный воздух. При этом должен обеспечиваться не менее чем трехкратный обмен воздуха помещения в течение 1 ч. Отдельные труднопросушиваемые места (углы, ниши и т. п.) подсушиваются дополнительными средствами (например, электронагревательными приборами с экраном). Во избежание растрескивания и снижения прочности не допускаются сильный нагрев штукатурки (свыше 30 °С) и интенсивное сквозное проветривание помещения.
Малярные работы.
Перед нанесением состава поверхность очищают скребком и сглаживают при помощи шарнирной щетки. Для обеспечения лучшей адгезии (сцепления) рекомендуется обработать поверхности стен промышленным пылесосом. В местах сопряжений перегородок и капитальных стен, отдельных деталей сборного железобетона, у дверных и оконных коробок, в местах примыканий к основным конструкциям деталей встроенной мебели часто появляются трещины, которые возобновляются после неоднократного подмазывания и шпатлевания. Поэтому такие участки маляры оклеивают полосами марли, обрабатывая клеевым шпатлевочным составом до и после склеивания.
До окрашивания поверхности грунтуют, лучше всего купоросной грунтовкой. Неогрунтованную поверхность окрашивать очень тяжело, при работе кистями заметны полосы. Производить огрунтовку механизированным способом нерационально, так как медный купорос может вызвать коррозию металла. Не рекомендуется первые 2 - 3 ч сушить грунтовку сквозным проветриванием. Как только она высохнет (примерно через сутки), можно приступить к окрашиванию.
Клеевые краски приготавливают из мела, клея, воды, при необходимости с добавлением цветного пигмента. Цветной состав краски называют колером, а белый - побелкой. Готовую краску проверяют пробным окрашиванием небольшой поверхности. Если клея мало, краска пачкает, если много, получаются блестящие полосы, краска со временем может растрескаться, а на поверхности могут появиться так называемые мраморные пятна. В такой состав необходимо добавить воды. Окрашивать поверхности можно кистями, валиками (с внутренней подачей окрасочного состава и с наружной - через плоские щетки) или краскораспылителями (краскопульт с удочкой, электрокраскопульт и др.). Окрасочный состав необходимо перемешивать каждые 5-6 мин. После окончания работы кисти, валики, краскораспылители следует хорошо промыть, протереть, просушить, а затем положить на хранение.
Качество и срок службы окрашенных масляными составами поверхностей зависят от подготовки к окрашиванию. Их сначала олифят, шпатлюют, зачищают, сушат и только после этого окрашивают.
Поверхность перед проолифливанием должна быть сухой и обязательно очищенной от пыли и грязи. Олифа может применяться в чистом виде, но лучше подкрашенной сухим пигментом или густотертой краской любого цвета (при этом будут заметны пропущенные места). После высыхания олифы мелкие трещины и выбоины на поверхности подмазывают. Нанесенный слой после высыхания шлифуют шкуркой, снова олифят и сушат.
Огрунтовку выполняют жидкой масляной краской того цвета, которым будет проводиться окрашивание. Для отбивки линий (ограничителя поля окрашивания) отмеряют требуемое расстояние, натягивают шнурок, предварительно окрашенный сухим красителем, и, оттянув и отпустив шнурок, отмечают ровную линию. В верхней части стены это можно сделать также с помощью телескопической линейки с грифелем и роликом и других приспособлений.
Шпатлевание выполняют по высохшей огрунтованной поверхности с помощью стальных, деревянных или резиновых шпателей. Нанесение шпатлевок может производиться механизированно. В зависимости от качества поверхности шпатлевание выполняют один или несколько раз. Каждый предыдущий слой сушат, зачищают шлифовальной шкуркой и производят проолифливание или грунтование. Масляные краски можно наносить с помощью различных распылителей, кистями или валиками. Валиками, как и кистями, стены окрашивают сначала в горизонтальном направлении, затем в вертикальном. Краску следует наносить как можно тоньше. В труднодоступных местах, в углах стен, у наличников, плинтусов можно красить только кистями.
Оклеивание стен обоями
В помещениях, предназначенных под склеивание обоями, должны быть закончены все малярные работы, кроме окрашивания полов, установки и окончательного окрашивания наличников и плинтусов. При проведении обойных работ температура в помещении должна быть в пределах 15-22°С.
Влажность поверхностей, оклеиваемых обоями, должна быть не более 8 %. Стены должны быть ровными, без провесов, вмятин, натеков побелки ("набелов"). Гладким гипсовым поверхностям перед склеиванием необходимо придать шероховатость (можно слегка проолифить и дать высохнуть). Если стены деревянные или из твердых древесноволокнистых плит, все винты и гвозди следует утопить и закрасить антикоррозионной краской. Швы, трещины и щели заклеивают полосками холста или марлей. Стружечные плиты с грубой необработанной поверхностью можно выровнять клеевой шпатлевкой.
Разрезание обоев. Обои, изготовленные из бумаги тонкой и средней толщины, наклеивают внахлестку. При этом у рулонов обрезают одну кромку. При разрезании обычно ориентируются на маркировку на краях обоев. Поскольку обои всегда начинают клеить со стены, на которой находятся окна (иначе шов будет заметен), при склеивании стены с левой стороны окна обрезают правый край обоев, с правой - левый. Обои из толстой бумаги наклеивают встык. При этом заблаговременно или по месту наклеивания специальными ножами обрезают обе кромки.
Раскрой и комплектацию обоев производится централизованно с применением средств механизации. Вначале обои режут на полотнища нужной длины по шаблону так, чтобы рисунок на кусках точно совпадал при совмещении. Длина полотнища должна быть равна высоте помещения с припуском приблизительно 5 см, который затем обрезают более точно.. Обои запускают за плинтусы и наличники, а не обрезают по ним. Заклеивание обоями кромок наличников, плинтусов, выключателей и розеток не допускается.
Склеивание потолков обоями. К потолку обои приклеивают синтетическими клеями, например КМЦ (карбоксиметилцеллюлоза), «Бустилатом». Наклеивают обои внахлестку с напуском 1 - 1,5 см или встык, в зависимости от их вида. Сначала с помощью мехового валика наносят клеевой состав на потолок равномерным слоем без пропусков и натеков. Через 20 мин маховой кистью наносят клеевой состав по периметру стен на ширину 10 см.
После нанесения клея на обои с помощью специальной установки, кисти или валика их выдерживают 20 мин для пропитки составом и приклеивают к потолку, перекрывая угол и верхнюю часть стены на 10 см. Маляр, стоя на столике-подмостях, плотно прижимает конец намазанного клеем полотнища к стене и разглаживает его по потолку сначала рукой, а затем обойной щеткой.
Склеивание стен. Перед склеиванием стен отечественными обоями иногда необходимо наклеить слой бумаги (обычно газетной). Она прочнее приклеится к поверхности, и на нее легче наклеивать обои. Кроме того, бумага предохраняет их от щелочей, выделяемых поверхностью стен. При склеивании стен синтетическими обоями на бумажной основе операция наклеивания бумаги исключается.
Клей на бумагу наносят с помощью кисти, мягкой щетки, мехового валика или пистолета-краскораспылителя на столике обойщика. Бумагу укладывают на нем так, чтобы каждый нижележащий лист выступал на 1 -2 см из-под верхнего. Ее листы клеятся встык с переносной лестницы-стремянки. Наклеенные листы тщательно разглаживают щеткой или ветошью.
Первую полосу необходимо точно выверить по отвесу. Склеивание начинают от углов наружных стен. Полотнище обоев приклеивают к обеим стенам, образующим угол. При этом основная его часть приклеивается к одной из стен, а оставшаяся перекрывает угол с напуском всего в 2 - 3 см, чтобы не возникали дополнительные напряжения и обои не отставали. Когда полоса обоев сверху укрепится, их оставшаяся часть спускается вниз. Полосу разглаживают и разравнивают, используя обойную щетку или деревянную планку с слоем поролона, которая, копируя неровности стены, плотно прижмет к ней обои.
Следующие полотнища, примыкающие к наклеенному в углу, наклеивают внахлестку или встык (в зависимости от сорта обоев), ориентируясь на линию кромки (обрезанной или необрезанной) первого полотнища. Если кромки плотных обоев обрезают по месту приклеивания, полотна намазывают так, чтобы кромки оставались чистыми на ширину 5-10 см. После приклеивания полотнища через 2 - 4 ч швы (обе кромки одновременно) прорезают с помощью специальных ножей по металлической линейке, обои отворачивают, намазывают клеем, тщательно соединяют кромки встык и приглаживают, удаляя выступивший клей.
Фронт работ по склеиванию стен обоями делится на захватки. Каждая захватка состоит из нескольких квартир и закрепляется за специализированными звеньями в составе двух человек, входящими в бригаду маляров. Подготовительные работы (выравнивание, подмазывание, чистка поверхностей, нанесение клея на бумагу и ее наклеивание) они выполняют вместе. По окончании подготовительных работ маляр низшего разряда наносит клей на обои с помощью намазывающего устройства и подает звеньевому, который наклеивает их на стены.
Открывать окна и ускорять высыхание применением нагревательных приборов не допускается. Пока обои не высохнут, окна должны оставаться закрытыми. Проветривать комнату можно лишь после того, как обои совсем просохнут.
На оклеенных поверхностях не должно быть пятен, пузырей, пропусков, доклеек, перекосов, отслоений, морщинистости, отклонений в рисунках на стыках. Все полотнища должны быть одного цвета и оттенка. Соединения обоев при наклеивании встык не должны быть заметны на расстоянии 2 м.
Устройство полов
Подготовка оснований, устройство подстилающего слоя и стяжки. До начала работ по устройству полов по грунту площадка очищается от мусора и грязи, основание выравнивается и уплотняется щебнем.
Подстилающий слой (подготовка) — элемент устраиваемого на фунте пола, распределяющий нагрузки по основанию. Основные его типы - жесткий (бетонные слои) и нежесткий (шлаковый, гравийный и т. д.).
Подготовку из монолитного бетона укладывают отдельными полосами шириной до 8 м с помощью комплекта бетоноукладочных машин.
Работа по устройству бетонной подготовки выполняется на двух параллельных полосах-захватках, располагаемых в шахматном порядке. Притаком порядке ведения работ число выставляемых маячных направляющих сокращается в два раза. Маячные рейки устанавливают на заранее уложенные и выверенные по нивелиру подкладки. После этого рейки закрепляют забиваемыми в грунт штырями из отходов арматурной стали.
Доставленную на полосу-захватку бетонную смесь разравнивают лопатами до уровня, на 2 - 3 см превышающего отметку маячных направляющих. Затем виброрейкой, медленно пере двигаемой Чю маячным направляющим, смесь уплотняют; резиновый фартук виброрейки одновременно заглаживает поверхность.
В неотапливаемых помещениях через 10 - 12 м по длине и 5 - 6 м по ширине в подготовке устраивают сквозные температурные швы шириной 8-10 мм, которые нарезают машинами с абразивными дисками. Пазы заполняют горячим битумом.
Подготовку из сборных железобетонных плит (6 х 3 х 0,12 м) выполняют по готовому песчаному основанию с помощью монтажного крана. Участки у стел бетонируют на месте.
Стяжка - жесткий и плотный слой толщиной от 15 до 40 мм, укладываемый по нежестким или пористым элементам пола (например, по теплоизоляционному слою). Стяжка служит для выравнивания поверхности элементов пола или перекрытия либо для придания заданного уклона покрытию. Стяжки делятся на сборные (плиты из легкого бетона, твердые древесноволокнистые плиты и т. д.) и сплошные (цементно-песчаный, по-лимерцементный или латексцементный раствор, мелкозернистый бетон или асфальтобетон).
Стяжки из древесноволокнистых плит в один слой устраивают после просушки основания. Наклеивают плиты на основание с помощью битумной мастики (к деревянному основанию прибивают гвоздями). Зазоры между плитами не должны превышать 5 мм. Излишки битума в швах удаляют шпателем.
Стяжки укладывают по маячным рейкам. Маяки из стальных труб располагают на расстоянии 20 - 30 см от стены, а остальные - на расстоянии 1,5 - 2,5 м друг от друга на марках из раствора с выверкой по уровню. Состав наносят полосами. После заполнения нечетных полос маячные рейки снимают и укладывают раствор в четные промежутки. Раствор подают штукатурной станцией, растворонасосом или установкой для транспортирования жестких растворов и наносят на основание с помощью шланга.
Разравнивают и заглаживают поверхность стяжки полутерками: Уплотнение производят легкими площадочными вибраторами или виброрейками и прекращают его при равномерном появлении цементного молока на поверхности стяжки. После выравнивания поверхность стяжки проверяют двухметровой рейкой и при необходимости устраняют неровности. Через сутки после укладки раствора маячные рейки снимают, а борозды заливают раствором.
Горизонтальность стяжки выверяют с помощью контрольной рейки с уровнем. Ровность поверхности проверяют двухметровой рейкой. Просветы между поверхностью и рейкой не должны превышать 2 мм. Стяжки, имеющие шероховатости и раковины глубиной более 2 мм, выравнивают полимерцементной шпатлевочной массой.
Во избежание всплывания материала теплоизоляции плотностью менее 1000 кг/м необходимо прокладывать между теплоизоляцией и стяжкой из высокоподвижных растворов слой полиэтиленовой пленки. При ее отсутствии обязательно огрунтование теплоизоляционного слоя жестким связывающим раствором, как правило, того же состава, что и раствор для стяжки.
Полы из паркетных щитов устраивают в такой последовательности. Вначале сортируют щиты на полноразмерные и доборные (для крайних рядов). Паркетный щит размерами 75 х 75 см состоит из забранного с двух сторон в обвязку реечного основания и наклеенного на него верхнего лицевого слоя толщиной до 6 мм. В кромке щита по периметру выбран паз, лицевая поверхность отшлифована. Размечают маячные ряды, затем укладывают (с предварительной подгонкой) щиты и последовательно прибивают к лагам. В пазы ранее уложенного и закрепленного щита паркетчик заводит соединительные рейки, на которые надвигает очередной щит. Ударом молотка по деревянному бруску щиты плотно стыкуют между собой и крепят к лагам гвоздями длиной 50 - 60 мм. Забивают их под небольшим углом к нижней грани щели щита. Шляпки гвоздей втап-ливают добойником. В углу каждого щита паркетчик забивает по гвоздю, шляпку которого втапливает на толщину паркетной планки и заделывает пробочкой на клею. Доборные щиты отрезают электропилой на месте укладки. После настилки полноразмерных и доборных щитов заделывают шляпки гвоздей, циклюют провесы и во избежание повреждений накрывают полы бумагой.
Облицовка керамической плиткой.
Сортировка плиток. Для сортировки плиток по размеру используют шаблон и приспособление для сортировки плиток по размеру. В ходе облицовочных работ при необходимости получения неполномерных плиток, целые плитки разрезают, используя приспособление для прямой и диагональной резки, рычажные и роликовые плиткорезы.
Подготовка поверхности.
Т.к. до начала облицовочных работ поверхность полностью подготовлена, то необходимо только проверить правильность подготовки. Неровности на облицовываемой поверхности не должны превышать 2-3 мм, т.к. толщина клея не превышает 5 мм, и не будет возможности выровнять слоем клея поверхность.
Далее поверхность основания под облицовку провешивают для определения минимальной толщины прослойки клея. Провешивание стен выполняют в определённой последовательности. На расстоянии 140-150мм от потолка, а от углов примыкающих стен на расстоянии 50-60 мм, забивают гвозди, их шляпки должны выступать из поверхности стены на 10-15 мм, т.е. на толщину будущей облицовки. По уровню шляпок забитых гвоздей натягивают шнур. Гвоздь вбивают посередине натянутого шнура так, что бы шляпка гвоздя только касалась шнура. От шляпки гвоздя опускают отвес и внизу стены забивают гвоздь так, что бы его шляпка касалась шнура отвеса. Следующий гвоздь располагают на высоте нижнего ряда будущей облицовки. Следующий гвоздь располагают на середине высоты стены; его шляпка тоже должна касаться шнура отвеса.
Такую же операцию проводят в другом углу стены. Гвозди, выступающие из плоскости стены на толщину облицовки, являются марками. Вместо гвоздей при провешивании стен применяют инвентарные дисковые маяки, их закрепляют гипсовым раствором.
Завершив провешивание стен и установку марок, приступают к разметке. Складным метром или рулеткой размечают ряды будущей облицовки, определяют количество плиток укладываемых в ряду. Если размер стены не является кратным размеру плитки с учётом ширины шва, то плитки придётся обрезать. Визуально лучше выглядит стена с симметричным расположением плиток. В этом случае обрезанные плитки следует установить в обоих углах. Характерные точки облицовываемой поверхности, например углы, закрепляют опорными маяками, т.е. облицовочными плитками, установленными на гипсовом растворе. На протяжённых участках облицовки укладывают маячные ряды. Вертикальность маяков и маячных рядов проверяют правилом с отвесом.
Производство работ.
Плитку необходимо укладывать «шов в шов» - этот вид облицовки обеспечивает высокую эстетичность облицованной поверхности.
Начинают от обозначения на стене горизонтальной линии и прикрепления в этом месте деревянной или алюминиевой рейки. Первый ряд стеновых плиток приклеивают после укладки напольных плиток. Определяя высоту прикрепления рейки, учитывают высоту цокольной плитки и величину 2-ух швов.
Далее необходимо приготовить клеевой раствор «Полимикс-К»: засыпать сухую смесь в воду и перемешать вручную. После перемешивания необходимо оставить раствор на 5-10 минут для получения лучшей однородности и перемешать ещё раз.
Клеевой раствор равномерно наносят на стену гладкой стороной тёрки, а потом равномерно распространяют по поверхности стены зубчатой тёркой. Клей наносят на поверхность не более 1м2 т.к. клей сохраняет свои клеящие свойства на протяжении 20-30 мин.
Т.к. плитки приклеиваются на клеевой состав, то её не надо погружать в воду перед облицовкой. Укладку плиток можно начать с любого места, но лучше начать от первой плитки в любом углу, с учётом, что там должна находиться целая плитка. Если же первая плитка должна обрезаться, то начинать следует от первой целой плитки в соответствующем для неё месте. Укладку плиток начинают снизу. Чтобы швы были одинаковые, применяют инвентарные вкладыши. Плитку осторожно укладывают, немного прижав Затем необходимо 2 раза постучать по плитке рукояткой кельмы, но не более 2-ух раз, т.к. плитка может от множества постукиваний сползти, т.к. выступит вода на тыльную поверхность плитки. Излишки клея удалить надо до его затвердевания.
Данный этап работы завершают, осторожно снимая рейку, чтобы не вызвать осыпания нижнего ряда плиток. В случае, если под рейкой находится слой раствора, осторожно удалить его шпателем, после чего оторвать рейку зубилом или отвёрткой.
Последний этап укладки керамических плиток – это укладка первого ряда цокольных плиток. При такой последовательности работ неровные края напольных плиток будут закрыты цокольной плиткой.
Через 1-2 дня швы заполняют фугой. Сухую смесь «Тайфун» необходимо высыпать в чистый ящик для раствора, добавить необходимое количество воды и перемешать до получения однородной массы. Далее необходимо сделать технологический перерыв на 5-10 минут и перемешать снова. Перед нанесением ещё раз перемешать раствор и заполнить им швы при помощи резинового шпателя. Излишки раствора собрать и ещё раз заполнить швы. Когда раствор подсохнет (через 15-30 минут), вымыть поверхность, собирая при этом лишний раствор, и очищая плитки, при помощи тёрки оклеенной поролоном и слегка смоченной водой. Через 1-1,5 часа раствор полностью высохнет (поверхность плитки при этом посветлеет) и можно приступать к окончательной очистке, которую выполнять при помощи ветошью. Для правильного процесса схватывания раствор фуги на протяжении 2-4 дней швы следует смачивать водой.
2.5 Технико-экономические показатели
См. графическая часть
| № п/п | Наименование. | Характеристика. | Ед. изм. | Показатели | |
| Нормативные | Принятые | ||||
| 1 | Продолжительность строительства. | Нормативная определяется по СНиП 1.04.03-85, а принятая по календ плану. | Мес. | 14 | 12 |
| 2 | Общая трудоёмкость. | ч-дн | 5565,25 | 5022,5 | |
| 3 | Производительность труда. | | % | 100 | 111 |
| 4 | Коэффициент неравномерности движения рабочих. | | - | <1.6 | 1.111 |
| 5 | Коэффициент совмещённости строительных процессов во времени. | | - | - | 2,26 |
| 6 | Коэффициент сменности | | - | 1-2 | 1,11 |
| 7 | Коэффициент сокращения сроков строительства | | - | <1 | 0,86 |
3. Строительный генеральный план
3.1 Принципы проектирования стройгенплана
-
Решения стройгенплана должны быть увязаны с остальными разделами ПОС и ППР.
-
Решения стройгенплана должны соответствовать действующим нормативным документам
-
Строительная площадка должна иметь наименьшую площадь, необходимую для строительства
-
Решения СГП должны предусматривать рациональную организацию людских и грузовых потоков
-
Временные здания, сооружения и установки располагаются на территории, не предназначенной под застройку до окончания строительства
-
Временное строительство должно быть минимальным за счет использования постоянных зданий, дорог и коммуникаций
-
Временные здания должны быть инвентарными.
-
Производственные установки надо размещать у мест наибольшего потребления
-
Размещение крана должно быть выполнено по принятым технологиям
-
Приобъектные склады должны размещаться вблизи от дорог в зонах работы крана
-
Строительная площадка должна быть ограждена, на ней обозначены опасные зоны, оборудована средствами пожарной безопасности, средствами связи, должно быть выполнено освещение.
3.2 Расчёт потребности во временных зданиях и сооружениях
По календарному плану на объекте работает максимальное количество людей – 20чел., таким образом численность работающих составит:
N=
Определяем число ИТР:
=
Число служащих:
=
Число МОП:
=
Общее число людей:
=
| Временные здания | Количество работающих | Количество пользующихся данным помещением, % | Площадь помещения | Тип временного здания | Размеры здания | |
| На 1 чел. работающего | Общая | |||||
| Служебные |
|
|
|
|
|
|
| Конторы | 4 | 100 | 4 | 16 | Передвижной вагон | 6х2,7 |
| Диспетчерская | 1 | 100 | 7 | 7 | Передвижной вагон | 6х2,7 |
| Проходная | --- | --- | --- | 6 | Сборно-разб. | 2х3 |
| Санитарно-бытовые |
|
|
|
|
|
|
| Гардеробная | 28 | 70 | 0,7 | 13,72 | Передвижной вагон | 6х2,7 |
| Душевая | 28 | 50 | 0,54 | 7,56 | Передвижной вагон | 6х2,7 |
| Умывальная | 28 | 50 | 0,2 | 2,8 | ||
| Сушилка(для одежды и обуви) | 28 | 40 | 0,2 | 2,24 | Передвижной вагон | 6х2,7 |
| Помещение для обогрева работающих | 28 | 50 | 0,1 | 1,4 | Контейнерый | 6х3 |
| Бытовка | 28 | 50 | 1 | 14 | ||
| Туалет и умывальник | 28 | 100 | 0,1 | 2,8 | Контейнерый | |
| Производственные |
|
|
|
|
|
|
| Мастерские электротехнические | --- | --- | --- | --- | Передвижной вагон | 4,1х2,2 |
| Мастерские санитарно-технические | --- | --- | --- | --- | Передвижной вагон | |
| Мастерские столярно-плотничные | --- | --- | --- | --- | Передвижной вагон | 4,1х2,2 |
| Малярная станция | --- | --- | --- | --- | Передвижной вагон | 8х2,8 |
| Штукатурная | --- | --- | --- | --- | Передвижной вагон | 4,5х2,5 |
3.3 Расчёт складских площадок и помещений
| Конструкции, изделия, материалы. | Един. Измерения | Общая потребность Qобщ | Продолжительность укладки материалов в конструкцию Т, дни | Наибольший суточный расход Qобщ/Т | Число дней запаса n | Коэффициент неравномарного поступления α | Коэффициент неравномерности потребления k | Запас на складе Qзап | Норма хранения на 1м2 площади q | Полезная площадь склада F,м2 | Коэфициент использования площади склада β | Полная площадь склада S , м2 | Размеры склада, м2 | Характеристика склада |
| 1 | 2 | 3 | 4 | 5 | 6 | 7 | 8 | 9 | 10 | 11 | 12 | 13 | 14 | 15 |
| Кирпич керамеческий эффективный | т.шт. | 455,7 | 63 | 7,2 | 3 | 1,1 | 1,3 | 31,03 | 0,7 | 44,326 | 0,6 | 73,88 | 425,9 | Открытый |
| Лестничные марши | м3 | 11 | 1 | 11,0 | 2 | 1,1 | 1,3 | 31,46 | 0,6 | 52,433 | 0,6 | 87,39 | ||
| Лестничные площадки | м3 | 11 | 3 | 3,7 | 2 | 1,1 | 1,3 | 10,49 | 0,6 | 17,478 | 0,6 | 29,13 | ||
| Плиты перекрытия | м3 | 312,7 | 10 | 31,3 | 2 | 1,1 | 1,3 | 89,43 | 0,9 | 99,369 | 0,6 | 165,6 | ||
| Балконные плиты | м3 | 26,4 | 2 | 13,2 | 2 | 1,1 | 1,3 | 37,75 | 0,9 | 41,947 | 0,6 | 69,91 | ||
| Блоки дверные | м2 | 379 | 7 | 54,1 | 7 |
|
| 379 | 44 | 8,6136 | 0,6 | 14,36 | 169,7 | Под навесом |
| Блоки оконные | м2 | 172 | 7 | 24,6 | 7 |
|
| 172 | 45 | 3,8222 | 0,6 | 6,37 | ||
| Минераловатные плиты | м3 | 115,9 | 64 | 1,8 | 2 | 1,1 | 1,3 | 5,178 | 0,1 | 51,783 | 0,6 | 86,3 | ||
| Плитки керамические для полов | м2 | 1292 | 27 | 47,8 | 5 | 1,1 | 1,3 | 342,1 | 2,1 | 162,88 | 2,6 | 62,65 | ||
| Щиты паркетные | м2 | 978,5 | 34 | 28,8 | 3 | 1,1 | 1,3 | 123,5 | 1,1 | 112,24 | 1,6 | 70,15 | 70,15 | Закрытый |
3.4 Расчёт потребности строительства в воде
Водоснабжение строительства осуществляется от действующих систем водоснабжения. На строительной площадке вода расходуется на следующие нужды:
-
Производственные (Впр);
-
Хоз-бытовые (Вхоз);
-
Душевые установки (Вдуш);
-
Пожаротушение (Впож).
Полная потребность в воде составляет:
=
Расход воды на производственные нужды определяется на основании календарного плана и норм расхода воды.
График потребления воды на производственные нужды
| Потребители воды | Един. измер. | Общий объем | Продолжительность потребления | Количество | Норма расхода | Общий расход воды | Месяцы | ||||||||||||||||||||||
| Апрель | Май | Июнь | Июль | Август | Сентябрь | Октябрь | Ноябрь | Декабрь | Январь | Февраль | Март | ||||||||||||||||||
| Работа экскаватора | м-ч | - | - | 8 | 12 | 96 |
| 96 |
|
|
|
|
|
|
|
|
|
| |||||||||||
| Поливка бетона и опалубки | м3 | 88,12 | 14 | 6,29 | 300 | 1888,29 | 1888,3 | 1888,3 | 1888,3 | 1888,3 | 1888,3 |
|
|
|
|
|
|
| |||||||||||
| Поливка бетонная подговка | м3 | 23 | 8 | 2,88 | 325 | 934,38 |
|
|
|
| 934,38 |
|
|
|
|
|
|
| |||||||||||
| Штукатурные работы | м2 | 5349 | 63 | 84,90 | 8 | 679,24 |
|
|
|
|
|
| 679,24 | 679,24 | 679,24 | 679,24 |
|
| |||||||||||
| Малярные работы | м2 | 7967 | 68 | 117,16 | 1 | 117,16 |
|
|
|
|
|
|
|
|
| 117,16 | 117,16 | 117,16 | |||||||||||
| Поливка уплотняемого щебня | м3 | 1,479 | 1 | 1,48 | 8 | 11,83 |
|
|
|
| 11,83 |
|
|
|
|
|
|
| |||||||||||
| Итого: | 1888,29 | 1984,29 | 1888,29 | 1888,29 | 2834,50 | 0,00 | 679,24 | 679,24 | 679,24 | 796,40 | 117,16 | 117,16 | |||||||||||||||||
По максимальной потребности находим секундный расход на производственные нужды:
=
=
где:
-
R1- коэффициент неравномерности потребления воды равен 1.5
-
t1-это количество часов в смену (8ч).
Количество воды на хоз-бытовые нужды рассчитываем на основании максимального количества работающих (nобщ), пользующихся услугами и нормами воды на одного человека.
Максимальный расход воды на хоз-быт нужды в смену:
=
=
л
Секундный расход воды на хоз-бытовые нужды:
=
=
где:
-
R2- коэффициент неравномерности потребления воды равен 1.5
-
t2-это количество часов в смену (8ч).
Максимальный расход воды на душевые установки:
=
=
л
Секундный расход воды на душевые установки:
=
=
где:
-
R3- коэффициент неравномерности потребления воды равен 1
-
t3-время принятия душа(0,75ч)
Количество воды на пожаротушение принимаю 10 л в сек., т.е. предусматриваем одновременное действие двух гидрантов по 5л\с. Радиус действия одного гидранта 50 м.
=
Диаметр трубопровода для временного водопровода:
D=
=
мм
Скорость движения воды =1,5 м\с.
Принимаем диаметр трубы 100 мм с наружным диаметром 114мм.
3.5 Расчёт потребности строительства в электроэнергии
Эл. Снабжение осуществляется от действующих систем, через транспортную подстанцию.
Эл. Энергия расходуется для питания машин и мех-ов, эл.сварки, для освещения строй площадки и временных зданий.
График мощности установки для производственных нужд
| № | Механизмы | Ед. изм. | Кол-во | Устан. мощность эл/двигателя, кВт | Общая мощность эл/двигателя, кВт | Месяцы | |||||||||||||||||||||
| апрель | май | июнь | июль | август | сентябрь | октябрь | ноябрь | декабрь | январь | февраль | март | ||||||||||||||||
| 1 | Кран | Шт. | 1 | 40 | 40 |
| 40 | 40 | 40 | 40 | 40 |
|
|
|
|
|
| ||||||||||
| 2 | Растворонасосы СО-48Б | Шт. | 1 | 2,2 | 2,2 |
|
|
|
|
| 2 |
|
|
|
|
|
| ||||||||||
| 3 | Штукатурная станция "Салют-2" | Шт. | 1 | 10 | 10 |
|
|
|
|
|
| 10 | 10 | 10 | 10 |
|
| ||||||||||
| 4 | Окрасочный агрегат СО-74А | Шт. | 1 | 0,27 | 0,27 |
|
|
|
|
|
|
|
|
| 0,27 | 0,27 | 0,27 | ||||||||||
| 5 | Малярная станция СО-115 | Шт. | 1 | 40 | 40 |
|
|
|
|
|
|
|
|
| 40 | 40 | 40 | ||||||||||
| 6 | Паркетно-шлифовальная машина СО-155 | Шт. | 1 | 2,2 | 2,2 |
|
|
|
|
|
|
|
|
| 2,2 | 2,2 |
| ||||||||||
| 7 | Виброрейка СО-47 | Шт. | 2 | 0,6 | 1,2 |
| 1,2 | 1,2 | 1,2 | 1,2 |
|
|
|
|
|
|
| ||||||||||
| 8 | Машина для наклейки наплавляемого рубероида СО-121 | Шт. | 1 | 1,1 | 1,1 |
|
|
|
| 1,1 | 1,1 |
|
|
|
|
|
| ||||||||||
| 9 | Сварочные аппараты переменного тока ТД-300 | Шт. | 1 | 20 | 20 |
| 20 | 20 | 20 | 20 |
|
|
|
|
|
|
| ||||||||||
| Итого: |
| 61,2 | 61,2 | 61,2 | 62,3 | 43,3 | 10 | 10 | 10 | 52,47 | 42,47 | 40,27 | |||||||||||||||
Мощность силовой установки для производственных нужд:
=
где:
-
Rc- коэффициент спроса;
-
cos-коэффициент мощности;
-
Рпр- мощность двигателя.
=
кВТ
Мощность электросети для освещения территории производства работ.
Мощность сети для наружного освещения
| Потребители эл/энергии | Един. изм. | Коли-чество | Норма освещен-ности, кВт | Мощ-ность, кВт |
| Монтаж сборных конструкций | 1000м2 | 0,374 | 2,4 | 0,8976 |
| Открытые склады | 1000м2 | 0,42 | 1,2 | 0,504 |
| Внутрипостроечные дороги | км | 0,147 | 2,0 | 0,294 |
| Охранное освещение | км | 0,295 | 1,0 | 0,295 |
| Прожектора | шт | 4 | 0,5 | 2 |
| Итого: | 3,9906 | |||
=
=
кВТ
Мощность сети внутреннего освещения
| Потребители эл. энергии | Един. изм. | Количество | Норма освещенности, кВт | Мощность, кВт |
| Контора | 100м2 | 0,162 | 1,5 | 0,243 |
| Диспетчерская | 100м2 | 0,162 | 1,5 | 0,243 |
| Проходная | 100м2 | 0,06 | 1,0 | 0,06 |
| Гардеробная | 100м2 | 0,162 | 1,5 | 0,243 |
| Душевая | 100м2 | 0,162 | 1,0 | 0,162 |
| Сушильная | 100м2 | 0,162 | 1,0 | 0,162 |
| Для обогрева и приема пищи | 100м2 | 0,18 | 1,0 | 0,18 |
| Туалет с умывальником | 100м2 | 0,18 | 1,0 | 0,18 |
| Сантехнические мастерские | 100м2 | 0,09 | 1,3 | 0,117 |
| Электротехнические мастерские | 100м2 | 0,09 | 1,3 | 0,117 |
| Закрытые склады | 100м2 | 0,09 | 1,0 | 0,09 |
| Итого: | 1,797 | |||
Мощность сети для внутреннего освещения:
=
=
кВт
Определяем общую мощность сети:
=
кВт
Определяем мощность трансформатора:
=
кВт
Подбираю трансформатор ТМ-100/6
4. Мероприятия по охране труда и окружающей среды
СНиП III-4-80* ТБ в стоительстве.
ОРГАНИЗАЦИЯ СТРОИТЕЛЬНОЙ ПЛОЩАДКИ, УЧАСТКОВ РАБОТ И РАБОЧИХ МЕСТ.
2.1. Организация строительной площадки, участков работ и рабочих мест должна обеспечивать безопасность труда работающих на всех этапах выполнения работ.
Все территориально обособленные участки должны быть обеспечены телефонной связью или радиосетью.
2.2. При организации строительной площадки, размещении участков работ, рабочих мест, проездов строительных машин и транспортных средств, проходов для людей следует установить опасные для людей зоны, в пределах которых постоянно действуют или потенциально могут действовать опред. производственные факторы.
Опасные зоны должны быть обозначены знаками безопасно знаками надписями установленной формы.
2.3*. К зонам постоянно действующих опасных производственных факторов следует относить зоны:
вблизи от неизолированных токоведущих частей электроустановок;
вблизи от не огражденных перепадов по высоте на 1,3 м и более;
в местах, где содержатся вредные вещества в концентрациях выше предельно допустимых или воздействует шум интенсивностью выше предельно допустимой.
2.4*. К зонам потенциально действующих опасных производственных факторов следует относить:
участки территории вблизи строящегося здания (сооружения); этажи (ярусы) зданий и сооружений в одной захватке над которыми происходит монтаж (демонтаж) конструкций или оборудования;
зоны перемещения машин, оборудования или их частей, рабочих органов; места, над которыми происходит перемещение грузов грузоподъемными кранами.
2.6* Зоны постоянно действующих опасных производственных факторов ро избежание доступа посторонних лиц должны иметь защитные (предохранительные) ограждения, удовлетворяющие требованиям ГОСТ23407-78 {ГОСТ 12.4.059-89).
Производство строительно-монтажных работ в этих зонах допускается в соответствии - ПЛР, содержащими конкретные решения по защите работающих.
2,6* Зоны потенциально действующих опасных производственных факторов должны иметь сигнальные ограждения, удовлетворяющие требованиям ГОСТ 23407-78.
При производстве строительно-монтажных работ в указанных опасных зонах следует осуществить организационно-технические мероприятия, обеспечивающие безопасность работающих.
• Эксплуатация зданий и их отдельных частей, находящихся вблизи строящихся или реконструируемых зданий, допускается при условии, если перекрытие верхнею этажа эксплуатируемого здания не находится в опасной зоне возможного падения предметов вблизи строящегося (реконструируемого) здания или перемещения грузов грузоподъемными машинами, определяемой в зависимости от высоты возможного падения предмета до перекрытия верхнего этажа эксплуатируемого здания, а так при выполнении следующих мероприятий:
оконные, дверные проемы эксплуатируемого здания или его отдельных частей, попадающие в зону возможного падения предметов, должны быть закрыты защитными ограждениями;
входы и выходы эксплуатируемого здания должны быть у строен , за пределами опасной зоны.
2.7*. Границы опасных зон в местах, над которыми происходит перемещение грузов грузоподъемными кранами, а также вблизи строящихся зданий или сооружений устанавливаются ее гласно табл.
2.9. величины предельно допустимых концентраций вредных веществ в воздухе рабочей зоны, превышение которых создает опасность для человека и определяет границы опасной зоны, установлены в прил. 9.
2.10. Границы опасных зон вблизи движущихся частей и рабочих органа машин определяются расстоянием в пределах 5 м, если другие повышенные требования отсутствуют в паспорте или инструкции завода-изготовителя.
2.11. Строительная площадка в населенных местах или на территории действующих предприятий во избежание доступа посторонних лиц должна быть ограждена. Конструкция ограждений должна удовлетворять требованиям ГОСТ 23407-78. Ограждения, примыкающие к местам массового прохода людей, необходимо оборудовать сплошным защитным козырьком.
2.12. При размещении временных сооружений, ограждений, складов и лесов следует учитывать требования по габаритам принижения строений к движущимся i Злизи средствам транспорта.
2.1?* Пожарную безопасность на строительной площадке, участках работ и рабочих местах следует обеспечивать в соответствии с требованиями Правил пожарной безопасности при производстве строительно-монтажных работ (ППБ-05-86), утвержденных ГУПО МВД СССР.
2.14. Электробезопасность на строительной площадке, участках и рабочих местах должна обеспечиваться: а соответствии с требованиями ГОСТ 12.1.013-78.
2.15. Контроль содержания вредных веществ в воздухе рабочей зоны, указанных в прил. 9, а также контроль освещенного, предельных зон и вибрации и шума, норм температуры, относительной влажности и скорости движения воздуха на рабочих местах необходимо осуществлять приборами.
Для контроля указанных величин следует привлекать строительные лаборатории, а для контроля других вредных производственных факторов— специализированные или санитарные лаборатории.
2.16. При выполнении строительно-монтажных работ на территории или в цехах действующих промышленных предприятий контроль за соблюдением санитарно-гигиенических норм должен осуществляться в порядке, установленном для данного предприятия.
2.17*. Строительная - площадка, участки работ, рабочие - места, проезды и подходы к ним б темное время суток должны быть освещены в соответствии о ГОСТ 12.1.046—85. Освещенность должна бы .»равномерной, без слепящего действия осветительных приспособлений на работающих. Производство работ в неосвещенных местах не допускается.
2.18. Колодцы, шурфы и другие выемки в грунте в местах возможного доступа людей должны быть закрыты крышками, прочными щитами или ограждены. В темное время суток ограждения должны быть обозначены электрическими сигнальными лампами напряжением не выше 42 В.
ЭКСПЛУАТАЦИЯ СТРОИТЕЛЬНЫХ МАШИН.
3.1.* Эксплуатацию строительных машин (механизмов, средств малой механизации), включая техническое обслуживание, следует осуществлять в соответствии с требованиями ГОСТ 12.3.033-84, СНиП 3.01.01-85 и инструкций заводов-изготовителей. Эксплуатация грузоподъемных машин, кроме того, должна производиться с учетом требований Правил устройства и безопасной эксплуатации грузоподъемных кранов, утвержденных Госгортехнадзором СССР.
3.2. Лица, ответственные эа содержание строительных машин в рабочем состоянии, обязаны обеспечивать проведение, их технического обслуживания и ремонта в соответствии с требованиями эксплуатационных документов завода-изготовителя.
3.3- Руководители организации, производящей строительно-монтажные работы с применением машин, обязаны назначать инженерно-технических работников, ответственных за безопасное производство этих работ из числа лиц прошедших проверку знаний правил и инструкций по безопасному производству работ с применением данных машин.
3.4. До начала работы с применением машин руководитель работ должен определить схему движения и место установки машин, места и способы зануления (заземления) машин, имеющих электропривод, указать способы взаимодействия и сигнализации машиниста (оператора) с рабочим-сигнальщиком, обслуживающим машину, определить (при необходимости) место нахождения сигнальщика, а также обеспечить надлежащее освещение рабочей зоны.
3.5. Место работы машин должно быть определено так, чтобы было обеспечено пространство, достаточное для обзора рабочей зоны и маневрирования. В случае, когда машинист или моторист, управляющей машиной, не имеет достаточную обзорность рабочего пространства или не видит рабочего (специально выделенного сигнальщика), подающего ему сигналы, между машинистом и сигнальщиком необходимо установить двустороннюю радиосвязь или телефонную связь. Использование промежуточных сигнальщиков для передачи сигналов машинисту не допускается.
3.6. Значение сигналов, подаваемых в процессе работы или передвижения машины, должно быть разъяснено всем лицам, связанным с работой
В зоне работы машины должны быть установлены знаки безопасности и предупредительные надписи.
3.7. Оставлять без надзора машины с работающим (включенным) двигателем, не допускается.
3.8. Перемещение, установка и работа машин вблизи выемок (котлованов, траншеи, канав и т. п.) с неукрепленными откосами разрешается только за пределaми призмы обрушения грунта на расстоянии, установленном проектом производства работ.
При отсутствии соответствующих указаний в проекте производства работ допустимое расстояние по горизонтали от основания откоса выемки
3.9. При эксплуатации машин должны бы, приняты меры, предупреждающие их опрокидывание или самопроизвольное перемещение под действием ветр» или при наличии уклона местности.
3.11. Техническое обслуживание машины должно осуществляться толь
ко после остановки двигателя и снятия давления в гидравлической и пневматической системах, кроме тех случаев, которые предусмотрены инструкцией завода-изготовителя.
ИЗОЛЯЦИОННЫЕ РАБОТЫ.
8.1. При выполнении изоляционных работ (гидроизоляционных, теплоизоляционных, антикоррозионных) с применением огнеопасных материалов, а также выделяющих вредные вещества следует обеспечить защиту работающих от воздействия вредных веществ, а также от термических и химических ожогов.
8.2*. При производстве антикоррозионных работ, кроме требований настоящих норм и правил, следует выполнять требования ГОСТ 12.3.016-87.
8.3. При применении пека или каменноугольной смолы необходимо соблюдать Санитарные правила при транспортировке и работе с пеками, утвержденные Минздравом СССР,
8.4. Битумную мастику следует доставлять к рабочим местам, как правило, по битумопроводу или при помощи грузоподъемных машин. При необходимости перемещения горячего битума на рабочих местах вручную следует применять металлические бачки,. имеющие форму усеченного конуса, обращенного широкой частью вниз, с плотно закрывающимися крышками и запорными устройствами.
8.5. Не допускается использовать в работе битумные мешки температурой выше 180 * С.
8.7. Для подогрева битумных составов внутри помещений н допускается применять устройства с открытым огнем.
8.8. При проведении изоляционных работ внутри аппаратов или закрытых помещений должно быть обеспечено их проветривание и местное электроосвещение от электросети напряжением не выше 128с арматурой во взрывобезопасном исполнении.
8 10. При выполнении работ с применением горячего битума несколькими рабочими звеньями расстояние между ними дол ;но быть не менее 10 м.
8.Ц. Стекловату и шлаковату следует подавать к месту работы в контейнерах или пакетах, соблюдая условия, исключающие распыление.
8.12. На поверхностях конструкций или оборудования после покрытия их теплоизоляционными материалами, закрепленными вязальной проволокой с целью подготовки под обмазочную изоляцию, не должно быть выступающих концов проволоки.
8.13*.Теплоизоляционые работы на технологическом оборудовании и трубопроводах должны выполняться согласно ГОСТ 12,3.038-85 и, как правило, до их установки или после постоянного закрепления в соответствии с проектом, v.14.При приготовлении грунтовки, состоящей из растворителя и битума, следует расплавленный битум вливать в растворитель.
Не допускается вливать растворитель в расплавленный битум.
ЗЕМЛЯНЫЕ РАБОТЫ.
9.1. До начала производства земляных работ в местах расположения действующих подземных коммуникаций должны быть разработаны и согласованы с организациями, эксплуатирующими коммуникации, мероприятия по безопасным условиям труда, а расположение подземных коммуникаций на местности обозначено соответствующими знаками или надписями.
9.2. Производство маляных работ в зоне действующих подземных ком-й следует осуществлять непосредственным руководством при мастере, а в охранной зоне кабелей, находящихся под напряжением или действующего газопровода, кроме того, под наблюдением электро или газового хозяйства.
9.14. Устанавливать крепления необходимо в направлении сверху вниз по мере разработки аыемки на глубину не более 0,6 м.
Разборку креплений следует производить а направлении снизу вверх по мере обратной засыпки выемки.
9.1В. Разработка роторными и траншейными экскаваторами в связных грунтах (суглинках) траншей с вертикальными стенками без крепления допускается на глубину не более 3 м. В местах, где требуется пребывание рабочих, должны устраиваться крепления траншей или откосов.
9.16. Производство работ в котлованах и траншеях с откосами, подвергшимися увлажнению, разрешается только после тщательного осмотра производителем работ (мастером) состояния грунта откосов и обрушивания неустойчивого грунта & местах, где обнаружены „козырьки" или трещины (отслоения).
9.17. Перед допуском рабочих в котлованы или траншеи глубиной больше 1,3 м должна быть проверена устойчивость откосов или крапления стен.
9,18. Котлованы и траншей, разработанные в зимнее время, при наступлении оттепели должны быть осмотрены, а по результатам осмотре должны быть приняты меры к обеспечению устойчивости откосов или креплений.
9.19. В случаях необходимости выполнения работ, связанных с электропрогревом грунта, должны соблюдаться требования ГОСТ 12.1.013 78. Прогреваемую площадь следует ограждать, устанавливать на ней предупредительные сигналы, а а ночное время освещать. Расстояние между ограждением и контуром прогреваемого участка должно быть не менее 3 м. На участках прогреваемой площади, находящихся под напряжением, пребывание людей не допускается.
9.20. Линии временного электроснабжения к прогреваемым участкам Фунта надлежит выполнять изолированным проводом, а после каждого перемещения электрооборудования и перекладки электропроводок следует визуально проверять их исправность,
9.21. При извлечении грунта из выемок с помощью бадей необходимо Устраивать защитные навесы-козырьки для укрытия работающих в выемке.
Облицовочные работы.
1.1. К облицовочным работам допускаются рабочие, достигшие 18 лет, прошедшие медицинское освидетельствование н обучение в соответствии с квалификационным разрядом.
1.2. К самостоятельной работе допускаются рабочие, прошедшие стажировку и обучение безопасным методам и приемам работы. Полученные знания техники безопасности должны быть подтверждены выданным удостоверением и записью в журнале установленной формы.
1.3. Правила внутреннего распорядка необходимо знать и соблюдать во время работы.
1.4. Алкогольное опьянение является одной из причин травматизма на стройке. Не допускайте появление нетрезвых людей на Вашем объекте.
1.5. 0сновными опасными факторами на Вашей работе являются:
- движущиеся машины и их части;
- неизолированные токоведущие части электроустановок;
- грузы, перемещаемые грузоподъемными машинами;
- неограждаемые проемы на высоте более 1,3 метра, открытые люки, колодцы, траншеи;
- неисправные механизмы. на которых работаете Вы и Ваши товарищи;
- неблагоприятные погодные условия при работе на открытой площадке (пониженная или повышенная температура воздуха, сильный дождь, гроза, снегопад, ветер более 9 м/сек., гололед);
- плохая освещенность рабочего места, проходов и проездов;
- воздействие паров соляной кислоты;
- токсичность, легкая воспламеняемость составных частей и готовых мастик.
1.6. Администрация обязана обеспечить облицовщика следующей спецодеждой и средствами индивидуальной защиты: комбинезоном хлопчатобумажным по ГОСТ 12.4. 100-80; рукавицами комбинированными по ГОСТ 12.4.010-75; ботинками кожаными по ГОСТ 12.4.137-84; защитной каской по ГОСТ 12.4.087-84: респиратором типа РУ-60 М по ГОСТ 17269-71; очками защитными по ГОСТ 12.4.013-85.
При приготовлении ксилолитовых масс дополнительно резиновыми перчатками по ГОСТ 20010-74 и резиновыми сапогами по ГОСТ 5375-87. :
Зимой дополнительно выдается: куртка по ГОСТ 12. 4.084-80; брюки по ГОСТ 12. 4.084-80; валенки по ГОСТ 18724-80.
1.7. Опасными факторами при производстве облицовочных работ также является электроопасность, опасность при эксплуатации натирочных и шлифовальных машин, запыленность рабочих мест при приготовлении растворов, сухих смесей, горячих и холодных мастик.
1.8. Облицовщик должен знать правила пожарной безопасности и схему действий при пожаре на объекте.
1.9. При обнаружении неисправности инструмента, оборудования и приспособлений и других неполадках сообщить мастеру.
1.10. Рабочие, нарушающие производственную дисциплину и не выполняющие требования охраны труда, отстраняются от работы и несут дисциплинарную, административную и судебную ответственность в зависимости от тяжести последствий по действующему законодательству.
1.15. Перевод с одного объекта на другой производится приказом по организации. При этом проводится дополнительный инструктаж по технике безопасности.
ТРЕБОВАНИЯ БЕЗОПАСНОСТИ ПЕРЕД НАЧАЛОМ РАБОТЫ.
2.1. Перед началом работы необходимо:
- получить указание от мастера или бригадира о порядке производства работ и безопасных приемах ее выполнения;
- надеть спецодежду и приготовить средства индивидуальной защиты;
- осмотреть рабочее место, привести его в порядок, убрать ненужные предметы и материалы, проходы освободить;
- необходимые для работы материалы и инструмент расположить непосредственно у рабочего места в порядке очередности их использования;
- осмотреть инструмент, о неисправностях сообщить мастеру для их устранения;
2.2. Спецодежда и обувь должны быть целыми, подобранными по размеру, иметь вес крепления (пуговицы, шнурки, замки и др.).
2.3. Головной убор надеть плотно, спрятав под него волосы.
2.5. При осмотре средств индивидуальной защиты проверьте:
2.5.1. Наличие у защитной каски срока носки. При обнаружении трещин, вмятин, обрывов креплений сдайте ее мастеру и получите новую.
ТРЕБОВАНИЯ БЕЗОПАСНОСТИ ВО ВРЕМЯ РАБОТЫ.
3.1. При обработке камней места работы с расстоянием между ними менее 3 метров должны быть защищены. Размещение облицовщиков лицом друг к другу без установки защитных экранов не допускается.
3.2.0бработку камней в пределах территории строительной площадки проволите в отдельных осажденных мостах, доступ в которые лицам, не участвующим в работе, запрещается. Обработку камней проводите в рукавицах и очках с небьющимися стеклами.
3.2.1. При сухой обработке облицовочных элементов внутри помещений у рабочих мест необходимо устанавливать пылеотсасывающие устройства.
3.3.Во время очистки полов кислотными растворителями помещения необходимо проветривать.
3.4. Обработку керамических плиток производите исправными инструментами и приспособлениям. Для резки и обработки кромок глазурованной и метлахской плитки применяйте специальные резцы из твердых сплавов, электроточильные инструменты и станки.
3.5.Сверление отверстий и кирпиче и бетоне производите в предохранительных очках из небьющегося стекла.
ТРЕБОВАНИЯ БЕЗОПАСНОСТИ В АВАРИЙНЫХ СИТУАЦИЯХ.
4.1. При пожаре на объекте нужно прекратить работу, вызвать пожарных и действовать в соответствии с инструкцией по пожарной безопасности на объекте.
4.2. Загорание нефтепродуктов нужно тушить песком, углекислотными или сухими огнетушителями, прекращением доступа кислорода, укрытием плотной тканью (брезентом).
4.3. При поражении электрическим током необходимо:
- быстро отключить, источник поражающего тока, а , если это невозможно, приняв меры собственной безопасности, отделить пострадавшего от источника тока;
- вызвать врача и оказать доврачебную помощь.
4.4. Для отделения пострадавшего от токоведущих частей напряжением до 1000 В необходимо принята меры собственной безопасности, для чего в сухую погоду оттянуть пострадавшего за части одежды, не прилегающие к телу (рукав, полы костюма и др.).При возможности отвести токоведущую часть (провод) предметом-изолятором (сухая доска).Можно изолировать себя от действия тока, для чего необходимо стать на сухую доску, резиновый коврик или надеть диэлектрические перчатки. Разъединение пострадавшего и токоведущей части безопасней проводить одной рукой.
4.5. При напряжении в токоведущих частях более 1000 В действуют так же, но в диэлектрических перчатках и ботах, применяя специальные шланги и клещи.
4.6. Порядок оказания доврачебной помощи следующий:
- освободить пострадавшего от повреждающего действия (высокой наружной температуры, химических веществ, электротока, сдавливающих тяжестей);
- дать пострадавшему возможность дышать свежим воздухом, для чего вынести его из загазованного помещения. На открытом воздухе расстегнуть пояс, ворот, очистить нос и гортань;
- остановить кровотечение наложением давящей повязки.
4.7. Во всех случаях травмы или внезапного заболевания вызвать врача, а при невозможности, доставить пострадавшего в ближайший пункт медпомощи.
4.8.При работе на действующем предприятии работу вести по наряду - допуску, в котором должны быть указаны опасные факторы производства и меры, принимаемые при аварии.
ТРЕБОВАНИЯ БЕЗОПАСНОСТИ ПО ОКОНЧАНИИ РАБОТ.
5.1. По окончании работы необходимо:
- отключить электроинструменты и механизмы от электросети;
- навести порядок на рабочем месте; убрать лишний материал, строительный мусор, ветошь сложить в металлические ящики с крышками;
- инструмент вычистить, промыть, высушить и убрать;
- спецодежду вычистить и повесить в гардеробную;
- индивидуальные защитные приспособления привести в порядок и сдать в кладовую;
- сообщить мастеру об окончании работы и о замеченных неисправностях;
- принять теплый душ. или вымыть руки теплой водой с нейтральным мылом, вытереться мягким полотенцем. После этого смазать руки ланолиновым кремом, вазелином или другим средством, согласованным с медиками.
ПРАВИЛА БЕЗОПАСНОСТИ ТРУДА ПРИ ПОДАЧЕ МАТЕРИАЛОВ НА РАБОЧЕЕ МЕСТО
Каменные материалы и раствор на рабочее место подаются кранами, погрузчиками и средствами малой механизации или с помощью лотков и желобов, имеющих бортики. Конструкции грузозахватных приспособлений (захватов, футляров, поддонов, контейнеров и др.) должны быть надежными и исключать самопроизвольное раскрытие, опрокидывание и выпадение из них строительных материалов. Грузы на лесах и подмостях располагают в соответствии с вывешиваемыми на рабочих местах схемами размещения и величинами нагрузок. Допускается нагрузка на настил лесов и подмостей при каменной кладке не более 2500 Н (250 кг). Скопление людей на настилах лесов и подмостей в одном месте запрещено.
Спуск груза на настил производят с наименьшей скоростью, плавно и без толчков. Подача материалов на рабочее место осуществляется с внешней стороны здания. Нельзя проносить краном груз над рабочими.
Материалы нельзя оставлять на весу во время обеденного и других перерывов в работе.
Перед подъемом сборных конструкций монтажные петли очищают от раствора или бетона, тщательно их осматривают и выправляют.
БЕЗОПАСНЫЕ УСЛОВИЯ ТРУДА ПРИ ВЕДЕНИИ КАМЕННОЙ КЛАДКИ
К каменным работам допускаются рабочие, прошедшие вводный инструктаж по соблюдению правил безопасности труда и инструктаж непосредственно на рабочем месте. Каменщик обязан пользоваться выданной спецодеждой, спецобувью, предохранительными приспособлениями, защитной каской и выполнять только ту работу, по которой получил инструктаж. Рабочее место его должно содержаться в чистоте и порядке в течение всего рабочего дня и должно быть ограждено перилами не ниже 1 м, если оно расположено на высоте более 1 м над землей или перекрытием.
Отверстия в перекрытиях и проемы лестничных клеток ограждаются досками по всему периметру или закрываются сплошным прочным настилом. Инвентарные подмости и леса устанавливают на ровное и надежное основание так, чтобы зазор между стеной и рабочим настилом был не более 50 мм. Ширина прохода между сложенными материалами и стеной должна составлять не менее 0.6 м, а ширина настила на лесах и подмостях — не менее 2 м. При использовании подмостей высотой более 2,5 м их крепят к стене. Настилы, подмости, леса и стремянки периодически во время и после работы очищают от строительного мусора, а в зимнее время — от снега, наледи и посыпают песком или шлаком.
Кладку стен и расшивку наружных швов выполняют только с перекрытия или подмостей. Каждый ярус стены необходимо выводить выше уровня рабочего настила подмостей на два ряда. При возведении наружных стен на уровне подошвы, а также площадки карнизов и при очистке защитных козырьков каменщик обязан пользоваться предохранительным поясом. Кирпичную кладку стен высотой до 7 м ведут только при наличии ограждения по всему периметру здания на расстояние не менее 1,5 м от стен и защитных тамбуров над входом в него. При высоте стен более 7 м с наружной стороны устанавливают защитные козырьки в виде настила на кронштейнах шириной не менее 1,5 м с углом наклона от стены вверх 20° к горизонту. Первый ряд козырьков на высоте 6—7 м оставляется до выведения кладки стен на всю высоту, а второй ряд — на высоте 6—7м над первым, и переставляют его через 6— 7 м по ходу кладки. Ходить по защитным козырькам, использовать их в качестве подмостей и складировать на них материалы запрещается.
Установка креплений плит облицовки и элементов сборных карнизов должна выполняться в соответствии с рабочими чертежами. Снимают временные крепления только после того, как раствор наберет проектную прочность.
Применяемый ручной инструмент для каменной кладки должен быть исправным. На нем не должно быть выбоин, сколов, заусенцев и острых ребер. Рукоятки подгоняют и надежно закрепляют. После окончания работ инструменты очищают от раствора и грязи и убирают в предназначенное для их хранения место. Оставлять инструмент и приспособления, а также строительные материалы на стенах или перегородках запрещается. При гололеде, густом тумане, ветре более 6 баллов, ливневом снегопаде каменные работы прекращаются.
На участке (захватке), где ведутся монтажные работы, не допускается выполнение других работ и нахождение посторонних лиц.
При возведении зданий и сооружений запрещается выполнять работы, связанные с нахождением людей на одном участке над которыми производятся перемещение, установка и временное закрепление элементов сборных конструкций.
Способы строповки элементов конструкций и оборудования должны обеспечивать их подачу к месту установки в положении близком к проектному.
Запрещается подъем сборных железобетонных конструкций, не имеющих монтажных петель или меток, обеспечивающих их правильную строповку и монтаж.
Очистку подлежащих монтажу элементов конструкций от грязи следует производить до их подъема.
Строповку конструкций и оборудования следует производить грузозахватными средствами, обеспечивающими возможность дистанционной расстроповки с рабочего горизонта в случаях, когда высота до замка грузозахватного средства превышает 2 м.
Элементы монтируемых конструкций или оборудования во время перемещения должны удерживаться от раскачивания и вращения гибкими оттяжками.
Не допускается пребывание людей на элементах конструкций во время их подъема или перемещения.
Во время перерывов в работе не допускается оставлять поднятые элементы конструкций на весу.
Расчалки для временного закрепления монтируемых конструкций должны быть прикреплены к надежным опорам (фундаментам, якорям и т.п.).
Для перехода монтажников с одной конструкции на другую следует применять инвентарные лестницы, переходные мостики и трапы, имеющие ограждение.
Не допускается переход монтажников по установленным конструкциям и их элементам, на которых невозможно установить ограждение, обеспечивающее ширину прохода, без применения специальных предохранительных приспособлений (надежно натянутого вдоль фермы каната для закрепления карабина предохранительного пояса и др.).
Расстроповку элементов конструкций, установленных в проектное положение, следует производить после постоянного или временного надежного их закрепления. Перемещать установленные элементы конструкций или оборудования после их расстроповки, за исключением случаев, обоснованных ППР, не допускается.
Не допускается выполнять монтажные работы на высоте в открытых местах при скорости ветра 15 м/с и более при грозе или тумане, исключающем видимость в пределах фронта работ.
Не допускается нахождение людей под монтируемыми элементами конструкций и оборудования до установки их в проектное положение и закрепления.
При необходимости нахождения работающих под монтируемым оборудованием (конструкциями), должны осуществляться специальные мероприятия, обеспечивающие безопасность работающих.
Навесные монтажные площадки, лестницы и другие приспособления, необходимые для работы монтажников на высоте, следует устанавливать и закреплять на монтируемых конструкциях до их подъема.
Навесные металлические лестницы высотой более 5 м должны быть ограждены металлическими дугами с вертикальными связями и надежно прикреплены к конструкции или к оборудованию.
В процессе монтажа конструкций, зданий или сооружений монтажники должны находиться на ранее установленных и надежно закрепленных конструкциях или средствах подмащивания.
При перемещении конструкций расстояние между ними и выступающими частями других конструкций должно быть по горизонтали не менее 1 м, по вертикали – не менее 0,5 м.
Литература
1. СНиП 3.01.01 - 85*. Организация строительного производства (изд. 1990)
2. СНиП 3.01.03-84. Геодезические работы в строительстве.
3. СНиП 3.03.01 - 87. Несущие и ограждающие конструкции.
4. Пособие Ш-99 к СНиП 3.03.01 - 87. Проектирование и устройство тепловой
изоляции наружных стен здании методом «Термошуба». 5. СНиП 3.04.01 - 87. Изоляционные и отделочные покрытия.
6. СНиП 3.04.03-85. Защита строительных конструкций и сооружений от коррозии.
7. СНиП Ш-4-80*. Техника безопасности в строительстве.
8. СНБ 5.01.01-99, Основания и фундаменты зданий и сооружений. Контроль качества и приемка работ.
9. Пособие П4-2000 к СНБ 5.01.01-99. Проектирование набивных свай.
10. СТБ 1164.0-99. Основания и фундаменты зданий и сооружений. Контроль качества и приемка работ.
11. СНБ 5.06.01-2000. Кровли.
12. СНБ 5.05.01-2000. Деревянные конструкции (проектирование, расчет).
13. СНБ 1.02.01-96. Инженерные изыскания для строительства.
14, СНБ 2.02.01-98. Пожарно-техническая классификация зданий, строительных конструкций и материалов.( взамен 2.01.02-85*).
15. СНБ 1.03.04-2000. Приемка законченных строительством объектов. Основные положения.
16. СНБ 1.01.04-99. Всеобщее руководство качеством в строительстве. Основные положения.
17. Пособие П1-99 к СНБ 1.01.04-99. Системы качества в строительно-монтажных организациях.
1>1>1>1>1>
















