144338 (620519)
Текст из файла
МИНИСТЕРСТВО ОБРАЗОВАНИЯ РОССИЙСКОЙ ФЕДЕРАЦИИ
Пермский государственный технический университет
Строительный факультет
Кафедра строительных конструкций
ПОЯСНИТЕЛЬНАЯ ЗАПИСКА
К курсовому проекту на тему
Металлическая балочная клетка
Выполнил гр. ПГС07
Краснов В.Г.
Руководитель Чазова А.К.
г. Пермь 2010
Содержание
-
Исходные данные на проектирование
-
Расчёт стального настила
-
Расчёт балки настила Б2
-
Расчёт главной балки
4.1 Сбор нагрузок на главную балку
4.2 Конструктивный расчёт
4.3 Изменение сечения главной балки
4.4 Расчет соединения поясов со стенкой
4.5 Проверки местной устойчивости элементов главной балки
4.6 Сопряжение балок настила с главными балками
4.7 Расчет опорного ребра главной балки
4.8 Монтажный стык главной балки
-
Расчет центрально сжатой колонны К4
5.1 Расчет сплошного сечения
5.2 Расчет сквозного сечения
6. Список литературы
1. ИСХОДНЫЕ ДАННЫЕ НА ПРОЕКТИРОВАНИЕ
| Буква Ф.И.О. | № п/п | Исходные данные | Условные обозначения | Ед. изм. | Размер, величина, сталь |
| К | 1 | Шаг балок настила | а | м | 1,6 |
| Р | 2 | Пролет балок настила | l | м | 5,2 |
| А | 3 | Пролет главных балок | L | м | 9,0 |
| С | 4 | Нормативная постоянная нагрузка | qnпост | кН/м2 | 8,0 |
| Н | 5 | Нормативная временная нагрузка | qnвр | кН/м2 | 17,0 |
| О | 6 | Высота этажа | H | м | 6,0 |
| В | 7 | Сталь балок настила | С345 | ||
| В | 8 | Сталь колонн | С345 | ||
| А | 9 | Сталь поясов главной балки | С255 | ||
| Л | 10 | Сталь настила, стенки главной балки | С245 | ||
| Е | 11 | Класс бетона фундамента | В10 | ||
| Н | 12 | Коэффициент надежности по нагрузке (постоянной) | γf пост | 1,1 | |
| Т | 13 | Коэффициент надежности по нагрузке (временной) | γf вр | 1,3 | |
| И | 14 | Тип настила – стальной с относительным прогибом |
|
| |
| Н | 15 | Типы электродов, марки сварочной проволоки [СНиП П-23-81*, табл. 55] |
КОМПОНОВКА БАЛОЧНОЙ КЛЕТКИ
Балочная клетка одноэтажной рабочей площадки, рекомендуемая к разработке по заданию, соответствует нормальному типу балочных клеток и представляет собой систему пересекающихся несущих балок (главных балок и балок настила), на которые опирается плоский стальной настил. Постоянные и временные нагрузки в балочной клетке нормального типа передаются с настила на балки настила, которые в свою очередь передают их на главные балки, опирающиеся на колонны.
В курсовом проекте в учебных целях принимаются главные балки, состоящие из двух взаимозаменяемых отправочных элементов. Так как главные балки имеют посередине монтажные стыки, то балки настила располагают симметрично относительно середины пролета главных балок. Для упрощения сопряжения балок настила с главными необходимо среднюю часть пролета главной балки оставить свободной, т.е. балка настила не должна приходиться на монтажный стык. Сопряжение балок настила с главными балками принимается в одном уровне верхних поясов.
Рис. 1.1 Монтажная схема балочной клетки а – план, б – разрез 1-1
Для балок настила марки Б1 ширина грузовой площади составляет а/ / 2 = 1 / 0,5 = 0,25 м, для балок настила Б2 ширина грузовой площади равна шагу этих балок а = 1,6 м. На главные балки марки Г1 нагрузка собирается с ширины l / 2 = 5,2 / 2 = 2,6 м. Для главных балок Г2 ширина грузовой площади равна расстоянию между главными балками или пролету балок настила l = 5,2 м.
Площади сбора нагрузок на колонны:
К1 –
=
= 11,7 м2 ; К2 –
=
= 23,4 м2 ;
К3 –
=
= 23,4 м2 ; К4 – L · l = 9 ·5,2 = 46,8 м2.
Рис. 1.2 Монтажная схема балочной клетки с грузовыми площадями на несущие элементы: 1 – настил, 2 – балка настила Б2, 3 – главная балка Г2, 4 – колонна К4
2. РАСЧЕТ СТАЛЬНОГО НАСТИЛА
Определяем толщину настила из условия прогиба. Первоначально примем толщину настила
мм, так как
кН/м
.
Плотность стали
кН /м
, коэффициент надежности по нагрузке для конструкций из стали
.
Сбор нагрузок на настил производим в табличной форме
Таблица 2.1 Нагрузка на 1 м
настила
| N п/п | Вид нагрузки | Усл. обозн. | Ед. изм. | Нормативная нагрузка | Коэффициент надежности по нагрузке γf | Расчётная нагрузка |
| Постоянные нагрузки | ||||||
| 1 | Собственный вес настила tн · γs = 0,012· 78,5 | qсн | кН/м2 | 0,942 | 1,05 | 0,989 |
| Временные нагрузки | ||||||
| 2 | Длительные (вес оборудования) | qвр.дл. | кН/м2 | 8 | 1,1 | 8,8 |
| 3 | Кратковременная (вес продукции) | qвр.кр | кН/м2 | 17 | 1,3 | 22,1 |
| Итого |
| кН/м2 | 25,942 | 31,89 | ||
Расчет сочетаний нагрузок
Суммарное значение нормативной нагрузки на настил
= (0,942 + 0,95*8 + 0,9*17)*0,95 = 22,65 кн/м2
где: Ψ1=0,95 – коэффициент сочетаний для временных длительных нагрузок;
Ψ2=0,90 – коэффициент сочетаний для временных кратковременных нагрузок;
γn=0.95 – коэффициент надежности для II группы ответственности здания;
Требуемая толщина настила
,
пролет настила
.
Ориентировочно ширина полки балки настила принимается
= 0,1 м, тогда расчетный пролет настила равен
160 – 10 = 150 см.
Рис. 2.1 Стальной настил: а – конструктивная схема б – расчётная схема
;
= 150;
– цилиндрическая жесткость пластинки;
=
= 2,31·10
кН/см
;
= 0,3 – коэффициент Пуассона.
где
- нормативная нагрузка на настил в кН/м2.
,
Требуемая толщина настила
= 1,52 см; принимаем
мм.
Полученная толщина настила из условия жесткости больше рациональной
мм, поэтому принимаем
мм, настил подкрепляем ребрами, расположенными перпендикулярно балкам настила.
Шаг ребер
см.
Принимаем шаг ребер
90 см.
Рис. 2.2 расстановка рёбер жесткости
Расчетная схема настила с ребром жесткости представляет собой однопролетную балку таврового сечения пролетом lр, равным расстоянию между центрами площадок опирания настила на балки. В состав условного сечения балки включена часть настила шириной:
где
;
кН/см
при t = 8 мм табл. 51 [1]; E = 2,1· 10
кН/см
;
=19,03 см;
= 39,06 см;
см <
см.
= 10 см
Рис. 2.3 Настил, усиленный ребрами жесткости: а – конструктивная схема; б – расчетная схема
Геометрические характеристики расчетного сечения настила, подкреплённого ребрами:
= 39,06 · 1 + 10 · 1 = 49,06 см
– площадь сечения.
Находим положение центра тяжести относительно оси х1
=3,5 см,
где
= 4+0,4 = 4,4 см.
Момент инерции относительно оси х
Момент сопротивления относительно оси х
см
;
=7,5 см.
Проверка несущей способности настила, подкрепленного ребрами
Таблица 2.2 Нагрузка на 1 м
настила, усиленного ребрами жесткости
| N п/п | Вид нагрузки | Усл. обозн. | Ед. изм. | Нормативная нагрузка | Коэффициент надежности по нагрузке γf | Расчётная нагрузка | |||||
| Постоянные нагрузки | |||||||||||
| 1 | Собственный вес настила tн · γs = 0,01· 78,5 | qсн | кН/м2 | 0,785 | 1,05 | 0,824 | |||||
| С.в. ребер жесткости | qp | кН/м2 | 0,087 | 1,05 | 0,092 | ||||||
| Временные нагрузки | |||||||||||
| 2 | Длительные (вес оборудования) | qвр.дл. | кН/м2 | 8 | 1,1 | 8,8 | |||||
| 3 | Кратковременная (вес продукции) | qвр.кр | кН/м2 | 17 | 1,3 | 22,1 | |||||
| Итого |
| кН/м2 | 25,872 | 31,816 | |||||||
Суммарное значение нормативной нагрузки на настил с учетом веса ребер
=
= (0,785+0,087+0,95*8+0,9*17)*0,95= 22,58 кн/м2
Погонная нормативная нагрузка на балку условного сечения
кН/м.
Суммарное значение расчетной нагрузки на настил
=
= (0,824+ 0,092+ 0,95*8,8+ 0,9*22,1)* 0,95 = 29,17 кн/м2
Погонная расчетная нагрузка
кН/м.
Максимальный изгибающий момент в настиле
= 6,64 кНм.
Максимальная поперечная сила
= 17,72 кН
Растягивающее цепное усилие (распор)
;
=1,23;
кН/см.
Проверка прочности по нормальным напряжениям
= 20,69 кН/см
<
=24,5 кН/см
.
прочность настила, подкрепленного ребрами с шагом
см по нормальным напряжениям обеспечена.
Проверка прочности по касательным напряжениям
;
где
= 0,58 · 24,5 = 14,21 кН/см
.
= 0,45 кН/см
< 14,21 кН/см
– прочность по касательным напряжениям обеспечена.
Проверка жесткости настила
<
жесткость настила обеспечена.
3. РАСЧЕТ БАЛКИ НАСТИЛА Б2
Балка настила Б2 выполняется из прокатного двутавра. Подберем 3 типа двутавров и выберем из них наиболее экономичный.
1) Двутавр с не параллельными гранями полок по ГОСТ 8239-89.
2) Двутавр балочный с параллельными гранями полок по ГОСТ 26020-83.
3) Двутавр широкополочный с параллельными гранями полок по ГОСТ 26020-83.
Статический расчет
Определяем расчетную схему балки. Примем разрезную балку настила пролетом l. Расчет балки настила производится на нагрузку, собранную с грузовой площади шириной «а».
Рисунок 3.1 Схема определения грузовой площади балки настила
Нормативная нагрузка от собственного веса балки в первом приближении может быть принята 0,3-0,5
. Принимаю q1сб=0,4
. Сбор нагрузки выполняется в табличной форме (табл. 3.1.). Предварительно найдем эквивалентную толщину настила tн, усиленного ребрами жесткости.
Эквивалентная толщина настила:
Таблица 3.1 Нагрузка на балку настила Б3.
| № | Вид нагрузки | Условное обозначение | Единицы измерения | Нормативная нагрузка | Коэффициент надежности по нагрузке | Расчетная нагрузка |
| Постоянные нагрузки | ||||||
| 1 | Собственный вес настила |
|
| 0.872 | 1,05 | 0.916 |
| 2 | Собственный вес балки настила |
|
| 0,4 | 1,05 | 0,42 |
| Временные нагрузки | ||||||
| 3 | Длительные (вес оборудования) | qвр.дл. |
| 8,0 | 1,1 | 8,8 |
| 4 | Кратковременная (вес продукции) | qвр.кр |
| 17,0 | 1,3 | 22,1 |
| Итого: |
| 26,272 | 32,236 | |||
Суммарное значение нормативной нагрузки на балку:
=
=(0,872+0,4+0,95*8+0,9*17)*0,95=22,86кн/м2
Погонная нормативная нагрузка на балку настила:
кН/м.
Суммарное значение расчетной нагрузки на балку настила:
=
= (0,916+0,42+ 0,95*8,8+ 0,9* 22,1) * 0,95 = 28,11 кн/м2
Погонная расчетная нагрузка:
X
Рис. 3.2 Расчетная схема балки настила
Максимальный изгибающий момент:
Максимальная поперечная сила:
Конструктивный расчет. Подбор сечения балки.
Согласно пункту 5.18* учитываем развитие пластических деформаций.
По табл. 51 для стали С345 по ГОСТ 27772-88 для фасонного профиля при толщине
.
По табл. 66 принимаем в первом приближении
для двутавра.
По табл. 6
Проверка сечения.
Вариант 1. Двутавр с не параллельными гранями полок. I№30
Расчетная погонная нагрузка на балку:
Уточняем изгибающий момент и поперечную силу:
По табл. 66 интерполяцией находим коэффициент сх.
сх=
Уточняем расчетное сопротивление, определенное по пределу текучести, с учетом толщины полки:
При tf = 10,2 мм Ry = 34 кН/см2
Проверка прочности по нормальным напряжениям:
Прочность по нормальным напряжениям обеспечена.
Проверка прочности по касательным напряжениям:
Прочность по касательным напряжениям обеспечена.
Проверка жесткости балки (по нормативным нагрузкам).
Уточняем нормативную нагрузку, действующую на балку, с учетом фактической массы балки.
Прогиб балки:
Жесткость балки обеспечена.
Проверяем общую устойчивость балки.
По пункту 5.16*а) устойчивость балки не требуется проверять при передаче нагрузки через сплошной жесткий настил, непрерывно опирающийся на сжатый пояс балки и надежно с ним связанный. Настил жесткий, приваривается к сжатому поясу балки настила, следовательно проверка общей устойчивости не требуется.
Проверка подобранного сечения
Вариант 2: двутавр балочный с параллельными гранями полок по ГОСТ 26020-83. I№30Б1
Расчетная погонная нагрузка на балку:
Уточняем изгибающий момент и поперечную силу:
По табл. 66 интерполяцией находим коэффициент сх.
сх=
Уточняем расчетное сопротивление, определенное по пределу текучести, с учетом толщины полки:
П
роверка прочности по нормальным напряжениям:
Прочность по нормальным напряжениям обеспечена.
Проверка прочности по касательным напряжениям:
Прочность по касательным напряжениям обеспечена.
Проверка жесткости балки (по нормативным нагрузкам).
Уточняем нормативную нагрузку, действующую на балку, с учетом фактической массы балки.
Прогиб балки:
Жесткость балки обеспечена.
Проверяем общую устойчивость балки.
По пункту 5.16*а) устойчивость балки не требуется проверять при передаче нагрузки через сплошной жесткий настил, непрерывно опирающийся на сжатый пояс балки и надежно с ним связанный. Настил жесткий, приваривается к сжатому поясу балки настила, следовательно проверка общей устойчивости не требуется.
Вариант 3: двутавр широкополочный с параллельными гранями полок по ГОСТ 26020-83. I№26Ш1.
Расчетная погонная нагрузка на балку:
Уточняем изгибающий момент и поперечную силу:
По табл. 66 интерполяцией находим коэффициент сх.
сх=
Уточняем расчетное сопротивление, определенное по пределу текучести, с учетом толщины полки:
Проверка прочности по нормальным напряжениям:
Прочность по нормальным напряжениям обеспечена.
Проверка прочности по касательным напряжениям:
Прочность по касательным напряжениям обеспечена.
Проверка жесткости балки (по нормативным нагрузкам).
Уточняем нормативную нагрузку, действующую на балку, с учетом фактической массы балки.
Прогиб балки:
Жесткость балки обеспечена.
Проверяем общую устойчивость балки.
По пункту 5.16*а) устойчивость балки не требуется проверять при передаче нагрузки через сплошной жесткий настил, непрерывно опирающийся на сжатый пояс балки и надежно с ним связанный. Настил жесткий, приваривается к сжатому поясу балки настила, следовательно проверка общей устойчивости не требуется.
Сравнение балок настила.
Таблица 3.2
| Условное обозначение | Единицы измерения | Сечение, ГОСТ | ||
| I№30 ГОСТ 8239-80 | I№30Б1 ГОСТ 26020-83 | I№26Ш1 ГОСТ 26020-83 | ||
|
|
| 0.365 | 0.329 | 0.492 |
|
|
| 472 | 427 | 583 |
|
|
| 7080 | 6328 | 7429 |
|
|
| 29.10 | 32.12 | 24.53 |
|
|
| 6.77 | 7.59 | 6.80 |
|
|
|
|
| |
Наименее металлоемким является двутавр №30Б1 с параллельными гранями полок по ГОСТ 26020-83. принимаем его для дальнейших расчетов.
4. РАСЧЕТ ГЛАВНОЙ БАЛКИ
4.1 Сбор нагрузок на главную балку
Главную балку выполняют составного сечения в виде сварного симметричного двутавра, состоящего из двух поясов (верхнего и нижнего), объединенных тонкой стенкой. По расчетной схеме главная балка является однопролетной с шарнирным опиранием на колонны. Нагрузка на балку передается от балок настила в виде сосредоточенных сил. По правилу строительной механики система сосредоточенных сил в количестве более 6 заменяется равномерно распределенной нагрузкой, собранной с грузовой площади главной балки. Собственный вес главной балки на стадии предварительного расчета принимается равным 1%…2% суммарной нагрузки, действующей на балку.
Рисунок 4.1 Схема определения грузовой площади балки Г1
Нагрузка на главную балку
Таблица 4.1
| № | Вид нагрузки | Условное обозначение | Единицы измерения | Нормативная нагрузка | Коэффициент надежности по нагрузке | Расчетная нагрузка |
| Постоянные | ||||||
| 1 | Собственный вес настила
|
| кН/м2 | 0.872 | 1,05 | 0.916 |
| 2 | Собственный вес балки настила
|
| кН/м2 | 0.206 | 1,05 | 0.216 |
| Временные | ||||||
| 3 | Длительные (вес оборудования) | qвр.дл | кН/м2 | 8,0 | 1,1 | 8,8 |
| 4 | Кратковременная (вес продукции) | qвр.кр | кН/м2 | 17,0 | 1,3 | 22,1 |
| Итого: | кН/м2 | 26,078 | 32,032 | |||
| 5 | Собственный вес главной балки Г2 26.0780.02=0.522 | qсгб | кН/м2 | 0.522 | 1.05 | 0.548 |
| Всего: | qгб | кН/м2 | 26.600 | 1,208 | 32.580 | |
Суммарное значение нормативной нагрузки на балку:
=
=(0,872+0,206+0,22+0,95*8+0,9*17)*0,95=22,99 кН/м2
Погонная нормативная нагрузка на главную балку:
кН/м.
Суммарное значение расчетной нагрузки на балку настила:
=
=(0,916+0,216+0,548+0,95*8,8+0,9*22,1) *0,95 =28,43 кн/м2
Погонная расчетная нагрузка:
Рисунок 4.2 Расчетная схема главной балки
Максимальный изгибающий момент:
Максимальная поперечная сила:
4.2 Конструктивный расчет
Главная балка бистальная: сталь поясов – С255; сталь стенки - С245.
По табл. 51 для стали С255 по ГОСТ 27772-88 для листового профиля при толщине
.
По табл. 6
Минимальная высота балки:
Примем с учетом сортамента листового проката tw=10 мм.
Из условия экономичности оптимальная высота балки:
Примем hef =1000мм
Принимаю tf = 20мм, bf =300мм. По ГОСТ 82-70*
Рисунок 4.3 Поперечное сечение главной балки
Проверка подобранного сечения.
Находим геометрические характеристики.
Расчет геометрических характеристик сечения по программе «Конструктор сечений»
| Элемент сечения | Угол | Зеркально |
| Лист 1000 x 10 | 90 град | - |
| Лист 300 x 20 | 0 град | - |
| Лист 300 x 20 | 0 град | - |
| Параметр | Значение | Единицы измерения | |
| A | Площадь поперечного сечения | 220 | см2 |
| Iy | Момент инерции относительно центральной оси Y1 параллельной оси Y | 520341,33 | см4 |
| Wu+ | Максимальный момент сопротивления относительно оси U | 4310 | см3 |
| zm | Координата центра масс по оси Z | 70 | см |
Корректировка нагрузки с учетом фактического значения собственного веса главной балки
Суммарное значение нормативной нагрузки на балку:
=
=(0,872+0,206+78,5*220*10-4/5,2+ 0,95*8+ 0,9*17)*0,95=23,09 кн/м2
Погонная нормативная нагрузка на главную балку:
кН/м.
Суммарное значение расчетной нагрузки на балку настила:
=
=(0,916+0,216+78,5*220*10-4*1,05/6 + +0,95*8,8+0,9*22,1)*0,95=28,20 кн/м2
Погонная расчетная нагрузка:
Корректировка внутренних усилий
Максимальный изгибающий момент:
Максимальная поперечная сила:
Проверка прочности.
Уточняем расчетное сопротивление Ryf при tf =20мм для стали полки С255:
т.51 Ryf =24 кН/см2
Проверка прочности по нормальным напряжениям:
Прочность по нормальным напряжениям обеспечена.
Проверка прочности по касательным напряжениям:
Прочность по касательным напряжениям обеспечена.
Проверка жесткости.
Коэффициент учитывает изменение сечения по длине балки.
Примем =0.85
Жесткость балки обеспечена
4.3 Изменение сечения главной балки
Выполним изменение сечения главной балки за счет ширины поясных листов. Рационально выполнить изменение сечения на расстоянии
При этом учитываем, что место примыкания ребра не должно совпадать с местом изменения сечения.
Принимаем х=1.5м
В измененном сечении находим:
Рис. 4.4 расчетная схема главной балки
Подбор сечения.
Рис 4.5 Изменение сечения главной балки: а – верхний пояс балки, б – эпюра материала
Проверка подобранного сечения.
Проверка прочности по нормальным напряжениям.
Прочность по нормальным напряжениям обеспечена.
Проверка прочности по касательным напряжениям.
Прочность по касательным напряжениям обеспечена.
Проверка приведенных напряжений на уровне поясных швов.
Найдем нормальные напряжения на уровне поясных швов.
Выполним стык верхнего пояса прямым швом, а нижнего – косым, равнопрочным основному металлу.
Проверка прочности по касательным напряжениям на опоре для измененного сечения.
Проверка общей устойчивости балки.
Проверка общей устойчивости не требуется, если:
Общая устойчивость обеспечена.
4.4 Расчет соединения поясов со стенкой
Расчет сварного шва, соединяющего пояс со стенкой, производим на действие сдвигающей силы Т.
Поясные швы выполняются непрерывными двухсторонними с помощью автоматической сварки под флюсом.
т.55Флюс АН-348А, сварочная проволока СВ-08А (диаметр проволки d=3…5мм) по ГОСТ 2246-70*, тип электрода Э42, Э42А.
n=2,
т.34f=1.1, z=1.15 при d=3…5мм
т.56Rwf=18.5 кН/см2
Rwz=0.45Runw=0.4538=17.1 кН/см2
т.51Runw=38 кН/см2 при tw=2…20
Минимально допустимый катет шва определяем по [1, табл. 38] для таврового соединения с двусторонними угловыми швами при толщине более толстого из свариваемых элементов tf=20мм. Минимальный катет шва равен kf=6мм.
Окончательно принимаем катет поясных сварных швов kf=6мм. (см. рис. 4.7 )
4.5 Проверки местной устойчивости элементов главной балки
Проверка местной устойчивости сжатого пояса балки
По расчетной схеме сжатый пояс балки представляет собой длинную пластинку, шарнирно опертую на стенку длинной стороной. Сжимающие напряжения направлены вдоль длинной стороны. Местная устойчивость полки обеспечена если:
где
- свес полки;
Местная устойчивость полки главной балки обеспечена.
Проверка местной устойчивости стенки
Стенка балки представляет собой длинную пластинку, упруго защемленную в поясах. В различных сечениях балки под действием внешней нагрузки возникают нормальные, касательные и местные напряжения (
), которые могут быть причиной потери местной устойчивости стенки.
Исходные данные для расчета:
Так как
, местная устойчивость стенки не обеспечена. Требуется постановка поперечных ребер жесткости. Поперечные ребра жесткости располагаются в узлах сопряжения балок настила с главными балками и делят стенку на отдельные отсеки. Ширину отсека №1 принимаем 500 мм, отсеки № 2,№ 3 и № 4, расположенные в зоне действия наибольших изгибающих моментов, назначают равными а = 1600. Расчетные сечения при этом совпадают с центром зоны действия
или с серединой наиболее напряженного участка, если
= 0
Рис 4.6 Проверка местной устойчивости стенки главной балки Г2: а – расчётная схема балки, б – расположение расчетных отсеков, в – эпюра изгибающих моментов, г – эпюра поперечных сил
Проверка местной устойчивости стенки 1-ого отсека.
Момент и поперечную силу для 1-ого отсека определяем по его середине х1= hef/0,5 = 1/0,5=0.25 м
Нормальное сжимающее напряжение в отсеке у верхней границы стенки
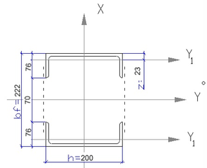
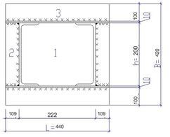
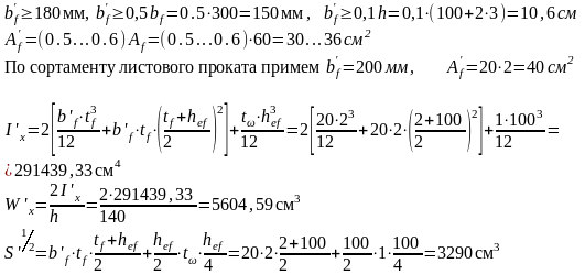
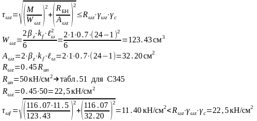
где Wx = 5604,59 – момент сопротивления в измененном сечении, принимаемый при проверке 1-ого отсека, т.к. x1=0.25м Среднее касательное напряжение в отсеке Критическое нормальное напряжение при отсутствии местного напряжения в отсеке Где ccr=31,95 – коэффициент, определяемый интерполяцией по [табл.21/1] в зависимости от значения коэффициента δ где β=0,8 – коэффициент, принимаемый по [табл.22/1], b/f=200 мм – ширина пояса в измененном сечении, принимаемая при проверке 1-ого отсека, т.к. x1=0.25м<1,5м. Критическое касательное напряжение где μ=1/0,5=2 – отношение большей стороны отсека к меньшей где d – меньшая из сторон отсека Проверяем местную устойчивость стенки 1-го отсека Местная устойчивость стенки 1-го отсека обеспечена. Таким же образом проверяем местную устойчивость стенок 2,3,4-го отсека, результаты заносим в табл. 4.2 Табл. 4.2 № Характеристика сечения 1 2 3 4 1 Место проверки местной устойчивости хi ,м 0,25 1 3,2 4,5 2 Расчетный момент Мxi ,кНм 161,71 591,4 1372,05 1496,98 3 Расчетная поперечная сила Qxi , кН 628,36 517,48 192,20 0 4 Момент сопротивления Wxi ,см3 5604,59 5604,59 10406,82 10406,82 5 2,77 10,13 12,66 14,39 6 6,28 5,18 1,92 0 7 Меньшая сторона отсека dmin, м 0,5 1 1 1 8 Большая сторона отсека dmax, м 1 1,6 1,6 1,6 9 2 1,6 1,6 1,6 10 1,7 3,4 3,4 3,4 11 60,27 16,46 16,46 16,46 12 1,28 1,92 1,92 1,92 13 сcr т. 21f() 31,95 33,12 33,12 33,12 14 71 70,19 70,19 70,19 15 3,4 3,4 3,4 3,4 16 /cr 0,039 0,144 0,180 0,205 17 /cr 0,104 0,315 0,117 - 18 0,11 0,35 0,21 0,21 19 Примечания: местная устойчивость Обеспеч. Обеспеч. Обеспеч. Обеспеч. Сталь поперечных ребер жесткости принимаем такую же, кК сталь стенки главной балки – С 245. Ширина поперечного ребра определяется по требованиям [1, п.7.10] Принимаем ширину ребра bh=80 мм (кратной 5мм) Толщина поперечного ребра назначается из условия По сортаменту листового проката принимаем ts=10мм. На концах ребер жесткости для пропуска поясных швов и уменьшения концентрации сварочных напряжений устраиваются скосы размером 40х60мм (рис 4.7) Поперечные рёбра привариваются ручной сваркой к стенке и полке балки сплошными швами минимальных катетов, назначаемых по [1, табл. 28] для тавровых соединений с двусторонними угловыми швами. Для швов крепления ребер жесткости к полкам при толщине более толстого из свариваемых элементов tf=20мм минимальный катет шва равен kf=7мм, для швов крепления ребер жесткости к стенке балки при толщине более толстого из свариваемых элементов ts=tw=10мм минимальный катет шва равен kf=5 мм. Рис 4.7 Поперечные ребра жесткости 4.6 Сопряжение балок настила с главными балками Сопряжение балок настила с главными балками принимается в одном уровне через поперечные ребра жесткости. К балке настила приваривается накладка заводскими швами, а к поперечному ребру главной балки накладка крепится болтами нормальной точности. Примем толщину накладки tн=10 мм. Сталь накладки С 345. Расчет болтового соединения. Расчет сводится к определению необходимого числа болтов. За расчетное усилие принимается опорная реакция балки настила. Под действием опорной реакции болтовое соединение работает на срез и на смятие. Принимаем болты класса точности В. Болты М20. Класс болтов 5.6. Рис. 4.8 Сопряжение балок настила с главной балкой dболта=20мм dотв =22мм. Балка настила запроектирована из двутавра I№30Б1 ГОСТ 26020-83 Опорная реакция б.н. Rб.н.=Qmax=116,07 кН Несущая способность болта на срез: Несущая способность болта на смятие: Принимаем количество болтов n=3 Размещаем болты на накладке, предварительно определив ее наибольшие размеры. Накладка в двутавровой балке располагается симметрично. Определяем по табл. 39 минимальные расстояния между болтами. Принимаем длину накладки Расчет сварного соединения. Угловые сварные швы, прикрепляющие накладку к балке настила, рассчитываются на опорную реакцию и момент. Зададим высоту катета шва: Принимаем kf=7мм Проверяем сварные швы по двум сечениям. по металлу шва Принимаем ручную сварку. Электроды толстообмазочные. По табл. 55: тип электродов Э50 по ГОСТ 9467-75*. Для С345. по металлу границы сплавления Проверка сечения накладки. Проверяем накладку на срез с учетом ослабления отверстиями под болты. Прочность накладки с учетом ослабления отверстиями под болты обеспечена. 4.7 Расчет опорного ребра главной балки Конец балки в месте опирания ее на колонну укрепляется опорным ребром. Сталь опорного ребра принимается в соответствии со сталью стенки. Размеры опорных ребер определяются из расчета на смятие торца ребра при где В случае, если Зададим сталь опорного ребра С245. Размер выступающей части балки а=20 мм Run=37 кН/см2 при t=(2…20] мм Табл.51 [1] m=1.025 Табл.2 [1] Принимаем ширину опорного ребра равной ширине балки в измененном сечении. Принимаем Размеры опорного ребра определяем из условия сжатия: Принимая ширину опорного ребра bp=b/f=20см, находим толщину опорного ребра Несущая способность опорного ребра на смятие обеспечена. Проверяем устойчивость опорной части балки. Устойчивость опорной части обеспечена. Расчет угловых сварных швов, прикрепляющих опорное ребро к стенке балки. Сварка полуавтоматическая в среде углекислого газа. Сварочная проволока Св-08Г2С. Швы фланговые. kf=6мм при t=20мм Табл. 38 [6] f=0.7 при d<1.4мм Табл. 34 [6] z=1 Расчет по металлу шва – определяющий. Принимаем kf =7 мм. 4.8 Монтажный стык главной балки Для того, чтобы избежать сварки при монтаже, стыки выполняем на высокопрочных болтах (см. рис 4.9). Площадь сечения накладок больше площади сечения перекрываемых элементов. Расчет каждого элемента ведется самостоятельно. Изгибающий момент между полкой и стенкой распределяется пропорционально их жестокостям. Стык поясов. Расчетное усилие в поясе: Необходимое количество болтов на полунакладке: Болты из стали 40Х"СЕЛЕКТ". dболта=20мм, dотв=22 мм Принимаем газопламенную обработку соединяемых поверхностей без консервации, контроль натяжения по углу поворота. Примем количество болтов, размещаемых на полунакладке n=8 шт. Пояс балки перекрывается тремя накладками: 300х12 – одна накладка 135х12 – две накладки Определим расстояния между болтами. Для высокопрочных болтов: Стык стенок. Представим момент как сумму пар сил. m=2 – количество вертикальных рядов т. 7.8 (уч. Беленя) при =0,957 k=6 Принимаем шаг болтов а=800/5=160мм амах =1605=800мм Проверим стык стенки. Натяжение высокопрочного болта: Натяжение выполняем по углу поворота. Проверяем ослабление нижнего растянутого пояса отверстиями под болты. Учитываем ослабление отверстиями. При проверке прочности пояса в расчет берем условную площадь Аус =1.18Аn =1,18*51=60,18. Проверяем ослабление накладок в середине стыка четырьмя отверстиями. Так как Anнакл<0,85Af, то увеличиваем толщину накладок. Принимаем накладки толщиной 14мм. Рис. 4.9 Монтажный стык главной балки на высокопрочных болтах 5. Расчет центрально сжатой колонны К4 сплошного сечения 5.1 Расчет сплошного сечения Сталь колонны С 345 по ГОСТ 27772-88. Отметка верха этажа Н=6.0 м. Рис 5.1 Сечение колонны К4 Балки к колоннам сплошного сечения будут примыкать сбоку. Подбор сечения колонны. Исходя из условий общей устойчивости, находим требуемую площадь. Ry=32 кН/см2 при tf=10…20 мм Примем Принимаем сечение: Проверка общей устойчивости. Общая устойчивость обеспечена. Проверка местной устойчивости полки. Табл. 29. Без окаймления уголками. Местная устойчивость полки обеспечена. Проверка местной устойчивости стенки. Местная устойчивость стенки обеспечена. Сопряжение главной балки с колонной сплошного сечения. Балки примыкают к колонне сбоку. Сопряжение балок с колонной гибкое. Балки опираются на опорный столик и фиксируются к колонне на болтах. Болты устанавливаются конструктивно. Опорная реакция балки передается на опорный столик колонны. Столик приваривается к полке колонны по трем сторонам Примем tоп.ст. =30мм >tорГБ Определяем суммарную длину швов для прикрепления опорного столика к колонне. Принимаем сварку ручную покрытыми электродами. Для С345 по т.55 принимаем электрод Э50 По т.56 Rwf =22кН/см2 При ручной сварке: По т.38 принимаем kfmin =8мм Примем kf =16мм Расчет по металлу шва определяющий. Принимаем: Примем болты класса точности В. Болты М20. Класс болтов 5.6. dб =20мм, dотв =22 мм. Определяем максимальные расстояния между болтами по [т.39/1]: Максимальное расстояние между центрами болтов в крайних рядах при отсутствии окаймляющих уголков Максимальное расстояние от центра болта до края элемента Примем: База колонны К4 сплошного сечения с фрезерованным торцом. Для колонны сплошного сечения примем базу с фрезерованным концом. Конец колонны фрезеруется, плита строгается. Примем класс бетона В10. Примем В=430мм. Определим давление под подошвой фундамента. Оно распределяется равномерно. Определим толщину плиты приближенным способом. Находим момент в плите по кромке колонны, рассматривая трапециевидный участок плиты как консоль. Принимаю tпл =30мм, сталь плиты С345. Рис 5.2 База колонны К4 сплошного сечения Проверяем точным способом. Квадратную плиту и колонну заменяем равновеликими кругами. Увеличиваем толщину плиты. Примем tпл =35мм Касательные напряжения из условия продавливания: Итог: принимаем tпл =35мм Прикрепление стержня колонны к плите рассчитывается на 15% от действующего усилия. Сварка ручная. Электрод Э50. Сталь С345 Принимаем kf = 10мм (по т.38), 5.2 Расчет колонны сквозного сечения Сталь колонны С345 Сечение состоит из двух швеллеров. Ветви соединены между собой при помощи планок. На колонну сквозного сечения балка опирается сверху. Подбор сечения колонны. Выполним расчет колонны относительно материальной оси Х. Задаем гибкость Уточняем Ry для фасонного проката. [Табл.72/1] По сортаменту по ГОСТ 8240-89 принимаем 2[ №20П Проверяем сечение относительно оси Х: Уточняем Ry для tf =9мм Ry =35кН/см2 при t =2…10мм Проверка общей устойчивости. Задача решается методом последовательных приближений. Расчет относительно оси Y заключается в определении расстояния между ветвями По т.7 приведенную гибкость принимаем для колонн с планками Гибкость ветви можно принять в пределах: [т.8.1./1] Примем расстояние между швеллерами 7см. Примем Проверяем сечение относительно оси Y: Принимаю: Момент инерции планки: Момент инерции ветви: Проверим общую устойчивость относительно свободной оси Y: Общая устойчивость обеспечена. Расчет планок. Расчет ведется на условную поперечную силу. Поперечная сила в месте крепления планки: Проверяем сечение планки: Крепление планки к ветвям осуществляется угловыми сварными швами. Сварка ручная. По [т.55/1] для стали С345 принимаем электрод Э50. Расчет ведем по металлу шва. Назначаем Принимаем Прочность швов обеспечена. Проверка сечения колонны на участке между планками. Проверка устойчивости ветви. Устойчивость обеспечена. Расчет оголовка колонны сквозного сечения. На колонну сквозного сечения главная балка опирается сверху. Вертикальное ребро приваривается к плите и стенке колонны. Примем tпл =20мм. С345 электрод Э50 Швы, прикрепляющие ребро оголовка к плите должны выдержать полное давление на оголовок. Расчет по металлу шва определяющий. Высота катета шва получается очень большая, поэтому верхний конец колонны фрезеруем, а высоту kf принимаем конструктивно. kf =9мм Высоту ребра оголовка определяем требуемой длиной швов, передающей нагрузку на стержень колонны. Так как швы фланговые Примем Толщину ребра оголовка определим из условия сопротивлению на смятие под прямым опорным давлением. При tp =14мм Run =48 кН/см2 Проверяем ребра на срез на 50% от действующего усилия. Размеры плиты принимаем конструктивно в зависимости от сечения колонны. 250 230 20 мм Главные балки с колонной соединяем болтами нормальной точности. dб =20мм. Расчет башмака для колонны сквозного сечения. Для колонны сквозного сечения принимаю базу с распределительным устройством. Оно состоит из плиты и траверсы. Давление под подошвой фундамента распределяется равномерно. Траверсы делят плиту на ряд участков. Плита опирается на 4 канта. Формула Галеркина: a=200 мм, b=222 мм Плита опирается на 3 канта. Участок 3 рассчитываем как консоль. Проводим анализ (для проверки по т.6 п.11 СНиП): tпл =10…20мм Ryn =33кН/см2 >29кН/см2 с =1 tпл =20…40мм Ryn =31кН/см2 >29кН/см2 с =1 Пусть tпл =20…40мм Ry =31 кН/см2 Принимаем tпл = 30мм Определяем высоту траверсы из условия сварных швов. Сварка ручная.Э50. Проверка траверсы. Прочность траверсы обеспечена. Принимаем четыре фундаментных болта, т.к. у нас жесткое крепление. dф.б. =30 мм dотв =45 мм Сталь болтов О9Г2С по ГОСТ 19281-73* СПИСОК ЛИТЕРАТУРЫ 1. СНиП II-23-81*. Стальные конструкции / Госстрой СССР. – М.: ЦИТП Госстроя СССР, 1990. – 96 с. 2. СНиП 2.01.07-85*. Нагрузки и воздействия / Минстрой России. – М.: ГП ЦПП, 2001. – 44 с. 3. СНиП 2.01.07-84*. Бетонные и железобетонные конструкции. – М.: Стройиздат, 2000. – 80с. 4. Мандриков А.П. Примеры расчета металлических конструкций: Учеб. пособие для техникумов. 2-е изд., перераб. и доп. – М.: Стройиздат, 1991. – 431 с. 5. Металлические конструкции. Общий курс: Учебник для вузов/ Под общ. ред. Е.И.Беленя. 6-е изд., перераб. и доп. – М.: Стройиздат, 1986. – 560с. 6. Металлические конструкции. В 3 т. Т. 1. Элементы стальных конструкций: Учеб. пособие для строит. вузов / Под ред. В.В.Горева. – М.: Высш. шк., 2004. – 551 с. 7. Металлические конструкции. В 3 т. Т. 1. Общая часть. (Справочник проектировщика) / Под общ. ред. В.В.Кузнецова (ЦНИИ проектстальконструкция им. Н.П.Мельникова) – М.: изд-во АСВ, 1988. – 576 с. 8. Свод правил по проектированию и строительству. СП 53-102-2004. Общие правила пректирования стальных конструкций/ Госстрой России – М., 2005. – 132 с.
.
.
расчет ведется по условию сжатия:
В соответствии с прил. 4 принимаем окончательно tp=14мм.
Табл.72 [1]
RГБ мы нашли верно.
тогда из т.72
- по т.13 СНиП 2.03.01-84* "Бетонные и железобетонные конструкции"
, Rwf =22кН/см2
из условия равноустойчивости для колонн сквозного сечения.
. Примем в первом приближении
по [т.8.6/5]
по [т.8.6/1] значений нет.
плита рассчитывается как консоль.
Характеристики
Тип файла документ
Документы такого типа открываются такими программами, как Microsoft Office Word на компьютерах Windows, Apple Pages на компьютерах Mac, Open Office - бесплатная альтернатива на различных платформах, в том числе Linux. Наиболее простым и современным решением будут Google документы, так как открываются онлайн без скачивания прямо в браузере на любой платформе. Существуют российские качественные аналоги, например от Яндекса.
Будьте внимательны на мобильных устройствах, так как там используются упрощённый функционал даже в официальном приложении от Microsoft, поэтому для просмотра скачивайте PDF-версию. А если нужно редактировать файл, то используйте оригинальный файл.
Файлы такого типа обычно разбиты на страницы, а текст может быть форматированным (жирный, курсив, выбор шрифта, таблицы и т.п.), а также в него можно добавлять изображения. Формат идеально подходит для рефератов, докладов и РПЗ курсовых проектов, которые необходимо распечатать. Кстати перед печатью также сохраняйте файл в PDF, так как принтер может начудить со шрифтами.















