144269 (620468), страница 3
Текст из файла (страница 3)
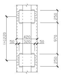
Расчет относительно свободной оси.
Определяем расстояние между ветвями колонны из условий равноустойчивости колонны в двух плоскостях λпр = λх, затем требуемую гибкость относительно свободной оси у-у по формуле:
Принимаем гибкость ветви равной 30 и находим
Полученной гибкости соответствуют радиус инерции iy = 897/48 = 18,7 см; и требуемое расстояние между ветвями b = i·y/0,44 = 18,7/0,44 = 42 см
Полученное расстояние должно быть не менее двойной ширины полок швеллеров плюс зазор, необходимый для оправки внутренних поверхностей стержня bтр = 2·115 + 100 = 330 мм < 42 см, следовательно принимаем ширину колонны = 420 мм.
Проверка сечения относительно свободной оси.
Из сортамента имеет: I1 = 642 см4; i1 = 3,23 см; z0 = 2,68 см.
Iy = 2·[642 + 61,5·(21 – 2,75)2] = 42250 см4
Расчетная длина ветви lb = λ1·i1 = 30·3,23 = 97 см
Принимаем расстояние между планками 97 см м сечение планок 10×250 мм, тогда
Iпл = 1·253/12 = 1302 см4
Радиус инерции сечения стержня относительно свободной оси
Гибкость стержня относительно свободной оси
λу = 897/18,5 = 48,5
Для вычисления приведенной гибкости относительно свободной оси надо проверить отношение погонных жесткостей планки и ветви
Iпл/b0: I1/lв = Iпл·lв/I1b0 = 1302·122/642·36,5 = 6,7 >5
Здесь b0 = 42 – 2·2,75 = 36,5 см – расстояние между ветвями в осях.
Приведенную гибкость вычисляем по формуле при отношении погонных жесткостей планки и ветвей более 5.
Т.к. λпр = λх, напряжение можно не проверять, колонна устойчива в двух плоскостях.
Рисунок 8 – К проверке сечения относительно свободной оси
Расчет планок
Расчетная поперечная сила:
Qусл = 0,27А = 0,27·123 = 33,21 кН
Поперечная сила, приходящаяся на планку одной грани.
Qпл = Qусл/2 = 33,21/2 = 16,6 кН
Изгибающий момент и поперечная сила в месте прикрепления планки
Мпл = Qпл·lb/2 = 16,6·122/2 = 1012 кН·см
Fпл = Qlb/ba = 16,6·122/36,5 = 55,5 кН
Принимаем приварку планок к полкам швеллеров угловыми швами с катетом шва kш = 0,8 см.
= 200 МПа, βш = 0,8
Необходима проверка по металлу шва. Расчетная площадь шва
Ауш = kш·lш = 0,8·(25 – 2·0,8) = 18,72 см2
Момент сопротивления шва
Wш = kш·l2ш/6 = 0,8·(25 – 2·0,8)2/6 = 73 см3
Напряжение в шве от момента и поперечной силы:
σуш = Мпл/Wш = 1012/73 = 13,86 кН/см2
τуш = Fпл/Ауш = 55,5/18,72 = 2,9 кН/см2
Проверяем прочность шва по равнодействующему напряжению:
Размеры планки 320×250×10
12. Расчет базы колонны
Требуемая площадь плиты из условия смятия бетона найдем по формуле:
где Rсм.б = γ·Rb, для В 12,5 => Rb = 7,5 МПа: γ = 1,2
Rcм.б. = 1,2·7,5 = 9 МПа
Принимаем плиту размером 55×60 см
Апл = 55×60 = 3300 см2; σф = N/Aпл
σф = N/Aпл = 2540/3300·10-1 = 7,7 МПа < Rсм.б = 9 МПа
Толщину плиты принимаем из расчета отдельных участков.
М = σф·а2/2 = 770·92/2 = 31185 Н·см = 0,31 кН·м
Проверим работу среднего участка плиты 1, заключенного между ветвями и опертыми по четырем сторонам. Отношение сторон составит
b/a = 404/400 = 1,01
Требуемый момент сопротивления сечения плиты составит W = M/Ryγc = = 31185/20500 = 1,52 см3,
где Ry = 205 МПа – при толщине листов 21 – 40 мм.
При толщине табл. 5.5 (с. 137 II) вычисляем изгибающие моменты для полос шириной 1 см
Ма = α1·σф·а2 = 0,05·770·402 = 61600 Н·см
Мв = α2·σф·а2 = 0,048·770·402 = 59136 Н·см
при b/a = 1,01; α1 = 0,05; α2 = 0,048
Требуемую толщину плиты определяем по Ма:
Принимаем плиту толщиной 40 мм.
Высота листов траверсы:
h = N/βf·kш·Rушγс·nш = 2540000/0,7·1·18000·1·1·4 = 50,3 см
где kш = 10 мм, n = 4 – число швов.
Принимаем высоту траверсы = 50 см.
Анкерные болты принимаем конструктивно диаметром 24 мм.
Размеры фундамента в плане принимают на 15 – 20 см в каждую сторону от опорной плиты.
LФ×ВФ = 80×90 см
условие прочности фундамента соблюдаются. Глубина заделки анкеров диаметром 24 мм должна быть не менее 850 мм.
Рисунок 9 – Схема базы колонны
13. Расчет оголовка колонны
Рисунок 10 – Схема оголовка колонны
Принимаем толщину опорной плиты оголовка 20 мм.
При kш = 0,8 см, высота ребра составит:
hp = N/4βf·kш·Rуш·γуш·γс = 2540000/4·0,7·0,8·18000·1·1 = 62 см.
Принимаем высоту ребра 62 см.
Длина ребра lp = 320 мм = z
lp = 28 + 2 + 2 = 32 см
Толщина ребра:
tp = N/lp·Rs = 2540000/0,32·33200 = 2,4 см
Принимаем tp = 25 мм
Rs = 332 МПа
z – расчетная длина распределения местного давления опорных ребер балки.
Проверяем напряжение в швах, прикрепляющих ребра оголовка к плите при kш = 12 мм.
σ = N/βf·hш·Σlш = 2540000/0,7·1,2·154 = 19635 Н/см2 = 196,35 МПа < < Rуш·γуш·γс = 200 МПа,
где Σlш = 2·42 + 2·(40 – 5) = 154 см
Ветви колонны приваривают к опорной плите швами толщиной 6 – 8 мм.
Размер плиты оголовка назначаем конструктивно 500×460 мм.
Литература
-
Металлические конструкции. Учебник для вузов. Под редакцией Е.И. Беленя – М.: Стройиздат, 1986 г.
-
Примеры расчета металлических конструкций. Учебное пособие для техникумов. Мандриков А.П. – М.: Стройиздат, 2001 г.
-
Методические указания. Сост. И.В. Слепнев. Краснодар, 2006 г.
















