144225 (620450), страница 5
Текст из файла (страница 5)
В строящихся зданиях, как правило, нет постоянно действующей вентиляции, способной обеспечить нормальные условия труда при работе с окрасочными механизмами, поэтому для защиты органов дыхания используют фильтрующие респираторы.
Респиратор выдают каждому рабочему и закрепляют за ним под определенным номером. Ежедневно до начала работы следует проверять его исправность. После окончания работы респиратор нужно сдавать в респираторную для очистки и в случае необходимости для ремонта. Во время работы порой становится трудно дышать, и этом случае следует немедленно проверить фильтр и, если он забит пылью, заменить его. Иногда запыленный воздух просачивается под респиратор. В этом случае следует проверить, плотно ли прилегает респиратор к лицу рабочего, не загрязнен ли вдыхательный клапан, достаточно ли эластична резина у клапанов, не повреждена ли прокладка между ними, цел ли бумажный фильтр.
Следы неводных красочных составов с поверхности кожи маляры удаляют песком, опилками, а чаще всего органическими растворителями: керосином, бензином-растворителем и даже сольвентом. Из всех органических растворителей, применяемых в маляр ном деле, сольвент наиболее ядовит, он раздражает кожу и отравляет весь организм, так как легко всасывается через кожу.
При пульверизационной окраске кожные покровы не только загрязняются краской, подвергаясь действию растворителей, кожа становится сухой, шелушится, а иногда трескается, что вызывает болезненные ощущения. Для защиты кожных покровов применяются пасты, приготовляемые из различных смягчающих кожу материалов. Эти пасты имеют профилактическое значение. Перед их нанесением руки нужно мыть мылом и вытирать досуха. Затем 6 - 8 г пасты растирают между ладонями, после чего втирают в кожу, равномерно распределяя пасту по всей поверхности открытой части рук. Нанесенному составу дают просохнуть, чтобы образовался ровный сухой покров. После работы вначале смывают пасту, а затем моют руки в теплой воде с мылом.
Состав паст ПМ - 1, используемый для защиты кожи, указан ниже.
Паста ПМ - 1
Крахмал (картофельная мука)…14,1 г
Вода……………………………...43,6 мл
Белая глина………………………10,1 г
Тальк……………………………..8,1 г
Желатин………………………….2,0 г
Глицерин…………………………12,6 г
Вазелиновое масло………………7,5 г
Салициловая кислота……………0,3г
Спирт этиловый………………….1,7 г
Чтобы предупредить отравление красителями (в том числе и свинцовыми), рабочие должны соблюдать правила личной гигиены.
При пульверизационной окраске следует работать в плотно застегнутой спецодежде и головном уборе.
Чтобы быстро снимать краску, оседающую на лице, перед началом работ лицо рекомендуется смазывать очищенным вазелином. Перед умыванием вазелин вместе с краской легко удаляют с лица Для защиты рабочего от вредных и загрязненных веществ используется спецодежда. В качестве спецодежды используют куртку с брюками или комбинезон. Для спецодежды применяют плотные, гладкие неворсистые ткани: молескин, суровую или окрашенную бязь и др.
Спецодежду, загрязненную красками и лаками, погружают для очистки в бак с керосином и выдерживают в течение суток, после этого отжимают, погружают в щелочно-мыльный раствор и выдерживают в нем в течение часа, а затем кипятят и простирывают в этом же растворе. Использованный щелочно-мыльный раствор заменяют новым, в котором спецодежду кипятят еще 30 мин, после чего повторно простирывают. Дважды кипятят только очень загрязненную одежду, обычно же ее бывает достаточно один раз прокипятить и простирать, приводится рецепт щелочно-мыльного раствора.
Техническая каустическая сода (едкий натр)…0,03 кг
Мыло хозяйственное……………………………0,2
Вода………………………………………………10 л
Раствор готовится из расчета 10 л на 1 кг сухой спецодежды при двукратной стирке.
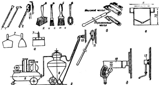
е) инструменты для малярных работ
Рис. 7. Инструменты и аппараты для малярных работ:
а — ручные инструменты, б — окрасочный валик, в — вискозиметр ВЗ-4, г — агрегат для нанесения шпаклевки, д — шлифовальные машины, 1 — скребки, 2 — держатель для лещади, 3 — макловица, 4 — ручник, 5 — флейц, 6 — кисть для окраски радиаторов, 7 — шпатели, 8 — компрессор, 9 — пневмонагнетательный аппарат, 10 — форсунка для нанесения шпаклевки, 11 — приспособление для шлифовки вручную, 12 — шлифовальная машинка (электрическая), 13 — то же, пневматическая.
Вывод
Сегодня в строительной отрасли нет проблемы важнее, чем проблема подготовки высококвалифицированных кадров строительных рабочих. Законы экономики требуют постоянного совершенствования мастерства рабочих с учетом последних мировых достижений науки и техники. В решении этой важнейшей задачи совершенствования строительного производства каждый учащийся, каждый рабочий обязан хорошо овладеть своей профессией, непрерывно совершенствовать приемы труда, повышать производительность труда, добиваться улучшения качества и снижения стоимости строительства.
Список литературы
-
Белогуров В.П., Чмырь В.Д. Справочник молодого маляра. М.: Высшая школа, 1992. – 208 с.
-
Белоусов Е.Д. Технология малярных работ: Учеб. для сред. ПТУ. М.: Высшая школа, 1985. – 240 с.
-
Ивлиев А.А. Отделочные строительные работы: Учеб. для нач. проф. образования. М.: Издательский центр «Академия», 2004. – 488 с.
-
Шепелев А.М. Штукатурные декоративно-художественные работы: Учеб. для проф.-техн. учеб. заведений и повышения квалификации рабочих на производстве. М.: Высшая школа, 1974. – 197 с.
-
Шепелев А.М. Штукатурные работы: Учеб. для проф.-техн. училищ. М.: Высшая школа, 1983. – 144 с.
22
















