144117 (620402), страница 2
Текст из файла (страница 2)
qм = Q + qi = 5,8+0,222 =6,022 6 (т)
Zм = l1 + l2 + l3 = 1,5+6,48+0,25 = 8,23 (м);
Lcmp = 12,73 (м).
На основании полученных данных, монтажных характеристик устанавливаемого элемента выбираем кран, отвечающий требованиям по грузоподъемности, длине и вылету стрелы (крюка), высоте подъема крюка.
Вывод: Выбираем гусеничный кран СКГ-40БС:
грузоподъемностью Q =18т,
длиной стрелы Lcmp = 20м
6.2 Определение монтажных характеристик для монтажа ферм покрытия
Нм = h1 + h2 + h3 + h4 = 8,4+1,0+2,2+4,0 = 15,6 (м)
Q = 4,5 (т)
qi = ттрав + тполис = 1,106+0,1 =1,206 (т)
qм = Q + qi = 4,5+1,206 = 5,706 6 (т)
Zм = l1 + l2 + l3 = 1,5+2,03+0,25 = 3,78 (м); Lcmp = 15,77 (м).
На основании полученных данных, монтажных характеристик устанавливаемого элемента выбираем кран, отвечающий требованиям по грузоподъемности, длине и вылету стрелы (крюка), высоте подъема крюка
Вывод: Выбираем гусеничный кран СКГ-40:
грузоподъемностью Q = 40т,
длиной стрелы Lcmp = 20м.
6.3 Определение монтажных характеристик для монтажа плит покрытия
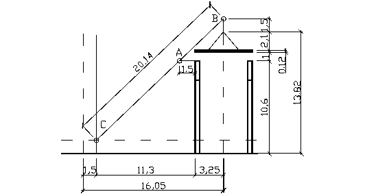
Нм = h1 + hф +h2 + h3 + h4 =(8,4+2,2)+1+0,12+2,1 = 13,82 (м)
Q = 2,3 (т)
qi = ттрав + тполис = 0,205+0,1 = 0,305 (т)
qм = Q + qi = 2,3+0,305 = 2,605 3,0 (т)
Zм = l1 + l2 + l3 = 1,5+11,3+3,25 =16,05 (м); Lcmp = 20,14 (м).
На основании полученных данных, монтажных характеристик устанавливаемого элемента выбираем кран, отвечающий требованиям по грузоподъемности, длине и вылету стрелы (крюка), высоте подъема крюка.
Вывод: Выбираем гусеничный кран МКГ-40:
грузоподъемностью Q =40 т,
длиной стрелы Lcmp = 20,8 м.
7. Выбор оптимального варианта производства монтажных работ
Оценка и сравнение вариантов при выборе кранов производится по себестоимости монтажных работ:
С =
, где
Э - эксплуатационные расходы на выполнение заданного объема работ, руб.;
V - объем работ, т.
Эксплуатационные расходы:
Эр = n Cм-см + Зр + Нр, где
См-см - стоимость машино-смены крана, руб. за смену;
n - число смен работы;
Зр - заработная плата рабочих, участвующих в ручных механизированных работах, исключая машинистов, руб.;
Нр - накладные расходы, принимаемые в размере 10 - 15% общей суммы всех других расходов.
Стоимость машино-смены крана находится через стоимость машино-часа крана по формуле:
См-см =
,
CМ-Ч =
, где
М - инвентарно-расчетная стоимость машины, руб.;
А - амортизационные отчисления, %;
Д - количество дней работы машины в году;
т - количество смен работы машины в сутки;
Мд - стоимость монтажа и демонтажа крана, руб.;
Стр - стоимость транспортирования машины с одного объекта на другой;
Др - количество часов работы машины на данном объекте;
Р - затраты на техническое обслуживание и текущие ремонты, руб.;
В - затраты на эксплуатацию вспомогательного оборудования (грузовые
устройства, стропы, приспособления), руб.,
Э - затраты на энергоматериалы (электроэнергию, топливо), руб.;
Сс - затраты на смазочные материалы, руб.;
-
- заработная плата машиниста и помощника, руб.
Исходные данные для расчетов:
1) Гусеничный кран СКГ-40:
М = 51000 руб.; До =22428,2=1443,2 час
А = 12,5%; Р= 3 руб.;
Д = 264 дня; В =0,2 руб.;
т = 2 смены; Э=0,45 руб.;
МД= 930 руб.; Сс=0,09 руб.;
Стр. = 53 руб.; 3=1,36 руб.
См-см =
n = 2 – число смен работы;
Зр=7036,19 руб. (см. калькуляция трудовых затрат и заработной платы);
Нр = (nСм-см + Зр) 0,15
Нр = (259,479 +7036,19)0,15 =1073,27 руб.
V =1822, 255 м3 – см. табл. 1 ПЗ;
Эр = n См-см+Зр+Нр,
Эр =259,479 +7036,19 + 1073,27 = 8228,42 руб.
Себестоимость монтажных работ крана СКГ-40:
2} Гусеничный кран МКГ-40:
М = 59200 руб.; До =22428,2=1443,2 час
А = 12,5%; Р= 3 руб.;
Д = 264 дня; В =0,2 руб.;
т = 2 смены; Э=0,5 руб.;
МД= 890 руб.; Сс=0,1 руб.;
Стр. = 53 руб.; 3=1,36 руб.
См-см =
n =2 – число смен работы;
Зр=7036,19 руб. (см. калькуляция трудовых затрат и заработной платы);
Нр = (n См-см + Зр) 0,15
Нр = (2 61,685 +7036,19) 0,15 =1073,93 руб.
V =1822, 255 м3 – см. табл. 1 ПЗ;
Эр = n См-см + Зр + Нр,
Эр =2 61,685 +7036,19 +1073,93 = 8233,49 руб.
Себестоимость монтажных работ крана МКГ- 40:
Вывод: Сравнивая величины затрат на эксплуатацию и себестоимость монтажных работ двух гусеничных кранов МКГ- 40 и СКГ-40, получили, что гусеничный кран МКГ- 40.
Поэтому для монтажа подстропильных стропильных ферм и плит покрытия принимаем гусеничный кран МКГ- 40:
грузоподъемностью Q = 40 т,
длиной стрелы Lcmp. =20,8 м
8. Калькуляция трудовых затрат и заработной платы
| Обоснование по ЕНиР | Наименование работ | Объем работ | Норма времени | Расценка за един., руб. | Трудоемкость | Сумма за объем, руб. | Машины, механизмы | Состав звена | |||||||
| един. изм. | кол. | ч/час. | м/час. | ч/дн. | маш/см | марка | кол. | ||||||||
| 1 | 2 | 3 | 4 | 5 | 6 | 7 | 8 | 9 | 10 | 11 | 12 | 13 | |||
| Е4-1-4 | Установка колонн массой до 6 т | 1 колонна | 195 | 5,5 | 1,1 | 4,11 1,17 | 130,79 | 26,16 | 801,45 228,15 | СКГ-40 | 1 | Монтажник 5 разр. - 1 4 разр. - 1 3 разр. - 2 2 разр. – 1 Машинист 6 разр. - I | |||
| E4-1-25 | Заделка стыков колонн в стаканах фундамента | на 1 стык | 195 | 1,2 | - | 0,894 | 28,54 | - | 174,33 | - | - | Монтажник 4 разр. - 1 3 разр. - 1 | |||
| Е4-1-6 | Установка ферм пролетом 18м. | 1 эл-т | 156 | 8 | 1,6 | 6,56 1,70 | 152,20 | 30,44 | 1023,36 265,20 | СКГ-40 | 1 | Монтажник б разр. - I 5 разр. – 1 4 разр. - 1 3 разр. - 1 2 разр. – 1 Машинист 6 разр. - 1 | |||
| E22-1-1 | Сварка стыков ферм с колоннами | 10м шва | 19,5 | 4,6 | - | 4,19 | 10,94 | - | 81,71 | - | - | Эл. сварщик 5 разр. - 1 | |||
| E4-1-25 | Заделка стыков ферм с колоннами | 1 узел | 312 | 1,0 0,44 1,2 | - | 0,745 0,328 0,894 | 38,05 16,74 45,66 | - | 232,44 102,34 278,93 | - | - | Монтажник 4 разр. – 1 3 разр. - 1 | |||
| Е4-1-7 | Укладка плит покрытий площадью до 20 м2 | 1 эл-т | 864 | 1,2 | 0,3 | 0,849 0,318 | 126,44 | 31,61 | 733,54 274,75 | МКГ-40 | 1 | Монтажник 4 разр. – 1 3 разр. – 2 2 разр. – 1 Машинист 6 разр. - 1 | |||
| E22-1-1 | Сварка стыков плит покрытия | 10м шва | 11,7 | 3,0 | - | 2,73 | 4,28 | - | 31,94 | - | - | Эл. сварщик 5 разр. - 1 | |||
| Е4-1-26 | Заливка швов плит покрытия | на 100м шва | 49,68 | 6,4 | - | 4,77 | 38,77 | - | 236,97 | - | - | Монтажник 4 разр. - I 3 разр.-1 | |||
| E4-1-8 | Монтаж стеновых панелей площадью до 10 м2 | панель | 666 | 3,0 | 0,75 | 2,28 0,795 | 243,66 | 60,91 | 1518,48 529,47 | Э-1254 | - | Монтажник 5 разр. - 1 4 разр. - 1 3 разр. - 2 2 разр. – 1 Машинист 6 разр. - I | |||
| E22-1-1 | Сварка стыков стеновых панелей | 10м шва | 26,84 | 4,0 | - | 3,64 | 13,09 | - | 97,70 | - | - | Эл. сварщик 5 разр. - 1 | |||
| Е4-1-27 | Герметизация стыков стеновых панелей мастикой | 10м шва | 567,90 | 1,3 | - | 0,969 | 90,03 | - | 550,3 | - | - | Монтажник 4 разр. – 1 3разр. – 1 | |||
| ИТОГО: Разные неучтенные работы (20%} | 939,19 187,80 | 149,12 29,82 | 5863,49 1297,57 1172,70 259,51 | ||||||||||||
| ИТОГО: | 1126,99 | 178,94 | 7036,19 1557,08 | ||||||||||||
9. Технико-экономические показатели
















