144069 (620376), страница 4
Текст из файла (страница 4)
;
;
RS с =
= 14,94 кН/см2;
4,4247 условие выполняется.
Проверка жесткости.
;
;
lбн=350 см;
Е=2,06·104 кН/см2;
qн=0,0030586·125=0,382325 кН/см;
Jx=572 см4
0,0034>0,004=>жесткость балки обеспечена.
4.3.3.Расчет вспомогательных балок
Сбор нагрузок:
Таблица 9
| Наименование нагрузки | Нормативная нагрузка, | f | Расчетная нагрузка, | |
| 1 | Металло-цементный раствор t=30мм | 0,75 | 1,3 | 0,975 |
| 2 | Гидроизоляция:2 слоя рубероида на мастике | 0,1 | 1,3 | 0,13 |
| 3 | Теплоизоляция: шлако-бетон t=40мм | 0,48 | 1,3 | 0,624 |
| 4 | Стальной настил t=16мм | 1,256 | 1,05 | 1,3188 |
| 5 | Балки настила № 14 | 0,1096 | 1,05 | 0,11508 |
| 6 | Полезная нагрузка | 28 | 1,05 | 29,4 |
| Итого: | 30,6956 | 32,55788 |
Определим удельный вес балок настила.
Нагрузка с балок настила передаётся на вспомогательные балки в виде сосредоточенных сил. При частом расположении балок настила (4 и более) можно заменить сосредоточенные силы эквивалентной равномерно распределённой нагрузкой.
Требуемый момент сопротивления при с1 = 1,1:
По сортаменту принимаем двутавр №36 ГОСТ 8239-89 (Iх=13380см4, Wх=732см4, Sх=423 см3, b=145 мм, t=12,3 мм, d =7,5 мм, h = 360 мм, mбн =48,6 кг/м).
Проверка прочности
;
Рис.11
R с = 1,1 24 = 26.4 кН/см2
24,898 26,4 - условие прочности выполняется
Уточним коэффициент с1=с по табл. 66 СНиП II-23-81*
Аf=bt=14,5·1,23=17,84 см2;
Аw = (h-2t)d = (36-2·1,23)0.75= 25,115 см2;
с = 1,0991=>
24,92 26,4 - условие прочности выполняется
Проверка касательных напряжений.
;
;
RS с =
= 14,94 кН/см2;
5,15 условие выполняется.
Проверка жесткости.
;
;
lвб=500 см;
Е=2,06·104 кН/см2;
qн=0,00306956·200=0,613912 кН/см;
Jx=13380см4
0,0036жесткость балки обеспечена
При приложении сосредоточенной нагрузи через полку вспомогательной балки в месте, не укрепленном поперечным ребром, стенка балки должна быть проверена на прочность от местного давления по формуле
,
где Fбн =81,39кН- расчетная сосредоточенная нагрузка;
lef=b+2tef =14+2·2,63=19,76(см)– условная длина распределения нагрузи, где b=16-ширина полки балки настила;
tef =t+r =1,23+1,4=2,63(см)– расстояние от нагруженной грани полки до начала внутреннего закругления стенки.
;
Ryγc=24·1,1=26,4;
3,3526,4- условие выполнено=> стенка балки обладает прочностью от местного давления.
Проверка общей устойчивости балки
- расчет на общую устойчивость не требуется.
5. СРАВНЕНИЕ ВАРИАНТОВ БАЛОЧНОЙ КЛЕТКИ.
Таблица 10
| Наименование элементов | 1- вариант | 2- вариант | 3- вариант | |||
| Расход стали, кг/ | Количество балок, шт | Расход стали, кг/ | Количество балок, шт | Расход стали, кг/ | Количество балок, шт | |
| Стальной настил | 94,2 | 35 | 62,8 | 40 | 125,6 | 28 |
| Балки настила | 13,7 | 28 | 29,44 | 35 | 10,96 | 21 |
| Вспомогательные балки | 24,3 | 8 | 19 | 4 | 24,3 | 8 |
| ИТОГО: | 132,2 | 71 | 111,24 | 79 | 160,86 | 57 |
Вывод: по расходу стали и количеству монтажных элементов наиболее экономичен вариант №2.
6. ПРОЕКТИРОВАНИЕ СОСТАВНОЙ БАЛКИ
Сбор нагрузки на главную балку Таблица 11
| Наименование нагрузки | Нормативная нагрузка, кН/м2 | f | Расчетная нагрузка, кН/м2 | |
| 1 | Металло-цементный раствор t=30мм | 0,75 | 1,3 | 0,975 |
| 2 | Гидроизоляция:2 слоя рубероида на мастике | 0,1 | 1,3 | 0,13 |
| 3 | Теплоизоляция: шлако-бетон t=40мм | 0,48 | 1,3 | 0,624 |
| 4 | Стальной настил t=8мм | 0,628 | 1,05 | 0,6594 |
| 5 | Балки настила № 18 | 0,2944 | 1,05 | 0,30912 |
| 6 | Вспомогательная балка №45 | 0,19 | 1,05 | 0,1995 |
| 7 | Полезная нагрузка | 28 | 1,05 | 29,4 |
| 8 | Итого: | 30,4424 | 32,29702 |
6.1.Компоновка и подбор сечения балки
Сечение составной сварной балки состоит из трех листов: вертикального - стенки и двух горизонтальных - полок .
Максимальный расчетный изгибающий момент и максимальная перерезывающая сила определяем с учётом собственного веса главной балки, умножением расчетным значений на коэффициент =1,02 .
;
Мрасч=3956,4 кНм;
Мmax=1,02·3956,4=4074,68 кНм;
Qрасч=2*565,2=1130,4 кН;
Qmax=1,02·1130,4=1164,3 кН;
Найдём требуемый момент сопротивления по формуле:
;
где с =1,1
Рис. 13
Определим минимально допустимую высоту балки
Определим оптимальную высоту балки, соответствующую наименьшему расходу стали:
;
k=1,2;
;
- вычисляется по эмпирической формуле:
Принимаем tw=12мм
Принимаем высоту главной балки
.
Из условия среза определяем минимальную толщину стенки (без учёта работы поясов)
Принимаем толщину стенки 10 мм.
Чтобы обеспечить местную устойчивость стенки без укрепления продольными рёбрами жёсткости необходимо чтобы
, т.е. должно выполняться условие:
;
1>0,78=>не требуется укрепление стенки дополнительными ребрами.
Подбор сечения поясов
Требуемый момент инерции сечения
Момент инерции стенки:
Рис. 14
Требуемый момент инерции полок:
Jf тр = Jтр - JW ;
Jf тр =1003236-166698=836538 см4;
Требуемая площадь сечения полки:
Пусть
=53 см
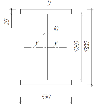
tf=Af/ bf=102,12/53≈20 мм.
Уточним площадь сечения полки:
Af= bf tf=53·2=106 см2.
Для обеспечения устойчивости сжатого пояса балки необходимо выполнение условия:
bef=(bf-tw)/2=(530-10)/2=260;
13 устойчивость сжатого пояса обеспечена.
6.2.Проверка прочности
Момент инерции:
Момент сопротивления:
Статический момент:
;
R с = 1,1 24 = 26.4 кН/см2
25,29 26,4 - условие прочности выполняется.
Выбираем листовой прокат для поясов 530х20х14000, для стенки 1300х10х14000.
Т.к. пролет 14 м, то экономически целесообразно уменьшить сечение балки. Уменьшение сечения будем делать на расстоянии 1/6 пролета балки от опоры, т.е. х=2,33 м.
Рис. 15
С учетом собственного веса главной балки М/=1,02·2306=2352,12 кНм.
Определим требуемый момент сопротивления и момент инерции измененного сечения, исходя из прочности сварного стыкового шва, работающего на растяжение.
Принимаем пояс шириной 400 мм.
















