62175 (611442), страница 3
Текст из файла (страница 3)
Вона дозволяє обґрунтувати вибір функціонально-конструктивних елементів автоматизованої системи, встановити електричні зв’язки між ними з врахуванням особливостей функціонування пристрою керування.
Основними функціонально-конструктивними вузлами є :
-
пристрій керування (мікроконтролер);
-
кварцовий резонатор;
-
електронний ключ до сирени;
-
електронний ключ до системи запалення;
-
датчик до замку запалення.
Рис. 3.3. Функціональна схема автомобільного охоронного сигналізатора.
Із схеми можна побачити, що зв’язок між схемами та мікроконтролером здійснюється по одній електричній лінії з’єднання, що забезпечує мінімальну кількість з’єднань мікроконтролера з периферійними блоками.
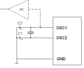
Роботу мікроконтролера забезпечує внутрішній RC-генератор з керамічним або кварцовим зовнішнім резонатором, який трактується сигналами зовнішньої синхронізації.
Рис.3.4. Підключення кварцового резонатора до мікроконтролера
Найбільш стабільну роботу RC-генератора забезпечує кварцовий резонатор, який підключається до виводів OSC1 та OSC2 як показано на рис.3.4. Ці виводи є відповідно входом і виходом тактового генератора.
Ємності конденсаторів С1 і С2, які підключаються між виводами резонатора і загальним виводом, залежать від частоти і типу резонатора.
Для забезпечення швидкодії мікроконтролера, який у нашому випадку обробляє незначні об’єми інформації обираємо тактову частоту 4 МГц.
Базовий ланцюг транзистора VT1 (датчик до замку запалення) підключають до того контакту системи запалення, на якому при повороті ключа у положення ввімкнено, виникає напруга бортової мережі. Для забезпечення блокування системи запалення автомобіля з класичною системою, між «незаземленими» контактами групи К2.1 реле К2 и виводом переривника потрібно включити конденсатор ємністю 10 мкФ.
Також доцільно розглянути функціонування електронних ключів до системи запалення та до сирени. Отже, після того як відбудеться замикання хоча б одного із пари контактів SF1 чи SF2, то високий рівень сигналу на вході RB4 заміниться низьким, в результаті чого мікроконтролер у взаємодії з програмою установить високий рівень сигналів на виходах RA0 та RA1. Після цього миттєво відкриються транзистори VT3 і VT4, а контакти К1.1 та реле К1 ввімкнуть тривожну сирену, також контактами К2.1 та реле К2 заблокується система запалення автомобіля.
Таким чином функціональна схема дозволяє обрати тип мікроконтролера по критеріям кількості необхідних портів та швидкодії. Детальне обґрунтування вибору функціонально-конструктивних елементів та мікроконтролера, з врахуванням їх електричних параметрів та необхідної напруги живлення +5В здійснено в інших розділах.
3.3 Опис принципу дії
Принципова схема автомобільного охоронного сигналізатора показана на рисунку (дивіться графічну частину. Схема електрична принципова). Основою конструкції є мікроконтролер DD1 типу PIC16F84A фірми MicroChip. Завдяки цьому пристрій стає дуже простим та економним. Також є можливість вносити додаткові вузли, змінювати часові співвідношення, що дає можливість пристосовуватися до рішення нових задач. Це все можливо завдяки вільному коректуванню програми мікроконтролера.
Охоронний сигналізатор в охоронному режимі споживає тільки 3 мА струму, причому більша частина цього струму протікає через світло діод, який ініціює включення пристрою та перехід його в охоронний режим.
При відкриванні капота і кришки багажного відділення автомобіля, а також при спробі завести автомобіль, сигналізатор спрацьовує миттєво. А при відкритті дверей спрацьовування проходить з семи секундною затримкою. Це пов’язано з тим що сигналізація вмикається скритим кнопковим вмикачем. Тобто протягом цих семи секунд власних автомобіля зможе не поспішаючи вимкнути чи ввімкнути сигналізацію, і закрити на автомобілі дверці.
Принципова схема автомобільного охоронного сигналізатора на мікроконтролері також приведе на рис. 3.4.
Пристрій включають прихованим кнопковим вимикачем SB1. Діод VD5 захищає мікросхеми DA1 і DD1 від підключення до джерела живлення в неправильній полярності. Контролер DD1 живиться стабілізованою напругою 5В, що знімається з виходу стабілізатора DA1. Конденсатори С1 – С4 це фільтри ланцюга живлення.
Рис. 3.4. Принципова схема автомобільного охоронного сигналізатора
Після подачі напруги живлення включається тактовий генератор мікроконтролера з кварцовим резонатором ZQ1, після чого мікроконтролер починає виконувати програму, записану в його запам’ятовуючому пристрої. Всі часові затримки реалізуються програмно і є циклом з відніманням одиниці з константи, що знаходиться в пам'яті контролера.
Після закінчення 15 секунд програма дозволяє виконання переривань від зміни напруги на виходах 10, 11 і 12 – сигналізатор входить в режим охорони. Для візуального контролю входження в цей режим передбачений світлодіод HL1. Він включається у момент закінчення п’ятнадцяти секундної затримки.
У охоронному режимі енергоспоживання мікроконтролера знижується, але зміна напруги на будь-якому з входів RB4–RB6 негайно його активізує. Коли кришка багажника і капот закриті, контакти датчиків-виключателелів SF1 і SF2 розімкнені, на вході RB4 діє високий рівень.
Як тільки відбудеться замикання хоч би однієї з пар контактів SF1 і SF2, високий рівень на вході RB4 зміниться низьким, мікроконтролер відповідно до програми встановить високий рівень на виходах RA0 та RA1, відкриються транзистори VT3 та VT4. В результаті контактами К1.1 реле К1 включається тривожна сирена і контактами К2.1 реле К2 блокується система запалення автомобіля.
Через одну хвилину всі реле повертаються в початковий стан і контролер перевіряє стан сторожових датчиків. Якщо причина виникнення тривоги усунена, сигналізатор переходить в охоронний режим, а якщо ні, то через 30 секунд знову включається сирена і блокується система запалення – цикл повторюється.
Контакти SF1 і SF2 - це мікровимикачі, змонтовані на кришці багажника і капоті. Контакти повинні замикатися при відкритті. Так само працює і пара контактів SF3 – це контакти які вмонтовані у дверці автомобіля (на схемі зображений тільки один з них).
Базовий ланцюг транзистора VT1 підключають до того контакту замку запалення, на якому при повороті ключа в положення «Увімкнено» з'являється напруга бортової мережі.
3.4 Електричні розрахунки
Проведемо наближений розрахунок споживаної потужності пристрою. Оскільки основними споживачами електричного струму є мікросхеми, то наближено розрахувати споживану потужність можна за формулою:
, (3.1)
де
- споживана потужність
-ї мікросхеми.
(3.2)
де U - споживана напруга живлення.
де
- споживаний струм
-ї мікросхеми.
Оскільки потужність дискретних елементів не є високою, в даному випадку нею можна знехтувати. Проведемо розрахунки лише для інтегральних елементів. В даному пристрої таких елементів 3: інтегральний стабілізатор – DА1, світловий індикатор HL1 та мікроконтролер DD1.
Таким чином, повна формула потужності матиме вигляд:
(3.3)
Вибрані нами інтегральні елементи, за своєю технічною документацією мають потужність споживання : DА1 – 0,4Вт, HL1 – 0.15Вт та DD1 – 0,125Вт. Тому можемо записати, що загальна потужність споживання буде рівна:
Вт (3.4)
4. РОЗРАХУНОК НАДІЙНОСТІ
Надійність апаратури визначається надійністю та кількістю використаних в них елементів та умовами їх експлуатації. Так як надійність є одним з основних параметрів виробу, то, проектуючи апаратуру, надійність слід оцінювати поряд з іншими параметрами і на основі цих розрахунків робити висновки про правильність вибраної схеми та конструкції виробу.
На етапі проектування, коли ще точно не визначені режими роботи схеми, проводиться орієнтовний розрахунок, котрий задається орієнтовними даними, які визначають умови роботи. Такий розрахунок виконується в даному курсовому проекті. Орієнтовні значення коефіцієнтів навантаження приведені як довідникові дані в таблиці 4.4. (див. додаток 4) В таблиці 4.1. (див. додаток 5) приведені значення інтенсивності відмов елементів схеми при номінальному значенні впливу зовнішніх факторів. Вплив на надійність апаратури фактичного значення зовнішніх факторів враховують при розрахунках параметрів надійності, вводячи коефіцієнти впливу (див. таблиці 4.2., 4.3., 4.5. додаток 4).
Якщо отримані в результаті розрахунку параметри надійності не відповідають вимогам, то слід проаналізувати можливість підвищення надійності за рахунок полегшення режимів або використання більш надійних типів елементів. Зазвичай таким методом удається підвищити надійність виробу не більш, ніж у два – три рази. При проектуванні апаратури, яка містить значну кількість елементів, у ряді випадків розраховане значення надійності набагато відрізняється від того, котре задано. В таких випадках застосовують резервування. При резервуванні середнє напрацювання на відмову та ймовірність безвідмовної роботи буде більшою, ніж в аналогічного нерезервованого виробу, так як при виході з ладу основного пристрою продовжують функціонувати резервні. Надійність апаратури потрібно розраховувати на всіх етапах проектування: по мірі того, як уточнюються дані про кількість та типи використовуваних елементів, про конкретні умови, в котрих вони працюють, підвищується достовірність отриманих в результаті розрахунку даних.
Інтенсивність відмов і-го елементу в загальному випадку виражається формулою
, (4.1)
де
– номінальна інтенсивність відмов, визначається по довідниковим даним;
К1 – коефіцієнт, залежний від тиску, (для наземної апаратури К1 = 1);
К2 – коефіцієнт, залежний від впливу вологості та температури;
К3 і К4 – коефіцієнти, залежні від механічних впливів.
– коефіцієнт, залежний від температури поверхні елемента Т та коефіцієнта навантаження Кн.
Таблиця 4.1 Значення інтенсивності відмов елементів
| № | Найменування і тип елементу |
| t, 0С | Кн | Nj |
|
|
| 1 | 2 | 3 | 4 | 5 | 6 | 7 | |
| Мікросхеми: | |||||||
| 1 | з високою | 0,01 | 40 | 0,45 | 1 | 0,0212868 | 0,0212868 |
| 2 | з середньою | 0,013 | 40 | 0,5 | 1 | 0,0276728 | 0,02767284 |
| 3 | Конденсатори керамічні | 0,15 | 40 | 0,7 | 4 | 0,319302 | 1,277208 |
| 4 | Резистори плівкові | 0,03 | 40 | 0,6 | 13 | 0,0638604 | 0,8301852 |
| 5 | Резистори дротяні | 0,087 | 40 | 0,5 | 2 | 0,1851951 | 0,37039032 |
| 6 | Запобіжники | 0,5 | 40 | 0,5 | 1 | 1,06434 | 1,06434 |
| 7 | Діоди кремнієві | 0,2 | 40 | 0,55 | 7 | 0,425736 | 2,980152 |
| 8 | Світлодіоди | 0,2 | 40 | 0,55 | 1 | 0,425736 | 0,425736 |
| 9 | Транзистори кремнієві | 0,5 | 40 | 0,5 | 4 | 1,06434 | 4,25736 |
| 10 | Резонатор кварцовий | 1,1 | 40 | 0,6 | 1 | 2,341548 | 2,341548 |
| 11 | Реле | 0,5 | 40 | 0,6 | 2 | 1,06434 | 2,12868 |
| 12 | Кнопка | 0,07 | 40 | 0,8 | 1 | 0,1490076 | 0,1490076 |
| 13 | Пайка | 0,01 | 40 | 0,5 | 90 | 0,0212868 | 1,915812 |
| 14 | Плата друкована | 0,01 | 40 | 0,5 | 1 | 0,0212868 | 0,0212868 |
Згідно таблиці 4.1 знаходимо інтенсивність відмов виробу, що проектується:
1/год (4.2)
Середній термін часу до першої відмови
Тсер=1/λвир=
=
годин (4.3)
1/год (4.2)















