62146 (611428), страница 2
Текст из файла (страница 2)
Except for a controllable part of a collector current
, in an electrode
collector the unguided part of a current - thermal current backswitched of junction flows past. It is similar to a current backswitched of a crystal diode and consequently has received a title of a backward collector current
.
index c means, that it - current backswitched of collector junction,
index b - the measurings occur in the circuit with CB,
index 0 - the measurings occur at
=0, i.e. No-load operation on an input.
The direction of a backward collector current
coincides with a direction of a controllable part of a collector current and consequently
. (6.8)
The current
in a circuit of basis is guided towards to a base current of a recombination
and base current of injection
. (6.9)
In an emitter circuit the current of injection is the total of a collector current
and base current
:
. (6.10)
The expressions (6.8) and (6.10) establish communication between currents of the transistor and valid for any circuit of insert.
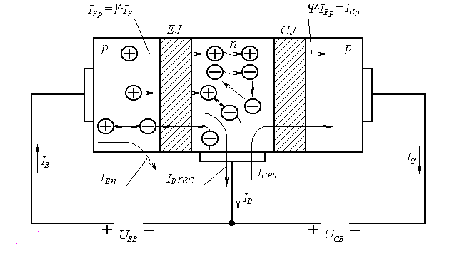
The similar processes occur in n-p-n the transistor to that by variance, that instead of vacant electron sites it is necessary to speak about electrons and on the contrary. Positive directions of direct currents and supply voltages, relevant to a fissile condition, are shown in a fig. 6.3.
Reverse voltage affixed on collector junction, it is much more voltages directly switched of emitter junction, and the currents are equal emitter circuits and collector practically. Therefore load power established variable component collector current, appears much more power expended on control by a circuital current of the emitter, hence transistor has intensifying properties. These qualities in a combination to a small overall dimensions, high reliability, longevity and profitability have stipulated wide application of transistors in an electron technology.
Fig. 6.4. Driving of carriers and currents in BT (fissile condition)
In the circuit with CE and CC (fig. 6.3) a current basises becomes control current, and the equation of a collector current (6.8) will be copied in the following aspect:
;
;
. (6.11)
where:
- transmission factor of a base current in the circuit with CE:
- unguided part of a collector current in the circuit with CE, or through current of the transistor.
For the circuit with CC an output current is the emitter current. Therefore
or
,where
. (6.12)
4. Inverse condition. In an inverse condition emitter junction backswitched, and the collector junction is under direct voltage. Therefore in comparison with a fissile condition in an inverse condition the injection of carriers is carried out collector junction, and extractions of carriers - emitter junction. Practically emitter and collector vary by functions and places in the circuit.
For the circuit with CB
. (6.13)
here
- inverse coefficient of transmission.
As the area of emitter junction is much less than the area collector junction and
,
For the circuit with CC
. (6.14)
For the circuit with CE
. (6.15)
6.3. Differential coefficient of transmission of a current
In the equation (6.7) for an integrated (static) transmission factor of an emitter current
. Coefficient of injection
the efficiency of emitter junction characterizes, and coefficient of diffusive transport
characterizes processes in basis, diffusive transport and recombination of carriers, with which attends this process; coefficient M is inlet for the account of processes in collector junction and almost always M=1. The equation of a collector current
, where
is static parameter of fissile condition of insert (fissile condition), displays link between direct currents. Coefficient
is defined by the formula
and this formula displays link between stationary values of a control current
and value of an output current
.
For variable signals, which amplitude order much less grades of supply voltages, link between collector currents and emitter is defined by derivation of a relation (6.7) as functions two arguments in the conjecture
=const, i.e.
, or
. (6.16)
- differential transmission factor of an emitter current in circuit with CB, which always is more than integrated coefficient
. Calculations display, that at major levels of injection, when
(see of the formula (6.1), (6.4)), derivative
aspires to zero and
. Therefore for the analysis of a major signal integrated (static) coefficient
is always used.
In consequent viewing is not done variances between
and
. Using a label
, but in each case the applications of these magnitudes should be remembered a level of injection.
6.4. Ebers-Moll’s model
Links between currents and voltages in the transistor for four conditions of insert are well compounded with convenient and clear mathematical Ebers-Moll’s model, grounded on a dual circuit consisting of two diodes (emitter and collector), switched on meeting, and two current sources mapping interaction of these diodes (fig. 6.5).
(6.17)
. (6.18)
where
and
- thermal currents emitter and collector junctions accordingly, metered at short-circuit on exit and input accordingly (
=0 and
=0).
. (6.19)
where
and
- back currents of emitter and collector junctions measured accordingly at abruption of a collector and the emitter. With the account (6.18), (6.19) relations (6.17) are conversed to an aspect
; (6.20)
; (6.21)
. (6.22)
Fig. 6.5. Equivalent nonlinear Ebers-Moll’s model for BT
In computing methods of the analysis of transistor circuits with the help of a computer the wide circulation was received by nonlinear model of the Gummel-Pun’s transistor, which grounded on the solution of integrated relations for charges and links exterior electrical performances a charge in basis of transistor structure. It is very precise model explaining many physical effects, but its exposition needs major number of parameters, so for the analysis in a wide frequency range 25 parameters are necessary. The sequential simplification of Gummel-Pun’s model eventually reduces in the elementary Ebers-Moll’s model. Therefore at the analysis of the concrete circuits it is necessary to search for the reasonable compromise between an exactitude of the solution and complexity of model.















