50313 (610067), страница 5
Текст из файла (страница 5)
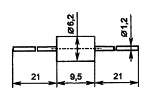
Рисунок 15 - Размеры TLP 2630
Микросхема ADM 485
Рисунок 16 - Микросхема ADM 485
Рисунок 17 - Электрические характеристики ADM 485
Рисунок 18 - Размеры ADM485
Характеристики резистивных элементов:
Конденсатор 4700 мкФ/16 В
Номинал 4700 мкФ. Напряжение 16 В. Температурный диапазон от -40 до +85°С. Диаметр 26мм, длина 28мм.
Рисунок 19 - Конденсатор 4700 мкФ
Конденсатор 4700 пФ
Конденсатор MKR 10. Номинал 4700 пФ, максимальное отклонение от номинала 20%. Напряжение 1600 В=/ 650 В~. Размер 5х11х13мм, расстояние между выводами 10мм. Температурный диапазон от -55 до +100°C.
Рисунок 20 - Конденсатор 4700 пФ
Кварцевый резонатор РК 308 N ТУ307-182-013.00 (высокочастотный)
РК 308 N - высокочастотный кварцевый резонатор. Обладая микроминиатюрным размером, эти резонаторы идеально подходят для применения в МП и портативной аппаратуре, средствах связи и вычислительных устройствах.
Возможности:
- ударная и вибрационная прочность
- микроминиатюрный размер
- индустриальный диапазон рабочих температур
- высокая стабильность
- характеристики АТ-среза
- низкая стоимость
Рисунок 21 - Электрические и эксплуатационные характеристики РК 308 N
Рисунок 22 - Размеры РК 308 N
Кнопка MC 10311 00
Тактильные эффекты увеличены благодаря применению полусферической силиконовой мембраны.
-Усилие нажатия: 4.2 N
-Можно устанавливать под пленку без колпачка
Версия с позолоченными контактами, может использоваться при высоких температурах до + 125 оС
Рисунок 23 - Кнопка MC 10311 00
Рисунок 24 - Размеры кнопки MC 10311 00
Диод КД 226 Г
| Наимен. | Uобр.,В | Iпр. max, A | Iобр.max, мкА | Fdmax, кГц | Тип корпуса |
| КД226А | 100 | 2 | 10 | 50 |
|
| КД226Б | 200 | 2 | 10 | 50 | |
| КД226В | 400 | 2 | 10 | 50 | |
| КД226Г | 600 | 2 | 10 | 50 | |
| КД226Д | 800 | 2 | 10 | 50 | |
| КД226Е | 600 | 2 | 10 | 50 |
Рисунок 25 - Характеристики диода КД 226 Г
Диод КД 527 Г
| Наимен. | Uобр.,В | Iпр. max, A | Iобр.max, мкА | Fdmax, кГц | Тип корпуса |
| КД527А | 200 | 3 | 2 | 50 |
|
| КД527Б | 400 | 3 | 2 | 50 | |
| КД527В | 600 | 3 | 2 | 50 | |
| КД527Г | 800 | 3 | 2 | 50 | |
| КД527Д | 1000 | 3 | 2 | 50 |
Рисунок 26 - Характеристики диода КД 226 Г
2.3 Выбор обоснования конструкции печатной платы
Печатная схема – система печатных проводников и печатных радиоэлементов, нанесенных на общую плату и представляющих одну или несколько электрических цепей, прошедшая все стадии изготовления.
Печатный монтаж – система печатных проводников, обеспечивающих электрическое соединение элементов схемы.
Печатный проводник – участок металлизированного слоя на изоляционном основании.
Печатная плата – изоляционное основание с печатным монтажом или с печатной схемой.
Основание печатных схем – изоляционная плоская деталь, на которой расположены проводники и навесные элементы. Требования: высокое удельное сопротивление, малая диэлектрическая проницаемость, высокая диэлектрическая прочность, большой диапазон рабочих температур, повышенная влагостойкость. Навесными элементами являются радиоэлементы, закрепленные на печатной плате пайкой или имеющие электрические контакты с печатным проводником. Каждая плата должна иметь координатную сетку, то есть условную сетку, обеспечивающую определенное размещение проводников и всех элементов на печатной плате, которое должно соответствовать шагу координатной сетки. Это размещение облегчает конструирование приспособлений. Шаг координатной сетки 0 5 мм.
В центре всех монтажных, переходных, крепежных и базовых отверстий необходимо располагать в узлах координатной сетки без указания размеров на чертежах.
Контактные площадки, подводы навесных элементов (микросхемы, микромодули (реле), разъемы, функциональные узлы и так далее) также располагают в узлах координатной сетки или руководствуются следующими правилами: если в конструкции элементов имеются два и более выводов, расстояние между которыми кратны основному шагу координатной сетки, то центры отверстий под эти выводы размещают в узлах координатной сетки.
2.4 Выбор и обоснование класса точности
Точность изготовления печатных плат зависит от комплекса технологических характеристик и с практической точки зрения определяет основные параметры элементов печатной платы. В первую очередь это относится к минимальной ширине проводников, минимальному зазору между элементами проводящего рисунка, размеру контактных площадок и отверстий.
ГОСТ 23.751-86 предусматривает пять классов точности печатных плат, и в конструкторской документации на печатную плату должно содержаться указание на соответствующий класс, который обусловлен уровнем технологического оснащения производства. Поэтому выбор класса точности всегда связан с конкретным производством. Попытка решить эту задачу в обратном порядке может привести к тому, что Ваш проект не будет реализован.
Ниже приведены наименьшие номинальные значения основных размеров элементов конструкции печатных плат для 3-го класса точности.
t - ширина печатного проводника 0,25 мм;
S - расстояние между краями соседних элементов проводящего рисунка0,25 мм;
b - гарантированный поясок 0,1 мм ;
f - отношение номинального значения диаметра наименьшего из металлизированых отверстий, к толщине печатной платы 0,33мм.
Печатные платы 3-ro класса - наиболее распространенные, поскольку, с одной стороны, обеспечивают достаточно высокую плотность трассировки и монтажа, а с другой — для их производства требуется рядовое, хотя и специализированное, оборудование.
На основе рассмотренных конструктивных требований и ограничений, при разработки, и изготовлении печатной платы был выбран 3 класс точности.
2.5 Выбор габаритных размеров и конфигурации печатной платы
При выборе габаритных размеров печатной платы учитываются такие характеристики, как:
- суммарная площадь всех ИМС и РЭ;
- компоновка и размещение ИМС и РЭ на плате;
- выбранный класс точности;
В геометрических размерах печатной платы также следует предусмотреть припуск на технологическое поле для отверстий, с помощью которых печатная плата крепится к корпусу.
В соответствии с ГОСТ 10317-79 “Основные размеры печатной платы”:
1. Применяется шаг координатной сетки равный 0,50 мм
2. Размеры каждой стороны печатной платы должны быть кратными.
2,5 — при длине до 100 мм;
5,0 — при длине до 350 мм;
10,0 — при длине более 350 мм.
Максимальный размер любой из сторон должен быть не более 470 мм.
3. Допуски на линейные размеры сторон печатной платы должны соответствовать установленным ГОСТ 25346—89 и ГОСТ 25347—82.
4. Соотношение линейных размеров сторон печатной платы должно быть не более 3:1.
5. Отклонение от перпендикулярности печатной платы не должно быть более 0,2 мм на 100 мм длины.
6. Диаметры монтажных, переходных, металлизированных и неметаллизированных отверстий должны быть выбраны из ряда: 0,4; 0,5; 0,6; 0,7; 0,8; 0,9; 1,0; 1,1; 1,2; 1,3; 1,4; 1,5; 1,6; 1,7; 1,8; 2,0; 2,1; 2,2; 2,3; 2,4;. 2,5; 2,6; 2,7; 2,8; 3,0 мм.
Печатные платы можно выбирать любой формы, предпочтительно прямоугольной. При проектировании и изготовлении печатных плат следует
Руководствоватся:
-ограничению типа размеров печатной платы;
- рациональное размещение проводников по всей плате;
- максимальное сокращение проводников с расположением их по линиям координатной сетки.
Учитывая все вышеперечисленные моменты, делаем вывод, что проектируемая печатная плата имеет прямоугольную форму.
2.6 Выбор материала основания печатной платы.
















