49555 (609157), страница 3
Текст из файла (страница 3)
Розробка принципової схеми пристрою
Розглянувши стуктурну схему, яка представлена у документі ГРУПА.xxxxxx.123 Е1, видно, що вона складається з наступних структурних блоків:
БЛОК ЗАПУСКУ;
ГЕНЕРАТОР ІМПУЛЬСІВ;
БЛОК РАХУНКУ;
БЛОК ПЕРЕБУДОВИ КОЕФІЦІЄНТІВ;
БЛОК ВИБОРУ КОЕФІЦІЄНТІВ;
БЛОК ІНДИКАЦІЇ;
БЛОК ФОРМУВАННЯ ЗАТРИМКИ.
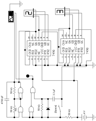
На принциповій схемі ці блоки будуть представлені наступними елементами. Блок запуску складається з резистору R1 та кнопки SA1. До складу генератора іпульсів належать наступні елементи: логічні елементи DD1.1, DD1.3, резистори R2, R4, конденсатор C1. Блок формування затримки виконаний на логічних елементах DD1.2, DD1.4, резисторі R3, конденсаторі C2 та діоді VD1. Блок рахунку побудован на двох лічильниках DD3.1, DD3.2. Блок індикації складається з двох дешифраторів DD4, DD5, та саме індикаторів HL1, HL2. Елементи DD6.1-DD6.4, DD7.1, DD7.2 належать до складу блока перебудови коефіцієнтів. Блок вибору коефіцієнтів представлен перемикачем SA3.
Розроблена принципова схема представлена в документі ГРУПА.xxxxxx.123 Е3.
Опис принципу дії за принциповою схемою
Опис принципу дії присторою проводиться спираючись на принципову схему, яка представлена у документі ГРУПА.xxxxxx.123 Е3.
Робота генератору тактових імпульсів.
При натисканні кнопки SA1 на вивід 2 DD1.1 надходить рівень логічної одиниці, який дозволяє роботу генератора імпульсів на елементах DD1.1 та DD1.3. Також заряджається конденсатор С1 через резистор R1 і діод VD1.
З вихода генератора імнульси надходять на лічильники DD3.1 і DD3.2, які виконують підрахунок цих імпульсів від 0 до 36, або від 0 до 49. Частота генератора обирається із умови:
,
де f – частота генератора;
N – максимальне число заповнювання лічильника;
T – мінімальний час натискання кнопки.
Так як N=50, а T>=0,2 с – середній час реакції людини, то при частоті генератора 2...3 кГц буде мати місце багатократне заповнювання лічильника, а зупинка його буде при відпусканні кнопки запуску. З того моменту запускається одновібратор на 2...3 с и дозволяє світіння ціфрових індикаторів. Цей час обран виходячи із вимог достовірного зчитування отриманної інформаціїї, та мінімального енергопостачання.
Тривалість імпульсу на виводі 11 DD1.4 обчислюється за формулою:
Режим генерування чисел від 0 до 36
Пристрій скидання лічильників зібрано на мікросхемах DD6.1-DD6.4 і DD7.1, DD7.2. Управління режимом роботи здійснюється за допомогою перемикача SA3 «36 – 49» подачею логічного нуля або логічної одиниці на вивід 9 мікросхеми DD6.3.
Мікросхема DD7 сигналізує про надходження логічних сигналів при досягненні лічильником стану 37, такий стан виходить при наявності потенціалів логічної одиниці на виводах 1 і 14 мікросхеми DD4 і на виводах 7 і 9 мікросхеми DD5. Для узгодження по навантажувальній здатності цих мікросхем використовуються емітерні повторювачі на транзисторах VT2 і VT3, що керують роботою сегментів g індикатора HL1 і e HL2.
Режим генерування чисел від 0 до 49
Режим генерування чисел від 0 до 49 дуже схожий на процес, який описано у попередній частині, за винятком деяких розбіжностей.
У стані «49» на виводі 13 DD6.4 установлюється потенціал логічної одиниці і скидання лічильників у нульовий стан відбувається при досягненні значення 50, тобто в момент появи логічної одиниці на виводі 12 мікросхеми DD5, що приводить до зміни стану на виводі 8 DD7.2; у такий спосіб лічильники роблять підрахунок імпульсів від 0 до 49. Повторювач логічного сигналу, виконаний на двох інверторах DD6.1 і DD6.2, забезпечує розв'язку мікросхеми DD5 по навантажувальній здатності.
Розрахунок споживаних струмів і потужності, що розсіюється
Розрахунок споживаних струмів
Для визначення потужності, що розсіюється Pj необхідно знати напруги живлення (UП) і струм споживання (IП):
Споживані кожним типом мікросхем струми визначаємо на підставі їхніх паспортних даних. Максимальні значення струмів споживання для всіх типів використовуваних мікросхем приведені в табл.8.
Таблиця 4.
Струми споживання використовуваних мікросхем.
| № п.п. | Тип мікросхеми | Максимальний струм споживання (IПi,mА) |
| 1 | К555ЛА3 | 4,4 |
| 2 | К555ИЕ20 | 26 |
| 3 | К555ИД18 | 13 |
| 4 | К555ЛА1 | 2,2 |
Таким чином, на підставі даних приведених у табл. 4 і переліку елементів (ГРУПА.xxxxxx.123 ПЕ), одержимо:
I = 2*4,4+26+2*13+2,2 = 63,00mВт.
Розрахунок потужності, що розсіюється
Споживану пристроєм потужність можна розрахувати як суму споживаних потужностей усіх мікросхем у відповідності з наступним вираженням:
де N – кількість типів мікросхем,
Pi – потужність споживана всіма мікросхемами типу N-го типу.
Причому, Pi визначається у відповідності з наступним вираженням:
де m – кількість мікросхем N-го типу,
Pj – потужність споживана однією мікросхемою N-го типу.
На підставі виражень одержимо:
Причому, тому що в даному випадку всі мікросхеми мають однакові напруги харчування (+5В), те:
Таким чином, знаючи струм, що споживає пристрій та напругу живлення можна обчислити потужність споживана від джерела живлення, котра складе:
P = 5 * 0,063 =0,32 Вт.
Результати застосування ЕОМ при проектуванні пристрою
Моделювання частини принципової схеми
Моделювання схем застусовують утих випадках, коли бажають більш глибоко розібратись, зрозуміти та протестувати роботу схеми або деякої її частини.
При розробці пристрою сполучення був використаний пакет моделювання електронних схем Electronics Workbench. У данному випадку за допомогою цього пакету було вирішено промоделювати більшу й найважнішу частину принципової схеми, що представлена у документі ГРУПА.xxxxxx.123 Е3. Було обрано для моделювання блок запуску, блок формування затримки, генератор імпульсів, блок рахунку, блок індикації. Получена схема наведена у Додатку 1.
Отримані часові діаграми приведені в Додатку 2.
Пояснення до часових діаграм.
На часових діаграмах відображені наступні сигнали:
перший – сигнал на виході генератору імпульсів;
другий – сигнал на виході блоку формування затримки;
останні вісім – сигнали на виході лічильників.
Оформлення конструкторської документації
При виконанні завдання ЕОМ використовувалася для створення основного комплекту конструкторської документації, що дозволило зробити тексти, розрахунки і таблиці більш точними і зручними для сприйняття.
Також був використаний пакет PCAD 4.5. За допомогою нього була зібрана схема пристрою.
Д
одаток 1. Схема до пакету Electronics Workbench
Додаток 2. Часові діаграми роботи пристрою
Висновки
У ході виконання курсового проекту був розроблений пристрій генератор випадкових чисел.
Пристрій складається з 7 мікросхеми серії К555. Пристрій має убудований тактовий генератор. Частота тактових сигналів 3 Кгц.
При вирішенні задачі поставленої в курсовому проекті оформлений основний комплект конструкторської документації, розроблені структурна і принципова схеми пристрою. При розробці пристрою була проведена мінімізація по кількості корпусів, що дало можливість зменшити апаратні витрати і підвищити надійність роботи пристрою, зменшити потужність, що споживається від джерела живлення. Документи приведені в курсовому проекті цілком пояснюють роботу спроектованого пристрою.
Пристрій спроектований на цифрових МС типу ТТЛШ серії К555 і може експлуатуватися відповідно до умов експлуатації мікросхем даних серій.
Список використаних літературних джерел
1. Орнатский П.П. Автоматические измерительные приборы. Киев, «Техника», 1965, 422 с. с ил.
Пресман А.И. Расчет и проектирование схем на полупроводниковых приборах для цифровых вычислительных машин. М. Изд-во иностр. лит., 1963, 376 с. с ил.
Аванесян Г.Р., Левшин В.П. Интегральные микросхемы ТТЛ, ТТЛШ: Справочник. М.: Машиностроение, 1993. - 256 с.: ил.
Новаченко И.В., Телец В.А. Микросхемы для бытовой радиоаппаратуры. Дополнение второе: Справочник. - М.: Радио и связь, 1991. - 272 с.: ил.
Савельев А.Я. Прикладная теория цифровых автоматов: Учеб. для вузов по спец. ЭВМ. - М.: Высш. шк., 1987. - 272 с.:ил.















