49527 (609144)
Текст из файла
Кафедра ЭВА
КУРСОВАЯ РАБОТА
на тему
«Встроенный блок логических наблюдений BILBO»
Москва 2009
Оглавление
Оглавление 2
Техническое задание на курсовую работу 3
Анализ технического задания 4
1. Системный рабочий режим 4
2. Генератор псевдослучайных чисел 4
Моделирование 5
Окончательный вид схемы 6
Используемые элементы 6
Временная диаграмма схемы 7
Описание на языке ЯЗОС. 8
Разработка обнаруживающего теста 8
1–2 такт 8
3–4 такт 10
5–6 такт 12
7–8 такт 14
9–10 такт 15
Вывод 19
Список использованной литературы. 20
Техническое задание на курсовую работу
-
Провести моделирование и отладку заданной схемы.
-
Разработать обнаруживающий тест с использованием системы схемотехнического проектирования «Мозайка».
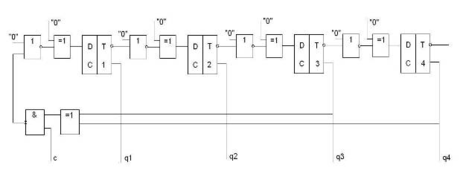
Заданная схема – схема встроенного блока логических наблюдений BILBO
В1, В2 – управляющие входы
Z1, Z2, Z3, Z4 – информационные входы
Q1, Q2, Q3, Q4 – информационные выходы
Scan – вход сканирования
В курсовой работе требуется рассмотреть 2 режима работы схемы:
-
B1=В2=1, C=0 – системный рабочий режим
-
B1=B2=0, С=1 – генератор псевдослучайных чисел
Анализ технического задания
1. Системный рабочий режим
B1=В2=1, C=0
При таких значениях на управляющих входах и входе сканирования схема будет выглядеть следующим образом:
Т.е. в данном режиме схема представляет собой четыре независимых друг от друга триггера.
2. Генератор псевдослучайных чисел
B1=B2=0, C=1
При таких значениях на управляющих входах и входе сканирования схема будет выглядеть следующим образом:
В данном режиме работы на входы D триггеров 2–4 подаются сигналы с инверсных выходов предыдущих триггеров. Но т. к. сигналы с инверсных выходов инвертируются элементом «или-не», то на D-входы подаются сигналы, совпадающие со значениями на прямых выходах триггеров. На вход D 1-го триггера подаются сигналы с выходов триггеров 3–4, которые складываются по модулю 2 и инвертируются. Т.о. на его вход поступает инвертированный сигнал, что приводит к неправильной работе схемы, поэтому заменяем элемент «и» на элемент «и-не».
Моделирование
В результате моделирования были обнаружены ошибка схемы. Временная диаграмма отсутствовала. Для того, чтобы определить верна ли схема, надо было построить временную диаграмму исходной схемы и ее результаты сверить с тем, что вручную просчитали, исходя из смысла режимов.
В результате приходим к выводу, что данная схема в режиме генератора псевдослучайных чисел работает неверно, т. к. при подаче на входы всех единиц, на следующем такте мы получаем такие же значения. Чтобы исправить эту схему, необходимо заменить в обратной связи элемент «и» на элемент «и-не».
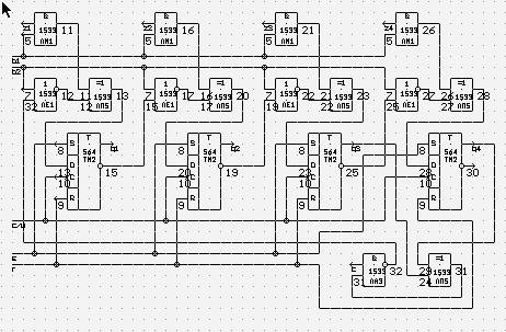
Окончательный вид схемы
Используемые элементы
Серия 1533:
«И» ЛИ1–4
«ИЛИ-НЕ» ЛЕ1–4
«И-НЕ» ЛА-3
«исключающие ИЛИ» ЛП5–4
Серия 564
«D-триггер» ТМ2–4
Временная диаграмма схемы
Временная диаграмма отражает работу двух режимов:
-
Системный рабочий режим с 1–4 такт
-
Генератор псевдослучайных чисел с 5–12 такт.
Схема работает верно, согласно предварительным расчетам.
Описание на языке ЯЗОС
Разработка обнаруживающего теста
Этот тест должен проверять все возможные неисправности за минимальное количество тактов.
1–2 такт:
В схеме используются D-триггеры, поэтому необходимо их установить в нулевое начальное положение. Для этого подадим на информационные входы 0 в системном рабочем режиме. В результате чего мы можем проверить неисправность типа 1 на выходах схемы.
Таблица неисправностей:
3–4 такт:
Рассмотрим неисправности:
13 типа 0 – подаем на z1=1
93 типа 0 – подаем на z3=1
63 типа 1 – подаем на z2=0
123 типа 1 – подаем на z4=0
Соответственно для проверки этих неисправностей подаем:
z1=1
z2=0
z3=1
z4=0
Режим многоканального сигнатурного анализатора
График полноты для этих неисправностей:
Таблица неисправностей:
Из таблицы неисправностей можно заметить, что помимо отмеченных проверились и другие.
5–6 такт:
Неисправность 43= = 1
С=1 132=1
С=0 33=0
С=0 23=1
С=0 13=1
С=0 z1=1,
где С-синхросигнал.
Значит, чтобы проверить 43= = 1, надо на z1 подать 1
Неисправность 53= =0
C=0 z2=0
C=1 63=0
C=1 53= =0
Значит, чтобы проверить 43= = 1, надо на z1 подать 0
Неисправность 73= = 1
С=1 142=1
С=1 73= = 1
Неисправность 103= = 1
С=0 142=1
С=0 73=1
С=0 z3=1
С=0 93=1
С=0 83=0
С=1 152=1
С=1 103= = 1
Значит, чтобы выявить эту неисправность надо на 3–4 такт z3 подать 1
Неисправность 173= = 0
C=0 q3=1
C=0 q4=0
То ест подавая на исключающие ИЛИ разные сигналы, то можно проверить 173 на 0
Исходя из этих неисправностей подаем на вход:
z1=1
z2=0
z3=1
z4=1
Режим многоканального сигнатурного анализатора
График полноты теста:
Таблица непроверенных неисправностей:
7–8 такт:
Неисправность 63= =0
С=0 z2=1
C=0 b1=1
Неисправность 11= =1
С=0 z1=0
Неисправность 31= =1
С=0 z1=0
Исходя из этих неисправностей подаем на вход:
z1=0
z2=1
z3=0
z4=0
В режиме многоканального сигнатурного анализатора
График полноты теста:
Таблица непроверенных неисправностей
9–10 такт
Неисправность 12= =1
Необходим режим сброса: b1=0 b2=1
C=0 z1=1
Неисправность 62, 92,122 аналогично.
Значит на вход подаем:
z1=1
z2=1
z3=1
z4=1
b1=0
b2=1
График полноты теста:
Таблица непроверенных неисправностей:
11–12 такт
График полноты теста:
Таблица непроверенных неисправностей:
В итоге получилось добиться того, что полнота теста стала составлять 98% всего за 10 тактов.
Вывод
В курсовой работе была проведена отладка схема встроенного блока логических наблюдений BILBO. Затем был разработан тест, обнаруживающий неисправности типа константа 0 и константа 1. Полнота теста составила 98%.
Список использованной литературы
-
Гоманилова Н.Б., Погодин В.Н. «Методические указания к выполнению курсовой работы по дисциплине моделирование».
Характеристики
Тип файла документ
Документы такого типа открываются такими программами, как Microsoft Office Word на компьютерах Windows, Apple Pages на компьютерах Mac, Open Office - бесплатная альтернатива на различных платформах, в том числе Linux. Наиболее простым и современным решением будут Google документы, так как открываются онлайн без скачивания прямо в браузере на любой платформе. Существуют российские качественные аналоги, например от Яндекса.
Будьте внимательны на мобильных устройствах, так как там используются упрощённый функционал даже в официальном приложении от Microsoft, поэтому для просмотра скачивайте PDF-версию. А если нужно редактировать файл, то используйте оригинальный файл.
Файлы такого типа обычно разбиты на страницы, а текст может быть форматированным (жирный, курсив, выбор шрифта, таблицы и т.п.), а также в него можно добавлять изображения. Формат идеально подходит для рефератов, докладов и РПЗ курсовых проектов, которые необходимо распечатать. Кстати перед печатью также сохраняйте файл в PDF, так как принтер может начудить со шрифтами.















