48951 (608854)
Текст из файла
КУРСОВА РОБОТА
з дисципліни «Арифметико-логічні основи ЕОМ »
«Синтезування логічної структури пристрою у базісі АБО–НІ»
Пояснювальна записка
Зміст
1. Вступ
2. Мінімізація логічної функції методом Квайна
3. Мінімізація логічної функції методом карт Карно (Вейча)
4. Синтез структури у заданому базисі
5. Висновок
6. Список літератури
Вступ
В сучасному світі такий пристрій як ЕОМ застосовується практично всюди, в науці, в навчанні, в економіці, у військовій галузі і т.д. Це зумовлено тим що ЕОМ може обробляти інформацію дуже і дуже швидко.
Цифрові ЕОМ працюють з інформацією, представленою в дискретній формі у вигляді загальноприйнятої для запису та читання символіки набором цифр, букв та знаків будь-якого установленого алфавіту, який має кінцеве число символів.
Основна мета курсового проекту – надбання практичних та закріплення теоретичних навичок в розробці апаратних засобів логічних пристроїв різноманітного призначення.
В завданні треба синтезувати логічну структуру пристрою у базісі АБО-НІ.
Для формального опису цифрового автомату (блоки ЕОМ представляють собою цифрові автомати) використовують апарат алгебри логіки). У загальному випадку логічні вирази є функціями логічних змінних A, B, C,… що, як i їх логічні змінні, можуть приймати тільки два значення 0 або 1. Структурна схема логічного пристрою може бути побудована безпосередньо за канонічною формою (ДКНФ) функції, що реалізується. Недоліком такого методу побудування структурних схем, що забезпечують правильне функціонування пристрою, є те, що отримані схеми, як правило, виходять невиправдано складними, потребують великої кількості логічних елементів i, відповідно, мають низьку економічність i надійність. У багатьох випадках вдається так спростити логічний вираз, не порушуючи функції, що відповідна структурна схема виходить істотно простішою. Методи такого спрощення функції називають методами мінімізації логічних функцій.
1. Перший етап
1.1 Мінімізація логічних функцій методом Квайна
Метод Квайна відноситься до числа таких методів мінімізації функцій алгебри логіки, які дозволяють зображати функції в КНФ з мінімальним числом членів i мінімальним числом літер у членах. Цей метод має два етапи перетворення функції: на першому етапі здійснюється перехід від канонічної форми (ДКНФ) до, так званої, СКОРОЧЕНОЇ ФОРМИ, а на другому етапі – перехід від скороченої форми логічного виразу до МIНIМАЛЬНОЇ ФОРМИ.
1.2 Нехай функція задана таблицею істинності (табл. 1)
Таблиця 1
| A | 1 | 0 | 0 | 0 | 1 | 1 | 1 | 0 | 1 | 0 | 1 | 0 | 1 | 0 | 0 | 1 |
| B | 1 | 1 | 1 | 1 | 0 | 0 | 1 | 1 | 1 | 0 | 0 | 0 | 0 | 0 | 1 | 0 |
| C | 1 | 1 | 0 | 0 | 1 | 1 | 0 | 0 | 1 | 1 | 0 | 0 | 1 | 1 | 0 | 0 |
| D | 1 | 0 | 1 | 0 | 1 | 0 | 1 | 0 | 1 | 0 | 1 | 0 | 1 | 0 | 1 | 0 |
| F (A, B, C, D) | 0 | 0 | 0 | 0 | 0 | 1 | 1 | 1 | 0 | 0 | 1 | 1 | 1 | 1 | 0 | 1 |
ДКНФ даної функції:
(1)
Метод Квайна працює лише для ДДНФ. Щоб отримати її потрібно зробити інверсію даної функції:
(2)
Перехід до скороченої форми складається з послідовного використання двох операцій: операції склеювання та операції поглинання.
Вираз, який отримали, є скороченою формою логічного виразу заданої функції, а його члени – прості імпліканти функції.
(3)
2. Другий етап
Перехід від скороченої форми до мінімальної здійснюється за допомогою iмплiкантної матриці (табл. 2). У стовпчики iмплiкантної матриці записуються члени ДДНФ заданої функції, а в рядки – прості імпліканти функції, тобто члени скороченої форми логічного виразу функції. У матриці помічаються (наприклад, хрестиками) стовпчики членів ДДНФ, що поглинаються окремими простими iмплiкантами.
Таблиця 2
(4)
Мiнiмальна кон'юнктивна нормальна форма (МКНФ) заданої функції:
(5)
2.1 Мінімізація логічної функції методом карт Карно (Вейча)
Метод Квайна має чітко сформульовані правила проведення окремих операцій, завдяки чому він може бути використаний для мінімізації функцій з використанням ЕОМ в тих випадках, коли функція, мінімізується, достатньо складна (має велику кількість аргументів i канонічна форма має велике число членів). Однак для мінімізації функції ручним способом (без використання ЕОМ) цей метод є трудомістким. Це пов'язано з необхідністю попарного порівняння всіх членів виразу для виявлення членів, що склеюються. Метод мінімізації функцій за допомогою карт Карно (Вейча) забезпечує простоту отримання результату. Він використовується для мінімізації відносно нескладних функцій (з числом аргументів не більше 5) ручним способом. Карта Карно (Вейча) – це таблиця істинності визначеної форми i представляє собою прямокутник, поділений на 2n клітин, де n – число змінних. Кожна клітина відповідає визначеному набору значень аргументів. Значення аргументів складають координати відповідних їм рядків i стовпчиків.
2.2 Мінімізація логічних функцій методом карт Карно (Вейча)
Перший етап – заповнення карт Карно (Вейча). У відповідні клітини записують значення функції, що відповідає даному набору (табл3).
Таблиця 3
Другий етап – наведення контурів. На карті Карно (Вейча) наводять контури, що об'єднують «0».
Третій етап – запис мінімізованої логічної функції у вигляді МКНФ:
(6)
3. Третій етап
3.1 Синтез логічної структури у заданому базисі
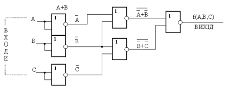
За реалізації на елементах АБО-НI необхідно виконати подвійну інверсію над отриманою МКНФ функції i перетворити за теоремою де-МОРГАНА інверсію кон'юнкції в диз'юнкцію інверсій. Наприклад, МКНФ функції має вираз:
Структурна схема, що вiдповiдає цьому виразові, зображена на рисунку 1. 1
Рисунок 1.1
Для отримання інверсних значень змінних використані двовходовi елементи АБО-НI.
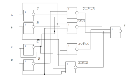
Структурна схема, що вiдповiдає даному завданню зображена на рисунку 1.2.
Рисунок 1.2
Висновок
На початку виконання роботи, була записана логічна функція, задана таблицею істинності.
Зробивши інверсію, за допомогою операції «склеювання» та таблиці імплікантів була мінімізована логічна функція (КНФ) методом Квайна. Для перевірки результатів мінімізації методом Квайна, був використаний метод карт Карно (Вейча), який виявився найбільш простим. Отриману функцію синтезували в базисі АБО-НI. У підсумку була отримана структурна схема.
Характеристики
Тип файла документ
Документы такого типа открываются такими программами, как Microsoft Office Word на компьютерах Windows, Apple Pages на компьютерах Mac, Open Office - бесплатная альтернатива на различных платформах, в том числе Linux. Наиболее простым и современным решением будут Google документы, так как открываются онлайн без скачивания прямо в браузере на любой платформе. Существуют российские качественные аналоги, например от Яндекса.
Будьте внимательны на мобильных устройствах, так как там используются упрощённый функционал даже в официальном приложении от Microsoft, поэтому для просмотра скачивайте PDF-версию. А если нужно редактировать файл, то используйте оригинальный файл.
Файлы такого типа обычно разбиты на страницы, а текст может быть форматированным (жирный, курсив, выбор шрифта, таблицы и т.п.), а также в него можно добавлять изображения. Формат идеально подходит для рефератов, докладов и РПЗ курсовых проектов, которые необходимо распечатать. Кстати перед печатью также сохраняйте файл в PDF, так как принтер может начудить со шрифтами.















