48694 (608737)
Текст из файла
Федеральное агентство по образованию РФ
РГРТУ
Кафедра ТРЭА
Пояснительная записка
к курсовому проекту по курсу:
"Интегрированные системы технической подготовки производства"
Выполнила:
студентка группы 5410
Герасимова О.И.
Проверил:
доцент кафедры ТРЭА
Коваленко В.В.
Рязань 2009
Содержание
-
Организация рабочего места в T-FLEX DOCs
-
Разработка в T-FLEX CAD 2D и 3D чертежей детали
-
Выполнение статического анализа детали
-
Результаты статического анализа
-
Оптимизация конструкции детали
-
Оценка технологичности конструкции по ее технологическому коду
-
Разработка технологического процесса изготовления детали в САПР ТехноПро
-
Разработка УП для изготовления детали
Список литературы
1. Организация рабочего места в T-FLEX DOCs
Cистема T-FLEX DOCs представляет собой корпоративную систему технического документооборота и управления инженерными данными об изделиях. Она обеспечивает возможность непрерывного взаимодействия по сети различных отделов предприятия: конструкторско–технологических, архивов, рабочих мест руководителей и т.д.
Создаваемое нами рабочее место в T-FLEX DOCs будет содержать:
-архив
-сборочную единицу
-3D-деталь
Архив создаем в Хранилище, в каталоге Поток 500, под названием Герасимова О, гр. 5410. Для этого в контекстном меню выбираем: Создать – Объект – Сборочные единицы – Проект. В открывшемся окне Свойств проекта задаем название и обозначение, заводской код, ФНН, вид проекта – Курсовой проект.
Рис. 1.1. Создание нового объекта.
Аналогичным образом создаем сборочную единицу в каталоге проекта и 3D-деталь, в контекстном меню которой выбираем пункт Редактировать.
Далее в открывшемся окне программы T-FLEX CAD загружаем нашу 3D-деталь. Для совместной работы T-FLEX DOCs и T-FLEX CAD необходимо произвести настройку систем T-FLEX CAD. Для этого необходимо в T-FLEX CAD выполнить команду"Настройка | Установки". В открывшемся окне T-FLEX CAD "Установки" на закладке "Разное" необходимо установить один из режимов работы с T-FLEX DOCs в параметре "Работа с T-FLEX DOCs" ( с файлами и документами DOCs).
Сохранение мастер-файла осуществляется командой T-FLEX CAD:
Открываем конвертер документов:
Рис. 1.2. Сохранение мастер-файла
Рис. 1.3. Конвертирование
Для перевода объекта в стадию хранения необходимо в окне "Наименование объекта" щелкнуть правой кнопкой мыши по объекту "Деталь 731313" и выбрать "Сохранить в Хранилище". Появится окно "Завершение работы над объектом", в котором необходимо установить флажок в поле "После сохранения в хранилище оставить данный объект на Рабочем столе".
Таким образом, работа по созданию объекта в Хранилище завершена. Объект создан и передан на хранение в Хранилище. Далее при необходимости можно перейти к редактированию объекта.
Рис. 1.4. Завершение работы над объектом
Рис. 1.5. Спецификация в составе сборочной единицы T-FLEX DOCs
Рис. 1.6. Деталь, сохраненная в составе сборочной единицы T-FLEX DOCs
2. Разработка в T-FLEX CAD 2D и 3D чертежей детали
2.1 Создание 3D-чертежа
Создавать 3D-чертеж начнем с вида спереди (рис. 2.1). На рабочей плоскости начертим прямоугольник, в левом верхнем углу которого создадим скругление (радиус скругления 80мм).
Рис. 2.1. Вид спереди
Затем с помощью операции Создать выталкивание на панели инструментов (рис. 2.2)создадим выталкивание на необходимую величину (рис. 2.3).
Рис. 2.2. Операции панели управления
Рис. 2.3. Окно свойств Булевой операции
Рис. 2.4. Окно свойств операции Выталкивание
Рис. 2.5. Создание выталкивания
Чтобы создать внутреннюю полость в детали, выполним следующие действия:
-на рабочей плоскости вида спереди чертим прямоугольник со скругленным углом, повторяющий по форме внутреннюю полость детали (рис. 2.6);
- производим выталкивание таким образом, чтобы задать необходимую толщину стенок (5 мм);
-используем Булеву операцию (вычитание), где первым операндом будет являться внешний контур детали, а вторым – созданное в предыдущем пункте выталкивание, повторяющее по форме внутренний контур детали (рис. 2.7);
Таким образом, мы получаем деталь, полую внутри, с толщиной стенок 5 мм.
Рис. 2.6. Создание внутренней полости
Рис. 2.7. Создание внутренней полости (Вычитание)
Далее необходимо оформить верхнюю часть детали. Она должна быть открытой. Для этого на левой боковой грани чертим прямоугольник и , произведя его выталкивание, получаем следующую фигуру (рис. 2.8). Этот созданный параллелепипед отнимаем от исходной детали с помощью Булевой операции. В итоге получаем полую конфигурацию, открытую сверху (рис. 2.9).
Рис. 2.8. Создание "открытого" верха (выталкивание)
Рис. 2.9. Результат вычитания.
Чтобы создать конусную поверхность, на гране вида спереди чертим окружность (рис. 2.10) и производим ее выталкивание с уклоном в 200 градусов (рис.2.11). Создание круглых отверстий проиллюстрировано на рис. 2.12-2.15. Здесь также использовались операции Выталкивание и Булева (вычитание).
Рис. 2.10. Создание окружности на рабочей плоскости вида спереди
Рис. 2.11. Создание конуса (выталкивание с уклоном в 200 градусов)
Рис. 2.12. Создание сквозного отверстия
Рис. 2.13. Создание сквозного отверстия
Рис. 2.14. Создание сквозного отверстия
Рис. 2.15. Создание отверстия в задней стенке
Рис. 2.16. Создание бокового прямоугольного отверстия
Рис. 2.17. Создание бокового прямоугольного отверстия
Прямоугольное и круглые отверстия создаются аналогично (рис.2.16-2.18).
Остается заключительный шаг – создание нижней подставки (рис. 2.19). Для этого применяем те же операции: чертим на нижней виде прямоугольник, выталкиваем его и складываем обе части (булева операция). Создание отверстий показано на рис. 2.20, 2.21.
Результат работы по созданию 3D-модели проиллюстрирован на рис. 2.22.
Рис. 2.18. Создание круглых отверстий
Рис. 2.19. Создание нижней подставки
Рис. 2.20. Создание отверстий в нижней подставке
Рис. 2.21. Создание отверстий в нижней подставке
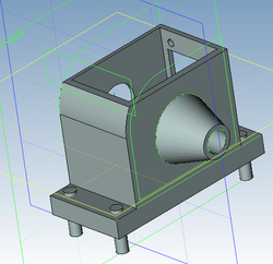
Рис. 2.22. Итог: полученная деталь.
2.2 Создание 2D-чертежа
Существует несколько способов создания 2D-чертежей в T-FLEX CAD. Мы воспользуемся методом создания 2D-чертежа из уже созданной 3D-модели детали. Для этого в строке меню выбираем Чертеж - 2D-проекция. На панели управления выбираем функцию Создать набор стандартных видов или Создать стандартный вид (рис. 2.23).
Рис. 2.23.
Рис. 2.24. Выбор проекций.
Выбрав необходимые виды (рис. 2.24), открываем 2D-окно (рис. 2.25). После чего устанавливаем масштаб(рис. 2.26) и задаем необходимые параметры на панели свойств (рис. 2.27).
Рис. 32.25. Открытие 2D-окна.
Рис. 2.26. Изменение масштаба.
Рис. 2.27. Панель свойств операции Создать набор стандартных видов.
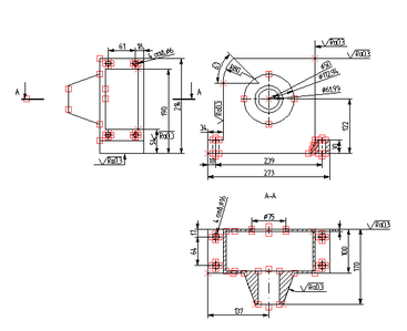
Выбранные виды появляются на поле чертежа. Далее необходимо проставить размеры (от трех баз) и шероховатости поверхностей, выполнить необходимый разрез. Результат показан на рис. 2.29.
Рис. 2.28. 3 проекции.
Рис. 2.29. 2D-чертеж.
Оформленный 2D-чертеж представлен в Приложении.
3. Выполнение статического анализа детали
Статический анализ позволяет осуществлять расчёт напряжённо-деформированного состояния конструкций под действием приложенных к системе постоянных во времени сил. Также можно учесть напряжения, возникающие по причине температурного расширения/сжатия материала или деформации конструкции на величину известных перемещений.
Модуль "Статический анализ" позволяет оценить прочность разработанной конструкции по допускаемым напряжениям, определить наиболее уязвимые места конструкции, внести необходимые изменения и таким образом оптимизировать конструкцию детали или изделия.
Для построения дискретной математической модели, адекватно отражающей физическую сущность и свойства исследуемой конструкции, применяется метод конечных элементов. Важнейшим элементом этой модели является конечно-элементная дискретизация изделия с помощью совокупности конечных элементов (КЭ) заданной формы и объединённых в единую систему, называемую конечно-элементной сеткой.
При проведении статического анализа конструкции детали необходимо выполнить следующие пункты:
1) построить трёхмерную модель детали;
2) создать "Задачу" для одного или нескольких соприкасающихся твёрдых тел ("клеевое" соединение);
3) сгенерировать тетраэдральную конечно-элементную сетку;
4) задать материал модели;
5) наложить граничные условия, определяющие сущность физического явления, подлежащего анализу;
6) выполнить расчёт;
Характеристики
Тип файла документ
Документы такого типа открываются такими программами, как Microsoft Office Word на компьютерах Windows, Apple Pages на компьютерах Mac, Open Office - бесплатная альтернатива на различных платформах, в том числе Linux. Наиболее простым и современным решением будут Google документы, так как открываются онлайн без скачивания прямо в браузере на любой платформе. Существуют российские качественные аналоги, например от Яндекса.
Будьте внимательны на мобильных устройствах, так как там используются упрощённый функционал даже в официальном приложении от Microsoft, поэтому для просмотра скачивайте PDF-версию. А если нужно редактировать файл, то используйте оригинальный файл.
Файлы такого типа обычно разбиты на страницы, а текст может быть форматированным (жирный, курсив, выбор шрифта, таблицы и т.п.), а также в него можно добавлять изображения. Формат идеально подходит для рефератов, докладов и РПЗ курсовых проектов, которые необходимо распечатать. Кстати перед печатью также сохраняйте файл в PDF, так как принтер может начудить со шрифтами.
















