48416 (608597), страница 2
Текст из файла (страница 2)
Рис.15 ПМ польового транзистора КП 303В
Рис.16 ПМ біполярного транзистора КТ 315А
Рис.17 ПМ інтегральної мікросхеми LM1040
Рис.18 ПМ резистора
Рис. 19 ПМ резистора змінного опору СП 3-33
5. Створення інтегрованого елементу бібліотеки
Library Executive (Адміністратор бібліотек) зводить уведену раніше графічну інформацію в єдину систему - бібліотечний елемент, у якому сполучаються кілька образів подання елемента: образ на схемі (УГП), посадкове місце й пакувальна інформація.
Для створення бібліотечного елементу виконуємо такі дії:
1. Виконуємо команду Component/New вибираємо бібліотеку, у яку були поміщені раніше створені складові частини бібліотечного елемента - УГП й посадкове місце.
2. натискаємо кнопку Select Pattern (вибір ПМ) і у вікні Library Browse вибираємо посадкове місце (Pattern) для створюваної мікросхеми.
3. У діалоговому вікні Component Information вибираємо:
у полі Component Type (Тип компонента) - Normal;
у полі Component Style (Вид компонента) - Homogeneous
у полі Gate Numbering (Спосіб нумерації вентилів) - Numeric;
у полі Number of Gates (Кількість вентилів) - уводимо кількості вен-тилів;
у полі RefDes Prefix (Префікс позиційного позначення) уводимо DD.
4. Приєднуємо символ командою Select Symbol і вибираємо відповідний до вибраного посадочного місця символ натискаємо кнопку Pins View (Перегляд виводів). У результаті з'явиться заготовка таблиці пакувальної інформації - вносимо необхідні зміни до таблиці
5. Перевіряємо правильність настроювання таблиці, виконавши команду Component/Validate. При вірному заповненні таблиці з'являється вікно з написом No erroes found! Закрити вікно Pins View.
6. Закрити вікно Component Information.
7. Виконати команду Component/Save, увести ім'я компонента й записати створений елемент у бібліотеку під уведеним ім'ям.
6. Створення схеми електричної принципової
Графічний редактор P-CAD Schematic призначений для розробки електричних принципових схем з використанням умовних графічних позначень елементів. При цьому УГП ЕРЕ можуть витягатися з відповідної бібліотеки або створюватися засобами самої програми.
Створення електричних принципових схем виконується за такими етапами:
1. Завантаження бібліотек.
2. Конфігурування редактора
3. Розміщення компонентів на схемі
4. Розміщення електричних ланцюгів
5. Розміщення шин
6. Створення й заповнення кутових штампів
7. Розміщення проекту на декількох аркушах
8. Додавання атрибутів ланцюгів і компонентів
9. Редагування схеми
10. Зміна позиційних позначень
11. Збереження проекту.
Оскільки наша схема являться закінченим проектом то розробка схеми електричної не потрібна. Також через невелику складність схеми можна виконати ручну трасировку плати друкованої в редакторі P-CAD PCB.
7. Розробка топології друкованої плати
Графічний редактор P-CAD PCB призначений для виконання робіт, пов'язаних з технологією розробки й конструювання вузлів ДП. Він дозволяє впаковувати схеми на плату, задавати розміри ДП, ширину провідників і величину індивідуальних зазорів для різних провідників, задавати розміри контактних площадок і діаметри перехідних отворів, екранні шари.
Програма Shape-Based Router призначена для трасування багатошарових ДП (до 30 шарів) з високою щільністю розташування компонентів і реалізує алгоритми, які прагнуть одержати 100% трасування з'єднань. Програма працює в автоматичному, інтерактивному й ручному режимах; особливі переваги програма має при наявності планарних компонентів, виконаних у різних системах одиниць (метричній й англійській).
Для того, щоб в ручному режимі виконати трасировку ПД виконуємо такі дії:
1. Завантажуємо бібліотеки за допомогою команди Library/Setup, в яких знаходяться необхідні елементи схеми.
2. За допомогою команди Place/Component розташовуємо всі необхідні посадочні місця елементів, в необхідній кількості, відповідно з схемою.
3. За допомогою команди Place/Connection з’єднуємо, відповідно до схеми, виводи мікросхем та елементів між собою.
4. Перевіряємо правильність з’єднання схеми та зберігаємо проект за допомогою команди File/Save As.
Для автоматичного трасування виконуємо такі дії:
1. Викликаємо програму Shape-Based Router командою Route/Autorouters програми P-CAD PCB. У діалоговому вікні виклику цієї програми
у вікні Autorouter у списку трасувальників вибираємо трасувальник ім'я трасувальника Shape-Based Router;
у полі Strategy указуємо імена файлів:
PRF File - вихідний файл ДП у форматі *. PRF,
Output PCB File - вихідний файл ДП, що була відтрасована, у форматі *. pcb,
Output Log File - файл протоколу команд (*. LOG).
За замовчуванням ці файли одержують ті ж імена, що й файл вихідного проекту, але на початку імені вихідних файлів додається префікс R.
В Shape-Based Router передаються з P-CAD PCB значення ширини трас, привласнені ланцюгам за допомогою атрибутів Width, і тип ПО, установлений за замовчуванням.
2. Виконуємо команду Options/Auto-Router - відкриється діалогове вікно Autorouter Setup і виконуємо всі необхідні налаштування трасування.
3. Для того щоб запустити автороутер виконуємо команду Start Autorouter.
4. Після закінчення Shape-Based Router автоматичного трасування переходимо із програми Shape-Based Router у редактор P-CAD PCB, виконавши команду File/Save and Return.
Після повернення до P-CAD PCB можна переглянути монтажні шари командою Options/Layers.
В результаті роботи з P-CAD PCB та Shape-Based Router ми отримали складальне креслення, верхній шар ДП та нижній шар ДП.
Рис.20 Складальне креслення
Рис.21 Верхній шар друкованої плати
Рис.22 Нижній шар друкованої плати
Рис.23 Обидва шари друкованої плати
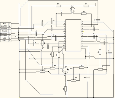
Рис.24 Електрична схема блоку
Висновки
В даній розрахунково-графічній роботі було розроблено друковану плату для універсального блоку регуляторів на мікросхемі LM1040 за допомогою програмного пакету P-CAD 2001. Як варіант, можлива розробка односторонньої друкованої плати, однак вона буде займати більшу площу, а отже на її виготовлення витратиться більше матеріалу. Розробка двусторонньої плати більш доцільна за рахунок роз’єму, який був перед цим розроблений.
Також в процесі створення друкованої плати було створено декілька інтегрованих бібліотечних елементів, які можуть бути використані в майбутньому.
Література
-
Конструирование и расчет БГИС, микросборок и апаратуры на их основе / Под ред. Б.Ф. Высоцкого. - М: Радио и связь, 1981.
-
Несущие конструкции радиоэлектронной аппаратуры / Под ред. П.И. Овсищера. - М.: Радио и связь, 1988.232с.
-
Парфенов Е.М., Камышная Э.Н., Усачев В.П. Проектирование конструкций радиоэлектронной апаратури: Учеб. пособие для вузов. - М.: Радио и связь, 1989.
-
Разработка и оформление конструкторской документации РЭА / Под ред.Э.Т. Романичевой. - М.: Радио и связь, 1989.
-
В.Д. Разевиг. Проектирование печатных плат в P-CAD 2001. - М.: СОЛОН-Пресс. 2003. - 560с.
-
М.Я. Мактас. Восемь уроков по P-CAD 2001. - М.: СОЛОН-Пресс. 2003. - 224с.
-
ОСТ 4 ГО.010.009 Модули электронные 1 и 2 уровней РЭС. Конструирование.















