20098-1 (607692), страница 4
Текст из файла (страница 4)
Принимая
и
, согласно выражениям (4.27) – (4.34) производим численный расчет:
напряжение питания:
базовый ток транзистора:
,
ток делителя:
,
резисторы базовых делителей и резистора в цепи эмиттера:
,
,
,
Емкость конденсатора в цепи эмиттера:
Также проведем расчет мощности, рассеиваемой на резисторе RЭ.
5.5 Расчет не корректированного каскада
В соответствии с [8] коэффициент усиления каскада в области верхних частот описывается выражением:
,
где
;(5.1)
;(5.2)
;(5.3)
;(5.4)
fB=
(5.5)
– входное сопротивление и входная емкость нагружающего каскада.
Значения
, входное сопротивление и входная емкость каскада рассчитываются по формулам (2.5), (2.6), (2.7).
По известным
и
из (2.8) получим:
;
.
По формуле (2.9) определим:
Подставляя известные
,
в соотношение (55) получим
Получается, что некорректированный входной каскад не обеспечивает нам требуемой полосы.
5.6 Расчет элементов эмиттерной коррекции
Рисунок 5.2 – Эквивалентная схема входного каскада по переменному току
В соответствии с [8], коэффициент передачи каскада в области верхних частот, при выборе элементов коррекции
и
соответствующими оптимальной по Брауде форме АЧХ, описывается выражением:
,(5.6)
где
;
- нормированная частота;
;
;
;(5.7)
;(5.8)
- глубина ООС;(5.9)
;(5.10)
;(5.11)
;(5.12)
;(5.13)
– входное сопротивление и емкость нагружающего каскада;
и
рассчитываются по (4.55) и (4.58) соответственно.
При заданном значении
, значение
определяется выражением:
,(5.14)
Подставляя известные
и
в (4.12) найдем:
,(5.15)
где
.
Входное сопротивление и входная емкость каскада рассчитываются по соотношениям (4.75) и (4.76).
Рассчитаем
,
,
,
,
каскада с эмиттерной коррекцией, схема которого приведена на рисунке 4.13, для нашего транзистора КТ911А (данные транзистора приведены в выше) и условий:
=0.5 дБ;
= 9; RЭКВ= RВХ=222.22 Ом, СН= СВХ=52.5пФ.
По известным
,
и
из (5.7), (5.8) получим:
.
Подставляя
в (5.9) найдем
Ом;
Рассчитывая
по (5.12)
и подставляя в (5.13), (5.14) получим:
;
с;
Ф.
По известным
,
,
,
и
из (15) определим:
=40.19106Гц=40.19МГц.
По формулам (4.75), (4.76) найдем
=72.3810-12 Ф=72.38 пФ;
5.7 Расчет искажений, вносимых входной цепью
Схема входной цепи каскада по переменному току приведена на рисунке 4.12, где Rг - внутреннее сопротивление источника сигнала.
Расчет ведется по формулам (4.59) – (4.63), приведенным в пункте 4.5.2.
Подставляя численные значения, получаем:
Оценим искажения, обусловленные наличием входной цепи, на частоте, соответствующей верхней границе полосы пропускания:
Переведем полученные искажения из разов в децибелы:
Рассчитаем, на какой верхней граничной частоте будут возникать допустимые искажения (2 дБ) по формуле 4.65
Получается, что искажения, обусловленные наличием входной цепи, удовлетворяют условию задания.
Анализируя все три каскада, можно сказать, что общий коэффициент усиления усилителя будет равен:
Выражая коэффициент усиления в децибелах, получаем:
Усилитель имеет запас по усилению 7.742дБ. Это нужно для того, чтобы в случае ухудшения усилительных свойств коэффициент передачи усилителя не опускался ниже заданного уровня, определённого техническим заданием.
6 Расчёт коллекторных дросселей и разделительных ёмкостей
Величина индуктивности дросселя выбирается таким образом, чтобы переменная составляющая коллекторного тока не ответвлялась в коллекторную цепь. Для этого величина реактивного сопротивления дросселя XL должна быть много больше сопротивления нагрузки:
,(6.1)
Дроссель, рассчитанный по формуле (6.1) для выходного каскада будет равен:
Для входного каскада в качестве нагрузочного сопротивления Rн в формуле (6.1) выступает входное сопротивление и сопротивления базовых делителей оконечного каскада:
В схеме усилителя на входе и на выходе каждого каскада ставится разделительный конденсатор для развязки каскадов по постоянному току.
Так как искажения на низких частотах в основном определяются разделительной емкостью, то искажения, приходящиеся на одну емкость равны отношению искажений на нижних частотах на число емкостей N усилителя. В результате искажения, приходящиеся на одну емкость равны:
Переводя искажения из децибел в разы, получаем:
Расчет τн производится по формуле [3]:
(6.2)
где fН - нижняя частота
- нормировае исканныжения в разах.
Номиналы разделительных емкостей можно определить из соотношения:
, где(6.3)
и
– эквивалентные сопротивления, стоящие слева и справа от разделительного конденсатора соответственно.
.
Проведем расчет для разделительных конденсаторов.
-
, при
, RП=100;
-
, при
, где
- входное сопротивление и сопротивления базовых делителей оконечного каскада;
-
, при
, где
- входное сопротивление и сопротивления базовых делителей входного каскада;
Рассчитаем элементы RC-фильтра, служащего для устранения паразитной обратной связи через источник питания (пункт 6.1) по формулам
(6.4)
где все токи рассчитаны в пункте 4.4.1
При подстановке численных значений в формулы (7.4) получаем
Для уменьшения внутреннего сопротивления источника питания и сопротивления соединительных проводов (так как источник питания зачастую отделен от самого блока усилителя) параллельно включают конденсатор, сопротивление которого на нижней частоте диапазона много меньше внутреннего сопротивления источника питания. Ёмкость данного конденсатора рассчитаем по формуле
(6.5)
Полагая сопротивление источника RИСТ = 1Ом, по формуле (6.5) рассчитываем:
7 Амплитудно-частотная характеристика усилителя
В соответствии с [8], коэффициент передачи выходного каскада в области верхних частот, при выборе элементов коррекции
и
соответствующими оптимальной по Брауде форме АЧХ, описывается выражением:
,
где
;
- нормированная частота;
;
.
Коэффициент передачи предоконечного каскада в области верхних частот описывается выражением:
,
где
;
- нормированная частота;
;
;
;
– входное сопротивление и емкость нагружающего каскада;
При условии аппроксимации входного сопротивления каскада параллельной RC-цепью, коэффициент передачи входной цепи в области верхних частот описывается выражением [5]:
где
,
.
Таким образом, общий коэффициент передачи усилителя в области верхних частот будет равен:
Так как искажения на низких частотах в основном определяются разделительной емкостью, то искажения, приходящиеся на одну емкость равны:
τн для всех емкостей одинакова, поэтому общие искажения в области нижних частот будут равны:
Общий коэффициент передачи усилителя будет равен:
Нормированный график амплитудно-частотной характеристики усилителя представлен на рисунке 7.1
lg(f)
40.76МГц
0.8МГц
0.707
0.841
Рисунок 7.1 Нормированная АЧХ усилителя
8 Заключение
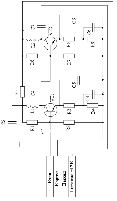
В результате выполненного курсового проекта получена схема электрическая принципиальная широкополосного усилителя. Известны топология элементов и их номиналы. Поставленная задача решена в полном объеме.
Рассчитанный усилитель имеет следующие технические характеристики:
1 Рабочая полоса частот: 0.8-35.4 МГц
2 Линейные искажения
-в области нижних частот не более 3 дБ
-в области верхних частот не более 1,5 дБ
3 Коэффициент усиления 37.742дБ
4 Амплитуда выходного напряжения Uвых=8В
5 Напряжение питания Eп=12В
6 Диапазон рабочих температур: от +10 до +40 градусов Цельсия
Список источников
1 Красько А.С. Проектирование аналоговых электронных устройств - Томск: ТУСУР, 2000.-29с.
2 Мамонкин И.Г. Усилительные устройства. Учебное пособие для вузов - М.: Связь. 1977 г.
3 Полупроводниковые приборы. Транзисторы средней и большой мощности. Справочник / А.А. Зайцев, А.И. Миркин; Под ред. А.В. Голомедова. – М.: Радио и связь,1989 – 640 с.
4 Расчет корректирующих цепей широкополосных усилительных каскадов на биполярных транзисторах./ Титов А.А –http://www.referat.ru/referats/015-0030.zip
5 Болтовский Ю.Г. Расчёт цепей термостабилизации электрического режима транзисторов. Методические указания. – Томск: ТИАСУР, 1981 г.
6 Широкополосные радиопередающие устройства / Под ред. О.В. Алексеева. - М.: Связь. 1978.
7 ГОСТ 2.755 – 74 и др. ЕСКД. Обозначения условные и графические в схемах.
8 Титов А.А. Расчет широкополосных усилителей на биполярных транзисторах/ Учебное пособие ,Томск: ТУСУР, 2002.
|
| |||||||||||||||||||
| РТФ КП 468714.001 ПЭЗ | |||||||||||||||||||
| Усилитель широкополосный | Лит. | Масса | Масштаб | ||||||||||||||||
| Изм | Лист | № докум. | Подп. | Дата | |||||||||||||||
| Разраб. | Сизиков | ||||||||||||||||||
| Проверил | Титов А.А. | ||||||||||||||||||
| Т. контроль | Лист 47 | Листов 48 | |||||||||||||||||
Схема электрическая принципиальная | ТУСУР, РТФ, гр. 180 | ||||||||||||||||||
| Н. контроль | |||||||||||||||||||
| Утв. | |||||||||||||||||||
| Поз. Обозна-чение | Наименование | Кол. | Примечание | ||||||||||||||||||||
| Катушки индуктивности | |||||||||||||||||||||||
| L1 | Индуктивность 183.5мГн 5 | 1 | |||||||||||||||||||||
| L2 | Индуктивность 199мГн 5 | 1 | |||||||||||||||||||||
| Конденсаторы | |||||||||||||||||||||||
| С1 | КД-2-1.56нФ 5 ОЖО.460.203 ТУ | 1 | |||||||||||||||||||||
| С2 | КД-2-260.8пФ 5 ОЖО.460.203 ТУ | 1 | |||||||||||||||||||||
| С3 | КД-2-521.5пФ 5 ОЖО.460.203 ТУ | 1 | |||||||||||||||||||||
| С4 | КД-2-3.9нФ 5 ОЖО.460.203 ТУ | 1 | |||||||||||||||||||||
| С5 | КД-2-26нФ 5 ОЖО.460.203 ТУ | 1 | |||||||||||||||||||||
| С6 | КД-2-23.7пФ 5 ОЖО.460.203 ТУ | 1 | |||||||||||||||||||||
| С7 | КД-2-3.8нФ 5 ОЖО.460.203 ТУ | 1 | |||||||||||||||||||||
| С8 | КД-2-227.5нФ 5 ОЖО.460.203 ТУ | 1 | |||||||||||||||||||||
| Резисторы ГОСТ7113-77 | |||||||||||||||||||||||
| R1 | МЛТ – 0.125 – 1.19кОм 10 | 1 | |||||||||||||||||||||
| R2 | МЛТ – 0.125 –757Ом 10 | 1 | |||||||||||||||||||||
| R3 | МЛТ – 0.125 – 154Ом 10 | 1 | |||||||||||||||||||||
| R4 | МЛТ – 0.125 – 23Ом 10 | 1 | |||||||||||||||||||||
| R5 | МЛТ – 0.125 – 11Ом 10 | 1 | |||||||||||||||||||||
| R6 | МЛТ – 0.125 –189Ом 10 | 1 | |||||||||||||||||||||
| R7 | МЛТ – 0.125 – 84Ом 10 | 1 | |||||||||||||||||||||
| R8 | МЛТ – 0.125 – 17Ом 10 | 1 | |||||||||||||||||||||
| R9 | МЛТ – 0.125 –5Ом 10 | 1 | |||||||||||||||||||||
| Транзисторы | |||||||||||||||||||||||
| VT1, VT2 | КТ911А аА о.339150ТУ | 2 | |||||||||||||||||||||
| РТФ КП 468714.001 ПЗ | |||||||||||||||||||||||
| Усилитель широкополосный | Лит. | Масса | Масштаб | ||||||||||||||||||||
| Изм. | Лиcт. | № докум. | Подп. | Дата | |||||||||||||||||||
| Разработал | Сизиков | ||||||||||||||||||||||
| Проверил | Титов А.А. | ||||||||||||||||||||||
| Т. контроль | Лист 48 | Листов 48 | |||||||||||||||||||||
Перечень элементов | ТУСУР, РТФ, гр. 180 | ||||||||||||||||||||||
| Н. контроль | |||||||||||||||||||||||
| Утв. | |||||||||||||||||||||||















