150994 (598902)
Текст из файла
введение
Курсовая работа выполняется студентами специальности 110302 специализации "Электроснабжение сельского хозяйства" согласно учебному плану на завершающем этапе изучения дисциплины "Теплотехника". Целью работы является закрепление и углубление теоретических знаний, полученных студентами по теории теплообмена, приобретения практических навыков при решении конкретных инженерных задач, связанных с производством.
общие методические указания по выполнению курсовой работы
В данном руководстве изложена методика расчета по следующим темам:
1.Тепловой расчет силового трансформатора;
2.Расчет системы обеспечения микроклимата ячеек распределительного устройства 6-10 кВ.
Студенты выполняют работу по индивидуальному заданию, получаемому от преподавателя. В задании указывается тема и исходные числовые данные. Курсовая работа состоит из расчетно-пояснительной записки и графической части.
Расчетно-пояснительная записка должна отражать содержание работы, введение и все основные разделы, включая расчеты и пояснения к ним, выводы по результатам, а также список использованной литературы.
В водной части необходимо четко поставить цель курсовой работы и дать краткое описание объекта проектирования.
Все расчеты нужно выполнять в единицах системы СИ. Расчетные формулы раскрывать и сопровождать подробной расшифровкой входящих величин с указанием их размерности.
При использовании формул и числовых значений величин, принятых по литературным источникам, ссылка на них обязательна.
Графическую часть курсовой работы выполняют на листе формата А1 (допускается А2). Оформление чертежей и расчетно-пояснительной записки должно соответствовать требованиям ЕСКД.
тема 1. тепловой расчет трансформатора
При работе трансформатора часть электрической энергии расходуется на потери, выделяющиеся в виде тепла. В масляных трансформаторах вслед за обмотками и магнитной системой нагреваются масло и металлический бак-корпус, устанавливается температурный перепад между внешней поверхностью бака и воздухом, окружающим трансформатор. Нагрев трансформатора —основная причина, ограничивающая его мощность при нагрузках. При длительном сохранении определенного режима нагрузки повышение температуры прекращается, и вся выделяющееся тепловая энергия отводится в окружающую среду, поэтому тепловой расчет проводится для установившегося теплового режима при номинальной нагрузке. Естественно, что для всех переходных режимов при нагрузке трансформатора не выше номинальной, превышение температуры над окружающей средой будет ниже, чем при номинальной нагрузке.
Тепловой поток проходит сложный путь, который для масляного трансформатора может быть разбит на следующие составляющие участки:
- от поверхности обмотки к наружной поверхности изоляции,
- от наружной поверхности изоляции обмотки в омывающее их трансформаторное масло,
- перенос тепла маслом к внутренней поверхности бака,
- от внутренней поверхности бака к его наружной поверхности,
- от наружной поверхности бака в окружающий его воздух.
На каждом из выделенных участков перенос тепла следует рассчитывать с учетом способов его распространения, описываемых различными законами теплообмена.
Задача теплового расчета трансформатора заданной мощности, заключается в определении:
- зависимости изменения температуры масла от температуры окружающей среды при номинальной его нагрузке;
- зависимости изменения температуры масла от нагрузки трансформатора при максимальной заданной температуре окружающего воздуха.
Курсовая работа по данной теме предполагает выполнение теплового расчета масляных трансформаторов с естественной циркуляцией масла и воздуха. Технические данные силовых трансформаторов приведены в приложении 1.
1.1 МЕТОДИКА ТЕПЛОВОГО РАСЧЕТА ТРАНСФОРМАТОРА
Тепловой расчет трансформатора выполняется для заданной мощности трансформатора и соответствующей ему конструкции бака [1].
Расчет заключается в определении средней температуры масла верхних слоев трансформатора при различных режимах его работы по условиям нагрузки и по времени года. Технические условия (ГОСТ 11677-85) регламентируют нормы предельного повышения температуры обмоток над температурой воздуха в наиболее жаркое время года 105 — 110 С при среднегодовой температуре около 75С. При номинальной нагрузке трансформатора температура верхних слоев масла не должна превышать +95С для масляных трансформаторов с естественной циркуляцией масла. При соблюдении этих условий изоляция трансформатора не подвергается ускоренному старению и может надежно работать длительное время.
В установившемся режиме работы трансформатора потери энергии переходят в теплоту и от нагретого масла через стенку бака передаются окружающему воздуху. При этом часть тепловой энергии от наружной поверхности бака рассеивается за счет лучистого теплообмена.
Суммарный поток тепловой энергии зависит от нагрузки трансформатора и в любом режиме его работы может быть ориентировочно определен по формуле
Q0 = PТР = PХХ + PКЗ kЗ 2, (1.1)
где Q0 — тепловой поток, отдаваемый поверхностью бака воздуху за счет теплоотдачи и излучения, Вт;
PТР— суммарные потери мощности в трансформаторе, Вт;
PХХ и PКЗ — потери мощности холостого хода и короткого замыкания, Вт;
— коэффициент загрузки трансформатора;
IН, IТР — ток в обмотках трансформатора в номинальном режиме его работы и, соответственно, отличном от этого режима, А.
Очевидно, при номинальной загрузке трансформатора kЗ=1.
Для этого режима среднее превышение температуры стенки бака над воздухом, С, можно предварительно определить [2]
, (1.2)
где FЛ и FК — поверхность бака, м2, отдающая теплоту соответственно излучением и конвекцией.
Среднее превышение температуры масла над температурой стенки бака, С, приближенно может быть подсчитано по выражению
, (1.3)
где кI = 1 — при естественном охлаждении масла и
кI = 0,9 — при охлаждении с дутьем.
Тогда превышение температуры масла в верхних слоях бака над температурой окружающего воздуха, С, определится по уравнению
, (1.4)
где = 1 — для гладких баков,
= 1.2 —для трубчатых баков и баков с радиаторами.
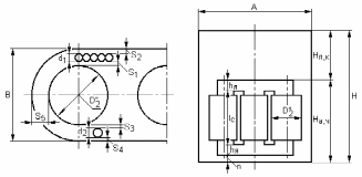
Для гладкого бака поверхности FК и FЛ одинаковы и равны его внешней расчетной поверхности, которую определяют в зависит от формы бака, м2:
- для прямоугольного бака
, (1.5)
- для овального бака
, (1.6)
где А, В, Н, — размеры бака, м, принимаются из приложения 1;
FКР — поверхность крышки бака, м2;
0.75— коэффициент, учитывающий закрытие части поверхности крышки изоляторами вводов ВН и НН и различной арматурой.
Рис. 1. К определению основных размеров бака.
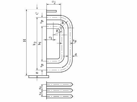
Бак с охлаждающими трубами применяется в трансформаторах мощностью от 160 до 1600 кВА с целью увеличения поверхности теплообмена. Обычно применяют трубы овальные с размерами поперечного сечения 72 20 мм или круглые диаметром 51/48 мм при толщине стенок 1.5 мм. В последнее время находят применение круглые трубы диаметром 30 мм с толщиной стенок 1.2 мм, что увеличивает теплоотдачу с единицы по поверхности трубы. В зависимости от мощности трансформатора число рядов труб колеблется от 1 до 4, расположение труб — коридорное. Для определения расчетной поверхности охлаждения бака с трубками необходимо принять одну из рекомендованных форм трубки. Размеры труб, радиус закругления R, шаг труб в ряду tТ, шаг между рядами tР и другие размеры выбираются из таблицы 1 по принятой форме трубки.
Таблица 1. Сведения о трубах, применяемых для радиаторов силовых трансформаторов
| Форма трубы | Размеры сечения, d, мм | Толщина стенки, , мм | Поперечное сечение в свету, f, мм2 | Поверхность Fl , м2 | Размеры (по рис. 2), мм | |||||||
| а1 | с | е | ||||||||||
| Круглая | 51 | 1.5 | 1810 | 0.16 | 50 | 60 | 70 | |||||
| Овальная | 72 20 | 1.5 | 890 | 0.16 | 50 | 70 | 80 | |||||
| Круглая | 30 | 1.2 | 600 | 0.0942 | 50 | 60 | 70 | |||||
| Форма трубы | Шаг, мм | Радиус изгиба, R, мм | Число рядов труб при мощности | |||||||||
| между рядами, tР | в ряду, tТ | 160-180, кВА | 250-630, кВА | 1000-1600, кВА | ||||||||
| Круглая | 75 | 70 | 150 | 1 | 2 | 2-3 | ||||||
| Овальная | 100 | 50 | 188 | 1 | 1 | 1-2 | ||||||
| Круглая | 55 | 50 | 150 | 1 | 1 | 2-3 | ||||||
Для расчета поверхности теплообмена необходимые данные выбрать из табл. 1 в соответствии с рис. 2.
Рис. 2. Элементы трубчатого бака.
Развернутую длину трубы в каждом ряду, м, определяют по уравнению:
-для первого (внутреннего) ряда
,
- для второго ряда
,
- для третьего ряда
и так далее.
Число труб в одном ряду на поверхности бака овальной формы
.
Поверхность излучения бака с трубами, м2,
,(1.7)
где d — диаметр круглой трубы (51 или 30 мм) или больший размер поперечного сечения овальной трубы (72 мм); а1, R, tР — размеры из табл. 1 для выбранной трубы, мм.
Для второго и последующих рядов размер аi рассчитывают по выражению
аi = аi–1+ tР,
где i = 2,3,… — номер расчетного ряда.
Высота крепления трубок к баку, м :
- для второго ряда
,
-для первого ряда
.
Расчетная поверхность конвекции бака с трубами, м2,
, (1.8)
где FК,ГЛ — поверхность конвекции гладкого бака и крышки, рассчитанные по (1.5) или (1.6), м2;
кФ — коэффициенты, выбираемые по табл. 2;
FК,ТР — поверхность конвекции труб, м2,
Характеристики
Тип файла документ
Документы такого типа открываются такими программами, как Microsoft Office Word на компьютерах Windows, Apple Pages на компьютерах Mac, Open Office - бесплатная альтернатива на различных платформах, в том числе Linux. Наиболее простым и современным решением будут Google документы, так как открываются онлайн без скачивания прямо в браузере на любой платформе. Существуют российские качественные аналоги, например от Яндекса.
Будьте внимательны на мобильных устройствах, так как там используются упрощённый функционал даже в официальном приложении от Microsoft, поэтому для просмотра скачивайте PDF-версию. А если нужно редактировать файл, то используйте оригинальный файл.
Файлы такого типа обычно разбиты на страницы, а текст может быть форматированным (жирный, курсив, выбор шрифта, таблицы и т.п.), а также в него можно добавлять изображения. Формат идеально подходит для рефератов, докладов и РПЗ курсовых проектов, которые необходимо распечатать. Кстати перед печатью также сохраняйте файл в PDF, так как принтер может начудить со шрифтами.















