150975 (598897), страница 3
Текст из файла (страница 3)
Внаслідок поляризації на паралельних гранях з’являються зв’язані заряди, які створюють власне поле. Поза діелектриком напрямок поля зв’язаних зарядів співпадає з напрямком зовнішнього поля, а всередині діелектрика – протилежно йому. Таким чином, внаслідок поляризації діелектрика напруженість поля поза ним збільшується, а всередині – зменшується. Це призводить до зміни зовнішнього електричного поля в області діелектрика.
Розглянемо характеристики поляризованого діелектрика. Нехай даний діелектрик має форму прямого паралелепіпеда довжиною l. Позначимо площу основи через S, а величину зв’язаного на поверхні основи заряду через q. Тоді одержуємо поверхневу густину зв’язаних зарядів:
(1)
Поляризований діелектрик володіє дипольним електричним моментом, рівним
, (2)
де l – вектор, чисельно рівний віддалі між зарядами і напрямлений від від’ємного заряду до додатного.
За міру поляризації діелектрика приймають дипольний момент одиниці об’єму діелектрика:
(3)
Дипольний (електричний) момент одиниці об’єму діелектрика називають вектором поляризації.
Із формули (3) видно, що вектор поляризації чисельно дорівнює поверхневій густині зарядів.
З другого боку, якщо позначити дипольний момент однієї 1-ої молекули через «Рі », то вектор поляризації буде рівний
(4)
З формули (3) видно, що розмірність вектора поляризації в системі СІ Кл/м2, тобто співпадає з розмірністю вектора електричного зміщення.
Вектор поляризації пропорційний напруженості електричного поля
,
де безрозмірний множник (незалежна від Е величина) називається діелектричною сприйнятливістю. Вона характеризує податливість речовини до електричної поляризації і залежить від її будови.
Внаслідок поляризації напруженість поля в діелектриці (як відмічалось вище) менше від напруженості зовнішнього кола.
Поле всередині діелектрика
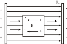
Розглянемо діелектрик в полі плоского конденсатора (рис. 5).
Рис. 5
Як видно з цього малюнка, напруженість поля всередині діелектрика:
(6)
Або в скалярній формі:
(7)
Звідси одержуємо:
(8)
В формулі (7) вплив речовини на поле враховує напруженість поля зв’язаних зарядів. Поле Е являється полем зв’язаних зарядів, які виникають на двох площинах діелектрика. Отже, його можна розрахувати за формулою (при = 1):
.
Вектор зміщення зв’язаний з напруженістю поля в діелектриці і вектором поляризації співвідношенням:
(9)
Співвідношення (9) являється більш загальним, ніж
, оскільки воно справедливе для любої найскладнішої залежності
.
Знайдемо зв’язок між цими величинами. Для цього підставимо значення:
і
в формулу (9). Звідси знаходимо:
(10)
Із співвідношення (10) випливає, що чим сильніше поляризується діелектрик, тим більша його діелектрична проникність.
Напруженість поля в середовищі рівна:
(11)
Отже, діелектрична проникність показує, в скільки разів послаблюється електричне поле в середовищі порівняно з вакуумом.
Як витікає з попереднього параграфа, це послаблення пояснюється тим, що від напруженості поля вільних зарядів віднімається напруженість поля зв’язаних зарядів.
П’єзоелектричний ефект і його застосування
Досі ми розглядали поляризацію діелектриків під дією зовнішнього поля. Досвід показує, що в деяких кристалах поляризація може виникнути і без зовнішнього поля, якщо кристали піддати механічні й деформації. До таких кристалів належать кварц, турмалін, сегнетова сіль, цинкова обманка, титанат барію та інші. Це явище одержало назву п’єзоелектричного ефекту.
П’єзоефект обумовлений особою будовою деяких твердих діелектриків. Розглянемо, наприклад, причину п’єзоелектричних властивостей кварцу. В кристалах кварцу (SiO2) іони кремнію і кисню розміщені в шестикутних структурних комірках. Схематично комірку кристалу кварцу можна представити у формі (Рис. 6).
Рис. 6
Вісі х1, х2, х3 (розташовані в площині малюнка) називають електричними вісями. Вісь Z, перпендикулярну до площини малюнка, називають оптичною віссю.
Вважатимемо, що комірка стискається в напрямі вісі (Рис. 1). Тоді іон кремнію і зміщується всередину комірки і займає місце між іонами кисню 2 і 6, а іон кисню 4 опиняється між іонами кремнію 3 і 5. Внаслідок цього на поверхні А комірки виникає негативний заряд, а на поверхні В-позитивний, тобто має місце так званий повздовжній, прямий п’єзоелектричний ефект (поляризація в напрямі деформуючих сил). Якщо ж стиск відбувається в напрямі, перпендикулярному до вісі х1, то іони кремнію 3 і кисню 2 зміщуються вліво, а іони кремнію 5 і кисню 6 – вправо.
На поверхні С і Д додаткові електричні заряди не виникають. А на поверхні А і В виникають заряди, протилежні за знаком тим, які спостерігалися в першому випадку. Так як тепер іони кремнію 1 і кисню 4 висуваються з комірки, в цьому випадку виникає поперечний прямий п’єзоелектричний ефект (поляризація в напрямі, перпендикулярному до дії деформуючих сил).
Якщо кристал піддати деформації розтягу, то знаки поверхні зарядів будуть оберненими по відношенню до знаків при деформації стиску. Це легко зрозуміти з рис. 1, якщо змінити напрям сил навпаки.
Користуючись моделлю (рис. 1), можна пояснити і обернений п’єзоелектричний ефект, який полягає у зміні розмірів кристала під дією електричного поля, тобто в його подовженні або скороченні при електризації.
Якщо електричне поле періодично змінюється з частотою, рівною частоті власних механічних коливань пластинки п’єзокварцу, то пластинка має резонансні коливання. Ці коливання передаються оточуючому середовищу і можуть поширюватися у вигляді хвиль. Прямий і обернений п’єзоелектричний ефект має в наш час широке застосування в техніці. Існують п’єзоелектричний мікрофон і телефон, п’єзоелектричні стабілізатори частоти та ін.
Висновки
-
Умови рівноваги зарядів у провіднику, що знаходиться в електростатичному полі:
-
поле усередині відсутнє, а потенціал (
) сталий; -
напруженість поля в кожній точці поверхні провідника спрямована перпендикулярно до поверхні.
-
У діелектриків немає вільних зарядів. При поляризації неполярних діелектриків під дією зовнішнього електричного поля утворюються електричні диполі з відповідним електричним моментом, а у полярних діелектриків існуючі диполі орієнтуються по зовнішньому полю.
Міра поляризації діелектриків характеризується дипольним моментом одиниці об’єму вектором поляризації.
Таким чином, на поверхні діелектрика у зовнішньому полі виникають пов’язані заряди, а їх поле частково компенсує зовнішнє.
3. Чим сильніше поляризується діелектрик (більша діелектрична сприйнятливість), тим більше послабляється зовнішнє поле.
) сталий;















