150898 (598894), страница 24
Текст из файла (страница 24)
Система «генератор – двигатель» выгодно отличается тем, что в ней отсутствуют силовые контакторы, реостаты и т.п. Поскольку управление двигателем осуществляют путем регулирования сравнительно небольших токов возбуждения, управление легко поддается автоматизации.
Установки типа «генератор–двигатель» получили широкое распространение в промышленности и на транспорте, в тех устройствах, где требуется регулирование частоты вращения в широких пределах. В транспортных установках генератор приводится во вращение дизелем. В промышленности обычно для привода генератора используют трехфазные синхронные или асинхронные двигатели.
Систему «генератор – двигатель» широко применяют в металлургической промышленности для привода прокатных станов с двигателями мощностью 10 000 кВт и более при диапазоне регулирования частоты вращения 1:200 и точности поддержания заданной частоты вращения (погрешности) менее 1%.
Следует отметить, что в этой системе уменьшение частоты вращения производят с использованием рекуперативного торможения: сначала, увеличивая ток возбуждения двигателя, а затем, постепенно уменьшая ток возбуждения генератора, можно перевести двигатель в генераторный режим и быстро затормозить механизм. При этом накопленная кинетическая энергия якоря и механизма отдается в электрическую сеть.
Рис. 2.77 – Схема регулирования двигателя с независимым возбуждением при питании его от генератора
Если нагрузка толчкообразная, то иногда на валу первичного двигателя, вращающего генератор, ставят маховик, который уменьшает перегрузки первичного двигателя.
Недостатки системы «генератор–двигатель»:
1) большие масса, габариты и стоимость установки;
2) сравнительно низкий к. п. д. (порядка 0,6 – 0,7), так как производится трехкратное преобразование энергии.
В последнее время на транспорте (тепловозы, большие автомобили, корабли и т.п.) вместо генератора постоянного тока в системе «генератор–двигатель» применяют синхронный генератор с полупроводниковым выпрямителем. Это позволяет снизить вес и уменьшить стоимость генератора. В промышленных установках такое усовершенствование не получило широкого распространения, так как из-за выпрямителя теряется возможность рекуперативного торможения.
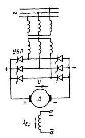
Система «управляемый выпрямитель–двигатель». Развитие полупроводниковой техники позволило применить для регулирования частоты вращения двигателя управляемый выпрямитель УВП, выполненный на тиристорах, где одновременно с выпрямлением производится регулирование выпрямленного напряжения (рис. 2.78). Применение системы «управляемый выпрямитель – двигатель» позволяет увеличить коэффициент полезного действия и уменьшить массу установки.
Рис. 2.78. Схема регулирования двигателя с независимым возбуждением при питании его от управляемого вентильного преобразователя
Если требуется быстрая остановка механизма, с последующим реверсированием, то для осуществления рекуперативного торможения параллельно с выпрямителем ставят инвертор, т.е. еще один полупроводниковый преобразователь, позволяющий отдавать электрическую энергию от машины постоянного тока в сеть переменного тока.
Недостатком системы «управляемый выпрямитель–двигатель» является низкий коэффициент мощности при пониженном выходном напряжении. Кроме того, несколько ухудшается коммутация двигателя из-за пульсаций тока якоря. Особенно велики пульсации тока при питании от сети однофазного тока (электровозы переменного тока), где обеспечение удовлетворительной коммутации вырастает в большую проблему.
В настоящее время система «управляемый выпрямитель–двигатель» имеет меньшую надежность, чем система «генератор – двигатель», из-за сложности полупроводникового оборудования, особенно системы управления.
Импульсное регулирование частоты вращения. В последние годы в связи с развитием полупроводниковой техники широко применяют импульсный метод регулирования частоты вращения двигателей постоянного тока. При этом на двигатель с помощью импульсного прерывателя периодически подаются импульсы напряжения определенной частоты.
Импульсный прерыватель (рис. 2.79, а) состоит из входного фильтра Lф-Сф, электронного ключа ТK (транзисторного или тиристорного), обратного диода Д и индуктивности L. В период времени τ, когда электронный ключ замкнут (транзистор или тиристор открыт), питающее напряжение U подается полностью на якорь двигателя, и его ток ia увеличивается (рис. 10–79, б); когда электронный ключ разомкнут (транзистор или тиристор заперт), ток iа продолжает протекать через якорь двигателя и обратный диод Д под действием электромагнитной энергии, запасенной в индуктивностях La + L цепи якоря; при этом ток ia уменьшается. Частота следования импульсов при номинальном режиме обычно составляет 200–400 Гц, вследствие чего период Т примерно на два порядка меньше постоянной времени цепи якоря. Поэтому за время импульса τ ток в двигателе не успевает значительно возрасти, а за время паузы (Т – τ) – уменьшиться.
Рис. 2.79 – Схема импульсного регулирования двигателя постоянного тока (а); графики изменения напряжения и тока при работе двигателя в режиме непрерывного тока (б)
Среднее напряжение, подаваемое на обмотку якоря,
, (2.99)
где α = τ/Т – коэффициент регулирования напряжения, равный относительной длительности включения ключа ТК.
При этом частота вращения двигателя
, (2.100)
где Iа= Iср–среднее значение тока якоря.
Изменение тока при работе импульсного прерывателя ΔI = Iмакс – Iмин определяется по приближенной формуле
, (2.101)
где La+L – индуктивность цепи якоря двигателя.
Если параметры схемы выбраны так, что пульсация тока не превосходит 5–10%, то работа двигателя практически не отличается от работы двигателя при постоянном напряжении. Скоростные и механические характеристики двигателя 1, 2 и 3 (рис. 2.80), полученные при различных напряжениях, подаваемых на обмотку якоря, в таком режиме работы аналогичны соответствующим характеристикам двигателя при изменении питающего напряжения U.
Рис. 2.80 – Скоростные и механические характеристики двигателя с параллельным возбуждением при импульсном регулировании
При уменьшении нагрузки двигателя с параллельным возбуждением возрастают пульсации тока якоря, и при некоторой критической нагрузке наступает режим прерывистых токов. Поскольку условие Iа = 0 имеет место при Е = U, частота вращения при идеальном холостом ходе n0 = U/(сеФ) не будет зависеть от времени т, т.е. от коэффициента регулирования напряжения α. Благодаря этому при некоторой критической частоте вращения nкр, когда двигатель переходит в режим прерывистых токов, угол наклона скоростных и механических характеристик к оси абсцисс резко изменяется. В диапазоне n0> n> nкр эти характеристики имеют примерно такую же форму, как и при регулировании частоты вращения путем включения реостата в цепь якоря. Критическая частота вращения
, (2.102)
где β = Т/Та. Здесь Та = (L + Lа)/∑r – постоянная времени цепи обмотки якоря.
Среднее напряжение Uср, подаваемое на двигатель, регулируется путем изменения либо продолжительности периода Т между подачей управляющих импульсов на электронный ключ ТK при τ=const (частотно-импульсное регулирование), либо времени τ при постоянном значении Т (широтно-импулъсное регулирование).
Используют также комбинированное регулирование, при котором изменяется как Т, так и τ.
В настоящее время импульсное регулирование двигателей малой мощности и микродвигателей осуществляют с помощью импульсных прерывателей, в которых коммутирующими элементами являются транзисторы. Для регулирования двигателей средней и большой мощностей применяют прерыватели с тиристорами. Так как тиристор, в отличие от транзистора, является не полностью управляемым вентилем, то для его запирания применяют различные схемы искусственной коммутации, обеспечивающие прерывание проходящего тока путем подачи на его электроды обратного напряжения.
Рис. 2.81 – Схемы включения двигателя постоянного тока через тиристорный импульсный прерыватель при частотно-импульсном и широтно-импульсном регулировании
На рис. 2.81 показаны две простейшие схемы импульсных тиристорных прерывателей. Схему, изображенную на рис. 2.81, а, используют при частотно-импульсном регулировании Тиристор Т отпирается путем подачи импульсов гока управления на его управляющий электрод, запирание же его осуществляется с помощью коммутирующего конденсатора Ск Перед включением тиристора конденсатор Ск заряжен до напряжения U. При подаче отпирающего импульса на управляющий электрод тиристор Т открывается и через двигатель начинает проходить ток ia. Одновременно происходит перезаряд конденсатора Ск – через резонансный контур, содержащий индуктивность L1. После окончания перезаряда, когда полярность конденсатора изменится, к тиристору будет приложено обратное напряжение. При этом он восстанавливает свои запирающие свойства и прохождение тока через тиристор прекращается. В дальнейшем конденсатор заряжается через нагрузку и схема оказывается подготовленной для последующего отпирания тиристора. Время открытого состояния тиристора определяется параметрами резонансной цепи:
Схему, изображенную на рис. 2.81, б, используют при широтно-импульсном и комбинированном регулирований. В этом случае импульсный прерыватель имеет два тиристора: главный Т1 и вспомогательный Т2. Запирание главного тиристора Т1 осуществляется коммутирующим конденсатором Ск, который подключается к тиристору Т1 в требуемые моменты времени вспомогательным тиристором Т2. После запирания тиристора Т1 коммутирующий конденсатор заряжается от источника питания через тиристор Т2 и якорь двигателя, а после повторного открытия главного тиристора Т1 перезаряжается через цепочку, содержащую индуктивность L1 и диод Д1, и приобретает полярность, требуемую для последующего запирания тиристора Т1.
Торможение при импульсном регулировании. При работе двигателя от импульсного прерывателя можно выполнить его рекуперативное и динамическое торможения. Наиболее интересная особенность рекуперативного торможения при импульсном регулировании – возможность осуществления его при величине э. д. с. двигателя, меньшей напряжения сети. В связи с этим рекуперативное торможение может осуществляться почти до полной остановки.
При рекуперативном торможении импульсный прерыватель ИП включают параллельно якорю двигателя, диод Д–между якорем и питающей сетью. При отпирании прерывателя ИП якорь машины вместе с индуктивностью L замыкается накоротко. При этом увеличивается ток ia и происходит накопление электромагнитной энергии в индуктивностях L + La, а возникающая э. д. с. самоиндукции eL уравновешивает э. д. с. машины Е. При запирании прерывателя ИП ток ia под действием э. д. с. самоиндукции протекает через диод Д и накопленная энергия отдается в сеть. Среднее значение тока, отдаваемого в сеть, определяется разностью между средней э. д. с. якоря Е и напряжением сети U.
Из закона сохранения энергии IaсрE=Iс.срU имеем















