150761 (598887)
Текст из файла
Тема: «Расчет простых и сложных электрических цепей»
Задача N 1. (20 мин)
Определить комплексное сопротивление, проводимость, ток в цепи, напряжение на элементах и все виды мощностей в ЭЦ, представленной на рисунке 1, если
В, R = 200 Ом, L = 50 мкГн.
Рис. 1.
Вызвать к доске курсанта для определения плана решения задачи и расчёта
и
.
Решение.
1.
(Ом).
2.
(См).
Дополнительный вопрос отвечающему у доски из общего перечня вопросов для подготовки к занятию.
Вызов к доске второго курсанта для определения
.
3.
(А).
4.
(B).
5.
(B).
Вопрос аудитории: Как записать мгновенные значения тока и напряжения, действующие в данной ЭЦ?
Пригласить к доске третьего курсанта для записи мгновенных значений реакций тока и напряжений.
-
Для дальнейшего решения задачи вызвать к доске четвёртого курсанта и определить мощности, развиваемые (отдаваемые) источником напряжения.
а) Комплексная мощность.
(Вт),
.
б) Активная мощность, развиваемая источником.
(Вт).
(Вт).
Вопрос аудитории: По каким ещё известным формулам можно определить среднюю или активную мощность?
-
Вызвать к доске очередного курсанта для определения активной мощности, потребляемой цепью.
а)
(Вт).
б)
(Вт).
в)
(Вт).
г)
(Вт).
Вопрос отвечающему у доски курсанту: Оценить и охарактеризовать соотношения активных мощностей – развиваемой генератором и потребляемой цепью?
-
Определить реактивные мощности: развиваемую источником и потребляемую цепью по одной из известных формул:
а)
(Вар).
Вопрос группе: Каким элементом данной ЭЦ определяется реактивная мощность?
б)
(Вар).
-
Определить полную мощность и коэффициент мощности.
а)
(мВА).
б)
(мВА).
в)
.
-
П
остроить треугольник мощностей в выбранном масштабе.
Вывод: Итог решения задачи №1.
Расчёт цепей методом узловых напряжений
Задача 2. (10 мин)
Дано:
,
,
,
Определить:
по МУН для схемы, представленной на рисунке 2 (без расчетов в числах)
Рис. 2.
Решение:
Наметить план решения задачи: Выбрать базисный узел, определить число уравнений, написать уравнения, вычислить реакции через узловые напряжения.
Вопрос: Почему в качестве базисных узлов нельзя брать узлы 2 и 3?
Уравнения для узлов 2 и 3:
Узел 2:
,
Узел 3:
.
Вопрос: Какими способами необходимо решать систему уравнений для определения
и
? (методы подстановки и Крамера).
Определение реакций:
.
Вопрос: Начертить схемы двухполюсников
, если их сопротивления заданы выражениями:
;
;
;
;
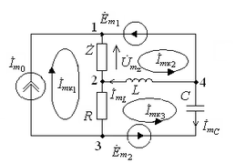
Задача № 3 (15 мин).
Дано:
(А);
(В);
;
Определить: напряжения
для схемы, представленной на рисунке 3.
Рис. 3.
Обсудить план решения задачи (определить базисный узел, потенциальные узлы, число уравнений, написать уравнения, вычислить узловые напряжения и реакции).
Решение:
Узел 2
,
Узел 1
,
Узел 3
.
Подставив в уравнение 1 числовые значения параметров схемы, получим:
, отсюда:
.
Аналогично подставим числа в уравнение 2 и определим напряжение
:
, отсюда:
(В).
(В).
Таким образом:
(В).
Расчёт цепей методом контурных токов
Задача № 4 (10 мин.).
Дано:
Определить:
по МКТ для схемы, представленной на рисунке 4 (без числового расчета).
Рис. 4.
Решение:
Определить план решения задачи: Начертить один из вариантов деревьев цепи, определить число уравнений, написать уравнения, вычислить реакции через контурные токи.
Контур 2:
,
Контур 3:
,
Контур 1:
.
Определение реакций:
Задача № 5 (15 мин.)
Для схемы задачи № 3 (рисунок 5) определить напряжения
и
методом МКТ.
Рис. 5
Дано:
(А);
(В);
;
Наметить план решения задачи, т.е. определить число независимых уравнений, начертить один из вариантов дерева цепи, показать контура и направления токов контуров, написать уравнения и вычислить реакции через токи контуров.
Решение:
Уравнения для токов контуров:
Контур 1:
,
Контур 2:
,
Контур 3:
.
Подставим числовые значения параметров схемы в уравнение (2) и определим ток:
.
Отсюда:
Определим напряжение
:
(В).
Определение тока
, напряжения
.
.
.
Вывод: Итог решения задач №3 и №5. Обсуждение с группой
Задача № 5 Решить самостоятельно. Методом МКТ и МУН.
Дано:
Определить: Ток
методами МКТ и МУН. (Рисунок 6)
C
Рис. 6.
Литература, используемая для подготовки к лекции: Белецкий А.Ф. Теория линейных электрических цепей. – М.: Радио и связь, 1986. (Учебник); Бакалов В.П. и др. Теория электрических цепей. – М.: Радио и связь, 1998. (Учебник); Качанов Н.С. и др. Линейные радиотехнические устройства. М.: Воен. издат., 1974. (Учебник); В.П. Попов Основы теории цепей – М.: Высшая школа, 2000.(Учебник)
Характеристики
Тип файла документ
Документы такого типа открываются такими программами, как Microsoft Office Word на компьютерах Windows, Apple Pages на компьютерах Mac, Open Office - бесплатная альтернатива на различных платформах, в том числе Linux. Наиболее простым и современным решением будут Google документы, так как открываются онлайн без скачивания прямо в браузере на любой платформе. Существуют российские качественные аналоги, например от Яндекса.
Будьте внимательны на мобильных устройствах, так как там используются упрощённый функционал даже в официальном приложении от Microsoft, поэтому для просмотра скачивайте PDF-версию. А если нужно редактировать файл, то используйте оригинальный файл.
Файлы такого типа обычно разбиты на страницы, а текст может быть форматированным (жирный, курсив, выбор шрифта, таблицы и т.п.), а также в него можно добавлять изображения. Формат идеально подходит для рефератов, докладов и РПЗ курсовых проектов, которые необходимо распечатать. Кстати перед печатью также сохраняйте файл в PDF, так как принтер может начудить со шрифтами.















