150362 (598867)
Текст из файла
Министерство общего и профессионального образования Российской Федерации
Уральский государственный технический университет
ИССЛЕДОВАНИЕ ДВОИЧНЫХ СЧЕТЧИКОВ
Екатеринбург 2009
Исследование двоичных счетчиков
1. ТЕОРЕТИЧЕСКАЯ ЧАСТЬ
Счетчики
Счетчиком называют устройство, сигналы, на входе которого в определенном коде отображают число импульсов, поступивших на счетный вход. Триггер Т-типа может служить примером простейшего счетчика. Такой счетчик считает до двух. Счетчик, образованный цепочкой из m-триггеров, сможет посчитать в двоичном коде 2m импульсов. Каждый из триггеров цепочки называют разрядом счетчика. Число m определяет количество разрядов двоичного числа, которое может быть записано в счетчик. Число Ксч=2m называют коэффициентом (модулем) счета.
Информация снимается с прямых и (или) инверсных выходов всех триггеров. В паузах между входными импульсами триггеры сохраняют свое состояние, т. е. Счетчик запоминает число сосчитанных импульсов.
Нулевое состояние всех триггеров принимается за нулевое состояние счетчика в целом.
После каждого цикла счета на выходах последнего триггера возникают перепады напряжения. Это свойство определяет второе назначение счетчиков: Деление числа входных импульсов. Если входные сигналы периодичны и следуют с частотой fвх , то частота выходных импульсов будет fвых=fвх/Ксч
У счетчиков в режиме деления используется выходной сигнал только последнего триггера, промежуточные состояния остальных триггеров не учитываются. Всякий счетчик может быть использован как делитель частоты. Поэтому подобное устройство часто называют счетчиком-делителем. Такие делители имеют целочисленный коэффициент деления. Элементная база современной микроэлектроники позволяет строить делители и с дробным коэффициентом деления.
Символом счетчиком на схемах служат буквы СТ (от англ. counter – счетчик). Если требуется, после символа проставляют число, характеризующее модуль счета, например СТ2.
Основные эксплуатационные показатели: емкость и быстродействие.. Емкость счетчика, численно равная коэффициенту счета, характеризует число импульсов, доступное счету за один цикл.
Быстродействие счетчика определяется разрешающей способностью tразр.сч и временем установки кода счетчика. Под разрешающей способностью подразумевают минимальное время между двумя входными сигналами, в течение которого еще не возникают сбои в работе счетчика.
Обратная величина fmax=1/tразр. сч называется максимальной частотой счета. Время установки кода tуст равно времени между моментом поступления входного сигнала и переходом счетчика в новое устойчивое состояние. Временные свойства зависят от временных характеристик триггеров и способа их соединения между собой.
Классификация счетчиков.
Цифровые счетчики классифицируются следующим образом:
По коэффициенту счета: двоичные(бинарные); двоично-десятичные (декадные) или с другим основанием счета; с произвольным постоянным модулем; с переменным модулем.
По направлению счета: суммирующие; вычитающие; реверсивные.
По способу организации внутренних связей: с последовательным переносом; с параллельным переносом; с комбинированным переносом; кольцевые.
Для двоичного счетчика с Ксч=2m, зная номера триггеров и состояния выходов Q, можно определить записанное в счетчик двоичное число
М=Qm* 2m-1+Qm-1*2m-2 +…+Q1*20,
где m-номер триггера, 2m-1 – вес m-ного разряда.
Введением дополнительных логических связей – обратных и прямых – двоичные счетчики могут быть обращены в недвоичные, для которых Ксч2m. Наибольшее распространение получили десятичные (декадные) счетчики, работающие с привычным Ксч=10. Десятичный счет осуществляется в двоично-десятичном коде (двоичный по коду счета, десятичный – по числу состояний).
Десятичные счетчики организуются из четырехразрядных двоичных счетчиков. Избыточные шесть состояний исключаются введением дополнительных связей.
Возможны 2 варианта построения схем: а) счет циклически идет от 0000 до 1001 и б) исходным состоянием служит 01102=610 и счет происходит до 11112=1510. Первый вариант применяют чаще.
В суммирующем счетчике каждый входной импульс увеличивает число, записанное в счетчик, на 1. Как следует из таблицы, перенос информации из одного разряда в другой, более высокий, имеет место, когда происходит смена состояния с 1 на 0.
Вычитающий счетчик действует обратным образом: двоичное число, хранящееся в счетчике, с каждым поступающим импульсом уменьшается на 1. Переполнение вычитающего счетчика происходит после достижения им нулевого состояния. Перенос из младшего разряда в старший здесь имеет место при смене состояния младшего разряда с 0 на 1.
| N состояния | Состояние суммирующего счетчика | N состояния | Состояние вычитающего счетчика | ||||||
| Q3 | Q2 | Q | Q3 | Q2 | Q1 | ||||
| 0 | 0 | 0 | 0 | 0 | 0 | 0 | 0 | ||
| 1 | 0 | 0 | 1 | 7 | 1 | 1 | 1 | ||
| 2 | 0 | 1 | 0 | 6 | 1 | 1 | 0 | ||
| 3 | 0 | 1 | 1 | 5 | 1 | 0 | 1 | ||
| 4 | 1 | 0 | 0 | 4 | 1 | 0 | 0 | ||
| 5 | 1 | 0 | 1 | 3 | 0 | 1 | 1 | ||
| 6 | 1 | 1 | 0 | 2 | 0 | 1 | 0 | ||
| 7 | 1 | 1 | 1 | 1 | 0 | 0 | 1 | ||
| 0 | 0 | 0 | 0 | 0 | 0 | 0 | 0 | ||
Реверсивный счетчик может работать в качестве суммирующего и вычитающего. Эти счетчики имеют дополнительные входы для задания направления счета. Режим работы определяется управляющими сигналами на этих входах. Имеются счетчики и с отдельными входами для суммирования и вычитания.
Когда счетчик используется в качестве делителя, направление счета не играет роли.
Счетчики с последовательным переносом – цепочка триггеров, в которой импульсы, подлежащие счету, поступают на вход 1 триггера, а сигнал переноса передается последовательно от одного разряда к другому. В этих счетчиках используются асинхронные Т-триггеры с прямым либо с инверсным управлением, а также JK- и D-триггеры в счетном режиме. Главное достоинство счетчиков с последовательным переносом – простота схемы. Увеличение разрядности (наращивание) осуществляется подключением нужного числа триггеров к выходу последнего триггера. Поскольку входные сигналы поступают на вход только первого триггера, такой счетчик мало нагружает предшествующий каскад.
Основной недостаток счетчиков с последовательным переносом – сравнительно низкое быстродействие, поскольку триггеры здесь срабатывают последовательно, один за другим. Другой недостаток, обусловленный этой же причиной, состоит в том, что из-за накопления временных сдвигов в разрядах на выходах дешифраторов таких счетчиков могут появляться кратковременные ложные импульсы, особенно заметные на высоких частотах.
Счетчики с параллельным переносом состоят из синхронных триггеров. Счетные импульсы подаются одновременно на все тактовые входы, а каждый из триггеров цепочки служит по отношению к последующим только источником информационных сигналов. Срабатывание триггеров параллельного счетчика происходит синхронно, и задержка переключения всего счетчика равна задержке переключения для одного триггера. Счетчики с параллельным переносом широко применяются в быстродействующих устройствах.
Счетчики – делители, оформленные как самостоятельные изделия, имеются в составе многих серий микросхем. Номенклатуру счетчиков отличает большое разнообразие. Многие из них обладают универсальными свойствами и позволяют управлять коэффициентом и направлением счета, вводить до начала цикла исходное число, прекращать счет по команде, наращивать число разрядов и т. п.
Счетчики с коэффициентом счета Ксч=2m представляют собой последовательную цепочку из m триггеров.
С помощью дополнительного логического элемента можно изменять Ксч (деления) в пределах 2m-1
Работу такого счетчика рассмотрим на примере счетчика с Ксч=5. Для получения такого Kсч достаточно 3-х триггеров. Из таблицы состояний видно, что после 5-го импульса счетчик будет иметь состояние 101. Чтобы организовать обратную связь и исключить лишние импульсы путем сброса счетчика в исходное состояние. Подадим на 3-х входовый элемент И-НЕ три высокие уровня со всех трех триггеров.
Только в этом случае ячейка совпадения единиц И-НЕ даст "0" на выходе, который и сбросит триггер в исходное состояние.
Другой пример счетчика с Ксч=13. Первый триггер срабатывает от каждого входного импульса, т.е. 1=20; второй – от каждого 2-го импульса (2=21); третий – от четвертых импульсов (4=22); а четвертый триггер – от каждого восьмого импульса (8=23). Коэффициенту счета Ксч=13=8+4+1=1*23+1* 22 +0*21+1* 20 соответствуют, следовательно, состояния Q3=Q2=Q0=1. За цикл счета ДД5 сработает только 1 раз. Выходной сигнал ("0") с ДД5 подается на R-входы всех триггеров, в том числе и на 2-й триггер. Сделано это для того, чтобы исключить ложное срабатывание ДД2 после перехода ДД1 в нулевое состояние, т.к. этот перепад после 13-го импульса подобен полезному сигналу. Проектирование счетчика сводится к определению числа триггеров, виду логического элемента, организации связей между триггерами и ЛЭ.
| Счет | Q3 | Q2 | Q1 | Q0 | Счет | Q3 | Q2 | Q1 | Q0 |
| 0 | 0 | 0 | 0 | 0 | 8 | 1 | 0 | 0 | 0 |
| 1 | 0 | 0 | 0 | 1 | 9 | 1 | 0 | 0 | 1 |
| 2 | 0 | 0 | 1 | 0 | 10 | 1 | 0 | 1 | 0 |
| 3 | 0 | 0 | 1 | 1 | 11 | 1 | 0 | 1 | 1 |
| 4 | 0 | 1 | 0 | 0 | 12 | 1 | 1 | 0 | 0 |
| 5 | 0 | 1 | 0 | 1 | 13 | 1 | 1 | 0 | 1 |
| 6 | 0 | 1 | 1 | 0 | 14 | 1 | 1 | 1 | 0 |
| 7 | 0 | 1 | 1 | 1 | 15 | 1 | 1 | 1 | 1 |
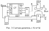
Рассмотренные счетчики имеют коэффициент счета Ксч= 5 и Ксч= 13 т.е. выходной сигнал счетчика будет после 5-го или 13-го импульса (выходным сигналом является перепад с "1" на "0") – переход с "1" на "0" сигнала Q2.
Если нужен не переход, а импульс, то его можно получить с помощью схем формирования импульсов или других схем. Одну из таких схем рассмотрим далее на базе К155ИЕ5, логическая схема которого представлена на рисунке:
| R0 | R0 | Режим |
| 0 | 0 | Счет |
| 0 | 1 | |
| 1 | 0 | |
| 1 | 1 | Прекращение счета Q1=Q2=Q3=Q4=0 |
Когда счетчик используется в качестве делителя частоты, то, немного усложнив схему, можно получить на выходе кратковременные импульсы вместо обычного перепада напряжения.
2>Характеристики
Тип файла документ
Документы такого типа открываются такими программами, как Microsoft Office Word на компьютерах Windows, Apple Pages на компьютерах Mac, Open Office - бесплатная альтернатива на различных платформах, в том числе Linux. Наиболее простым и современным решением будут Google документы, так как открываются онлайн без скачивания прямо в браузере на любой платформе. Существуют российские качественные аналоги, например от Яндекса.
Будьте внимательны на мобильных устройствах, так как там используются упрощённый функционал даже в официальном приложении от Microsoft, поэтому для просмотра скачивайте PDF-версию. А если нужно редактировать файл, то используйте оригинальный файл.
Файлы такого типа обычно разбиты на страницы, а текст может быть форматированным (жирный, курсив, выбор шрифта, таблицы и т.п.), а также в него можно добавлять изображения. Формат идеально подходит для рефератов, докладов и РПЗ курсовых проектов, которые необходимо распечатать. Кстати перед печатью также сохраняйте файл в PDF, так как принтер может начудить со шрифтами.














