150216 (598860), страница 87
Текст из файла (страница 87)
7.18 Испытания на безопасность (6.3.23) проводят в соответствии с настоящим стандартом, ГОСТ 12.2.007.0, ГОСТ 12.2.007.1 и ГОСТ Р МЭК 60204.1. Методы испытаний - по 7.5, 7.6 и 7.12.
Измерение сопротивления между болтом заземления и любой доступной для прикосновения металлической нетоковедущей частью двигателя, которая может оказаться под напряжением, проводят методом амперметра и вольтметра. Измерение проводят на переменном токе частоты 50 Гц.
7.19 Методы испытаний упакованных двигателей (6.3.24) — по ГОСТ 23216. После испытаний измеряют сопротивление изоляции двигателей и уровень вибрации, значения которых должны соответствовать указанным в разделах 4 и 5.
8 ТРАНСПОРТИРОВАНИЕ И ХРАНЕНИЕ
8.1 Транспортная тара двигателей — по ГОСТ 23216.
8.2 Условия транспортирования двигателей внутри страны в части воздействия механических факторов — С по ГОСТ 23216, в части воздействия климатических факторов — 5 (ОЖ4) или (ОЖ3) по ГОСТ 15150.
Условия хранения двигателей — 2 (С) по ГОСТ 15150 на срок сохраняемости в соответствии с 5.1.4.
9 УКАЗАНИЯ ПО ЭКСПЛУАТАЦИИ
9.1 Эксплуатация двигателей должна соответствовать требованиям инструкции по эксплуатации.
9.2 Двигатели исполнения N по ГОСТ 28327 и МЭК 60034-12 [2] должны быть рассчитаны на два последовательных пуска (с остановкой между пусками) из холодного состояния или на один пуск из нагретого состояния после работы при номинальной нагрузке.
Момент сопротивления нагрузки при пуске пропорционален квадрату частоты вращения и равен номинальному моменту при номинальной частоте вращения, а значение внешнего момента инерции, I, кг/м2, не должно превышать рассчитанного по формуле
,
где Р — номинальная мощность двигателя, кВт;
p — число пар полюсов.
Повторный пуск двигателя допускается только при температуре двигателя перед пуском, не превышающей установившейся температуры при номинальной нагрузке.
Примечание — Требования к пуску 10-, 12-полюсных двигателей устанавливают в технических условиях на двигатели конкретных типов.
9.3 Двигатели исполнения Н по ГОСТ 28327 и МЭК 60034-12 [2] должны допускать два последовательных пуска (с остановкой между пусками) из холодного состояния или один пуск из нагретого состояния при работе в номинальных условиях. Момент сопротивления нагрузки предполагается постоянным, равным номинальному моменту и не зависящим от частоты вращения, а значение внешнего момента инерции не должно превышать 50 % значения, получаемого по формуле согласно 9.2.
10 ГАРАНТИИ ИЗГОТОВИТЕЛЯ
10.1 Изготовитель гарантирует соответствие двигателей требованиям настоящего стандарта и техническим условиям на двигатели конкретных типов при условии соблюдения потребителем правил транспортирования, хранения, монтажа и эксплуатации.
10.2 Гарантийный срок эксплуатации — два года со дня начала эксплуатации двигателя при гарантийной наработке 10000 ч.
ПРИЛОЖЕНИЕ А
(обязательное)
Установочные размеры двигателей
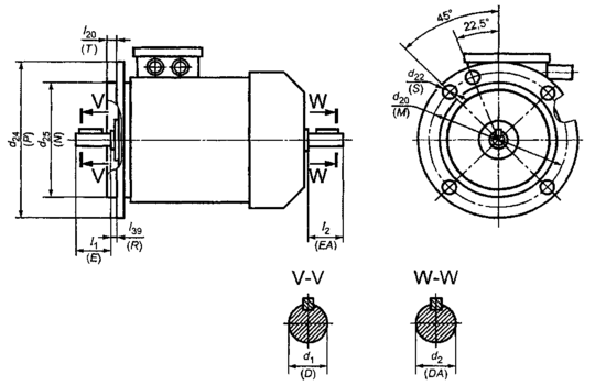
А.1 Установочные размеры двигателей исполнения IM1 должны соответствовать приведенным на рисунке А.1 и в таблице А.1.
Обозначения, приведенные в скобках, соответствуют принятым МЭК.
Рисунок А.1
А.2 Установочные размеры двигателей исполнения IM3 должны соответствовать приведенным на рисунке А.2 и в таблице А.2.
Обозначения, приведенные в скобках, соответствуют принятым МЭК.
Рисунок А.2
Таблица А.1
Размеры в миллиметрах
| Габарит | Установочный размер | h (Н) | b10 (А) | l10 (В) | l31 (С) | d10 (К) |
| 56 | — | 56 | 90 | 71 | 36 | 5,8 |
| 63 | — | 63 | 100 | 80 | 40 | |
| 71 | — | 71 | 112 | 90 | 45 | 7 |
| 80 | — | 80 | 125 | 100 | 50 | 10 |
| 90 | S | 90 | 140 | 56 | ||
| L | 125 | |||||
| 100 | S | 100 | 160 | 112 | 63 | 12 |
| L | 140 | |||||
| 112 | М | 112 | 190 | 70 | ||
| 132 | S | 132 | 216 | 89 | ||
| М | 178 | |||||
| 160 | S | 160 | 254 | 108 | 15 | |
| М | 210 | |||||
| L | 254 | |||||
| 180 | S | 180 | 279 | 203 | 121 | |
| М | 241 | |||||
| L | 279 | |||||
| 200 | М | 200 | 318 | 267 | 133 | 19 |
| L | 305 | |||||
| 225 | S | 225 | 356 | 286 | 149 | |
| М | 311 | |||||
| 250 | S | 250 | 406 | 168 | 24 | |
| М | 349 | |||||
| 280 | S | 280 | 457 | 368 | 190 | |
| М | 419 | |||||
| 315 | S | 315 | 508 | 406 | 216 | 28 |
| М | 457 | |||||
| 355 | S | 355 | 610 | 500 | 254 | |
| М | 560 | |||||
| *Диаметр круглого отверстия или ширина овального отверстия. | ||||||
Таблица А.2
Размеры в миллиметрах
| Обозначение фланца | d20 (М) | d25 (N) | d24 (Р) | l39 (R) | l20 (Т) | d22(S) | Число отверстий | |
| без резьбы FF | с резьбой FT | |||||||
| FF54; FT65 | 65 | 50 | 80 | 0 | 2,5 | 5,8 | М5 | 4 |
| FF75; FT75 | 75 | 60 | 90 | |||||
| FF85; FT85 | 85 | 70 | 105 | 7 | М6 | |||
| FF100; FT100 | 100 | 80 | 320 | 3 | ||||
| FF115; FT115 | 115 | 95 | 140 | 10 | М8 | |||
| FF130; FT130 | 130 | 110 | 160 | 3,5 | ||||
| FF165; FT165 | 165 | 130 | 200 | 12 | M10 | |||
| FF215, FT215 | 215 | 180 | 250 | 4 | 15 | М12 | ||
| FF265; FT265 | 265 | 230 | 300 | |||||
| FF300; FT300 | 300 | 250 | 350 | 5 | 19 | М16 | ||
| FF350; FT350 | 350 | 300 | 400 | |||||
| FF400; FT400 | 400 | 350 | 450 | 8 | ||||
| FF500; FT500 | 500 | 450 | 550 | |||||
| FF600; FT600 | 600 | 550 | 660 | 6 | 24 | М20 | ||
| FF740; FT740 | 740 | 680 | 800 | |||||
| Примечания 1 В обозначении фланца указывают размер d20(М) и буквы: FF — фланец с гладкими крепежными отверстиями; FT — фланец с резьбовыми крепежными отверстиями. 2 Внешний контур крепительных фланцев от FF55 до FF300 может быть некруговым. В этом случае размер d24(Р) является диаметром описанной окружности и может отличаться только в сторону отрицательных отклонений. 3 Установочные размеры двигателей исполнения IM20 определяют из таблиц A.1, A.2 как для комбинированного исполнения. 4 Допуски на установочные размеры, указанные в таблицах А.1 и А.2, — по ГОСТ 8592. | ||||||||
А.3 Увязка мощностей к установочным размерам по варианту I для степеней защиты IP44 и IP54 должна соответствовать таблице А.3.















