150216 (598860), страница 38
Текст из файла (страница 38)
9.5.1 Проверка полярности и определение токовых и угловых погрешностей
9.5.1.1 Проверку полярности и определение токовых и угловых погрешностей проводят на трансформаторах, подвергнутых размагничиванию. Методы размагничивания, проверка полярности и определение погрешностей — по ГОСТ 8.217.
Определение погрешностей проводят на каждой вторичной обмотке.
Если обмотке присвоено несколько классов точности и (или) несколько нагрузок, то при приемосдаточных испытаниях определение погрешностей проводят в высшем классе точности в условиях, оговоренных между изготовителем и потребителем, а при других видах испытаний — во всех классах точности и при всех нагрузках, установленных в стандарте на данный трансформатор.
9.5.1.2 При определении погрешностей вторичной обмотки каскадного трансформатора все остальные его вторичные обмотки должны быть замкнуты на нагрузки. Процентное отношение значений нагрузок к номинальным значениям должно соответствовать процентному отношению вторичной нагрузки (к номинальному значению) в испытуемой обмотке, если иные требования не предусмотрены в стандарте на трансформатор конкретного типа.
9.5.1.3 Погрешности шинных, втулочных, встроенных и разъемных трансформаторов при испытаниях квалификационных, типовых и на утверждение типа следует определять в первичном токоведущем контуре согласно рисунку 1a.
а) б)
1 — испытуемый трансформатор; Амакс — расстояние между осями проводников
соседних фаз в месте установки трансформатора в эксплуатации; — расстояние
в свету от трансформатора до места ближайшего изгиба проводника, служащего
в эксплуатации первичной обмоткой трансформатора
Рисунок 1
Численные значения размеров Амакс и Бмакс должны быть установлены в стандартах на трансформаторы конкретного типа и при испытании они не должны быть превышены.
9.5.1.4 Погрешности шинных, втулочных, встроенных и разъемных трансформаторов на номинальные токи свыше 2000 А при испытаниях приемосдаточных, периодических и на соответствие утвержденному типу допускается определять с первичной обмоткой, состоящей из нескольких витков, и при соответственно уменьшенном значении номинального тока (таким образом, чтобы значение номинальных ампервитков оставалось неизменным), если при квалификационных или типовых испытаниях установлено, что разница в значениях погрешностей, измеренных подобным образом и при условиях установки трансформатора согласно 9.5.1.3, не превышает 25 % нормируемых значений. Расположение витков первичной обмотки, выполняемой для испытания, равномерное вдоль магнитопровода или сосредоточенное на одной из его частей, должно быть указано в стандарте на трансформатор конкретного типа.
9.5.2 При необходимости проверки стабильности метрологических характеристик в качестве критерия успешности других испытаний, ее следует проводить непосредственным определением погрешностей или измерением тока намагничивания согласно 9.13. Значение допустимого изменения погрешностей или тока намагничивания должно быть установлено в стандарте на трансформатор конкретного типа.
9.5.3 При приемосдаточных испытаниях погрешности допускается измерять при меньшем числе значений токов и нагрузок, чем указано в 6.4 (таблицы 8 и 9), если это обосновано результатами квалификационных или типовых испытаний.
9.6 Проверка предельной кратности и коэффициента безопасности приборов
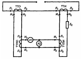
9.6.1 Проверку предельной кратности и коэффициента безопасности приборов следует проводить по схеме, приведенной на рисунке 2.
ТТО — образцовый трансформатор тока; ТТИ — испытуемый трансформатор тока;
ТТПИ — промежуточный трансформатор тока, находящийся в цепи испытуемого
трансформатора тока; ТТПО — промежуточный трансформатор тока, находящийся в
цепи образцового трансформатора тока; А1, А2 — амперметры; Z2 — вторичная нагрузка
в цепи испытуемого трансформатора тока
Рисунок 2
К элементам схемы предъявляют следующие требования:
а) коэффициенты трансформации трансформаторов ТТПО и ТТПИ должны быть такими, чтобы выполнялось условие
nо nпо = nи nпи (3)
где nо — коэффициент трансформации ТТО;
nпо — коэффициент трансформации ТТПО;
nи — коэффициент трансформации ТТИ;
nпи — коэффициент трансформации ТТПИ.
Если образцовый трансформатор имеет коэффициент трансформации, при котором выполняется условие nо = nи nпи, то промежуточный трансформатор в его цепи может отсутствовать;
б) амперметры А1 и А2 должны измерять действующие значения тока.
Амперметр А2 должен иметь малое внутреннее сопротивление.
Класс точности амперметров должен быть не ниже 1.
Класс точности промежуточных трансформаторов должен быть не ниже 0,5.
Образцовый трансформатор должен иметь:
класс точности не ниже 0,5 или полную погрешность не более 0,5 % при испытании вторичной обмотки класса 5Р;
класс точности не ниже 1 или полную погрешность не более 1 % при испытании вторичной обмотки класса 10Р;
в) значение нагрузки и ее коэффициент мощности должны быть выбраны так, чтобы полное сопротивление внешней вторичной цепи испытуемого трансформатора (включая сопротивление проводов и промежуточного трансформатора) и ее коэффициент мощности были равны заданным значениям (с точностью 5 %).
Через первичные обмотки ТТО и ТТИ пропускают ток частотой (
) Гц практически синусоидальной формы, значение которого соответствует предельной кратности или коэффициенту безопасности приборов. Значение первичного тока измеряют амперметром А1.
Полную погрешность , %, определяют по формуле
(4)
где IA1 — ток по амперметру А1, А;
IA2 — ток по амперметру А2, А.
9.6.2 Если испытательная установка и (или) нормируемая термическая стойкость испытуемого трансформатора ограничивает длительность протекания требуемого тока, необходимую для успокоения амперметров, допускается определять ток другим способом, например осциллографированием.
Для трансформаторов с несколькими номинальными коэффициентами трансформации, получаемыми переключением секций обмоток при неизменном значении номинальных ампервитков, полную погрешность допускается измерять при любом коэффициенте трансформации.
9.6.3 Шинные, втулочные, встроенные и разъемные трансформаторы следует испытывать в испытательном контуре согласно рисунку 1a.
Численные значения размеров А и Б должны быть установлены в стандартах на трансформаторы конкретных типов и при проверке предельной кратности они не должны быть превышены, а при проверке коэффициента безопасности приборов должны быть не менее установленных значений.
9.6.4 Предельную кратность допускается проверять другим способом, который должен быть установлен в стандарте на трансформатор конкретного типа, если при испытаниях квалификационных, типовых, на утверждение типа или для проверки соответствия утвержденному типу доказано, что этот способ обеспечивает получение равнозначных результатов.
Коэффициент безопасности приборов допускается определять путем измерения тока намагничивания по 9.8.5.
9.7 Определение количественной утечки газа газонаполненных трансформаторов
9.7.1 Испытание по определению утечки проводят при температуре (25 ± 10) °С.
Испытуемый трансформатор, заполненный газом до номинального рабочего давления, помещают в замкнутый объем (камеру, чехол из полимерной пленки), который не должен превышать наружный объем испытуемого трансформатора более чем в 3 раза.
Внутрь объема помещают вентилятор, способствующий перемешиванию смеси воздуха и газа, заполняющего трансформатор.
После установки трансформатора в замкнутый объем, в последний вводят щуп чувствительного прибора (течеискателя), реагирующего на малые концентрации газа, которым заполнен испытуемый трансформатор, и фиксируют показания прибора. Через определенный промежуток времени выдержки трансформатора в замкнутом объеме (например через 1 ч) операцию повторяют.
9.7.2 Годовую утечку газа q, % массы газа в испытуемом трансформаторе, определяют по формуле
(5)
где С— разность концентрации газа в замкнутом объеме за время выдержки, г/л;
р0 — давление газа, равное 1 кгс/см2;
V— разность между замкнутым объемом и наружным объемом испытуемого трансформатора, л;
Рном — номинальное давление газа в трансформаторе (абсолютное), кгс/см2;
vгт — объем газа в трансформаторе, л;
d — плотность газа в трансформаторе;
t — время между измерениями, ч.
Для трансформатора, заполненного элегазом
(6)
Примечания
1 Значения объемов, необходимых для вычисления утечки, должны быть найдены с погрешностью, не превышающей 20 %.
2 Если шкала прибора для определения утечки не калибрована непосредственно для определения значения концентрации, г/л, эти значения находят по зависимости С = f(н), где н — показания прибора в единицах шкалы, приложенной к свидетельству об аттестации (калибровке), проводимой в установленном порядке.
9.8 Определение тока намагничивания вторичных обмоток
9.8.1 Для определения тока намагничивания к испытуемой вторичной обмотке при разомкнутой первичной обмотке прикладывают напряжение U частотой 50 Гц и измеряют протекающий по обмотке ток.
9.8.2 Значение напряжения U, В, соответствующее значению первичного тока, А, определяют по формуле
(7)
где I2ном — номинальный вторичный ток, А;
К — номинальный коэффициент безопасности обмотки для измерения или номинальная предельная кратность обмотки для защиты;
R2 — сопротивление вторичной обмотки постоянному току, приведенное к температуре, при которой определяют ток намагничивания, Ом;
Z2ном — номинальная вторичная нагрузка, Ом.
9.8.3 Напряжение U следует измерять вольтметром. Показания вольтметра необходимо умножить на коэффициент 1,11.
Допускается проводить измерение вольтметром, показания которого пропорциональны среднему значению напряжения, а шкала градуирована в действующих значениях синусоидальной кривой. Умножение показаний вольтметра на коэффициент 1,11 в этом случае не требуется. Основная погрешность вольтметра должна быть не более 1 %.
Измерение напряжения U проводят:
а) непосредственно на выводах испытуемой вторичной обмотки;
б) для трансформаторов, имеющих собственную первичную обмотку, — на выводах первичной обмотки. При этом показания вольтметра должны быть умножены на коэффициент 1,11 и на отношение витков вторичной и первичной обмоток;
в) для шинных, втулочных, встроенных и разъемных трансформаторов, не имеющих собственной первичной обмотки, — на выводах специальной «контрольной» обмотки, намотанной на трансформатор на время испытаний. При этом показания вольтметра должны быть умножены на коэффициент 1,11 и на отношение витков вторичной и «контрольной» обмоток.
9.8.4 Действующее значение тока намагничивания следует измерять амперметром (миллиамперметром) класса точности не ниже 1.












