150102 (598850)
Текст из файла
Биполярные транзисторы
Устройство и принцип действия биполярного транзистора. Биполярным транзистором называют полу проводниковый прибор имеющий два взаимодействующих между собой p-n перехода. Технология изготовления биполярных транзисторов может быть различной – сплавление, диффузия и т.д. это в значительной мере определяет характеристики прибора.
В зависимости от последовательности чередования областей с различным типом проводимости различают n-p-n транзисторы и p-n-p транзисторы. Средняя часть рассматриваемых структур рассматриваемых структур называется базой, одна крайняя область называется коллектором другая эмиттером в несимметричных структурах.
Электрод базы располагается ближе к эмиттеру, а ширина базы зависит от частотного диапазона транзистора и с повышением частоты уменьшается. В зависимости от полярности напряжений, приложенных к электродам транзистора, различают следущие режимы его работы: линейный (усилительный), насыщения, отсечки и инверсный.
В линейном режиме работы транзистора эмиттерный переход смещен в прямом направлении, а коллекторный — в обратном. В режиме насыщения оба перехода смещены в прямом направлении, а в режиме отсечки — в обратном. И, наконец, в инверсном режиме коллекторный переход смещен в прямом направлении, а эмиттерный — в обратном. Кроме рассмотренных режимов возможен еще один режим, который является не рабочим, а аварийным — это режим пробоя.
Работа транзистора основана на управлении токами электродов в зависимости от приложенных к его переходам напряжений. В линейном режиме, когда переход база-эмиттер открыт благодаря приложенному к нему напряжению Е,= t/бэ, через него протекает ток базы 1ц. Протекание тока базы приводит к ин-жекции зарядов из области коллектора в область базы, причем ток коллектора определяется как i^=Bi„ где В — коэффициент передачи тока базы. Прямое напряжение С/бэ на эмиттерном переходе связано с током коллектора уравнением Эберса — Молла
iк=Ikб.о(eUбз/т-1), (4.1)
где Iкб.о — обратный ток коллекторного перехода при его обратном смещении, (т-— тепловой потенциал.
Из уравнения (4.1) следует, что при прямом смещении эмиттерного перехода и выполнении условия 1/бэ><рг, ток коллектора растет с ростом напряжения 1/вэ по экспоненциальному закону:
iк=Ikб.оeUбз/т, (4.2)
где eUбз/т — контактная разность потенциалов.
При изменении полярности напряжения на эмиттерном переходе транзистор переходит в режим отсечки и ток коллектора равен обратному току коллекторного перехода Л.обр^кв.о. Из уравнения (4.1) легко найти напряжение на эмиттерном переходе
Uбэ=тln(Ik/Iкб.о+1), (4.3)
Поскольку фт=25мВ при Г=ЗООК, то уже при напряжении [/аэ^ЮОмВ можно считать, что (/в^=
Отметим некоторые особенности характеристик транзистора в линейной области. Во-первых, приращение тока коллектора пропорционально изменению тока базы. Во-вторых, ток коллектора почти не зависит от напряжения на коллекторе. В-третьих, напряжение на базе не зависит от напряжения на коллекторе и слабо зависит от тока базы.
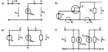
Из сказанного следует, что в линейном режиме транзистор для малых приращений тока базы можно заменить источником тока коллектора, управляемого током базы. При этом, если пренебречь падением напряжения между базой и эмиттером, то можно считать этот переход коротким замыканием. В результате для линейного режима можно использовать простейшую модель транзистора, приведенную на рис. 4.3 а.
Пользуясь этой моделью, можно легко рассчитать коэффициент усиления каскада, изображенного на рис. 4.3 б. Заменяя транзистор его моделью, получим эквивалентную схему, изображенную на рис. 4.3 в. Для этой формулы находим ik= Uc/Rб; ik=Biб Uk= ikRn= BiбRn откуда
UcBR » Un= UcBRn/ Rб или Kn= Rn/ Rб
Если необходимо сделать расчет более точным, то модель транзистора можно усложнить введением других параметров, которые не учитывались при составлении схемы. Схеме замещения соответствуют уравнения, которые называются уравнениями транзистора в Я-параметрах
Uб= H11iб + H12Uk
Ik= H21iб + H22Uk .
Физический смысл параметров, приведенных в системе уравнений (4.4), можно легко установить, если воспользоваться режимами холостого хода на входе схемы и короткого замыкания на ее выходе.
При холостом ходе на входе г'б=0, откуда находим два параметра
H12= Uб/ Uk и H22= ik/ Uk (4.5)
Аналогично при коротком замыкании на выходе (и^=0) находим два других параметра
H11= Uб/ iб и H21= ik/ iб (4.6)
Параметры холостого хода в соответствии с (4.5) обозначаются как: Я^ — обратная передача по направлению и Нц — выходная проводимость. Параметры короткого замыкания определяются из (4.6) и имеют значения: Яц — входное сопротивление, Н^ — прямая передача по току.
Так, при Яц=Я)2=Ям=0
Отметим, что в справочниках по транзисторам обычно приводятся не все четыре Я-параметра, а только некоторые из них. Обязательно приводится параметр Нц=В — коэффициент передачи по току, а остальные, если они не приводятся, иногда можно рассчитать по уравнениям (4.5) и (4.6).
Для перехода из линейного режима в режим насыщения необходимо увеличивать ток базы до тех пор, пока напряжение на коллекторе не понизится до такого значения, при котором произойдет' отпирание коллекторного перехода. Такая ситуация может возникнуть в схеме рис. 4.3 б, когда в коллекторной цепи включено сопротивление нагрузки R^. В этом случае увеличение тока базы ^ приведет к увеличению тока коллектора г„- В результате увеличится падение напряжения на нагрузке R» и уменьшится напряжение на коллекторе м„э. Условием насыщения транзистра является равенство нулю напряжения
Uкб=Uк-Uб=0. (4.7)
При глубоком насыщении транзистора выполняется условие и^>0. В любом случае при переходе в режим насыщения в базе протекает избыточный ток, т. е. ток базы превышает значение, необходимое для получения данного тока коллектора при работе транзистора в линейном режиме. Выполнение условия и^=0 обычно называют граничным режимом, так как он характеризует переход транзистора из линейного режима в режим насыщения. Глубину насыщения транзистора характеризуют коэффициентом насыщения, который определяют как отношение тока базы I& нас транзистора в насыщенном режиме к току базы /g^ в граничном режиме
q= Iб пос/ Iб гр (4-8)
При глубоком насыщении транзистора в базе накапливается большое количество неосновных носителей, которые задерживают выключение транзистора.
Поскольку в режиме насыщения напряжение между коллектором и эмиттером достаточно малое, то в этом режиме транзистор можно заменить замкнутым ключом, на котором падает небольшое напряжение. Схема замещения транзистора в режиме насыщения приведена на рис. 4.5 а. В соответствии с этой схемой замещения напряжение на насыщенном ключе определяется по формуле
Uk. пос= IkRпос+ En, (4.9)
где Rпос. сопротивление насыщенного ключа, En=0,5... 0,1 В. В справочных данных на транзисторы обычно приводится значение С/„энас при заданном токе коллектора.
Другим ключевым режимом биполярного транзистора является режим отсечки. Перевести транзистор в режим отсечки можно приложением между базой и эмиттером обратного напряжения. Граничным режимом в этом случае является выполнение условия и^О. В соответствии с этой схемой замещения транзистор в режиме отсечки имеет некоторое достаточно большое сопротивление Ry и параллельно включенный ему генератор небольшого тока утечки /ут^./кбо- На вольт-амперных характеристиках транзистора, приведенных на рис. 4.2 а, режиму отсечки соответствует горизонтальная линия при i'8=0.
В справочных данных на транзисторы для режима отсечки обычно приводится обратный ток коллектор — эмиттер /„л при заданном напряжении на коллекторе и при заданном сопротивлении R, включенном между базой и эмиттером. Таким образом, два ключевых режима транзистора — режимы насыщения и отсечки — позволяют использовать транзистор как замкнутый или разомкнутый ключ S.
Транзисторные ключи находят широкое применение в различных электронных устройствах: измерительных усилителях для коммутации сигналов, в силовых преобразователях частоты и др. Во всех этих применениях транзистор попеременно переводится из режима насыщения в режим отсечки и обратно. В связи с этим очень важным является скорость переключения такого ключа, которая обычно характеризуется временем переключения или максимальной частотой коммутации.
Последним режимом работы транзистора является инверсный режим, при котором коллекторный переход смещается в прямом направлении, а эмиттерный в обратном.
По сути дела, в этом режиме коллектор и эмиттер меняются местами и роль коллектора теперь выполняет эмиттер. Если транзистор несимметричный, то обычно в инверсном режиме падает усиление транзистора (вщп,<Дл,,в)-
Наиболее часто инверсный режим транзистора используется в двунаправленных ключах. В этом случае транзистор делается симметричным и его усиление практически не изменяется при замене коллектора и эмиттера. В таких транзисторах области коллектора и эмиттера имеют одинаковые свойства и геометрические размеры, поэтому любая из них может работать как эмиттер или коллектор. Для симметричных транзисторов характеристики в инверсном режиме подобны характеристикам в линейном режиме.
Динамические характеристике биполярного транзистора. Динамические характеристики транзистора по-разному описывают его поведение в линейном или ключевом режимах. Для ключевых режимов очень важным является время переключения транзистора из одного состояния в другое. В то же время для усилительного режима транзистора более важными являются его свойства, которые показывают возможность транзистора усиливать сигналы различных частот.
Ток коллектора достигает установившегося значения не сразу после подачи тока в базу. Имеется некоторое время задержки /зад, спустя которое появляется ток в коллекторе. Затем ток в коллекторе плавно нарастает и после времени t»sp достигает» установившегося значения 7кл.
iвкл=iзад+ iпор, (4.10)
где iвкл, — время включения транзистора.
При выключении транзистора на сто базу подастся обратное напряжение, в результате чего ток базы меняет свое направление и становится равным /блык. Пока происходит рассасывание неосновных носителей заряда в базе, этот ток не меняет своего значения. Это время называется временем рассасывания г„с. После окончания процесса рассасывания происходит спад тока базы, который продолжается в течение времени tea- Таким образом, время выключения транзистора равно
iвык= iрас+ iсп. (4.11)
Следует особо отметить, что при выключении транзистора, несмотря на изменение направления тока базы, транзистор в течение времени tyc остается включенным и коллекторный ток не меняет своего значения. Спад тока коллектора начинается одновременно со спадом тока базы и заканчиваются они практически одновременно.
Время рассасывания сильно зависит от степени насыщения транзистора перед его выключением. Минимальное время выключения получается при граничном режиме насыщения. Для ускорения процесса рассасывания в базу пропускают обратный ток, который зависит от обратного напряжения на базе. Однако прикладывать к базе большое обратное напряжение нельзя, так как может произойти пробой перехода база-эмиттер. Максимальное обратное напряжение на базе обычно не превышает 5...7В.
Если к базе транзистора в процессе запирания не прикладывается обратное напряжение (например, база замыкается на эмиттер), то такое запирание транзистора называется пассивным. При пассивном запирании время рассасывания значительно увеличивается, а обратный ток базы уменьшается.
Форма импульса тока коллектора не только изменяется за счет растягивания длительности фронтов, но и сам импульс увеличивается по длительности на время {pie. В справочных данных обычно приводят времена включения, спада и рассасывания. Для наиболее быстрых транзисторов время рассасывания имеет значение 0,1 ...0,5мкс, однако для многих силовых транзисторов оно достигает Юмкс.
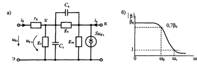
Динамические свойства транзистора в усилительном режиме принято характеризовать не временем включения или выключения, а его частотными характеристиками. Имеется много различных моделей транзисторов, работающих на высоких частотах, однако наиболее распространенными являются модели, основанные на схеме замещения Джиаколетто и аппроксимации зависимости коэффициента передачи тока базы (или эмиттера) на высокой частоте. Рассмотрим вначале схему замещения транзистора, предложенную Джиако-лстто. Эти схема приведена на рис. 4.8 а и представляет собой П-образную схему, в которой усилительные свойства транзистора учтены крутизной S его вольт-амперной характеристики (т. е. проводимостью прямой передачи), а частотная зависимость усилительных свойств определяется учетом емкостей между базой и коллектором — С„ и базой и эмиттером — С,. Достоинство этой схемы замещения заключается в том, что она с достаточной для практических расчетов точностью отражает реальное свойство транзисторов на высоких частотах. Кроме того, все параметры элементов этой схемы замещения можно легко измерить или рассчитать.
На схеме замещения (рис. 4.8 а) точки Б, К я Э являются реальными выводами базы, коллектора и эмиттера транзистора. Точка Б' находится внутри транзистора и, следовательно, доступа к ней нет. Сопротивление rg, разделяющее точки Б и Б', называют распределенным сопротивлением базы. Активная проводимость g, и емкость С, совместно отражают полную проводимость эмиттерного перехода. Отношение этих величин называется постоянной времени эмиттерного перехода т,=Сэ/^э и от режима работы транзистора практически не зависит.
Влияние коллекторного перехода учтено его полной проводимостью, состоящей из g^ и С„. Отношение этих параметров называется постоянной времени коллекторного перехода •^к=C,^/?к и также почти не зависит от режима работы транзистора. Проводимость gt обычно очень мала, а емкость С» несколько уменьшается с увеличением напряжения на коллекторе.
Наличие связи между эмиттером и коллектором учтено в схеме замещения активной проводимостью ^эк- Д™ высокочастотных транзисторов эта проводимость настолько мала, что ее можно не учитывать. Источник тока Suy.,, включенный между коллектором и эмиттером, аналогичен источнику тока Н^е, приведенному в схеме замещения рис. 4.4, однако в отличие от последнего он управляется не током базы if,, а напряжением щ-у
Эта схема объясняет причины, приводящие к уменьшению усиления транзистора с повышением частоты. Во-первых, с ростом частоты уменьшается полная проводимость эмиттерного перехода, что приводит к увеличению тока »е и увеличению падения напряжения на f«.
Рис. 4.8. Схема замещения транзистора на высокой частоте (а) и частотная зависимость коэффициента передачи тока базы (б)
Таким образом, управляющее напряжение Me., для источника тока уменьшается с ростом частоты и, следовательно, уменьшается усиление транзистора.
Дополнительное снижение усиления обусловлено влиянием коллекторной проводимости, которая тоже уменьшается с ростом частоты. В результате ток базы еще больше увеличивается, что приводит к дополнительному снижению напряжения «в-э.
Другим способом учета влияния частоты на усилительные свойства транзистора является аппроксимация зависимости коэффициента передачи тока базы от частоты, т. е. вместо постоянного значения коэффициента передачи тока базы В используется частотно-зависимый коэффициент
()= h21з()= 0 / 1+j( /) (4.12)
где: ^о^В — коэффициент передачи тока базы на низкой частоте, t0p — предельная частота коэффициента передачи тока базы.
Модуль частотной зависимости коэффициента передачи тока базы определяется по формуле
На частоте ю=й)р модуль коэффициента передачи уменьшается по сравнению с ро в л/2= 1,41 раза. Если 3(0(i, то частотная зависимость коэффициента передачи тока базы принимает вид
где <»r=pot0p граничная частота коэффициента передачи тока базы, на которой коэффициент передачи тока снижается до единицы.
Рассмотренная частотная зависимость коэффициента передачи тока базы приведена на рис. 4.8 б. Следует учесть, что помимо падения усиления с ростом частоты имеет место фазовый сдвиг выходного сигнала по сравнению с входным, определяемый формулой
Поскольку фазовый сдвиг зависит от частоты, то сигналы с широким спектром частот будут дополнительно искажаться за счет фазового сдвига гармоник.
Лекция 5. Униполярные транзисторы
Устройство и принцип действия униполярного транзистора. Униполярными, или полевыми, транзисторами называются полупроводниковые приборы, в которых регулирование тока производится изменением проводимости проводящего канала с помощью электрического поля, перпендикулярного направлению тока. Оба названия этих транзисторов достаточно точно отражают их основные особенности: прохождение тока в канале обусловлено только одним типом зарядов, и управление током канала осуществляется при помощи электрического поля.
Электроды, подключенные к каналу, называются стоком (Drain) и истоком (Source), а управляющий электрод называется затвором (Gate). Напряжение управления, которое создает поле в канале, прикладывается между затвором и истоком. В зависимости от выполнения затвора униполярные транзисторы делятся на две группы: с управляющим р-л-переходом и с изолированным затвором.
В полевых транзисторах с изолированным затвором электрод затвора изолирован от полупроводникового канала с помощью слоя диэлектрика из двуокиси кремния SiOi. Электроды стока и истока располагаются по обе стороны затвора и имеют контакт с полупроводниковым каналом. Ток утечки затвора пренебрежимо мал даже при повышенных температурах. Полупроводниковый канал может быть обеднен носителями зарядов или обогащен ими. При обеденном канале электрическое поле затвора повышает его проводимость, поэтому канал называется индуцированным. Если канал обогащен носителями зарядов, то он называется встроенным. Электрическое поле затвора в этом случае приводит к обеднению канала носителями зарядов.
Проводимость канала может быть электронной или дырочной. Если канал имеет электронную проводимость, то он называется я-каналом. Каналы с дырочной проводимостью называются ^-каналами. В результате полевые транзисторы с изолированным затвором могут быть четырех типов: с каналом п- или р-ттов, каждый из которых может иметь индуцированный или встроенный канал.
Графическое обозначение транзисторов содержит максимальную информацию о его устройстве. Канал транзистора изображается вертикально штриховой или сплошной линией. Штриховая линия обозначает индуцированный канал, а сплошная — встроенный. Исток и сток действуют как невыпрямляющие контакты, поэтому изображаются под прямым углом к каналу. Подложка изображается как электрод со стрелкой, направление которой указывает тип проводимости канала. Затвор изображается вертикальной линией, параллельной каналу. Вывод затвора обращен к электроду истока.
Условное обозначение полевых транзисторов состоит из ряда букв и цифр. Первая буква указывает материал, из которого изготовлен прибор (К — кремний, А — арсенид галлия). Вторая буква, П, указывает на принадлежность к группе полевых транзисторов. Первая цифра указывает на допустимую рассеиваемую мощность и максимальную рабочую частоту. Далее идет двухзначный номер разработки транзистора. Пятая буква соотвествует разбраковке по параметрам. Например, транзистор КП302А — кремниевый, полевой, малой мощности, высокочастотный.
Устройство полевого транзистора с управляющим р-н-треходам приведено на рис. 5.1 б. В таком транзисторе затвор выполнен в виде обратно смещенного р-п-перехода. Изменение обратного напряжения на затворе позволяет регулировать ток в канале. На рис. 5.1 б приведен полевой транзистор с каналом /»-типа и затвором, выполненным из областей п-типа. Увеличение обратного напряжения на затворе приводит к снижению проводимости канала, поэтому полевые транзисторы с управляющим ^-п-переходом работают только на обеднение канала носителями зарядов.
Поскольку ПТУП могут работать только с обеднением канала, то наличие встроенного канала показано на этом изображениисплошной линией, которая имеет контакты с электродами стока и истока. Направление стрелки на выводе затвора указывает тип проводимости канала.
Таким образом, полный набор разновидностей полевых транзисторов, имеющихся в справочной литературе, исчерпывается шестью разновидностями. Пользуясь этими характеристиками, можно установить полярность управляющего напряжения, направление тока в канале и диапазон изменения управляющего напряжения. Из всех приведенных разновидностей транзисторов в настоящее время не выпускаются только ПТИЗ со встроенным каналом ^-типа.
Рассмотрим некоторые особенности этих характеристик. Все характеристики полевых транзисторов с каналом n-типа расположены в верхней половине графика и, следовательно, имеют положительный ток, что соответствует положительному напряжению на стоке. Наоборот, все характеристики приборов с каналом ^-типа расположены в нижней половине графика и, следовательно, имеют отрицательное значение тока и отрицательное напряжение на стоке.
Характеристики ПТУП при нулевом напряжении на затворе имеют максимальное значение тока, которое называется начальным /„„«ч- При увеличении запирающего напряжения ток стока уменьшается и при напряжении отсечки t/отс становится близким к нулю.
Характеристики ПТИЗ с индуцированным каналом при нулевом напряжении на затворе имеют нулевой ток. Появление тока стока в таких транзисторах происходит при напряжении на затворе больше порогового значения 1/пор. Увеличение напряжения на затворе приводит к увеличению тока стока.
Характеристики ПТИЗ со встроенным каналом при нулевом напряжении на затворе имеют начальное значение тока /с нач. Такие транзисторы могут работать как в режиме обогащения, так и в режиме обеднения. При увеличении напряжения на затворе канал обогащается и ток стока растет, а при уменьшении напряжения на затворе канал обедняется и ток стока снижается.
Характеристики других типов транзисторов имеют аналогичный вид, но отличаются напряжением на затворе и полярностью приложенных напряжений. На этих вольт-амперных характеристиках можно выделить две области: линейную и насыщения.
В линейной области вольт-амперные характеристики вплоть до точки перегиба представляют собой прямые линии, наклон которых зависит от напряжения на затворе. В области насыщения вольт-амперные характеристики идут практически горизонтально, что позволяет говорить о назависимости тока стока от напряжения на стоке. В этой области выходные характеристики полевых транзисторов всех типов сходны с характеристиками электровакуумных пентодов. Особенности этих характеристик обуславливают применение полевых транзисторов. В линейной области полевой транзистор используется как сопротивление, управляемое напряжением на затворе, а в области насыщения — как усилительный элемент. Рассмотрим особенности работы полевых транзисторов в этих областях.
Линейная область. В линейной области ток стока полевого транзистора определяется уравнением
Ic= 2k (Un- Uзн) Uсн – Uсн/2. (5.1)
где k — постоянный коэффициент, зависящий от конструкции транзистора, U„ —-пороговое напряжение (или напряжение отсечки), Мди — напряжение между затвором и истоком, йен — напряжение между стоком и истоком.
На начальном участке линейной области (до перегиба) можно при малом значении напряжения на стоке воспользоваться упрощенным выражением, полагая В (5.1) Уа.^0:
ic 2k(Un- Uзн)Uсн (5.2)
Выражение (5.2) позволяет определить сопротивление канала в линейной области
Rc= Uсн / ic= 1/ 2k(Un- Uзн) (5.3)
Из выражения (5.3) следует, что при Иэм=0 сопротивление канала будет минимальным Rmm= \f(2kUn). Если напряжение на затворе стремится к пороговому значению Мзн—t/in то сопротивление канала возрастает до бесконечности: Re-*00. График зависимости сопротивления канала от управляющего напряжения на затворе приведен на рис. 5.6 а.
При приближении к точке перегиба вольт-амперных характеристик сопротивление канала начинает увеличиваться, так как сказывается второй член в выражении (5.1). В этом случае можно определить дифференциальную проводимость канала, пользуясь формулой (5.1):
^с= И» = lk(u »~ ^п-Усн), откуда получаем значение дифференциального сопротивления канала
rc.диф=1/ 2k(Uзн- Un- Uсн) 5.4
Зависимость сопротивления канала от напряжения на стоке t/сн нарушает линейность сопротивления, однако при малом уровне сигнала этой зависимостью можно пренебречь. Таким образом, основное применение полевых транзисторов в линейной области определяется их способностью изменять сопротивление при изменении напряжения на затворе. Это сопротивление для мощных полевых транзисторов с изолированным затвором достигает долей ома (0,5... 2,0 Ома), что позволяет использовать их в качестве замкнутого ключа с весьма малым собственным сопротивлением канала.
С другой стороны, если напряжение на затворе сделать равным пороговом) значению (или больше его), то сопротивление канала транзистора увеличивается, что соответствует разомкнутому ключу с весьма малой собственной проводимостью.
Таким образом, полевой транзистор можно использовать как ключ, управляемый напряжением на затворе. Такой ключ способен пропускать достаточно большой ток (до 10 А и выше). Уменьшить сопротивление канала можно параллельным включением транзисторов с общим управляющим напряжением, чем обычно и пользуются при создании силовых ключей.
Область насыщения. В области насыщения ток стока полевого транзистора определяется уравнением
Iс=k(Un- Uзн)2, (5.5)
из которого следует его полная независимость от напряжения на стоке. Практически такая зависимость есть, но в большинстве случаев она слабо выражена. Из уравнения (5.5) можно найти начальный ток стока при условии, что Мзи=0:
ic пог= kU 2 n (5.6)
Выражение (5.6) показывает, что значение коэффициента k, введенного в формуле (5.1), можно установить экспериментально, измерив начальный ток стока г'снач и пороговое напряжение (/„ (или напряжение отсечки t/отс), так как, _ is нач fc T\
k= ic пог/ U 2n (5.7)
Поскольку полевые транзисторы в области насыщения используются в основном как усилительные приборы, то для оценки их усилительных свойств найдем значение крутизны вольт-амперной характеристики:
S= dic/ dизн = 2k(Un- Uзн) (5.8)
Из уравнения (5.8) следует, что максимальное значение крутизна имеет при Мзи=0. С увеличением напряжения на затворе крутизна уменьшается и при
Um^^n становится равной нулю. Используя максимальное значение крутизны Sm^'2-kUn, уравнение (5.8) можно записать в виде
S=Smax(1- Uзн / Un) (5.9)
Схему замещения полевого транзистора для области насыщения можно представить в виде источника тока стока, управляемого напряжением на затворе t/зи. При этом для большого сигнала нужно пользоваться уравнением (5.5), а для малого сигнала, используя (5.8), получим
ic = SUзн (5.10)
где крутизну S в выбранной рабочей точке можно считать величиной постоянной и не зависящей от напряжения на затворе. Схема замещения полевого транзистора приведена на рис. 5.7 я. В этой схеме цепь затвора представлена как разомкнутая, поскольку ток затвора очень мал и его можно не учитывать. Пользуясь этой схемой замещения, легко найти усиление простейшего усилительного каскада на полевом транзисторе, изображенного на рис. 5.7 б. Заменив полевой транзистор его эквивалентной схемой, получим схему замещения усилительного каскада, приведенную на рис. 5.7 в, для которой можно найти напряжение на нагрузке:
Un= -icRn= -UзиSRn
Uзн=Uc
Откуда
Ky= Un/ Uc= SRn
Рис 5.7. Простейшая схема замещения полевого транзистора (а), схема усилителя на полевом транзисторе (6), эквивалентная схема (в) и схема замещения в ^-параметрах (г)
Если необходимо сделать расчет более точным, то модель полевого транзистора усложняют введением других параметров, которые учитывают неидеальность транзистора. Уточненная схема замещения долевого транзистора для малых сигналов приведена на рис. 5.7 г. Этой схеме замещения соответствуют уравнения, которые называют уравнениями транзистора в ^-параметрах (параметрах проводимости):
Iз=y11Uз + y12U0
Ic= y21Uз + y22Uc 5.11
Физический смысл параметров, используемых в уравнениях (5.11), можно установить, если воспользоваться режимами короткого замыкания на входе и выходе схемы замещения. При коротком замыкании на выходе (Uc=0) находим два параметра,
y11= i3 / U3 и y22= ic / U3. (5.12)
Аналогично при коротком замыкании на входе (uj=o) находим два других параметра
y12= i3 / U3 и y22=ic / Uc (5.13)
Из уравнений (5.12) и (5.13) следует, что ^ц является проводимостью утечки затвора полевого транзистора, а у^ — его выходной проводимостью, у^ называется проводимостью обратной передачи и учитывает влияние напряжения на стоке на ток затвора, a y^=S — это крутизна полевого транзистора (или проводимость прямой передачи). Из схемы замещения, приведенной на рис. 5.5 г, можно получить простейшую схему замещения, изображенную на рис. 5.7 а, если положить Уп=Уп=у-а=0.
Отметим, что в справочниках по полевым транзисторам обычно приводятся не все, а только некоторые из рассмотренных характеристик. Всегда приводится значение крутизны S, вместо входной проводимости иногда приводятся ток утечки затвора и входная емкость, а вместо проводимости обратной передачи в большинстве случаев приводится так называемая проходная емкость Сэс, т. е. емкость с затвора на сток (или на канал). Для мощных полевых транзисторов, работающих в ключевом режиме, обычно приводится значение сопротивления открытого канала, максимальный ток стока и предельное напряжение на стоке.
Динамические характеристики полевых транзисторов. Динамические характеристики полевых транзисторов по-разному описывают их поведение в ключевом и линейном (усилительном) режимах работы. В усилительном режиме транзистор обычно работает при малом уровне сигнала и, соответственно, рассматриваются его малосигнальные схемы замещения, по которым определяют частотные зависимости токов и напряжений. В ключевом режиме более существенными являются времена включения и выключения транзистора, максимальная частота его коммутации и искажения фронтов импульсов.
Если пренебречь небольшими объемными сопротивлениями контактов стока и истока, а также утечками с затвора на канал, то комплексные проводимости схемы замещения будут иметь значения
y11= yвх= j(lзс + lзх), y22= yвых= gсн + jlзс, y12= -jlзс и y21=S - jlзс (5.14)
Из выражения (5.14) следует, что с повышением частоты уменьшается входное сопротивление 1/у„ полевого транзистора и сопротивление обратной связи со стока на затвор \/уа. В результате возрастает емкостной ток с затвора на канал и напряжение на затворе уменьшается. При этом снижается усиление транзистора на высокой частоте.
Следует, однако, отметить, что многие из параметров зависят от режима работы транзистора, т. е. от постоянных напряжений на его электродах. Так, например, крутизна S зависит от напряжения на затворе 1/эи (см. формулу 5.9). Для транзисторов с^-п-переходом емкости затвора С,и и Сщ являются барьерными и с увеличением обратного напряжения на затворе уменьшаются.
Переходные процессы при ключевом режиме работы рассмотрим на примере процессов включения и выключения полевого транзистора с индуцированным каналом п-типа, пользуясь схемой, изображенной на рис. 5.8 б. Для переключения транзистора на его затвор подается прямоугольный импульс напряжения t/.x, изображенный на рис. 5.8 в. При рассмотрении переходных процессов использована упрощенная модель транзистора, приведенная на рис. 5.8 а.
При подаче прямоугольного импульса от источника t/„ вначале происходит заряд емкости Сщ через сопротивление источника сигнала 7t„- До тех пор, пока напряжение на емкости Сзд не достигнет порогового напряжения t/nop, ток стока равен нулю и напряжение на стоке равно напряжению источника питания Ее.
Когда емкость Сэм зарядится до t/nop. транзистор некоторое время будет находиться в области насыщения, а его коэффициент усиления, как показано раньше, будет иметь значение Ky^SR». В этом случае входная емкость транзистора резко увеличится и будет равна
Свх= Cзи + (1+ ky)Cзс (5.15)
Скорость нарастания напряжения на затворе транзистора уменьшается обратно пропорционально увеличению емкости С„. По мере увеличения напряжения на С„ будет постепенно нарастать ток стока и уменьшаться напряжение на стоке. Таким образом, процесс заряда емкости С„ будет продолжаться до тех пор, пока напряжение на стоке не уменьшится до значения, при котором транзистор окажется в линейной области и потеряет усилительные свойства. При этом входная емкость станет равной Суя и скорость ее заряда резко увеличится. В результате в конце процесса включения транзистора на затворе будет напряжение £/o.
Следует отметить, что в результате процесса включения выходной импульс тока стока задерживается относительно поступления импульса управления на время /з«я.вкя> а его фронт растягивается на время /,„. Аналогичный процесс происходит при выключении транзистора: имеется время задержки выключения время выключения /„ж, в течение которого спадает импульс тока стока, и время lye, установления исходного состояния.
Лекция 6. Силовые полупроводниковые приборы
К силовым полупроводниковым приборам относятся управляемые приборы, используемые в различных силовых устройствах: электроприводе, источниках питания, мощных преобразовательных установках и др. Для снижения потерь эти приборы в основном работают в ключевом режиме. Основные требования, предъявляемые к силовым приборам, сводятся к следующим:
• малые потери при коммутации;
• большая скорость переключения из одного состояния в другое;
• малое потребление по цепи управления;
• большой коммутируемый ток и высокое рабочее напряжение.
Силовая электроника непрерывно развивается и силовые приборы непрерывно совершенствуются. Разработаны и выпускаются приборы на токи до 1000 А и рабочее напряжение свыше бкВ. Быстродействие силовых приборов таково, что они могут работать на частотах до 1 МГц. Значительно снижена мощность управления силовыми ключами.
Разработаны и выпускаются мощные биполярные и униполярные транзисторы. Специально для целей силовой электроники разработаны и выпускаются мощные четырехслойные приборы — тиристоры и симисторы. К последним достижениям силовой электроники относится разработка новых типов транзисторов: со статической индукцией (СИТ и БСИТ) и биполярных транзисторов с изолированным затвором (БТИЗ). Новые типы транзисторов могут коммутировать токи свыше 500 А при напряжении до 2000В. В отличие от тиристоров эти приборы имеют полное управление, высокое быстродействие и малое потребление по цепи управления. Тиристоры делятся на две группы: диодные тиристоры (динисторы) и триод-ные (тиристоры). Для коммутации цепей переменного тока разработаны специальные симметричные тиристоры — симисторы.
Динисторы. Динистором называется двухэлектродный прибор диодного типа, имеющий три ^-«-перехода. Крайняя область Р называется анодом, а другая крайняя область N — катодом. Структура динистора приведена на рис. 6.1 а. Три ^-и-перехода динистора обозначены как j), 7э и Уз.
Схему замещения динистора можно представить в виде двух триодных структур, соединенных между собой. При таком соединении коллекторный ток первого транзистора является током базы второго, а коллекторный ток второго транзистора является током базы первого. Благодаря этому внутреннему соединению внутри прибора есть положительная обратная связь.
Если на анод подано положительное напряжение по отношению к катоду, то переходы J\ и /э будут смещены в прямом направлении, а переход Ji — в обратном, поэтому все напряжение источника Е будет приложено к переходу Ji. Примем, что коэффициенты передачи по току эмиттера транзисторов П и 72 имеют значения oti и о; соответственно. Пользуясь схемой замещения, приведенной на рис. 6.2 б, найдем ток через переход Ji, равный сумме токов коллекторов обоих транзисторов и тока утечки /ко этого перехода:
Ij2= 1I1 + 2I2 + Iko (6.1)
Ток во внешней цепи равен I,^=Iл=Jln=I, поэтому после подстановки / в (4.1) найдем
I(1- 1- 2) = Iko, откуда получим значение внешнего тока
I= Iko / I-(1 + 2) 6.2
Пока выполняется условие (cti+ct2)
Характеристики
Тип файла документ
Документы такого типа открываются такими программами, как Microsoft Office Word на компьютерах Windows, Apple Pages на компьютерах Mac, Open Office - бесплатная альтернатива на различных платформах, в том числе Linux. Наиболее простым и современным решением будут Google документы, так как открываются онлайн без скачивания прямо в браузере на любой платформе. Существуют российские качественные аналоги, например от Яндекса.
Будьте внимательны на мобильных устройствах, так как там используются упрощённый функционал даже в официальном приложении от Microsoft, поэтому для просмотра скачивайте PDF-версию. А если нужно редактировать файл, то используйте оригинальный файл.
Файлы такого типа обычно разбиты на страницы, а текст может быть форматированным (жирный, курсив, выбор шрифта, таблицы и т.п.), а также в него можно добавлять изображения. Формат идеально подходит для рефератов, докладов и РПЗ курсовых проектов, которые необходимо распечатать. Кстати перед печатью также сохраняйте файл в PDF, так как принтер может начудить со шрифтами.















