124686 (598606), страница 2
Текст из файла (страница 2)
Якщо вказана умова порушується, то слід підібрати інший ківш і виписати технічну продуктивність елеватора.
Вибір стрічкового конвеєра [9]
Стрічковий конвеєр включається тоді, коли відвантаження з проміжних бункерів в автосамоскиди припиняється. В цьому випадку вся продукція заводу поступає на склад. Отже, продуктивність стрічкового конвеєра повинна бути рівна продуктивності заводу, збільшеній на деякий запас /коефіцієнт/, який визначається втратою часу на перемикання розвантажувальних бункерів і на переміщення скидального візка.
Орієнтовно можна прийняти продуктивність конвеєра, м3/год; Пк = 1,5П , де
П- годинна продуктивність заводу, м3/год;
Слід підібрати тип стрічкового конвеєра, тип скидального пристрою. Необхідно підрахувати сумарну потужність двигуна /з обліком потужності, споживаної скидачами/, після чого дати повну технічну характеристику вибраного конвеєра.
Якщо продуктивність вибраного конвеєра невелика, можна замінити двигун і поставити інший, меншої потужності і з меншим числом обертів. Продуктивність стрічкового конвеєра з урахуванням ширини і швидкості руху стрічки [9], м3/год:
при плоскій стрічці
Пк = 150·B2·V /9/
при жолобчастій стрічці
Пк = 300·B2·V /10/
де В - ширина стрічки, м; для сортованого матеріалу
В
/11/
Dmax - максимальний розмір шматка матеріалу м; V - швидкість стрічки, м/с. Допустимий кут нахилу для щебеню 20°.
Швидкість стрічки вибирають залежно від ширини стрічки. Для стрічок шириною В, рівній 4, 5, 6, 8, 10м, нормальний ряд швидкостей рівний відповідно 1,5; 1,75; 2; 2,5; 2,75 м/с.
Потужність приводу, кВт:
N =
де LK- довжина конвеєра, м; Н - різниця рівнів кінцевих точок конвеєра, м / із знаком "+" при підйомі вантажу, із знаком "-" - при спуску/; V- швидкість стрічки, м/с; Пк - продуктивність конвеєра, т/год; γ = 1,8 т/м3; 3,7 - орієнтовна потужність скидального візка, кВт; К3= 1,25...1,5 - коефіцієнт запасу потужності; Ку = 1,1...1,3 - коефіцієнт, залежний від умов експлуатації.
Потужність двигуна, кВт:
Nдв =
,
де η = 0,8 - ККД приводу.
Вибрати двигун
Виписати технічну характеристику конвеєра.
Опис і розрахунок основних параметрів і технологічних показників грохотів [2; 10]
Спочатку слід описати пристрій грохота і принцип його роботи. Найважливішими параметрами, що визначають ефективність і продуктивність грохочення, є розміри просіваючих поверхонь, частота і амплітуда коливань, кут нахилу гуркоту, напрям обертання вібратора і траєкторія руху сита. Співвідношення ширини і довжини просіваючих поверхонь вібраційних грохотів приймається 1:2,5.
Короб грохота виконують з листової сталі марки 35Х, вал вібратора - із сталі Ст5 або легованої, сита - із сталі 65Г. Пружини вибирають стандартні.
Необхідний отвір сита знаходять по формулі
Di =
/13/
де
- максимальний розмір матеріалу, що просівається; αі = 0...30° кут нахилу i-го сита.
Перевірка вірогідності якості просівання:
Кі =
% /14/
де bi = 3...16 - товщина дроту сит, мм. Якщо Кі < 25% слідує збільшити Di .
Визначення оптимальної частоти і амплітуди коливань [2; 8]
Для похилих ексцентрикових і інерційних грохотів з круговим рухом запишемо
n = 4,4
, /15/
де n - частота коливань, Гц; а = 0,002…0,005 - амплітуда коливань грохота, м;
l - найбільший розмір отвору в світлу /приймаємо рівним максимальному розміру найкрупнішої фракції/, м.
Площа сит розраховується, використовуючи формулу /4/,м2 ;
F =
, /16/
де Q- продуктивність і-го сита ; q - питома продуктивність грохота для певного розміру отвору сит /табл.1/ ; К1- коефіцієнт, що враховує кут нахилу грохота (табл.1);
К2 - коефіцієнт, що враховує процентний вміст зерен нижнього класу Сн у вихідному матеріалі /табл. 1/; К3 = 1- коефіцієнт, що враховує процентний вміст в нижньому класі зерен, розмір яких менше половини отвору сита Сн 1/2 / табл. I/; m - коефіцієнт, що враховує нерівномірність живлення, форму зерен і тип грохота /приймається при грохоченні щебеню m = 0,65 - для горизонтального віброгрохоту і m = 0,5 - для похилого віброгрохоту. Ширина сита В =
; Довжина L = 2,5 В.
Ефективність грохочення
Е =
, /17/
де Ее - еталонна ефективність грохочення /табл. 2/;
- коефіцієнт, що враховує кут нахилу грохота /табл. 2/;
- коефіцієнт, що враховує процентний вміст нижнього класу зерен у вихідному матеріалі /табл. 2/;
- коефіцієнт, що враховує процентний вміст в нижньому класі зерен, розмір яких менше половини отвору сита /табл. 2/.
Таблиця I
| Параметр | Значення параметра | |||||||||||||||||||
| Розмір квадратного отвору сита в світлу, мм | 5 | 7 | 10 | 14 | 16 | 18 | 20 | 25 | 35 | 37 | 40 | 42 | 60 | 70 | ||||||
| Питома продуктивність для горизонтальних грохотів і грохотів з кутом нахилу 18 | 12 | 16 | 23 | 32 | 37 | 40 | 43 | 46 | 56 | 60 | 62 | 64 | 80 | 82 | ||||||
| Кут нахилу сита К1, град | 9 0,45 | 10 0,5 | 11 0,56 | 12 0,61 | 13 0,67 | 14 0,73 | 15 0,8 | 16 0,86 | 17 0,92 | 18 1,0 | 19 1,08 | 20 1,18 | 21 1,28 | 22 1,37 | ||||||
| Сн , % К2 | 10 0,58 | 20 0,66 | 30 0,76 | 40 0,84 | 50 0,92 | 60 1,0 | 70 1,08 | 80 1,17 | 90 1,25 . | |||||||||||
| Сн 1/2 , % К3 | 10 0,63 | 20 0,72 | 30 0,82 | 40 0,91 | 50 1,0 | 60 1,09 | 70 1,18 | 80 1,28 | 90 1,37 | |||||||||||
Таблиця 2.
| Параметр | Тип грохота | ||
| Горизонтальний з прямолінійними коливаннями | Похилий з круговими коливаннями | ||
| Ефективність е, % | 89,0 | 86,0 | |
| Кут нахилу К1, град | 0 1,0 | 15 1,03 | 18 1,0 |
| Сн, %
| 20 0,86 | 50 0,97 | 60 1,0 |
| Сн1/2 , %
| 20 0,9 | 50 1,0 | 60 1,01 |
Процентний вміст нижнього класу зерен у висхідному матеріалі обчислюємо по формулі
Сн = 100
/18/
де
- зміст зерен нижнього класу;
- кількість матеріалу,%, що подається на сито з урахуванням попереднього грохочення.
Наприклад, для двоситного грохота в другій стадії грохочення на перше верхнє сито поступає mв = ( m1+ m2 + m3) %, а проходить крізь сито mн = ( m1 + m2) %.. На друге сито поступає mв = m1 + m2 %, а проходить mн - m1 % матеріалу.
При розрахунку пружинних амортизацій [2] частоту власних коливань грохота на опорах у вертикальному напрямі вибирають рівною 2...3,5 Гц.
Загальна жорсткість сталевих пружин грохотів у вертикальному напрямі, Н/м:
Кобщ =
/19/
де G - сумарне навантаження від маси частин і матеріалу, що знаходиться на грохоті, що коливаються, Н; ρу - частота власних коливань грохота на опорах у вертикальному напрямі, Гц; g - прискорення вільного падіння, м/c2.
По величині Кобщ підбирають кількість пружин Z, а також вертикальну Кy і горизонтальну Кx жорсткість пружин, Н/м:
Кy =
; Кx =
; /20/
де Е - модуль пружності при зсуві матеріалу пружин, Па; d - діаметр дроту пружини, м / d = =0,003. ..0,012/; nпр - число робочих витків nпр = 8...10; Dпр - середній діаметр пружини, м /по кресленню грохота/.
Вибрані пружини піддають перевірочному розрахунку на міцність, втому і зіткнення витків /курс "Деталі машин"/.
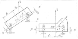
Для дотримання заданої траєкторії і амплітуди коливання короба грохота, а також забезпечення ефективності віброізоляції стійкості грохота на опорах і досягнення рівності власних частот при всіх формах коливань бажано:
а/ щоб вібратор розташовувався в центрі тяжіння грохота;
б/ щоб жорсткості пружних опор у вертикальному і горизонтальному напрямах були б рівні між собою;
в/ щоб відстані b1 і b2 від центру тяжіння до точки перетину осі /Мал. 3/ з вертикальною віссю пружини дорівнювали радіусу інерції короба Pz щодо його центру тяжіння в площині креслення, тобто b1 = b2 = Pz;
г/ щоб відстань від осі до геометричного центру пружини дорівнювала б нулю, тобто С1 = С2 = 0.
Мал. 3. Розташовання опор грохота; а - інерційного з круговим рухом; б - інерційного з направленим рухом
Сила, передана на фундамент, визначається по формулі, Н:
Fx = Kх · Qx ; /21/
















