123310 (598578), страница 5
Текст из файла (страница 5)
задание на выполнение работы (вариант);
экспериментальную часть (результаты измерений, представленные в виде распечаток схем измерений с включенными приборами);
аналитическую часть (расчетные значения измеряемых величин и погрешностей);
выводы (оценка результатов выполненной работы).
ЛАБОРАТОРНАЯ РАБОТА №3
Методы Измерения емкости, индуктивности, тангенса угла потерь и добротности
Цель работы - изучение основных методов измерения емкости, индуктивности, тангенса угла потерь и добротности.
Измерение емкости
, индуктивности
, тангенса угла диэлектрических потерь
и добротности
осуществляется прямыми, косвенными и резонансными методами.
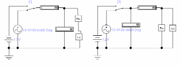
Метод амперметра - вольтметра.
Среди косвенных методов наиболее просто измерение емкости и индуктивности возможно методом двух приборов (методом амперметра - вольтметра). Для этого емкость (индуктивность) включают в схему рис. 1а или рис. 1б.
Рис. 1. Метод амперметра – вольтметра
Сначала измеряют сопротивление конденсатора (катушки) постоянному току
. Затем схему включают в цепь питания переменного синусоидального тока частотой
и определяют полное сопротивление
катушки (
) или конденсатора (
).
Так как
, а
, то
(1)
, (2)
где
.
Нулевой метод измерения
и
.
Для измерения емкости и индуктивности прямыми методами наибольшее распространение получили мосты переменного тока. Мостовые схемы измерения емкости с малыми (
) и большими (
) потерями представлены на рис. 2а и рис. 2б.
Рис. 2. Мостовая схема измерения емкости
Мосты относятся к наиболее точным приборам и их погрешности могут составлять тысячные доли процента. Сущность мостового метода измерения заключается в том, что неизвестный конденсатор включают в одно из плеч моста и производят изменение параметров образцовых мер моста
и
до достижения равновесия схемы, характеризуемого равенством нулю показаний вольтметра. Для равновесного состояния моста переменного тока справедливо соотношение
,
где
- полные сопротивления плеч моста.
Если сопротивления
и
равны, то при равновесии моста равны и полные сопротивления рабочего и образцового плеч моста.
Тогда для схемы на рис. 2а можно записать
.
Откуда
,
.
Для схемы на рис. 2б получим
.
Откуда
,
.
Тангенсом угла потерь
конденсатора называется отношение активного сопротивления
к реактивному
для последовательной схемы замещения конденсатора и отношение активной проводимости к реактивной в случае параллельной схемы замещения. Тогда для моста на рис. 2а
, а для моста на рис. 2б
.
Измерение индуктивности мостовым методом аналогично измерению емкости (рис.3).
Рис. 3. Мостовая схема измерения индуктивности
Изменением параметров
и
образцовых мер добиваются равновесия моста (вольтметр, включенный в диагональ моста, показывает ноль), откуда при
получим
.
Тогда
и
.
Добротность же может быть определена как отношение реактивного сопротивления
катушки к активному
:
.
На практике образцовые переменные индуктивности изготовить очень трудно, а активные сопротивления катушки довольно велики. Поэтому в основном распространены мостовые схемы измерения индуктивностей (имеющих малую добротность
) с использованием образцовых емкостей (рис. 3б). Если в схеме
, то исходя из условия равновесия моста
, можно записать
.
Поскольку
и
чисто активные сопротивления, то последнее равенство перепишется как
Откуда
,
.
Резонансный метод
Резонансные методы измерения нашли широкое распространение за счет простоты. Они используются, как правило, на высоких частотах при последовательной
и параллельной
схемах замещения элементов. В этом случае активное сопротивление индуктивностей и емкостей будет приводить к пренебрежимо малой погрешности измерения. Суть метода заключается в том, что создается резонансный контур и измеряется частота, на которой наблюдается резонанс в исследуемой цепи. При этом резонансная частота связана с параметрами цепи известным соотношением
.
В случае измерения индуктивности
в резонансный контур параллельно ей включают образцовую емкость
. Если же измеряют емкость
, то ее включают параллельно образцовой катушке
. В качестве индикатора резонанса можно использовать вольтметр. При этом показания вольтметра в момент резонанса максимальны. Схема измерения резонансным методом представлена на рис. 4.
Рис. 4. Резонансный метод измерения емкости или индуктивности
Порядок выполнения работы
Значения измеряемого сопротивления
, индуктивности
или емкости
во всех схемах данной лабораторной работы устанавливаются по вариантам, приведенным в таблице
| Вариант | 1 | 2 | 3 | 4 | 5 | 6 | 7 | 8 | 9 | 0 | ||||||||||
| Рис.1а |
| 1,1 | 1,2 | 1,3 | 1,4 | 1,5 | 1,6 | 1,7 | 1,8 | 1,9 | 2,0 | |||||||||
|
| 1,1 | 1,2 | 1,3 | 1,4 | 1,5 | 1,6 | 1,7 | 1,8 | 1,9 | 2,0 | ||||||||||
| Рис.1б |
| 1,1 | 1,2 | 1,3 | 1,4 | 1,5 | 1,6 | 1,7 | 1,8 | 1,9 | 2,0 | |||||||||
|
| 1,1 | 1,2 | 1,3 | 1,4 | 1,5 | 1,6 | 1,7 | 1,8 | 1,9 | 2,0 | ||||||||||
| Рис.2а |
| 11 | 12 | 13 | 14 | 15 | 16 | 17 | 18 | 19 | 20 | |||||||||
|
| 1,1 | 1,2 | 1,3 | 1,4 | 1,5 | 1,6 | 1,7 | 1,8 | 1,9 | 2,0 | ||||||||||
| Рис.2б |
| 1,01 | 1,02 | 1,03 | 1,04 | 1,05 | 1,06 | 1,07 | 1,08 | 1,09 | 1,10 | |||||||||
|
| 1,01 | 1,02 | 1,03 | 1,04 | 1,05 | 1,06 | 1,07 | 1,08 | 1,09 | 1,10 | ||||||||||
| Рис.3а |
| 1,01 | 1,02 | 1,03 | 1,04 | 1,05 | 1,06 | 1,07 | 1,08 | 1,09 | 1,10 | |||||||||
|
| 1,01 | 1,02 | 1,03 | 1,04 | 1,05 | 1,06 | 1,07 | 1,08 | 1,09 | 1,10 | ||||||||||
| Рис.3б |
| 2,1 | 2,2 | 2,3 | 2,4 | 2,5 | 2,6 | 2,7 | 2,8 | 2,9 | 3,0 | |||||||||
|
| 2,1 | 2,2 | 2,3 | 2,4 | 2,5 | 2,6 | 2,7 | 2,8 | 2,9 | 3,0 | ||||||||||
| Рис.4 |
| 10 | 20 | 30 | 40 | 50 | 60 | 70 | 80 | 90 | 100 | |||||||||
-
Собрать схему рис. 1а:
,
,
. Подключить ко входу схемы источник опорного постоянного напряжения
. Записать показания вольтметра и амперметра и рассчитать значения
. -
Вместо источника опорного напряжения подключить источник переменного синусоидального напряжения
частотой
. Записать показания приборов и рассчитать полное сопротивление
.
Внимание! Для измерений переменных токов и напряжений переключите амперметр и вольтметр в режим АС.
-
Рассчитать значение неизвестной индуктивности
по формуле (2). -
Рассчитать относительную погрешность измерения
,
где
- рассчитанное в п.4 значение индуктивности;
- установленное по своему варианту значение индуктивности.
-
Собрать схему рис. 1б.
,
,
. -
Повторить п.п. 2 - 5 для емкости. Рассчитать емкость по формуле (1) и тангенс угла потерь конденсатора.
-
Собрать схему рис. 2а:
,
,
.
,
. -
Уравновесить мостовую схему, изменяя
и
до достижения показаний вольтметра, равных нулю. -
Определить
и
по показаниям
и
. Рассчитать погрешности измерения
,
и тангенс угла потерь. -
Собрать схему рис. 2б.
,
,
,
,
. -
Уравновесить схему, изменяя
и
, и определить
и
по показаниям
и
. -
Рассчитать погрешности измерения
и
, а также тангенс угла потерь. -
Собрать схему рис. 3а:
,
,
,
,
. -
Уравновесить мостовую схему, изменяя
и
. Записать значения
и
по показаниям
и
. -
Рассчитать погрешность измерения
и
, а также добротность катушки индуктивности. -
Собрать схему рис. 3б:
,
,
,
,
. -
Уравновесить мостовую схему. Рассчитать значения
,
и добротность катушки по формулам, приведенным в описании схемы, а также погрешность измерения
и
. -
Собрать схему рис. 4 для измерения
резонансным методом.
,
,
. -
Изменяя частоту генератора найти резонансную частоту, соответствующую максимуму показаний вольтметра. Вычислить
по формуле
-
Рассчитать относительную погрешность в определении
. -
Оформить отчет, включающий:
наименование работы;
,
,
. Подключить ко входу схемы источник опорного постоянного напряжения
.
частотой
. Записать показания приборов и рассчитать полное сопротивление
.
,
.
,
.
,
,
.
,
,
,
.














