123310 (598578), страница 4
Текст из файла (страница 4)
- интервальная характеристика погрешности - границы, в пределах которых погрешность измерений находится с заданной вероятностью, если результат измерений является окончательным.
Характеристики погрешности указывают в единицах измеряемой величины (абсолютная Δ) или в процентах от результата измерения (относительная δ).
Примеры записи результатов измерений:
Расход жидкости 10,75 м3/с; |∆н|=|∆в|=0,15 м3/с; Рд=0,95, или 10,75 м3/с; Δ=±0,15 м3/с; Рд=0,95, или 10,75 м3/с; -0,12 ≤ Δ ≤ 0,18 м3/с; Рд=0,95.
Электрическое напряжение 220,0 В; δ=±1%; Рд=0,95, или 220,0 В; σ[Δс]=0,2 В; σ[Δ°]=0,1 В.
Допускается (для исследовательских измерений) представление результата измерений доверительным интервалом, покрывающим с указываемой доверительной вероятностью истинное значение измеряемой величины, например: температура от 260 до 280 °С, Рд=0,95. При этом погрешности не указываются.
Характеристики погрешности выражают числом, содержащим не более двух значащих цифр: если число начинается с цифр 1 или 2, то в нем оставляют две значащих цифры с округлением в большую сторону, если число ≥3, оно округляется до одной значащей цифры по общим правилам округления. Пример – ряд числовых значений классов точности.
Результат измерения округляется до того же десятичного знака, которым оканчивается округленное значение абсолютной погрешности измерения. Округление проводится только в окончательной записи.
5. Методики выполнения измерений. Выбор средств измерений
Методика выполнения измерений – совокупность операций и правил, выполнение которых обеспечивает получение результатов измерений с установленной погрешностью (неопределенностью). Следует различать МВИ как приведенное выше понятие, и МВИ как отдельный документ, содержащий описание и все необходимые данные для реализации МВИ. Общие положения и требования к их разработке и метрологической аттестации установлены в ГОСТ Р 8.563-96 «ГСИ. Методики выполнения измерений».
Документ на МВИ должен содержать разделы:
- вводную часть (назначение и область применения МВИ);
- характеристики погрешности измерений;
- средства измерений, вспомогательные устройства и др.;
- метод измерений;
- требования безопасности и охраны окружающей среды;
- требования к квалификации оператора;
- условия измерений;
- подготовка к выполнению измерений;
- выполнение измерений;
- обработка результатов измерений;
- контроль погрешности результатов измерений;
- оформление результатов измерений.
Важнейшим этапом в разработке МВИ является выбор методов и средств измерений, который осуществляется в соответствии с рекомендацией МИ 1967-89. При этом целью и основным критерием выбора является достижение заданной или минимально возможной погрешности измерений.
Погрешность результата измерений как при априорной оценке (при разработке МВИ), так и на этапе обработки результатов измерений определяют расчетным объединением характеристик всех составляющих, образующих результирующую погрешность. Поэтому важно определить единые правила суммирования составляющих.
При оценке результирующей погрешности СИ или результата измерений следует предполагать наличие как систематических, так и случайных составляющих, поэтому
Δ Σ = ∆СΣ + ∆ºΣ.
Общая формула для СКО суммы случайных составляющих
σΣ =
где ρij –коэффициент корреляции между составляющими случайной погрешности. Если составляющие независимы или корреляционная связь слабая (|ρij|<0,7), принимается ρij = 0 и σΣ =
. Если между случайными составляющими имеется заметная корреляция, принимается ρij=1 и используется арифметическое суммирование σΣ =
. Коррелированными являются погрешности, которые вызваны одной общей причиной.
Интервальная характеристика случайной погрешности результата измерений, то есть границы, в пределах которых случайная погрешность измерений находится с заданной вероятностью, определяется выражением ∆ºΣ = tpσΣ, где tp – коэффициент Стьюдента, зависящий от доверительной вероятности Рд оценки границ значений погрешности. Значения коэффициента Стьюдента можно принять 1,6 для Рд = 0,9 и 2,0 для Рд = 0,95.
Для суммирования элементарных систематических погрешностей используется несколько способов. Арифметическое суммирование предельных значений систематических составляющих дает гарантированную оценку «сверху». Такая оценка завышена и возникновение таких погрешностей на практике маловероятно. Арифметическое суммирование применяется только для составляющих с точно известными значениями и знаками, которые могут быть использованы в виде поправок к результату измерений и исключены из оценки погрешности. Для неисключенных систематических составляющих применяют рандомизацию, то есть их перевод в разряд случайных величин с равномерным законом распределения.
Тогда, если известны пределы ±∆Сi систематических составляющих погрешности, интервальная характеристика погрешности ΔСΣ = К
. Значение К при геометрическом суммировании пределов неисключенных систематических составляющих принимают К = 0,95 для Рд = 0,9, К = 1,1 для Рд = 0,95, К = 1,4 для Рд = 0,99, но можно без больших потерь для точности расчетов принимать и К = 1.
В случае суммирования неисключенных систематических и случайных составляющих целесообразно определить дисперсии неисключенных систематических погрешностей и далее выполнить геометрическое суммирование по формуле
σΣ =
.
Дисперсия случайной величины с равномерным законом распределения σi² = Δ²Сi/3, если заданы симметричные предельные значения величины ±∆Сi, или σi² = Н²i/12, если известен размах значений этой величины (например, Н – цена деления шкалы прибора).
Пример 1. Определить погрешность вольтметра с пределом измерений 1,5 В при измерении падения напряжения 0,8 В на участке цепи с активным сопротивлением R = 4 Ом при температуре от 15 до 35 °С. Для вольтметра нормированы м.х. по ГОСТ 8.009-84: предел систематической составляющей основной погрешности γс = ±0,4%; СКО случайной составляющей σ(∆º) = 0,2%; предел допускаемой вариации Н = 0,4%; номинальная функция влияния температуры Ψ(t) = +0,03%/°С; входное сопротивление вольтметра 1000 Ом. Нормальное значение температуры tну = 20°С.
Инструментальная погрешность измерения, обусловленная погрешностью вольтметра, будет складываться из трех составляющих: основной погрешности вольтметра, дополнительной погрешности в диапазоне изменений температуры, погрешности согласования сопротивлений вольтметра и объекта измерений.
Основную погрешность определим как сумму систематической, случайной составляющих и вариации, применив принцип рандомизации к составляющим систематической погрешности и вариации. Тогда дисперсия основной погрешности составит значение
σо² = γс²/3+ σ²(∆º)+Н²/12 = 0,16/3+0,04+0,16/12 ≈ 0,106 (%)²
Дополнительную погрешность рандомизируем, приняв равновероятный закон распределения температуры в заданном интервале. Тогда математическое ожидание дополнительной погрешности М(∆t) = Ψ(t)[М(t) - tну] = 0,03[(35+15)/2 - 20] = +0,15%.
Дисперсия дополнительной погрешности
D(∆t) = Ψ²(t) σ²(t) = 0,03²·(35-15)²/12 = 0,03 (%)²
Погрешность согласования определим из формулы, определяющей показание вольтметра Uv = UxRv/(R+Rv): ΔR = Uv-Uх = - UхR/(R+Rv), или отнесенную к Uх: δR = - (4/1004)100 = - 0,4%. Это значение можно использовать для расчета поправки к результату измерений или просуммировать с другими составляющими, приведя их тоже в форму относительной погрешности.
δ = δR+[М(∆t)±tp
]Uк/Uх = -0,4+[0,15±1,6
]1,5/0,8 = -0,4+[0,15±1,6·0,369]1,875 = -0,4+0,281±1,107 = -0,119±1,107-1,2% ≤ δ ≤ 1,0%, Рд = 0,9
Пример 2. Выбрать метод и средство измерений для измерения падения напряжения 0,8…1,2 В на участке цепи с активным сопротивлением R = 4 Ом при температуре от 15 до 35 °С с погрешностью δ не более 1,5 %.
1. Выбираем метод измерений – прямые измерения с использованием вольтметра с пределом измерений 1,5 В. Полагаем методическую и личную погрешности пренебрежимо малыми.
2. Ориентировочно определяем необходимый класс точности вольтметра γтр ≤ δХн/Хк = 1,5·0,8/1,5 = 0,8 и выбираем вольтметр класса точности 0,5.
Класс точности определяет основную приведенную погрешность γо= ±0,5%. Пусть для этого вольтметра дополнительная температурная погрешность нормируется в виде γt = 0,6γо/10ºС.
Предельное значение дополнительная погрешность будет иметь при температуре 35ºС: γt = ±0,6·0,5(35-20)/10 = ±0,45%.
Погрешность согласования при Rv = 1000 Ом составит δR = - (4/1004)100 = - 0,4%.
3. Оценим погрешность результата измерений для Хн = 0,8 В (в этой точке заданного диапазона измерений она будет максимальной) с Рд = 0,9:
δ = δR±[tp
]Хк/Хн = -0,4±[1,6
]1,5/0,8 = -0,4±1,164
В итоге получим -1,6≤ δ ≤0,8, то есть требование δ ≤ ±1,5 % не выполнено. Вольтметр класса точности 0,5 может быть использован только при введении поправок Δ = 0.004Х в результаты измерений. В этом случае δ = ±1,2%.
Если класс точности вольтметра, то есть нормирована относительная погрешность δо = 0,5 %, которая имеет место для любого значения в заданном диапазоне измерений, в выражении суммирования погрешностей исключается множитель Хк/Хн. Тогда δ = ±0,62 ≈ 0,6%
Рассмотрим случай нормирования класса точности двучленным выражением, например 0,5/0,2. В этом случае δо = 0,5+0,2[(Хк/ Х)-1]. Для Х = 0,8В δо= 0,5+0,2[(1,5/0,8)-1] = 0,675%. Дополнительная погрешность δt = 0,6·0,675(35-20)/10 = ±0,61%. Тогда после введения поправок
Δ = ±1,6
= ±0,838 ≈ 0,9%.
Другой способ суммирования неисключенных систематических погрешностей (суммирования пределов относительных погрешностей) дает значение погрешности измерений
δ = ±К
= ± 0,95
= ±0,864 ≈ 0,9%.
6. Обработка результатов многократных и косвенных измерений
Качество измерений характеризуются рядом показателей.
Сходимость результатов измерений – близость друг к другу результатов измерений, выполненных повторно в тех же условиях.
Воспроизводимость результатов измерений – близость результатов измерений одной и той же величины, полученных в разное время, в разных местах, разными операторами и средствами.
Точность измерений – близость результата измерений к истинному значению измеряемой величины.
Правильность измерений – близость к нулю систематической погрешности измерений.
Достоверность измерений – близость к нулю случайной или отнесенной к случайной неисключенной систематической погрешности. Достоверность измерений характеризуется доверительной вероятностью того, что истинное значение лежит в указанных доверительных границах:
Рд = Р{(х – tσ) ≤ Х ≤ (х + tσ)}.
Возможность повышения достоверности результатов измерений обеспечивается при проведении многократных измерений. Результат многократных измерений определяется как параметр положения центра распределения полученных данных (Хц). Преимущество и основной смысл многократных измерений заключается в том, что координата центра распределения совокупности результатов измерений одного и того же значения физической величины имеет меньшую полосу неопределенности, чем каждый отдельно взятый результат однократного измерения. Существуют соотношения: D(Хц) = D(хi)/n и σ(Хц) = σ(хi)/
, где n – число измерений.
Последовательность обработки результатов многократных измерений следующая:
- исправление результатов наблюдений, если это возможно (внесение поправок);
- вычисление оценки параметра положения центра выборки Хц (среднее арифметическое, медиана или другая оценка);
- вычисление выборочного СКО оценки параметра положения центра по формуле
σ(Хц) =
- определение границ доверительного интервала для случайной погрешности
∆сл= ±tpnσ(Хц).
Следует помнить, что при многократных измерениях уменьшаются только случайные погрешности, а систематические остаются без изменения и должны суммироваться со случайными. Следующие этапы обработки данных:
- сравнение ∆сл с неисключенными систематическими составляющими погрешности измерений и выявление значимых составляющих;
- суммирование неисключенных систематических погрешностей
Δ СΣ = К
- определение суммарной погрешности Δ Σ =
.
Результат измерений записывается в виде Хц± Δ Σ, Рд.
Пример. При многократном измерении тока получены значения в мА: 98, 100, 97, 101, 99, 102, 103. Определить доверительные границы для истинного значения измеряемой величины с вероятностью Р = 0,95 (tp= 2,45).
Параметр положения центра выборки Хц (среднее арифметическое) Хц =100 мА.
СКО оценки параметра положения центра
σ(Хц) =
=
Границы доверительного интервала для случайной погрешности
∆сл= ±tpσ(Хц) = ±(2,45∙0,816) ≈ ±2 мА.
Результат измерений: 100±2 мА, Р = 0,95.
Результат косвенного измерения определяется расчетом по известной функции Ζ = f(х1, х2, …) и измеренным значениям аргументов хi. Так как каждое значение хi измерено с погрешностью, задача расчета погрешности результата измерений сводится также к суммированию погрешностей измерения аргументов. Отличие косвенных измерений состоит в том, что в зависимости от вида функции вклад отдельных аргументов в результат и его погрешность может быть различным. Поэтому при расчете погрешности результата косвенных измерений вводятся коэффициенты влияния аргументов на результат измерений, представляющие собой частные производные функции по соответствующим аргументам:
Δ(Ζ) =
(∂f/∂хi)Δ(хi).
Для дисперсий:
σ²(Ζ) =
(∂f/∂хi)² σ²(хi).
Метод частных производных правомерен для суммирования абсолютных погрешностей линейных функций, в которые аргументы входят в первой степени и коэффициенты влияния ∂f/∂хi не зависят от аргументов. Для нелинейных функций проводится сначала логарифмирование (или другая операция линеаризации функции, в общем случае – разложение в ряд Тейлора), затем дифференцирование.
Пусть Ζ = ∏( хª1, хⁿ2, …).
Логарифмирование: lnΖ = alnх1 +nlnх2, …
Дифференцирование: dΖ/Ζ = a(dх1/х1) + n(dх2/х2) +…, после чего, перейдя к малым приращениям (погрешностям), получим формулу расчета относительных погрешностей: δ(Ζ) = a δ(х1) + n δ(х2) +…
Для дисперсий: σ²( δ Ζ) =
bj² σ²( δхj).
Итак, расчет погрешности косвенного измерения проводится в два этапа: 1) вывод формулы для расчета абсолютной погрешности (дифференцирование) или относительной погрешности (логарифмирование + дифференцирование) в зависимости от вида функции связи измеряемых величин; 2)расчет погрешности в соответствии с полученной формулой по правилам суммирования составляющих. При этом, если составляющие погрешности рассматриваются как случайные величины, знаки, полученные при дифференцировании, не учитываются.
Пример. Оценить значение и погрешность измерения мощности, поглощаемой на сопротивлении R = 100 Ом при напряжении U = 10 В. СКО относительных погрешностей измерений напряжения и сопротивления составляют: σ(δU) = 0,5%, σ(δR) = 1%.
Поглощаемая мощность W = U²/ R = 1Вт.
Для оценки погрешности измерения проведем линеаризацию функции:
lnW = 2lnU- lnR.
Тогда относительная погрешность измерения мощности δW = 2δU+δR, а дисперсия относительной погрешности: σ²(δW) = 4 σ² (δU)+σ² (δR)
СКО относительной погрешности σ(δW) =
≈ 1,414%
Приняв доверительную вероятность Р=0,9 (tp=1,6), запишем результат измерений:
W = 1 Вт; δ = ±2,3%, Р = 0,9.
7. Метрологическое обеспечение. Закон «Об обеспечении единства измерений». Структура и функции метрологических служб
Обеспечение единства измерений - деятельность метрологических служб, направленная на достижение и поддержание единства измерений в соответствии с законодательными актами, правилами и нормами, установленными национальными стандартами и другими нормативными документами по обеспечению единства измерений.
Содержание метрологической деятельности более полно раскрывает понятие метрологическое обеспечение – установление и применение научных и организационных основ, технических средств, правил и норм для достижения единства и требуемой точности измерений.
| Метрологическое обеспечение | |
| Научная основа | Теоретическая и прикладная метрология |
| Организационная основа | Государственная метрологическая служба, метрологические службы федеральных органов исполнительной власти и юридических лиц |
| Нормативно-правовая основа | Закон «Об обеспечении единства измерений», Постановления Правительства, нормативные документы ГСИ (Государственной системы обеспечения единства измерений) |
| Техническая основа | Государственные эталоны, системы передачи размеров единиц величин (поверочные схемы), парк рабочих средств измерений |
Государственное регулирование метрологической деятельности осуществляется на основе закона «Об обеспечении единства измерений», впервые принятого в 1993 и в новой редакции – в 2008 году (Федеральный Закон от 26.06.2008 №102-ФЗ). В законе определены формы государственного регулирования, требования, порядок и правила практически по всем вопросам метрологической деятельности и основам метрологического обеспечения.
В главе 1 «Общие положения» установлены цели принятия и сфера действия, даны определения основных понятий метрологии, применяемых в тексте закона.
Целями Федерального Закона являются:
1) установление правовых основ обеспечения единства измерений;
2) защита прав и законных интересов граждан, общества и государства от отрицательных последствий недостоверных результатов измерений;
3) обеспечение потребности граждан, общества и государства в получении объективных, достоверных и сопоставимых результатов измерений, используемых в целях защиты жизни и здоровья граждан, охраны окружающей среды, животного и растительного мира, обеспечения обороны и безопасности государства, в том числе экономической безопасности;
4) содействие развитию экономики и научно-техническому прогрессу.
Государственное регулирование обеспечения единства измерений распространяется на измерения, выполняемые при осуществлении деятельности:
- в области здравоохранения, ветеринарии, охраны окружающей среды;
- по обеспечению безопасных условий и охраны труда, производственного контроля за соблюдением требований промышленной безопасности к эксплуатации опасного производственного объекта;
- в области обороны и безопасности государства, обеспечения безопасности при чрезвычайных ситуациях;
- торговли и товарообменных операций, расфасовки товаров;
- государственных учетных, банковских, налоговых и таможенных операций, услуг почтовой связи и электросвязи;
- в области геодезии, картографии и гидрометеорологии;
- оценки соответствия продукции и иных объектов обязательным требованиям, мероприятий государственного контроля (надзора);
- измерений, проводимых по поручению суда, органов прокуратуры, государственных органов исполнительной власти;
- проведении официальных спортивных соревнований.
Глава 2 имеет заглавие «Требования к измерениям, единицам величин, эталонам единиц величин, стандартным образцам, средствам измерений».
Измерения, относящиеся к сфере государственного регулирования, должны осуществляться по аттестованным методикам измерений, с применением средств измерений утвержденного типа, прошедших поверку. Результаты измерений должны быть выражены в единицах величин, допущенных к применению в Российской Федерации.
Закон допускает к применению единицы величин Международной системы единиц, принятые Генеральной конференцией по мерам и весам и рекомендованные МОЗМ. Правительством РФ могут быть допущены к применению внесистемные единицы.
Для передачи размеров единиц всем средствам измерений на территории РФ используются государственные первичные эталоны единиц величин (национальные эталоны), воспроизводящие единицу с наивысшей точностью. Эталонную базу страны составляют государственные первичные и вторичные эталоны, получающие размер единицы непосредственно от первичных. Государственные первичные эталоны являются исключительной федеральной собственностью и не подлежат приватизации. Передача размера единицы величины рабочим средствам измерений осуществляется от рабочих эталонов, прослеживаемых к государственным первичным эталонам в соответствии с поверочной схемой, устанавливающей соподчинение средств измерений, участвующих в передаче размера единицы, методы и погрешности передачи размеров. Наряду с государственными поверочными схемами могут разрабатываться и применяться локальные поверочные схемы (в регионе, отрасли, или на отдельном предприятии). Эталон, обладающий наивысшими метрологическими свойствами в поверочной схеме называют исходным эталоном. Государственные первичные эталоны применяются в качестве исходных на территории Российской Федерации.
Глава 3 «Государственное регулирование в области обеспечения единства измерений» устанавливает следующие формы государственного регулирования:
- утверждение типа средств измерений или стандартных образцов,
- поверка средств измерений,
- метрологическая экспертиза,
- государственный метрологический надзор,
- аттестация методик (методов) измерений,
- аккредитация юридических лиц и индивидуальных предпринимателей на выполнение работ и (или) оказание услуг в области обеспечения единства измерений.
Средства измерений (СИ), применяемые в сферах государственного регулирования, должны пройти испытания с последующим утверждением типа СИ (ПР50.2.009-94). Утверждение типа СИ – документально оформленное решение о признании соответствия типа СИ метрологическим и техническим требованиям (характеристикам) на основании результатов испытаний в целях утверждения типа. При утверждении типа СИ устанавливаются показатели точности, межповерочный интервал и утверждается методика поверки данного типа СИ. Испытания проводят организации, аккредитованные в качестве государственных центров испытаний - ГЦИ СИ. По результатам испытаний оформляется свидетельство об утверждении типа СИ, сведения об утвержденных типах СИ вносятся в Федеральный информационный фонд по обеспечению единства измерений. На СИ наносится знак утверждения типа.
До ввода в эксплуатацию или после ремонта каждый экземпляр СИ утвержденного типа, применяемых в сфере государственного регулирования, подвергается первичной поверке, а в период эксплуатации – периодической поверке (ПР 50.2.006-94). Поверка – совокупность операций, выполняемых в целях подтверждения соответствия СИ метрологическим требованиям. Поверку осуществляют аккредитованные в установленном порядке юридические лица или индивидуальные предприниматели. Конкретное физическое лицо, осуществляющее поверку, должно быть аттестованным в качестве поверителя. Результаты поверки оформляются протоколом и свидетельством о поверке, а также специальным знаком о поверке, наносимым поверителем на СИ или на свидетельство о поверке. Юридические лица или индивидуальные предприниматели, применяющие СИ в сфере государственного регулирования в области обеспечения единства измерений (владельцы СИ), обязаны своевременно представлять эти СИ на поверку.
Обязательной метрологической экспертизе подлежат требования к измерениям, средствам измерений или стандартным образцам, содержащиеся в проектах нормативных правовых актов Российской Федерации, стандарты, продукция, проектная, конструкторская, технологическая документация и другие объекты в порядке и случаях, предусмотренных законодательством Российской Федерации. В других случаях метрологическая экспертиза может проводиться в добровольном порядке.
Государственный метрологический надзор осуществляется в сфере государственного регулирования в области обеспечения единства измерений за:
1) соблюдением обязательных требований к измерениям, единицам величин, а также к эталонам единиц величин, средствам измерений и стандартным образцам при их выпуске из производства, ввозе на территорию Российской Федерации, продаже и применении; 2) наличием и соблюдением аттестованных методик измерений;
3) за количеством фасованных товаров в упаковках (отклонениями от заявленного значения).
В этой главе установлены права и обязанности должностных лиц при осуществлении государственного метрологического надзора, а также обязанность юридических лиц или индивидуальных предпринимателей, осуществляющих выпуск из производства, ввоз и продажу эталонов, средств измерений и стандартных образцов, уведомлять о своей деятельности органы государственного метрологического надзора в трехмесячный срок.
В главе 4 «Калибровка средств измерений» определен порядок действий с СИ, не предназначенными к применению в сфере государственного регулирования. Калибровка средств измерений - совокупность операций, выполняемых в целях определения действительных значений метрологических характеристик средств измерений. Калибровка средств измерений выполняется с использованием эталонов, прослеживаемых к государственным первичным эталонам единиц величин, а при их отсутствии – к национальным эталонам иностранных государств. Результаты калибровки, выполненной аккредитованным юридическим лицом или индивидуальным предпринимателем могут быть использованы при поверке средства измерений.
Глава 5 «Аккредитация в области обеспечения единства измерений» определяет работы и услуги, для выполнения которых требуется официальное признание компетентности (аккредитация). Это – 1) аттестация методик измерений; 2) испытания в целях утверждения типа; 3) поверка; 4) обязательная метрологическая экспертиза. Принципы аккредитации в области обеспечения единства измерений полностью совпадают с принципами аккредитации, установленными в Федеральном законе «О техническом регулировании».
В главе 6 «Федеральный информационный фонд по обеспечению единства измерений» определено его содержание, порядок создания и ведения, предоставления сведений заинтересованным лицам. Важнейшие информационные базы данных фонда:
- единый перечень измерений, относящихся к сфере государственного регулирования;
- сведения о государственных эталонах единиц величин;
- сведения об утвержденных типах СИ и стандартных образцов;
- сведения об аттестованных методиках измерений;
- сведения о результатах поверки СИ.
Глава 7 «Организационные основы обеспечения единства измерений» устанавливает состав и задачи организаций и служб, осуществляющих деятельность по обеспечению единства измерений. К ним относятся:
1. Федеральные органы исполнительной власти, осуществляющие функции:
- по выработке государственной политики и нормативно-правовому регулированию в области обеспечения единства измерений (Министерство промышленности и энергетики),
- по оказанию государственных услуг и управлению государственным имуществом в области обеспечения единства измерений (Федеральное агентство по техническому регулированию и метрологии – Ростехрегулирование),
- государственного метрологического надзора (в настоящее время – Ростехрегулирование).
2. Государственные научные метрологические институты (ГНМИ), подведомственные Ростехрегулированию, основными задачами которых являются:
- проведение фундаментальных и прикладных научных исследований, экспериментальных разработок, разработка проектов нормативных документов, обязательная метрологическая экспертиза, другая научно-техническая деятельность и международное сотрудничество в области метрологии и обеспечения единства измерений;
- создание, совершенствование, содержание, сличение и применение государственных первичных эталонов единиц величин.
Наиболее известные ГНМИ - это Всероссийский НИИ метрологической службы (ВНИИМС, г. Москва), Всероссийский НИИ метрологии (ВНИИМ им. Д.И.Менделеева, г. Санкт-Петербург), Уральский НИИ метрологии (УНИИМ, г. Екатеринбург), Сибирский НИИ метрологии (СНИИМ, г. Новосибирск), Всероссийский НИИ физико-технических и радиоизмерений (ВНИИФТРИ, пос. Менделеево Московской области), Всероссийский НИИ оптико-физических измерений (ВНИИОФИ, г. Москва), Всероссийский НИИ расходометрии (ВНИИР, г. Казань) и др.
3. Государственные региональные центры метрологии (в составе ЦСМ – территориальных центров стандартизации и метрологии) – решают основные задачи:
- поверка средств измерений в соответствии с областью аккредитации;
- совершенствование, содержание, и применение государственных эталонов единиц величин, находящихся в ведении регионального центра.
4. Государственная служба времени, частоты и определения параметров вращения Земли, Государственная служба стандартных образцов состава и свойств веществ и материалов, Государственная служба стандартных справочных данных о физических константах и свойствах веществ и материалов осуществляют деятельность в целях обеспечения единства измерений в закрепленных за ними областях.
5. Метрологические службы федеральных органов исполнительной власти организуют деятельность по обеспечению единства измерений в пределах своей компетенции в областях деятельности, относящихся к сфере государственного регулирования.
6. Метрологические службы юридических лиц и индивидуальные предприниматели, аккредитованные в установленном порядке в области обеспечения единства измерений.
В новой редакции закона «Об обеспечении единства измерений» требования по обязательности создания метрологической службы в составе юридических лиц и ее функции не установлены.
Метрологические службы юридических лиц создаются для выполнения работ по обеспечению единства измерений на предприятии (в организации). Типовые задачи метрологической службы юридического лица:
- калибровка СИ (при наличии соответствующих рабочих эталонов);
- планирование, организация и проверка своевременности работ по поверке и калибровке СИ, разработке и аттестации методик измерений (МВИ);
- внутренний надзор за состоянием и применением СИ, МВИ, рабочих эталонов, соблюдением метрологических правил и норм с выдачей обязательных к исполнению предписаний по устранению выявленных нарушений;
- управление парком СИ;
- организация и проведение метрологической экспертизы стандартов, конструкторской, технологической документации и др.
Новой редакцией закона для метрологической службы в составе юридического лица открыта возможность осуществления деятельности по обеспечению единства измерений в интересах не только своей, но и других организаций в случае соответствующей аккредитации.
8. Самостоятельные работы
Тренировочные задания
-
Назовите основные принципы метрологии и поясните их суть.
-
Сформулируйте основные постулаты метрологии.
-
Приведите определение понятия «измерение».
-
Назовите общие признаки измерений, присущие измерениям любой степени сложности и отличающие их от других способов получения информации.
-
Дайте определение физической величины.
-
Приведите и поясните выражение, называемое основным уравнением измерений.
-
Приведите последовательность основных этапов измерений. В каком документе могут быть представлены результаты выполнения «теоретических» этапов для технических измерений?
-
Дайте определение понятиям неопределенности и погрешности результата измерений. Приведите пример характеристики неопределенности результата измерений.
-
Перечислите известные вам шкалы физических величин. Какие шкалы называют «неметрическими» и почему?
-
Назовите когерентные производные единицы системы СИ, имеющие специальные названия.
-
Перечислите признаки, по которым могут быть классифицированы измерения. Приведите примеры разновидностей измерений по этим признакам.
-
Дайте определения прямых, косвенных, совокупных и совместных измерений.
-
Дайте определение термина «метод измерений». Какие методы измерений вам известны?
-
Дайте определение термина «принцип измерений».
-
Дайте определение термина «средство измерений».
-
Назовите виды средств измерений. К каким видам средств измерений относятся гиря, линейка, секундомер, термометр медицинский, магазин сопротивлений?
-
Что такое «датчик»? К какому виду средств измерений он относится?
-
Для каких измерений предназначены рабочие средства измерений и эталоны?
-
Сформулируйте определения понятий «метрологическая характеристика», «комплекс нормируемых метрологических характеристик средств измерений».
-
Перечислите, в каких целях устанавливаются комплексы нормируемых метрологических характеристик средств измерений.
-
Назовите, какие группы метрологических характеристик включаются в комплексы нормируемых метрологических характеристик средств измерений в соответствии с ГОСТ 8.009-84.
-
Укажите, для каких видов средств измерений устанавливаются перечисленные характеристики для определения результата измерений: а) номинальное значение меры, б) номинальная цена единицы младшего разряда, в) цена деления шкалы, г) функция преобразования.
-
Назовите нормируемые в соответствии с ГОСТ 8.009-84 характеристики основной погрешности средств измерений. Что такое вариация показаний средства измерений?
-
Укажите два способа нормирования характеристик чувствительности средства измерений к влияющим величинам. Как взаимосвязаны характеристики, нормируемые этими способами?
-
Перечислите полные динамические характеристики, нормируемые в соответствии с ГОСТ 8.009-84.
-
Дайте определение понятию «класс точности».
-
Дайте определение абсолютной, приведенной и относительной погрешностей и продемонстрируйте, как они взаимосвязаны друг с другом.
-
Изобразите возможные границы изменения погрешности в диапазоне измерений при аддитивном и мультипликативном характере погрешности средства измерений.
-
Приведите двучленную формулу для оценки предела относительной погрешности средства измерений при одновременном присутствии аддитивной и мультипликативной погрешности.
-
Назовите три источника и составляющих погрешности результата измерений. Что включает понятие «инструментальная погрешность»?
-
Дайте определение понятию «единство измерений».
-
Приведите примеры точечных и интервальных характеристик погрешности результата измерений.
-
Перечислите и охарактеризуйте показатели качества измерений.
-
Поясните, что такое методика выполнения измерений и какие разделы должен содержать документ на МВИ в соответствии с ГОСТ Р 8.563-96.
-
Приведите формулы для расчета среднего квадратического отклонения суммы случайных составляющих погрешности и интервальной характеристики случайной погрешности результата измерений.
-
Приведите формулу расчета интервальной характеристики погрешности при суммировании пределов неисключенных систематических составляющих.
-
Напишите формулу для расчета среднего квадратического отклонения погрешности результата многократных измерений.
-
Приведите формулу и пример расчета погрешности результата косвенных измерений в случае линейной функциональной зависимости искомой физической величины от измеряемых величин.
-
Поясните, в чем состоит метод линеаризации функции при обработке результатов косвенных измерений.
-
Дайте определение понятиям «обеспечение единства измерений» и «метрологическое обеспечение». Что составляет научную, организационную, нормативно-правовую и техническую основы метрологического обеспечения?
-
Объясните, для чего предназначены первичный эталон, вторичный эталон, рабочий эталон, исходный эталон. В чем отличие государственной и локальной поверочных схем?
-
Назовите организации (учреждения), входящие в структуру организаций и служб, осуществляющих деятельность по обеспечению единства измерений и их основные задачи.
-
Укажите, какие виды деятельности относятся к формам государственного регулирования в области обеспечения единства измерений.
-
Объясните, какие средства измерений должны подвергаться поверке, кто проводит и как оформляются результаты поверки средств измерений. Что общего и в чем отличие поверки и калибровки средств измерений?
-
Назовите основные функции метрологической службы юридического лица?
Контрольная работа
Задача 1. Оценка интервала, в котором находится основная погрешность средства измерений с заданной вероятностью (суммирование составляющих погрешности)
Для измерительного прибора нормированы характеристики основной погрешности по ГОСТ 8.009-84: предел допускаемых значений систематической составляющей погрешности γс, предел среднего квадратического отклонения случайной составляющей погрешности σ, предел допускаемой вариации Н. Определите границы интервала значений основной погрешности измерительного прибора, в котором она находится с доверительной вероятностью Р.
| Вариант | 1 | 2 | 3 | 4 | 5 | 6 | 7 | 8 | 9 | 10 | 11 | 12 | 13 | 14 | 15 |
| ±γс, % | 0,3 | 0,3 | 0,3 | 0,2 | 0,2 | 0,2 | 0,3 | 0,3 | 0,3 | 0,2 | 0,2 | 0,2 | 0,15 | 0,15 | 0,15 |
| σ, % | 0,1 | 0,1 | 0,1 | 0,1 | 0,1 | 0,1 | 0,1 | 0,1 | 0,1 | 0,1 | 0,1 | 0,1 | 0,1 | 0,1 | 0,1 |
| Н, % | 0,3 | 0,3 | 0,3 | 0,3 | 0,3 | 0,3 | 0,2 | 0,2 | 0,2 | 0,2 | 0,2 | 0,2 | 0,2 | 0,2 | 0,2 |
| Р | 0,9 | 0,95 | 0,98 | 0,9 | 0,95 | 0,98 | 0,9 | 0,95 | 0,98 | 0,9 | 0,95 | 0,98 | 0,9 | 0,95 | 0,98 |
| Вариант | 16 | 17 | 18 | 19 | 20 | 21 | 22 | 23 | 24 | 25 | 26 | 27 | 28 | 29 | 30 |
| ±γс, % | 0,4 | 0,4 | 0,4 | 0,5 | 0,5 | 0,5 | 0,5 | 0,5 | 0,5 | 0,4 | 0,4 | 0,4 | 0,4 | 0,4 | 0,4 |
| σ, % | 0,2 | 0,2 | 0,2 | 0,2 | 0,2 | 0,2 | 0,2 | 0,2 | 0,2 | 0,2 | 0,2 | 0,2 | 0,2 | 0,2 | 0,2 |
| Н, % | 0,4 | 0,4 | 0,4 | 0,5 | 0,5 | 0,5 | 0,4 | 0,4 | 0,4 | 0,5 | 0,5 | 0,5 | 0,6 | 0,6 | 0,6 |
| Р | 0,9 | 0,95 | 0,98 | 0,9 | 0,95 | 0,98 | 0,9 | 0,95 | 0,98 | 0,9 | 0,95 | 0,98 | 0,9 | 0,95 | 0,98 |
Примечание. Для определения доверительных границ погрешности используйте значения коэффициента t, зависящего от доверительной вероятности Р: 1,6 при Р = 0,9; 2,0 при Р = 0,95; 2,3 при Р = 0,98.
Задача 2. Определение функции преобразования и погрешностей измерительного преобразователя по градуировочной характеристике.
Постройте график и определите коэффициенты функции преобразования измерительного преобразователя вида U = Sx+b по данным, полученным при его градуировке. Постройте графики зависимости абсолютной и относительной погрешности от входной величины х.
Варианты 1 – 10
| х | 0 | 1 | 2 | 3 | 4 | 5 | 6 | 7 | 8 | 9 | 10 |
| U | 3 | 4 | 8 | 9 | 10 | 12 | 16 | 18 | 19 | 20 | 24 |
Варианты 11 – 20
| х | 2 | 4 | 6 | 8 | 10 | 12 | 14 | 16 | 18 | 20 |
| U | 10 | 13 | 14 | 17 | 19 | 21 | 23 | 25 | 28 | 31 |
Варианты 21 – 30
| х | 0 | 0,1 | 0,2 | 0,3 | 0,4 | 0,5 | 0,6 | 0,7 | 0,8 | 0,9 | 1,0 |
| U | 3,0 | 2,5 | 2,0 | -0,2 | -2,2 | -3,1 | -4,0 | -4,5 | -5,6 | -7,5 | -8,0 |
Примечание. Для определения коэффициентов функции преобразования можно воспользоваться методом наименьших квадратов:
Задача 3. Определение характеристик дополнительной погрешности средства измерений по нормированной функции влияния
Для датчика силы, используемого в диапазоне температур от Тmin до Тmax нормирована функция влияния Ψ(t) = S %/°С. Нормальное значение температуры +20°С. Определить предельное значение γtmax, математическое ожидание М(γt) и среднее квадратическое отклонение σ(γt) дополнительной погрешности в заданном интервале температуры.
| Вариант | 1 | 2 | 3 | 4 | 5 | 6 | 7 | 8 | 9 | 10 |
| Тmin,°С | -50 | 0 | +5 | -40 | -75 | -50 | 0 | +5 | -40 | -75 |
| Тmax,°С | +50 | +100 | +65 | +80 | +125 | +50 | +100 | +65 | +80 | +125 |
| S,%/°С | 0,02 | 0,02 | 0,02 | 0,02 | 0,02 | 0,015 | 0,015 | 0,015 | 0,015 | 0,015 |
| Вариант | 11 | 12 | 13 | 14 | 15 | 16 | 17 | 18 | 19 | 20 |
| Тmin,°С | -50 | 0 | +5 | -40 | -75 | -50 | 0 | +5 | -40 | -75 |
| Тmax,°С | +50 | +100 | +65 | +80 | +125 | +50 | +100 | +65 | +80 | +125 |
| S,%/°С | 0,025 | 0,025 | 0,025 | 0,025 | 0,025 | 0,01 | 0,01 | 0,01 | 0,01 | 0,01 |
| Вариант | 21 | 22 | 23 | 24 | 25 | 26 | 27 | 28 | 29 | 30 |
| Тmin,°С | -50 | 0 | +5 | -40 | -75 | -50 | 0 | +5 | -40 | -75 |
| Тmax,°С | +50 | +100 | +65 | +80 | +125 | +50 | +100 | +65 | +80 | +125 |
| S,%/°С | 0,03 | 0,03 | 0,03 | 0,03 | 0,03 | 0,005 | 0,005 | 0,005 | 0,005 | 0,005 |
Задача 4. Выбор вольтметра для измерения с наибольшей точностью
Выберите из трех имеющихся вольтметр для измерения напряжения в интервале от Umin до Umax с наименьшей относительной погрешностью.
| Вариант | 1 | 2 | 3 | 4 | 5 | 6 | 7 | 8 | 9 | 10 | 11 | 12 | 13 | 14 | 15 | |
| №1 | Класс точности | 0,5 | ||||||||||||||
| Предел измерений, В | 20 | |||||||||||||||
| №2 | Класс точности | 1,0 | ||||||||||||||
| Предел измерений, В | 10 | |||||||||||||||
| №3 | Класс точности | 0,5/0,2 | ||||||||||||||
| Предел измерений, В | 15 | |||||||||||||||
| Umin, В | 2 | 3 | 4 | 5 | 6 | 5 | 4 | 3 | 2 | 2 | 3 | 4 | 5 | 6 | 7 | |
| Umax, В | 6 | 7 | 8 | 9 | 9 | 8 | 7 | 6 | 5 | 4 | 5 | 6 | 7 | 8 | 9 | |
| Вариант | 16 | 17 | 18 | 19 | 20 | 21 | 22 | 23 | 24 | 25 | 26 | 27 | 28 | 29 | 30 | |
| №1 | Класс точности 0,5 | |||||||||||||||
| Предел измерений 300 В | ||||||||||||||||
| №2 | Класс точности 1,0 | |||||||||||||||
| Предел измерений 200 В | ||||||||||||||||
| №3 | Класс точности 0,5/0,2 | |||||||||||||||
| Предел измерений 250 В | ||||||||||||||||
| Umin, В | 120 | 130 | 140 | 150 | 160 | 150 | 140 | 130 | 120 | 120 | 130 | 140 | 150 | 160 | 170 | |
| Umax, В | 160 | 170 | 180 | 190 | 190 | 180 | 170 | 160 | 150 | 140 | 150 | 160 | 170 | 180 | 190 | |
Задача 5. Оценка погрешности средства измерений в рабочих условиях
В паспорте электронного милливольтметра указаны следующие нормируемые метрологические характеристики и рабочие условия его применения:
- верхний предел измерений 300 мВ;
- основная приведенная погрешность прибора – γ,%;
- дополнительная погрешность, вызванная отклонением влияющей величины от ее нормального значения, не превышает:
0,6 основной погрешности на каждые 10°С изменения температуры;
0,6 основной погрешности на каждые 10% изменения напряжения питания;
1,0 основной погрешности на 1% изменения частоты питающего напряжения;
- рабочие условия эксплуатации милливольтметра:
температура окружающей среды от 10 до 35°С;
напряжение питания
В;
частота питающего напряжения 50±1 Гц;
- нормальные условия характеризуются значениями влияющих величин: температуры - 20°С, напряжения питания – 220 В, частоты питающего напряжения 50 Гц.
Определить предельную относительную погрешность милливольтметра в рабочих условиях при измерении напряжения U мВ.
| Вариант | 1 | 2 | 3 | 4 | 5 | 6 | 7 | 8 | 9 | 10 |
| γ,% | 0,5 | 0,5 | 0,5 | 0,5 | 0,5 | 0,5 | 0,5 | 0,5 | 0,5 | 0,5 |
| U, мВ | 120 | 150 | 160 | 180 | 200 | 210 | 220 | 230 | 240 | 250 |
| Вариант | 11 | 12 | 13 | 14 | 15 | 16 | 17 | 18 | 19 | 20 |
| γ,% | 1,0 | 1,0 | 1,0 | 1,0 | 1,0 | 1,0 | 1,0 | 1,0 | 1,0 | 1,0 |
| U, мВ | 120 | 150 | 160 | 180 | 200 | 210 | 220 | 230 | 240 | 250 |
| Вариант | 21 | 22 | 23 | 24 | 25 | 26 | 27 | 28 | 29 | 30 |
| γ,% | 1,5 | 1,5 | 1,5 | 1,5 | 1,5 | 1,5 | 1,5 | 1,5 | 1,5 | 1,5 |
| U, мВ | 120 | 150 | 160 | 180 | 200 | 210 | 220 | 230 | 240 | 250 |
Задача 6. Оценка погрешности результата многократных измерений
Варианты 1 – 10.
При многократном измерении тока получены значения в мА: 98, 100, 97, 101, 99, 102, 103. Определить доверительные границы для истинного значения измеряемой величины с вероятностью Р.
| Вариант | 1 | 2 | 3 | 4 | 5 | 6 | 7 | 8 | 9 | 10 |
| Р | 0,9 | 0,91 | 0,92 | 0,93 | 0,94 | 0,95 | 0,96 | 0,97 | 0,98 | 0,99 |
Варианты 11 - 20
При многократном измерении получены отклонения от настроенного размера ΔD в мкм: 0, +1, +2, +3, +1, -1. Определить доверительные границы для истинного значения измеряемой величины с вероятностью Р.
| Вариант | 11 | 12 | 13 | 14 | 15 | 16 | 17 | 18 | 19 | 20 |
| Р | 0,9 | 0,91 | 0,92 | 0,93 | 0,94 | 0,95 | 0,96 | 0,97 | 0,98 | 0,99 |
Варианты 21 - 30
При многократном измерении влажности воздуха получены значения 65, 64, 66, 65, 63, 64, 66, 67%. Определить доверительные границы для истинного значения измеряемой величины с вероятностью Р.
| Вариант | 21 | 22 | 23 | 24 | 25 | 26 | 27 | 28 | 29 | 30 |
| Р | 0,9 | 0,91 | 0,92 | 0,93 | 0,94 | 0,95 | 0,96 | 0,97 | 0,98 | 0,99 |
Примечания. 1. Результат многократных измерений представить в виде
Х - tpnσ(Х) ≤ Х ≤ Х+ tpnσ(Х), Р=0,хх.
2. Значения распределения Стьюдента выберите из таблицы
| Доверительная вероятность Р | Число измерений n | ||
| 6 | 7 | 8 | |
| 0,9 | 2,02 | 1,94 | 1,90 |
| 0,91 | 2,10 | 2,02 | 1,98 |
| 0,92 | 2,20 | 2,11 | 2,07 |
| 0,93 | 2,31 | 2,21 | 2,16 |
| 0,94 | 2,43 | 2,32 | 2,26 |
| 0,95 | 2,57 | 2,45 | 2,37 |
| 0,96 | 2,76 | 2,62 | 2,53 |
| 0,97 | 3,02 | 2,85 | 2,74 |
| 0,98 | 3,37 | 3,14 | 3,00 |
| 0,99 | 4,06 | 3,71 | 3,50 |
Задача 7. Оценка погрешности результата косвенных измерений
При косвенном измерении мощности в активной нагрузке Р = U²/ R получены значения сопротивления R ±1 Ом, напряжения U±3В. Определите предельные значения абсолютной и относительной погрешности результата измерений мощности. Задачу решите двумя способами:
а) сложением (с учетом коэффициентов влияния) относительных погрешностей прямых измерений сопротивления и напряжения, после чего рассчитывается предел абсолютной погрешности результата измерений;
б) расчетом предельных значений мощности по уравнению косвенных измерений: Pmax = U²max/Rmin, Pmin = U²min/Rmax, и предела абсолютной погрешности результата измерения ΔP = ±( Pmax – Pmin)/2, после чего определяется относительная погрешность.
Сравните полученные двумя способами результаты.
| Вариант | 1 | 2 | 3 | 4 | 5 | 6 | 7 | 8 | 9 | 10 |
| R, Ом | 150 | 150 | 150 | 150 | 150 | 150 | 150 | 150 | 150 | 150 |
| U, В | 120 | 150 | 160 | 180 | 200 | 210 | 220 | 230 | 240 | 250 |
| Вариант | 11 | 12 | 13 | 14 | 15 | 16 | 17 | 18 | 19 | 20 |
| R, Ом | 100 | 100 | 100 | 100 | 100 | 100 | 100 | 100 | 100 | 100 |
| U, В | 120 | 150 | 160 | 180 | 200 | 210 | 220 | 230 | 240 | 250 |
| Вариант | 21 | 22 | 23 | 24 | 25 | 26 | 27 | 28 | 29 | 30 |
| R, Ом | 50 | 50 | 50 | 50 | 50 | 50 | 50 | 50 | 50 | 50 |
| U, В | 120 | 150 | 160 | 180 | 200 | 210 | 220 | 230 | 240 | 250 |
Пример выполнения контрольной работы
Задача 1. Для измерительного прибора нормированы характеристики основной погрешности по ГОСТ 8.009-84: предел допускаемых значений систематической составляющей погрешности γс=±1%, предел среднего квадратического отклонения случайной составляющей погрешности σ=0,5%, предел допускаемой вариации Н=1%. Определите границы интервала значений основной погрешности измерительного прибора, в котором она находится с доверительной вероятностью Р=0,95.
Для определения доверительных границ основной погрешности применим метод рандомизации в отношении систематической составляющей погрешности и вариации, приняв их случайными величинами с равномерным законом распределения. Тогда
γо =
±1,6%
Задача 2. Постройте график и определите коэффициенты функции преобразования измерительного преобразователя вида U=Sx+b по данным, полученным при его градуировке. Постройте графики зависимости абсолютной и относительной погрешности от входной величины х.
| х | 0 | 0,1 | 0,2 | 0,3 | 0,4 | 0,5 | 0,6 | 0,7 | 0,8 | 0,9 | 1,0 |
| U | 2,0 | 1,5 | 1,0 | -1,2 | -3,2 | -4,1 | -5,0 | -5,5 | -6,6 | -8,5 | -9,0 |
Коэффициенты S и b определяем методом наименьших квадратов. Для расчета коэффициентов функции преобразования измерительного преобразователя составляем таблицу
| i | 1 | 2 | 3 | 4 | 5 | 6 | 7 | 8 | 9 | 10 | 11 | Σ |
|
| 0 | 0,1 | 0,2 | 0,3 | 0,4 | 0,5 | 0,6 | 0,7 | 0,8 | 0,9 | 1,0 | 5,5 |
|
| 2,0 | 1,5 | 1,0 | -1,2 | -3,2 | -4,1 | -5,0 | -5,5 | -6,6 | -8,5 | -9,0 | -38,6 |
|
| 0 | 0,01 | 0,04 | 0,09 | 0,16 | 0,25 | 0,36 | 0,49 | 0,64 | 0,81 | 1,0 | 3,85 |
|
| 0 | 0,15 | 0,2 | -0,36 | -1,28 | -2,05 | -3 | -3,85 | -5,28 | -7,65 | -9 | -32,12 |
Погрешность измерительного преобразователя (по выходу) определяем, как отклонения значений выходного сигнала в каждой точке диапазона измерений от значений, рассчитанных по функции преобразования:
;
.
Для расчета значений погрешностей составляем таблицу
| i | 1 | 2 | 3 | 4 | 5 | 6 | 7 | 8 | 9 | 10 | 11 |
|
| 0 | 0,1 | 0,2 | 0,3 | 0,4 | 0,5 | 0,6 | 0,7 | 0,8 | 0,9 | 1,0 |
|
| 2,34 | 1,17 | 0,0008 | -1,17 | -2,34 | -3,508 | -4,677 | -5,847 | -7,017 | -8,186 | -9,356 |
|
| 2,0 | 1,5 | 1,0 | -1,2 | -3,2 | -4,1 | -5,0 | -5,5 | -6,6 | -8,5 | -9,0 |
| Δi | -0,34 | 0,33 | 1 | -0,03 | -0,86 | -0,6 | -0,32 | 0,35 | 0,42 | -0,31 | 0,36 |
| δi | -0,14 | 0,28 | 1250 | 0,026 | 0,4 | 0,17 | 0,07 | -0,06 | -0,06 | 0,04 | -0,04 |
Зависимость абсолютной и относительной погрешности от входной величины х представим графически (относительная погрешность в точке 3 показана условно).
Задача 3. Для датчика силы, используемого в диапазоне температур от Тmin до Тmax нормирована функция влияния Ψ(t) = 0,05 %/°С. Нормальное значение температуры +20°С. Определить предельное значение γtmax, математическое ожидание М(γt) и среднее квадратическое отклонение σ(γt) дополнительной погрешности в заданном интервале температуры: Тmin = - 60°С, Тmax = +150°С.
Предельное значение дополнительной погрешности в диапазоне температур определяем по формуле
γtmax = Ψ(t) (Тmax – Тну) = 0,05(150-20) = 6,5%.
Математическое ожидание дополнительной погрешности в диапазоне температур определяем по той же формуле, заменив Тmax значением математического ожидания температуры М(t) = ( Тmax + Тmin)/2 = (150 – 60)/2 = 45°С.
М(γt) = Ψ(t) (М(t) – Тну) = 0,05(45 - 20) = 1,25%
Среднее квадратическое отклонение σ(γt) дополнительной погрешности в заданном интервале температуры определяем по формуле
,
где D(t) – дисперсия значений температуры в заданном интервале. Приняв температуру в заданном интервале случайной величиной с равномерным законом распределения, определяем
D(t) = ( Тmax - Тmin)²/12 = (150 + 60)²/12 = 3675 (°С)².
Проведя вычисления, получим
Задача 4. Выберите из трех имеющихся вольтметр для измерения напряжения в интервале от Umin = 24 В до Umax = 28 В с наименьшей относительной погрешностью.
| Вольтметр №1 | Класс точности 0,5 |
| Предел измерений 60 В | |
| Вольтметр №2 | Класс точности 1,0 |
| Предел измерений 30 В | |
| Вольтметр №3 | Класс точности 0,5/0,2 |
| Предел измерений 50 В |
Для вольтметров №1 и №2, класс точности которых нормирован в виде приведенных погрешностей, пределы допускаемой абсолютной погрешности будут постоянны во всем диапазоне измерений: Δ =
. Тогда относительную погрешность измерения напряжения можно определить по формуле δ =
.
Для вольтметра №3 относительную погрешность измерения напряжения определим по формуле δ = 0,5 + 0,2 (
). Произведя вычисления, получим:
| U = 24 В | U = 28 В | |
| Вольтметр №1 | δ =0,5 | δ =0,5 |
| Вольтметр №2 | δ =1,0 | δ =1,0 |
| Вольтметр №3 | δ =0,5+0,2( | δ =0,5+0,2( |
Наименьшей относительной погрешностью при измерении напряжения в интервале от Umin = 24 В до Umax = 28 В обладает вольтметр №3.
Задача 5. В паспорте электронного милливольтметра указаны следующие нормируемые метрологические характеристики и рабочие условия его применения:
- верхний предел измерений 300 мВ;
- основная приведенная погрешность прибора – γ = 0,2%;
- дополнительная погрешность, вызванная отклонением влияющей величины от ее нормального значения, не превышает:
0,6 основной погрешности на каждые 10°С изменения температуры;
0,6 основной погрешности на каждые 10% изменения напряжения питания;
1,0 основной погрешности на 1% изменения частоты питающего напряжения;
- рабочие условия эксплуатации милливольтметра:
температура окружающей среды от 10 до 35°С;
напряжение питания
В;
частота питающего напряжения 50±1 Гц;
- нормальные условия характеризуются значениями влияющих величин: температуры - 20°С, напряжения питания – 220 В, частоты питающего напряжения 50 Гц.
Определить предельную относительную погрешность милливольтметра в рабочих условиях при измерении напряжения 100 мВ.
Предельную относительную погрешность милливольтметра в рабочих условиях при измерении напряжения 100 мВ определим как сумму предельных значений основной и дополнительных относительных погрешностей по формуле
Рассчитаем значения составляющих погрешности.
;
0,54%;
;
Подставляя расчетные значения, получим
≈ 1,5%
Задача 6. При многократном измерении тока получены значения в мА:10,09; 10,12; 10,15; 10,11; 10,13; 10,08; 10,16. Определить доверительные границы для истинного значения измеряемой величины с вероятностью Р = 0,95 (t = 2,45).
За результат измерений принимаем среднее из полученных значений тока: I = 10,12 мА.
Среднее квадратическое отклонение результата измерений (среднего) находим по формуле
мА.
Доверительные границы погрешности результата измерений
Δ = ±tσ = ±2,45∙0,0111≈ ±0,03 мА
Доверительные границы для истинного значения измеряемой величины представим в виде: 10,09 ≤ I ≤ 10,15; Р = 0,95.
Задача 7. При косвенном измерении мощности в активной нагрузке Р = U²/R получены значения сопротивления R = 200±1Ом, напряжения U = 100±3В. Определить предельные значения абсолютной и относительной погрешности результата измерений мощности.
Результат измерений определяем по исходной зависимости
Для оценки погрешности измерения проведем линеаризацию функции:
lnР = 2lnU- lnR.
Тогда относительная погрешность измерения мощности δР = 2 δU+δR
Вычисляем относительную погрешность δР = ± (2
) 100 = ±6,5%
Абсолютная погрешность результата измерений
ΔР = ±
Вт.
Применим другой способ определения погрешности результата измерений.
Абсолютная погрешность результата измерений
ΔР=±
, где
,
.
ΔР=±
3,25 Вт.
Относительная погрешность
δР=±
Полученные двумя способами оценки погрешности идентичны.
Лабораторные работы
Лабораторная работа №1
Методы ИЗМЕРЕНИя НАПРЯЖЕНИЯ И СИЛЫ ТОКА В ЭЛЕКТРИЧЕСКИХ ЦЕПЯХ
Цель работы - изучение основных методов и средств измерения напряжения и силы тока в электрических цепях и получение навыков их практического использования.
Измерение - это последовательность экспериментальных и вычислительных операций, осуществляемая с целью нахождения значения физической величины, характеризующей некоторый объект или явление.
Измерение завершается оценкой степени достижения цели, то есть определением степени приближения найденного значения к истинному значению величины.
По способу получения числового значения измеряемой величины измерения делят на прямые, косвенные, совокупные и совместные.
Прямым измерением называется измерение, при котором искомое значение величины находят непосредственно из данных эксперимента. Например, измерение длины линейкой, силы тока и напряжения амперметром и вольтметром соответственно.
Косвенными измерениями называют такие измерения, в которых исследуемая величина не измеряется непосредственно, а ее значение вычисляется по определенной математической зависимости, связывающей ее с другими величинами, значения которых получают прямым измерением. Например, определение количества тепла
на резисторе по результатам прямых измерений величин
:
.
Совокупными измерениями называют измерения нескольких одноименных величин, производимые одновременно, при которых искомые значения величины находят решением системы уравнений, получаемых при прямых измерениях различных сочетаний этих величин.
Совместными измерениями называют производимые одновременно измерения двух или нескольких не одноименных величин для нахождения зависимости между ними.
Методы прямых измерений можно разделить на две группы: методы непосредственной оценки и методы сравнения с мерой.
Метод непосредственной оценки - метод измерений, при котором значение физической величины определяют непосредственно по отсчетному устройству прибора прямого действия.
Метод сравнения с мерой - метод измерений, при котором измеряемую величину сравнивают с величиной, воспроизводимой мерой. Например, измерение напряжения постоянного тока путем сравнения с ЭДС нормального элемента.
Есть несколько разновидностей метода сравнения с мерой. К ним относятся:
-
дифференциальный метод сравнения с мерой, при котором на измерительный прибор воздействует разность между измеряемой и известной величиной, воспроизводимой мерой;
-
нулевой метод - метод сравнения с мерой, в котором результирующий эффект воздействия на прибор сравнения доводят до нуля;
-
замещения - метод сравнения с мерой, в котором измеряемую величину замещают величиной, воспроизводимой мерой.
Ток и напряжение являются наиболее распространенными электрическими величинами, характеризующими режим электрической цепи. Измерители тока и напряжения независимо от их назначения должны при включении не нарушать режима работы цепи измеряемого объекта, обеспечивать малую погрешность измерений, высокую чувствительность и высокую надежность.
Измерение напряжения и тока выполняют методами непосредственной оценки и сравнения. Если необходимая точность измерения может быть обеспечена амперметрами и вольтметрами электромеханической группы, то следует предпочесть метод непосредственного отсчета. Если необходимо измерять с более высокой точностью, следует использовать приборы, действие которых основано на методах сравнения.
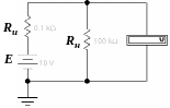
При использовании метода непосредственной оценки амперметр подключают последовательно, а вольтметр - параллельно исследуемому участку цепи. Включение амперметра и вольтметра в исследуемую цепь изменяет измеряемую величину. Это вызвано тем, что сопротивление амперметра не равно нулю, а вольтметра - не равно бесконечности. Схема подключения амперметра при непосредственной оценке показана на рис. 1, где
- источник ЭДС с внутренним сопротивлением
,
- сопротивление нагрузки.
Рис.1. Схема подключения амперметра при непосредственной оценке
Пусть требуется измерить ток в цепи, обладающей сопротивлением нагрузки
. Действительное (истинное) значение тока
в этой цепи будет:
После включения амперметра, имеющего внутреннее сопротивление
, ток в цепи изменится и станет равным
и амперметр покажет именно это значение тока.
Погрешность измерения в этом случае будет обусловлена внутренним сопротивлением амперметра (часто ее называют погрешностью согласования) и равна:
Как видно из приведенной формулы, погрешность измерения будет тем меньше, чем меньше
. Этим и объясняется стремление иметь амперметр с возможно меньшим внутренним сопротивлением.
После включения вольтметра (при непосредственной оценке), имеющего внутреннее сопротивление
(рис. 2), напряжение на зажимах будет равно:
Рис. 2. Схема подключения вольтметра при непосредственной оценке
Если учесть, что напряжение на нагрузочном сопротивлении до подключения вольтметра было
,
то погрешность измерения будет равна
Погрешность тем меньше, чем больше сопротивление
. Этим объясняется стремление иметь вольтметр с возможно большим внутренним сопротивлением.
На рис. 3 показана схема нулевого метода измерения напряжения.
Рис. 3. Схема нулевого метода измерения напряжения
В этой схеме вольтметр
служит для измерения разностного напряжения
между измеряемым
и известным компенсационным напряжением
, то есть выполняет функции прибора сравнения. Вольтметр
используется для регистрации напряжения
. После уравновешивания схемы резистором
до достижения
≈ 0, измеряемое напряжение
определяется как
Если внутреннее сопротивление вольтметра
достаточно велико, то можно записать
Схема нулевого метода измерения тока показана на рис. 4.
Рис. 4. Схема нулевого метода измерения тока
В схеме осуществляется компенсация измеряемого тока
компенсирующим
, вызванным опорным источником ЭДС
. Индикатором компенсации тока (прибором сравнения) служит вольтметр
. Значение измеряемого тока
после уравновешивания схемы резистором
до достижения показания вольтметра, близкого к нулю UV ≈ 0
, определяют по показаниям амперметра:
Порядок выполнения работы
-
Собрать схему рис. 1.
. Установить Е,
и
(по вариантам)
| Вариант | 1 | 2 | 3 | 4 | 5 | 6 | 7 | 8 | 9 | 0 |
| Е, В | 10,1 | 10,2 | 10,3 | 10,4 | 10,5 | 10,6 | 10,7 | 10,8 | 10,9 | 11,0 |
|
| 11 | 12 | 13 | 14 | 15 | 16 | 17 | 18 | 19 | 20 |
|
| 1,1 | 1,2 | 1,3 | 1,4 | 1,5 | 1,6 | 1,7 | 1,8 | 1,9 | 2,0 |
| Вариант | 1 | 2 | 3 | 4 | 5 | 6 | 7 | 8 | 9 | 0 |
| Е, В | 10,1 | 10,2 | 10,3 | 10,4 | 10,5 | 10,6 | 10,7 | 10,8 | 10,9 | 11,0 |
|
| 110 | 120 | 130 | 140 | 150 | 160 | 170 | 180 | 190 | 200 |
|
| 101 | 102 | 103 | 104 | 105 | 106 | 107 | 108 | 109 | 200 |
Измерить значение тока в цепи, созданного источником ЭДС Е с внутренним сопротивлением
. Рассчитать значение тока Iр и сравнить с показанием амперметра.
-
Рассчитать действительное (истинное) значение тока
и погрешность измерения тока γА. -
Установить внутреннее сопротивление амперметра RA = 1 Ом и повторить операции по п.п. 2-3.
-
Собрать схему рис. 2.
. Установить Е,
и
по вариантам -
Измерить значение напряжения в цепи. Рассчитать значение напряжения Uр и сравнить с показанием вольтметра.
-
Рассчитать действительное (истинное) значение напряжения Uи и погрешность измерения напряжения γВ.
-
Установить внутреннее сопротивление вольтметра RV = 200 кОм и повторить операции по п.п. 6-7.
-
Собрать схему рис.3.
.
= 10 В.
= 1 кОм. Установить Ех по вариантам
| Вариант | 1 | 2 | 3 | 4 | 5 | 6 | 7 | 8 | 9 | 0 |
| Ех, В | 1,1 | 2,2 | 3,3 | 4,4 | 5,5 | 4,6 | 3,7 | 2,8 | 1,9 | 2,0 |
-
Уравновесить схему резистором
до достижения
. -
Рассчитать погрешность измерения напряжения нулевым методом по формуле
.
-
Собрать схему рис.4.
,
.
= 50 В.
= 1 кОм. Установить
по вариантам
| Вариант | 1 | 2 | 3 | 4 | 5 | 6 | 7 | 8 | 9 | 0 |
|
| 111,1 | 122,2 | 133,3 | 144,4 | 155,5 | 146,6 | 137,7 | 128,8 | 119,9 | 123,4 |
-
Уравновесить схему резистором
до достижения UV ≈ 0. -
Рассчитать погрешность измерения тока компенсационным методом по формуле
.
-
Оформить отчет, включающий:
наименование работы;
цель работы;
задание на выполнение работы (вариант);
экспериментальную часть (результаты измерений, представленные в виде распечаток схем измерений с включенными приборами);
аналитическую часть (расчетные значения измеряемых величин и погрешностей);
выводы (оценка результатов выполненной работы).
ЛАБОРАТОРНАЯ РАБОТА №2
Методы ИЗМЕРЕНИя АКТИВНОГО СОПРОТИВЛЕНИЯ
Цель работы - изучение основных методов измерения активных сопротивлений в электрических цепях постоянного тока.
В настоящее время диапазон измеряемых значений активных сопротивлений лежит в пределах от 10-10 до 1017 Ом и постоянно расширяется. Для измерений в столь широком диапазоне используют различные методы измерений, позволяющие прямо или косвенно находить значение неизвестных сопротивлений. Выбор того или иного метода измерения зависит как от значения измеряемого сопротивления, так и от требуемой точности.
Рассмотрим эти методы.
Косвенные методы измерения активного сопротивления
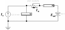
Метод амперметра. Данный метод пригоден для измерения сопротивлений не более 103 Ом (рис.1)
Рис. 1. Метод амперметра
Для определения значения
по данному методу выполняют два измерения:
-
первое - ключ
разомкнут. Амперметр покажет ток
, который может быть найден как
,
где
- внутреннее сопротивление амперметра и балластное сопротивление;
-
второе - ключ
замкнут. Сопротивление амперметра
шунтируется измеряемым сопротивлением
и амперметр покажет ток
Зная внутреннее сопротивление амперметра
, определим
.
Метод вольтметра. При измерении сопротивлений порядка от103 до 106 Ом можно воспользоваться данным методом (рис. 2).
Рис. 2. Метод вольтметра
В этом случае также производят два отсчета по вольтметру.
Первый отсчет - ключ
замкнут и вольтметр показывает напряжение
.
Второй отсчет - ключ
разомкнут и сопротивление
оказывается включенным как добавочное сопротивление по отношению к вольтметру. Значение показаний второго отсчета будет:
,
где
- внутреннее сопротивление вольтметра.
Тогда из последнего выражения
При измерениях по методу одного прибора необходимо обеспечить постоянство напряжения опорного источника ЭДС
. Кроме того, внутреннее сопротивление источника ЭДС должно быть пренебрежимо мало.
Метод двух приборов (метод амперметра - вольтметра)
Данный метод получил широкое распространение. Возможные варианты включения приборов по данному методу показаны на рис. 3.
Рис. 3. Метод амперметра - вольтметра
При измерении сопротивления по схеме рис.3 а приборы будут показывать:
и
При измерениях по схеме рис. 3 б приборы будут показывать:
;
,
где
- падение напряжения на амперметре.
Значение сопротивления можно определить, используя измеренные значения тока и напряжения, по закону Ома согласно выражению
Однако при этом возникает методическая погрешность измерения сопротивления (то есть погрешность, обусловленная методом измерения) вследствие шунтирующего влияния сопротивления вольтметра при измерении тока в первой схеме (рис. 3а) и влияния внутреннего сопротивления амперметра при измерении напряжения во второй схеме (рис. 3б).
Измеренное значение сопротивления по схеме рис. 3а будет определяться выражением
При этом абсолютная погрешность измерения
:
,
а относительная погрешность
Из приведенных формул следует, что погрешность тем меньше, чем больше RV, т.е. RV >>Rx.
Измеренное значение сопротивления по схеме рис. 3б
Абсолютная погрешность измерения
,
а относительная погрешность
.
Отсюда следует, что погрешность тем меньше, чем меньше
, т.е.
.
Таким образом, схему на рис. 3а следует использовать при измерениях малых сопротивлений (
), а схему на рис. 3б - при измерениях больших сопротивлений (
).
Измерения активного сопротивления методом сравнения с мерой
При измерении методом сравнения с мерой измеряемое сопротивление можно включить последовательно (рис. 4,а) или параллельно с образцовым сопротивлением
(рис. 4,б).
Рис. 4. Измерение сопротивления методом сравнения с образцовым сопротивлением
Образцовое сопротивление
выбирается близким по значению к измеряемому сопротивлению
. В процессе измерения ток
, протекающий по сопротивлениям
и
должен оставаться неизменным. В положении 1 (рис. 4а) переключателя К измеряют напряжение
:
.
В положении 2 измеряют напряжение
.
Разделив данные выражения
,
определим величину
.
Если сопротивления
и
и соединены параллельно (рис. 4 б), то токи
и
, протекающие по ним, можно определить как
;
.
Откуда
и
.
В этом случае для определения
необходимо измерить токи
и
с помощью амперметров
и
. Для получения пренебрежимо малых погрешностей необходимо, чтобы сопротивление амперметров, включенных в ветви
и
, были несоизмеримо малы по сравнению с
и
.
Схема на рис. 4а используется в случае измерения малых значений
, а на рис. 4б. - при больших значениях
.
Мостовая схема измерения сопротивления (нулевой метод измерения)
Мостовая схема измерения представляет наибольший интерес вследствие обеспечения высокой точности измерения. Мостовая схема измерения представлена на рис. 5.
Рис. 5. Мостовая схема измерения сопротивления
Нулевой метод измерения сопротивления с помощью уравновешенного моста основан на изменении сопротивления
до установления равновесия схемы, характеризуемого равенством нулю показаний вольтметра. При монтаже схемы резисторы
и
выбираются равными с очень высокой точностью. При равновесии схемы (
) справедливо следующее равенство
.
Откуда
.
Порядок выполнения работы
Значения измеряемого сопротивления
во всех схемах данной лабораторной работы устанавливаются по вариантам, приведенным в таблице
| Вариант | 1 | 2 | 3 | 4 | 5 | 6 | 7 | 8 | 9 | 0 | |
|
кОм | Рис.1 | 0,11 | 0,12 | 0,13 | 0,14 | 0,15 | 0,16 | 0,17 | 0,18 | 0,19 | 0,20 |
| Рис.2 | 101 | 102 | 103 | 104 | 105 | 106 | 107 | 108 | 109 | 110 | |
| Рис.3а,3б | 0,11 | 0,12 | 0,13 | 0,14 | 0,15 | 0,16 | 0,17 | 0,18 | 0,19 | 0,20 | |
| Рис.4а,4б,5 | 1,01 | 1,02 | 1,03 | 1,04 | 1,05 | 1,06 | 1,07 | 1,08 | 1,09 | 1,10 | |
-
Собрать схему рис.1
,
,
. -
Зарегистрировать показания амперметра при замкнутом и разомкнутом положении ключа К.
-
Рассчитать значение сопротивления
. -
Вычислить относительную погрешность измерения по формуле
,
где
- установленное на схеме значение неизвестного сопротивления;
- значение сопротивления, полученное в п.3.
-
Собрать схему рис. 2.
,
. -
Зарегистрировать показания вольтметра при замкнутом и разомкнутом положении ключа К.
-
Повторить операции по п.п. 3-4.
-
Собрать схемы рис. 3.
,
,
. -
Включить схему и записать показания амперметров и вольтметров.
-
Рассчитать значения сопротивлений
и погрешности измерений по формулам, приведенным в описании схем 3а и 3б. -
Собрать схемы рис. 4.
,
,
,
= 1 кОм.
-
Произвести измерение токов и напряжений.
-
Рассчитать значения сопротивлений по формулам, приведенным в описании схем 4а и 4б.
-
Рассчитать погрешности расчета
по формуле, приведенной в п. 4. -
Собрать схему рис. 5.
-
Уравновесить схему резистором
до достижения показаний вольтметра, равного нулю, при
,
,
= 1,5 кОм,
=
= 1 кОм. Рассчитать значение
. -
Вычислить погрешность расчета
по формуле, приведенной в п. 4. -
Оформить отчет, включающий:
наименование работы;
цель работы;
0>
. Установить Е,
. Установить Е,
.
, который может быть найден как
,
,
,
,















