47522 (597341)
Текст из файла
Полтавський Військовий Інститут Зв’язку
Кафедра схемотехніки радіоелектронних систем
ЛЕКЦІЯ
з навчальної дисципліни
ОБЧИСЛЮВАЛЬНА ТЕХНІКА ТА МІКРОПРОЦЕСОРИ
напрям підготовки 0924 «Телекомунікації»
Лічильники.
Полтава – 2006
Навчальна література.
-
Тиртишніков О.І., Корж Ю.М. Обчислювальна техніка та мікропроцесори. Частина 2. Цифрові автомати: Навчальний посібник. – Полтава: ПВІЗ, 2006, с. 54 -- 62.
-
Калабеков Б.А., Мамзелев И.А. Цифровые устройства и микропроцессорные системы. М.: Радио и связь, 1987.
ЗМІСТ ЛЕКЦІЇ ТА МЕТОДИКА ІЇ ВИКЛАДЕННЯ
1. Загальні відомості. Класифікація лічильників.
Лічильником називають послідовнісний ЦА, що забезпечує збереження кодового слова і виконання над ним операції рахування. Операція рахування полягає у зміні значення числа С у лічильнику на задану константу (частіше за все на одиницю).
Основним параметром лічильника є модуль рахування М (інша назва – ємність), тобто максимальне число імпульсів, що може бути перелічене лічильником. Лічильник, що має n двійкових розрядів, може знаходитися у
станах. При надходженні на вхід додаючого лічильника 2n-го імпульсу, він переходить із стану 2n-1 у стан 0. Таким чином, n-розрядний додаючий двійковий лічильник має модуль рахування М = 2n.
Лічильники характеризуються також швидкодією, що визначається припустимою частотою вхідних сигналів (імпульсів) і часом встановлення стану лічильника. Реалізовуються лічильники частіше за все на Т- або
JK-тригерах.
Лічильники класифікують за різними ознаками.
1. За напрямком рахування: лічильник, що реалізовує мікрооперацію С: = С + 1 (інкрементацію) називають додаючим, а той, що виконує мікрооперацію С: = С - 1 (декрементацію) - віднімаючим. Лічильник називається реверсивним, якщо може реалізувати рахування в обох напрямках.
2. За способом організації схеми переносу (за способом з'єднання тригерів між собою, тобто способом передавання сигналу з молодшого розряду до старшого) лічильники можуть бути з послідовним переносом, з паралельним переносом, з наскрізним переносом та з комбінованим переносом.
3. У залежності від наявності синхронізації: лічильники можуть бути синхронні та асинхронні.
4. За способом кодування внутрішніх станів лічильника розрізняють двійкові лічильники, лічильники Джонсона, лічильники з кодом «1 із N» та інші.
Лічильники застосовуються у пристроях фазової корекції, у цифрових вимірювальних приладах, у перетворювачах циклів та інших вузлах засобів зв'язку.
2. Додаючи та віднімаючи лічильники.
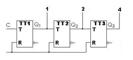
С хема та УГП трирозрядного додаючого двійкового лічильника із послідовним переносом зображені на рис. 1.
Р
ис.1 Трирозрядний двійковий додаючий лічильник із послідовним переносом.
Такий лічильник може реалізувати послідовність рахування від 0 до 23 – 1 = 7. Кожний стан відповідає трирозрядному двійковому числу від 000 до 111. Початковий стан 000 встановлюється подачею імпульсу на вхід R усіх Т-тригерів одночасно. Тригери, з яких складається лічильник, побудовані таким чином, що вони переходять у протилежний стан за умовою наявності на вході зміни рівня вхідної напруги з 1 на 0, тобто при проходженні заднього фронту вхідного імпульсу. Принцип роботи лічильника пояснюється часовою діаграмою сигналів на його виходах, поєднаною з таблицею переходів, як показано на рис. 2.
Рис.2. Часова діаграма роботи трирозрядного додаючого лічильника.
З надходженням першого імпульсу на вхід С тригер ТТ1 переходить у стан 1 (Q1 = 1). На входах тригерів ТТ2 і ТТ3 не відбувається зміна рівнів вхідної напруги з 1 на 0, ці тригери зберігають свій стан незмінним. У лічильнику записане число 001. З приходом другого імпульсу тригер 1 переходить у стан 0, тригер 2 – у стан 1. Тригер 3 зберігає свій стан незмінним. У лічильнику записане тепер число 010. Тригер 3 перейде до стану 1 лише при надходженні на лічильний вхід четвертого імпульсу.
До моменту приходу восьмого імпульсу на виходах тригерів Q1, Q2, Q3 буде встановлений рівень 1. По закінченні його дії всі тригери лічильника перейдуть у стан 0. Лічильник тепер готовий рахувати нову імпульсну послідовність з восьми імпульсів.
З рис. 2 видно, що частота проходження імпульсів на виході першого тригера удвічі менша, ніж на вході С, на виході другого тригера – у 4 рази, на виході третього – у 8 разів, тобто кожний тригер лічильника зменшує частоту проходження імпульсів удвічі. Ця властивість лічильників і обумовила можливість їхнього застосування у якості дільників частоти проходження імпульсів на число 2n, тобто, використовуючи лічильник, можна одержати з однієї імпульсної послідовності декілька синхронізованих послідовностей кратних частот, необхідних, наприклад, для погодженого управління (тактування) вузлів ЕОМ у цілому.
Схема трирозрядного віднімаючого двійкового лічильника, яка подана на рис. 3, відрізняється від розглянутої схеми додаючого лічильника тим, що:
-
сигнал на вхід кожного наступного тригера подається не з прямого, а з інверсного виходу попереднього тригера;
замість входу RESET («Встановлення 0») присутній вхід SET («Встановлення 1») для забезпечення початкового стану 111. У такому лічильнику з надходженням кожного імпульсу на вхід С відбувається зменшення записаного числа на 1. Після надходження восьмого імпульсу в лічильнику встановлюється початковий стан 111.
ПРИМІТКА: побудова часових діаграм сигналів на виходах віднімаючого лічильника, запис таблиці переходів і їх аналіз рекомендується у якості завдання курсантам для самостійної роботи.
Рис.3. Трирозрядний двійковий додаючий лічильник із послідовним переносом.
3. Реверсивний лічильник.
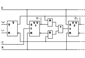
Для перетворення схеми реверсивного лічильника у схему додаючого або віднімаючого лічильника, у міжрозрядні кола переносу необхідно додати логічні елементи, що дозволяють робити переключення запуску кожного наступного тригера з прямого або з інверсного виходу попереднього тригера. На рис. 4 зображена схема реверсивного лічильника з керуючим RS-тригером.
При встановленні керуючого RS-тригера у стан 1 (подачею імпульсу на вхід «+») відкриваються елементи ТА, через які до входів наступних тригерів підключаються прямі виходи попередніх. При цьому лічильник буде працювати як додаючий. Встановлення вихідного стану 000 в цьому випадку здійснюється подачею відповідного імпульсу на вхід S.
Р
ис.4. Схема двійкового реверсивного лічильника.
При встановленні керуючого RS-тригера у стан 1 (подачею імпульсу на вхід «+») відкриваються елементи ТА, через які до входів наступних тригерів підключаються прямі виходи попередніх. При цьому лічильник буде працювати як додаючий. Встановлення вихідного стана 000 здійснюється подачею відповідного імпульсу на вхід S схеми.
При встановленні RS-тригера у стан 0 (подачею імпульсу на вхід «-») відкриваються елементи ТА, через які до входів наступних тригерів підключаються інверсні виходи попередніх. Лічильник перейде до режиму «Віднімання». Встановлення вихідного стана 111 здійснюється подачею імпульсу встановлення на вхід R схеми. Елементи АБО в схемі реверсивного лічильника необхідні для розв'язки виходів комутуючих елементів ТА.
Більшість лічильників, що випускаються час промисловістю, є саме реверсивними.
Крім розглянутих двійкових лічильників існують лічильники з модулем рахування Кс 2n . З них частіше усього застосовуються лічильники, що рахують у десятковому коді або у двійково-десятковому (так звані декади). Найбільше поширеним кодом у цих лічильниках є двійковий код з ваговими коефіцієнтами 8421. Знаходять також застосування на практиці лічильники з програмованим модулем рахування.
4. Дільники частоти слідування імпульсів.
Дільник частоти – це пристрій, який при надходженні на його вхід періодичної імпульсної послідовності формує на виході таку ж послідовність, але з частотою повторення імпульсів, яка у визначене число разів Кд менша, ніж частота повторення імпульсів вхідної послідовності.
Як було розглянуто раніше, двійкові лічильники можуть бути використані у якості дільників частоти слідування імпульсів на 2n. На практиці часто потрібні дільники частоти імпульсів на числа, що не дорівнюють 2n. Можливі різні варіанти побудови таких дільників. Наприклад, аналізуючи роботу кільцевого регістра, розглянутого раніше, можна помітити, що частота появи імпульсів на будь-якому з його виходів, порівняно з частотою вхідних імпульсів, зменшується в ціле число разів m, що дорівнює кількості замкнутих у кільце тригерів регістра (Fвих1 = Fвх / m). Це означає, що кільцевий регістр є дільником частоти імпульсів з коефіцієнтом ділення Кд = m.
Характеристики
Тип файла документ
Документы такого типа открываются такими программами, как Microsoft Office Word на компьютерах Windows, Apple Pages на компьютерах Mac, Open Office - бесплатная альтернатива на различных платформах, в том числе Linux. Наиболее простым и современным решением будут Google документы, так как открываются онлайн без скачивания прямо в браузере на любой платформе. Существуют российские качественные аналоги, например от Яндекса.
Будьте внимательны на мобильных устройствах, так как там используются упрощённый функционал даже в официальном приложении от Microsoft, поэтому для просмотра скачивайте PDF-версию. А если нужно редактировать файл, то используйте оригинальный файл.
Файлы такого типа обычно разбиты на страницы, а текст может быть форматированным (жирный, курсив, выбор шрифта, таблицы и т.п.), а также в него можно добавлять изображения. Формат идеально подходит для рефератов, докладов и РПЗ курсовых проектов, которые необходимо распечатать. Кстати перед печатью также сохраняйте файл в PDF, так как принтер может начудить со шрифтами.















