47385 (597334), страница 2
Текст из файла (страница 2)
Рис. 4. Перетворювач натурального двійкового коду у код Грея
а) б)
Рис. 5. УГП перетворювачів кодів : а – загальне позначення,
б – позначення трирозрядного перетворювача натурального коду у код Грея
Можливість виявлення помилок за наявності додаткових бітів обумовлена тим, що для передачі інформації використовуються не всі можливі комбінації n-розрядного двійкового коду, а лише деяка частина з них. Дозволені комбінації вважаються безпомилковими, інші є забороненими. Поява заборонених комбінацій розглядається як помилка. Слід уявляти, що можливі такі помилки, за яких одна дозволена комбінація переходить у іншу. У цьому випадку помилки не виявляються.
Найпростішим поширеним кодом, стійким до завад, який використовується у мікропроцесорній техніці, є код з контролем на парність. У цьому коді до інформаційних бітів праворуч додається один контрольний біт. Якщо кількість одиниць в інформаційних бітах є парною, то значення контрольного біта дорівнює 0, у протилежному випадку – 1. Отже, у будь-якому випадку кількість одиниць у повній послідовності (кодовому слові з контрольним бітом) є парною. Якщо при перевірці після передачі кількість одиниць є непарною, то це означає, що відбулася помилка. Код із контролем на парність дозволяє виявляти всі помилки непарної кратності (у одному біту кодового слова) і не дозволяє виявляти помилки парної кратності (у двох бітах кодового слова одночасно).
Неважко помітити, що алгоритм отримання додаткового контрольного біту для n-розрядного паралельного кодового слова співпадає з логічною функцією „виключне АБО” n аргументів.
Схема отримання контрольного біта Р також може бути реалізована на суматорах за модулем 2 (елементах „виключне АБО” на 2 входи). У цьому разі схема будується за багатоярусним принципом: спочатку попарно додаються значення окремих розрядів кодового слова, потім отримані результати також попарно додаються за допомогою суматорів за модулем 2 другого ярусу і т.д., наприклад:
Багатоярусні схеми на суматорах за модулем 2 часто називають схемами згортки. На рис. 6 зображена схема отримання двійкового коду з контролем на парність, де схема згортки позначена прямокутником з написом 2k+1.
Рис. 6. Схема отримання двійкового коду з контролем на парність
Очевидно, що схема, яка перевіряє на парність прийняті кодові слова (схема контролю на парність), також являє собою логічний елемент „виключне АБО” n + 1 аргументів (з урахуванням контрольного біта), або багатоярусну схему на суматорах за модулем 2, яку часто називають схемою згортки.
Висновок: аналізуючи схеми перетворювачів кодів та схем контролю, які були розглянути вище, неважко помітити, що в більшості з них використовуються суматори за модулем 2, або схеми згортки, побудовані на основі цих суматорів.
Додатковий матеріал для самостійного вивчення: (Тиртишніков О.І., Корж Ю.М. Обчислювальна техніка та мікропроцесори. Частина 2. Цифрові автомати: Навчальний посібник. – Полтава: ПВІЗ, 2006, с. 25 – 28.
Іншим поширеним кодом є код Хеммінга, що виявляє і виправляє одноразові помилки. Кожній з 2n-1 ненульових комбінацій n-розрядного кодового слова відповідає комбінація з n + k бітів. Значення контрольних бітів отримують в результаті додавання за модулем 2 значень бітів у деяких визначених інформаційних розрядах. Із загальної кількості 2n+k-1 можливих помилок код Хеммінга може виявити та виправити 2k-1 помилок.
Припустимо, що треба передати або обробити 15 різних двійкових повідомлень. Без кодування для цього достатньо чотирьох інформаційних бітів (n = 4). Потрібну кількість додаткових контрольних бітів обчислюють за формулою 2k-1 = n + k. Звідки визначають кількість перевірних розрядів та кількість одноразових помилок, які можуть бути виявлені та виправлені. У цьому випадку кількість додаткових розрядів k = 3, а кількість одноразових помилок – 2k-1 = 7.
Контрольні біти ki розташовують у послідовності інформаційних бітів uj на позиціях із номерами 2i-1, як показано у табл. 5.
Таблиця 5
| Позиція | 1 | 2 | 3 | 4 | 5 | 6 | 7 |
| 001 | 010 | 011 | 100 | 101 | 110 | 111 | |
| Біт | k1 | k2 | u1 | k3 | u2 | u3 | u4 |
Значення перевірних бітів ki обчислюється додаванням за модулем 2 значень бітів, у двійковому виразі номерів яких наявна одиниця в i-му розряді. Відповідно, для обчислення значення k1 потрібно додати за модулем 2 значення бітів із непарними номерами:
.
Для визначення k2 треба додати за модулем 2 біти, у двійковому виразі номерів яких наявна одиниця у другому розряді, тобто:
.
Контрольний біт k3 визначається додаванням за модулем 2 бітів, у двійковому виразі номерів яких наявна одиниця у третьому розряді:
.
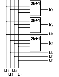
Схема перетворювача чотирирозрядних кодових слів у код Хеммінга зображена на рис. 7.
Визначення та виправлення помилок здійснюється k перевірками. При кожній перевірці додаються за модулем 2 біти прийнятої послідовності інформаційних та контрольних розрядів, двійкові номера яких мають одиницю в першому, другому і так далі розрядах. Якщо під час передавання не було збою, то результати всіх перевірок дорівнюють нулю. Якщо збій відбувся, то хоча б одна перевірка не дорівнює нулю. У цьому випадку треба сформувати кодову комбінацію з результатів перевірок, який вкаже на розряд, де відбувся збій (він має назву синдром). Молодший розряд коду результатів перевірок формує перша перевірка, старший – остання. Інверсія біта в розряді з одержаним номером виправить помилку.
Рис. 7. Схема перетворювача чотирирозрядних кодових слів в код Хеммінга
Наприклад, необхідно сформувати код Хеммінга, що виявляє та виправляє одноразові помилки у послідовності:
| 1 | 1 | 0 | 0 |
| u1 | u2 | u3 | u4 |
Відповідно,
Послідовність, що закодована кодом Хеммінга, буде мати вигляд:
| 0 | 1 | 1 | 1 | 1 | 0 | 0 |
| k1 | k2 | u1 | k3 | u2 | u3 | u4 |
Нехай після передачі відбувся збій в одному розряді і прийнята послідовність 0110100 (помилка в четвертому розряді – k3). Тоді перша та друга перевірки дадуть значення 0, а третя – 1:
Код 100, що створюють результати перевірок, вказує, що відбувся збій у четвертому розряді. Якщо проінвертувати четвертий розряд, то одержимо виправлену послідовність 0111100.
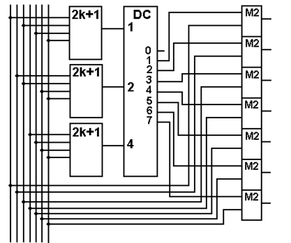
Із розглянутого прикладу видно, що схема пристрою контролю повинна містити такі складові частини: схеми згортки (елементи „виключне АБО”) відповідно кількості перевірок, що виконуються; дешифратор, який на основі отриманого синдрому керує інверсією помилкового розряду та елементів, що виконують саму інверсію. Така схема зображена на рис. 16 (схеми згортки позначені прямокутником з написом 2k + 1). У якості „керованих інверторів” у схемі використовуються суматори за модулем 2.
Вихідний код
k1k2u1k3u2u3u4
Рис. 16. Схема пристрою контролю















