175556 (596071), страница 9
Текст из файла (страница 9)
- Зачистная бригада может приступить к работе внутри резервуара в присутствии ответственного лица по зачистке только после получения оформленного акта-разрешения, подписанного комиссией в составе главного инженера (директора), инженера по технике безопасности (инспектора охраны труда), представителя товарного цеха и работника пожарной охраны.
- Контрольные анализы воздуха проводятся при перерывах в зачистных работах, обнаружении признаков поступления вредных паров в резервуар, изменении метеорологической обстановки. В случае увеличения концентрации вредных паров выше санитарных норм работы по зачистке прекращаются, рабочие выводятся из опасной зоны. Зачистку можно продолжать только после выявления причин увеличения концентрации паров, принятия мер по ее снижению до санитарных норм.
- Результаты анализа оформляются справкой
Результаты всех проведенных анализов паровоздушных смесей заносятся в журнал учета анализов концентрации паров углеводородов и других газов в резервуарах
- Зачищенный резервуар принимается от лица, ответственного за зачистку:
для заполнения нефтепродуктом — заместителем директора, начальником товарного цеха, инспектором по качеству, работником лаборатории или лицами, их замещающими. Прием должен быть оформлен актом.
3.2.3 Оборудование для обслуживания резервуаров
Установка обезвоживания нефтепродуктов УОН
Предназначена для отделения нефтепродуктов от воды и последующего удаления ее из рабочей зоны.
Таблица 3.3
Характеристики установки
| Напряжение питания | 380 |
| Установленная мощность, кВт | 12 |
| Пропускная способность, м3/час | до 24 |
| Давление на выходе, МПа | 10 - 15 |
| Температура рабочей жидкости, "С | 50 - 90 |
| Диаметр входного патрубка, мм | 50 |
| Масса не более, кг | 300 |
Для наружной очистки емкостей возможно применение щеток и др.
Для меньшего загрязнения, заводнения нефтепродуктов и соответственно емкости эффективно применять фильтры из пористых полимерных композиций, в виде примера можно рассмотреть фильтр из серии «АПРИС». По мере поглощения воды из нефтепродуктов внутри пористой структуры фильтрующего материала образуются крупные капли воды, которые под действием гравитации движутся внутри пористой структуры к нижней части фильтрэлемента. Если же под воздействием потока нефтепродукта капля воды оказывается вытолкнутой на наружную поверхность, то она не уносится потоком, а скользит по поверхности фильтрэлемента (как капли дождя по стеклу). По мере накопления капель в нижней части фильтрэлемента они стекают в отстойник.
Рис. 3.1 Принцип действия объемного фильтрэлемента
Кроме воды, фильтрэлементы «АПРИС» эффективно удаляют механические примеси благодаря своей пористой структуре. При этом средний размер пор значительно превышает размер задерживаемых частиц. Эффективная очистка обеспечивается объемностью фильтрматериала и большой извилистостью поровых каналов, то есть действует эффект лабиринта. В процессе фильтрации довольно большая часть механических частиц не задерживается на поверхности, а попадает вглубь фильтрующего материала, где в значительной степени подхватывается стекающими вниз каплями воды. В целом, наличие в очищаемом топливе небольшого количества воды и влажность самого фильтрэлемента благотворно сказываются на качестве удаления механических примесей. При этом происходит частичная регенерация фильтрэлемента от поглощаемых им в процессе работы механических примесей. Полная регенерация от механических примесей производится промывкой его в воде хозяйственным мылом и отжимом фильтрэлемента (без сушки), что позволяет проводить многократную регенерацию фильтрующих элементов.
При соблюдении всех норм и требований по обслуживанию емкостей и внедрении новых технологий, эти емкости будут служить долго.
4. КОНСТРУКТОРСКАЯ ЧАСТЬ
4.1 Описание разработанного приспособления
Механизация погрузочно-разгрузочных работ – один из важнейших резервов повышения экономической эффективности сельскохозяйственного производства.
Подъемник емкостей (бочек) установлен в маслоскладе и представляет из себя кран мостового типа (кран-балка). Сверху на колонны в маслоскладе устанавливаются рельсы длиной 10 метров, чтобы при подъезде машины к маслоскладу подъемник прямо с машины мог разгружать бочки с маслом. На рельсы устанавливаются колеса, которые между собой связаны ещё одним рельсом, по которому передвигается передвижная тележка. Колеса балки приводятся в движение с помощью электродвигателя через редуктор. Подъем и опускание бочек приводится вручную цепью через редуктор с помощью клещевых захватов, которые имеют С-образную форму и резиновые накладки на самих свободных концах.
При подъезде автомобиля передвигают балку к машине, подводят клещевые захваты и поднимают бочку. Передвигают бочку в склад и устанавливают в нужном месте.
4.2 Расчет подъемника
4.2.1 Исходные данные:
Грузоподъемность, Q = 0,3т
Пролет крана, Lк = 5,5м
Скорость передвижения, V = 0,6 м/с
Высота подъема, H = 3 м
Режим работы средний, управление с пола.
4.2.2 Определение размера ходовых колес
Размеры ходовых колес определяем по формуле:
Dк = 0,02 Rмах (4.1)
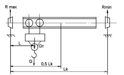
Максимальную нагрузку на колесо Rмах вычисляем при одном из крайних положений тали (см. рис. 4.1)
Рисунок 2 «Схема однобалочного крана с талью.»
По ГОСТ 19425-74 принимаем массу тали mт = 45 кг = 0,045т (её вес 450H) и длину
L = 400 мм. Массу кран выбираем приблизительно по прототипу mк = 0,6т (6 кН)
Для определения нагрузки Rмах пользуемся уравнением статики:
∑М2 = 0, или – Rмах ∙ Lк + (Gт + Gт) ∙ (Lr -1) + (Gr – lk) ∙ 0,5Lk = 0 (4.2)
Rмах = (3 + 0,45) ∙ (5,5 – 0,7) + (6 - 0,45) ∙ 0,5 ∙ 5,5 / 5,5 = 5,78 кН
При общем числе ходовых колес Zк = 4 нагрузка приходится на то колесо, вблизи которого расположена тележка.
Следовательно:
Dк = 0,02 5780 = 115,6 мм
Согласно ГОСТ 3569-74 выбираем двухребодное колесо диаметром Dк = 200мм.
Диаметр цапфы:
dц = Dк / (4…6) = (35…50)мм. Принимаем dц = 50 мм
Для изготовления колес используем сталь 45, способ термообработки – нормализация (НВ = 200). Колесо имеет цилиндрическую рабочую поверхность и катится по плоскому рельсу. При этом Dк ≤ 200 мм принимаем плоский рельс прямоугольного сечения, выбирая размеры (ширина рельса) по условию: а<в, при этом Dк ≤ 200 мм ширина поверхности сечения в=50мм. Принимаем а=40мм.
Рабочую поверхность контакта определяем по формуле:
b = а – 2R (4.3)
где R – радиус закругления колеса, R = 9 мм
b = 40 – 2 ∙ 9 = 22 мм
Коэффициент влияния скорости:
Кv = 1 + 0,2V (4.4)
Кv = 1 + 0,2 ∙ 0,6 = 1,12
Для стальных колес коэффициент пропорциональности λ = 190.
Предварительно выбранные ходовые колеса проверяем по контактным напряжениям.
При линейном контакте:
δ кл = λ1 ∙ 2 Кv ∙ Rмах / Dк ∙ 6 (4.5)
δ кл = 190 ∙ 2 ∙ 1,12 ∙ 5780 /200 ∙ 22 = 325,9 МПа
Поскольку, допустимые контактные напряжения для стального нормализованного колеса [δ кл] = 450 …500 МПа, то условие прочности выполняется.
4.2.3 Определение статистического сопротивления передвижению крана
Сопротивление передвижения определяем по формуле:
Wy =Wтр + Wук (4.6)
где Wтр – сопротивление от сил трения в ходовой части ;
Wук – сопротивление движению от возможного уклона пути.
W тр = G + Gк ∙ (2М + fdu) ∙ Кр / Dк (4.7)
где М – коэффициент трения качения по рельсам , М = 0,3 мм;
f – коэффициент, учитывающий дополнительные потери от трения в ребордах колес, токосъемниках, Кр = 1,5
Wтр= 3+6 ∙ (2 ∙ 0,3 + 0,015 ∙ 50) ∙ 1,5/ 200 = 0,091кН = 91Н
Wук = (G + Gк) ∙ λ (4.8)
где λ – уклон пути, λ = 0,0015
Wук = (3 + 6) ∙ 0,0015 = 0,0135 кН = 13,5Н
Таким образом получаем:
Wу = 91 + 13,5 = 104,5Н
Сила инерции при поступательном движении крана:
Fи = (Q + mk) ∙ V/ tn (4.9)
где Q и mk – масса соответственно груза и крана.
tn – время пуска, tn = 50с.
Fи = (300 + 600) ∙ 0,6 / 5 = 108 Н
Усилие необходимое для передвижения крана в период пуска (разгона).
Wп = Wу + (1,1…1,3) ∙ Fи (4.10)
Wп = 104,5 + 1,3 ∙ 108 = 244,9Н
4.2.4Выбор электродвигателя
Подбираем электродвигатель по требуемой мощности:
Рп.ср. = Рп /ψп.ср. = Wп ∙ V / η ∙ ψ п.ср. (4.11)
где Рп – расчетная пусковая мощность, Рп = Wп ∙ V;
η – к.п.д. механизма передвижения, η = 0,85;
ψ п.ср. – краткость среднего пускового момента по отношению к номинальному, ψ п.ср.=1,65.
Рп.ср. = 244,9 ∙ 0,6 / 0,85 ∙ 1,65 = 104,778Вт
Выбираем асинхронный электродвигатель переменного тока с повышенным скольжением 4А63А6УЗ с параметрами: номинальная мощность Рдв. = 0,18 кВт, номинальная частота вращения, пдв. = 885 мин ˉ¹;
маховый момент ротора (md²)р = 69,410 м кг/м².
Диаметр вала d = 14мм.
Номинальный момент на валу двигателя
Тн = 30 ∙ Рдв. / π ∙ nдв. (4.12)
Тн = 30 ∙ 180 / 3,14 ∙ 885 = 1,94Н∙м
Статистический момент:
Тс = 30Wу ∙ V / п ∙ nдв. (4.13)
Тс = 30 ∙ 104,778 ∙ 0,6 / 3,14 ∙ 885 = 0,676 Н∙м
4.2.5 Подбор муфты
Подбираем муфту с тормозным шкивом для установки тормоза. Берем упругую втулочно-пальцевую муфту с наибольшим диаметром расточки под вал 18 мм и наибольшим передаваемым моментом [Тм] = 32Н∙м;
маховый момент (md²)т = 0,032мм².
Проверяем условие подбора:
[Тм] ≥ Тм
где для муфты Тм = 2,1Тн
Тм = 2,1 ∙ 1,94 = 4,074Н∙м
[Тм] = 32 < Тм = 4,074
4.2.6 Подбор редуктора
Подбираем редуктор по передаточному числу и максимальному вращающему моменту на тихоходном валу.
Передаточное число механизма:
И = nдв. / nк (4.14)
где nк = 60 ∙ V / π ∙ Dк (4.15)
nк = 60 ∙ 0,6 / 3,14 ∙ 0,2 = 57,3 мин ˉ¹
U = 885 / 57,3 = 15,44. Принимаем U = 16
Максимальный момент на валу редуктора.
Тр.мах = Тдв.мах ∙ U ∙ η (4.16)
где Тдв.мах – максимальный момент на валу двигателя.
Тдв.мах = Тн ∙ ψnмах (4.17)
где ψnмах = Тмах / Тн = 2,2
Тдв.мах = 1,94 ∙ 2,2 = 4,268Н∙м
Тр.мах = 4,268 ∙ 16 ∙ 0,8 = 54,63Н∙м
Выбираем червячный редуктор типа Ч-50.
При частоте вращения n = 1000минˉ¹ и среднем режиме работы ближайшее значение вращающего момента на тихоходном валу Ттих = 65Н∙м, что больше расчетного Тр.мах.
4.2.7 Подбор тормоза
Выбираем тормоз по условию [Тт] ≥ Тт. Устанавливаем его на валу электродвигателя.
Тт = (W¹ук – W¹тр.min) ∙ Dк ∙ η / 2∙И + nдв. ∙ (md²)о.т. (4.18)
где W¹ук – сопротивление движения от уклона;
W¹тр.min – сопротивление от сил трения в ходовых частях крана;
(md²)о.т. – общий маховый момент.
W¹ук = 6 ∙ λ (4.19)
W¹ук = 6 ∙ 0,0015 = 0,009кН = 9Н
W¹тр.min = 6 ∙ (2∙µ + f∙du) / Dк (4.20)
W¹тр.min = 6 ∙ (2 ∙ 0,3 + 0,015 ∙ 50) / 200 = 0,045кН = 45Н
(md²)о.т. = 1,2 ∙ [(md²)р + (md²)т ]+ 365 mk ∙ V² ∙ η / ηдв.² (4.21)
(md²)о.т. = 1,2 ∙ [10,00694 + 0,032] + 365 ∙ 600 ∙ 0,6² ∙ 0,85 / 885² = 0,132 кг/м²
Время торможения tт
tт = V / ат.min (4.22)
где ат.min – максимально допустимое ускорение.
ат.min = Zпр / Zк ∙ ψсу / Ксу – f ∙ dy / Dк + (2µ + fdu) ∙ 1 ∙ q / Dк (4.23)
где Zпр – число приводных колес, Zпр = 1;
Zк – общее количество колес, Zк = 4;
Ксу – запас сцепления, Ксу = 1,2;
ψсу – коэффициент сцепления ходовых колес с рельсами, ψсу = 0,15;
q – ускорение свободного падения, q = 9,81м/с²
ат.min = 1 / 4 ∙ 0,15 / 1,2 – 0,015 ∙ 50 / 200 + (2 ∙ 0,3 + 0,015 ∙ 50) ∙ 1 ∙ 9,81 /200 = 0,66м/с²
tт = 0,6 / 0,66 = 0,91с
Тт = (9 – 40,5) ∙ 0,2 ∙ 0,85 / (2 ∙ 16) + 885 ∙ 0,132 / (38 ∙ 0,91) = 3,21Н/м
Выбираем тормоз ТКТ-100 с номинальным тормозным моментом [Тт] = 10 Н/м.
4.2.8 Расчет механизма передвижения тележки с ручным приводом
4.2.8.1Определение веса груза, тали и тележки
Gг = Q ∙ q (4.24)
Gг = 300 ∙ 10 = 3000Н
Gт = mт ∙ q (4.25)
Gт = 45 ∙ 10 = 450Н
Gтел = 0,5 ∙ 450 = 225Н
4.2.8.2 Определение размера ходового колеса
Средний диаметр обода определяется по формуле:
Dк ≥ 1,7 Rмах
где Rмах – нагрузка на колесо
Rмах = (G+Gт+Gтел)/Zк (4.26)
Rмах = (300+450+225)/4 = 243,75Н
Dк = 1,7 ∙ 243,75 = 36,54
Принимаем Dк – 100 мм
Определяем диаметр цапфы:
Dц = Dк/(4…6) (4.27)
Dц = 100/(4…6) = 16,6…25мм
Принимаем Dц = 20мм
Выполняем проверочный расчет ходовых колес по контактным напряжениям:
δк.л. = λт ∙ 2Кv ∙ Rмах / bDк (4.28)
где λт – коэффициент пропорциональности для стальных колес, λт = 126;
Кv – коэффициент влияния скорости при ручном приводе, Кv = 1;
b – ширина поверхностей контакта, b<0,5b – 0,5S – R – r (4.29)
где b – ширина принятого двутавра. При Dк = 100мм принимаем двутавр №18, b = 90мм;
S – толщина стенки двутавра, S=5,1мм;
R – радиус закругления полки, R=9мм;
r – радиус закругления полки, r=3,5мм
b < 0,5 ∙ 90 – 0,5 ∙ 5,1 – 9 – 3,5 = 29,95. Принимаем b=25мм.
δкл = 126 ∙ 2 ∙ 1 ∙ 243,75 / (25 ∙ 100) = 55,64МПа
Допустимое напряжение [δкл] = 350МПа > δкл = 55,64МПа.
4.2.8.3 Определение сопротивления передвижению в ходовых частях тележки
Wтр = (Gг + Gт + Gтел) ∙ (2µ + fdu) ∙ Кр / Dк (4.30)
Wтр = (300+450+225) ∙ (2 ∙ 0,3 + 0,015 ∙ 20) ∙ 1,5 /100 = 13,16Н
Момент от сил трения:
Тс = Wтр ∙ Dк /2 (4.31)
Тс = 13,16 ∙ 0,1 / 2 = 0,658Н/м
Момент на приводном валу создаваемый рабочим.
Тр = Fр ∙ Dт.к. /2 (4.32)
где Fр – усилия рабочего, Fр = 80Н
Dт.к. – диаметр тягового колеса, Dт.к. = 0,2м
Тр = 80 ∙ 0,2 / 2 = 8Н/м
4.2.8.4 Определение передаточного отношения механизма передвижения.
И ≥ Тс / (Тр ∙ η) (4.33)
где η – КПД передачи, η = 0,85.
И = 0,658 / (8 ∙ 0,85) = 0, 0967. Принимаем И = 1.
4.2.8.5 Определение основных геометрических параметров открытой прямозубой цилиндрической передачи
Делительный диаметр резца зубчатого колеса,dк, расположенного на ободе ходового колеса, должен быть больше Dк.
Принимаем d1 = 130 мм, число зубьев шестерен Z1 = 20.
Число зубьев колеса:
Z2 =Z1 ∙ И (4.34)
Z2 = 20 ∙ 1 = 20
Модуль зацепления:
m = d1 /Zк (4.35)
m = 130 / 20 = 6,5 мм.
Делительный диаметр шестерни:
d2 = Z1 ∙ m (4.36)
d2 = 20 ∙ 6,5 = 130 мм
межосевое расстояние:
аw = (d1+d2)/2 (4.37)
аw = (130+130)/2 = 130мм.
Расстояние между осями ходовых колес с зубчатыми венцами:
l = d1+(30…40) = 130+30 = 160 мм.
4.2.9Расчет привода механизма подъема
Тгр = Gгр ∙ dзв / (2Кn ∙ ηбл) (4.38)
где Gгр – масса груза, Gгр = 3000Н ;
dзв – делительный диаметр звездочки;
Кп – краткость полиспаста, Кп = 2;
ηбл – КПД блока, ηбл = 0,98.
dзв = Рt/Sin(180/z) (4.39)
где Рt – шаг цепи, для цепи с калибром 70, Рt = 18,5мм;
z – число зубьев на звездчатке, z = 8.
dзв = 70/ Sin(180/8) = 182,97мм
Тгр = 3000 ∙ 0,183 / (2 ∙ 2 ∙ 0,98) = 140Н/м
4.2.9.1 Определение тягового момента
Тр = Fр ∙ Dтк / 2 (4.40)
где Fр – усилие рабочего, прикладываемого к тяговой цепи, Fр=120Н;
Dтк – диаметр тягового колеса. Принимаем Dтк = 400мм.
Тр = 120 ∙ 0,4 / 2 =24Н/м
4.2.9.2 Выбор редуктора
Выбор редуктора делаем по значению передаточного отношения к максимальному крутящему моменту на тихоходном валу редуктора.
Определяем передаточное отношение:
И = Тгр / (Тр ∙ ηр) (4.41)
И = 140 / (24 ∙ 0,8) = 7,29
Выбираем червячный редуктор с типоразмером Ч-80, с передаточным числом И=8 и максимальным вращающим моментом на тихоходном валу 280Н/м.
4
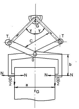
.2.10 Расчет клещевого захвата
Рисунок 3 «Схема клещевого захвата»
Задаемся одним из рычагов: b=300мм и углом γ=45˚. Определяем другое плечо рычага:
С¹ = b/f – а/2 ∙ cos γ (4.42)
где f – коэффициент трения. Сталь по резине f = 0,6;
а- диаметр бочки, а = 550мм.
С¹ = 300/0,6 – 550/2 ∙ cos45˚ = 159,1мм
с учетом запаса сцепления β = 1,3…1,5
С = С¹ ∙ β (4.43)
С = 159,1 ∙ 1,3 = 206,83мм
4.2.11 Рсчет на прочность бочки
На бочку действуют силы сжатия. Определяем напряжение сжатия в бочке:
δсж = N ∙ D / ((πD – 300) ∙ h ∙ δ ∙ λ) ≤ [δа] (4.44)
где N – сила, действующая на бочки.
где G – вес бочки с маслом, Н
где V – объем бочки, V = 200л = 0,2м³;
γ – плотность масла, γ = 920кг/м³;
Gб – масса бочки, Gб = 150Н;
D – диаметр бочки, D = 550 мм;
λ – коэффициент, учитывающий неполноту охвата бочки, λ = 0,98;
πD – 300 – длина, охватываемая клещами;
h – высота, охватываемая клещами. Принимаем h=50мм.
δ – толщина бочки, δ = 1мм.
N = G/2f (4.45)
G = 10V ∙ γ + Gб
G = 10,2 ∙ 920 + 150 = 1990Н
N = 1990 / (2 ∙ 0,6) = 1658,3Н
[δсж] – допустимое напряжение сжатия, [δсж] = 100МПа
δ сж = 1658,3 ∙ 550 / ((3,14 ∙ 550 – 300) ∙ 50 ∙ 1∙ 0,98) = 23,03МПа<[δсж] =100МПа
При захвате клещами бочка выдерживает усилие сжатия, при ширине захвата 500 и длине захвата равное 1427,8мм.
5. ОХРАНА ТРУДА И ПРИРОДЫ ПРИ РАБОТЕ С НЕФТЕПРОДУКТАМИ
5.1 Охрана труда
При поступлении на работу работники проходят обязательный медосмотр и в последующем 2 раза в год.
К работе на нефтескладе допускаются лица не моложе18 лет, прошедшие профессиональную подготовку, вводный и первичный инструктаж. На время работы рабочие обеспечиваются средствами индивидуальной защиты: хлопчатобумажными комбинезонами, усиленными накладками из прорезиненного капрона; сапогами резиновыми бензостойкими; зимними полусапогами; прорезиненными перчатками; противогазом и аптечкой.
Все огневые работы на территории нефтесклада выполняются по наряду-допуску, согласованному с представителями пожарной охраны.
Скорость движения автотранспорта на территории нефтесклада не более 5км/ч.
Автомобили заправляются при неработающем двигателе, а другие самоходные машины при работающем на малых оборотах двигателе.
Ответственность за организацию и выполнение мероприятий по охране труда , техники безопасности и производственной санитарии, а также пожарной безопасности на складе нефтепродуктов, постах заправки и заправочных агрегатов возлагается на заведующего нефтескладом.
В соответствии с СаНПиН 2.2.4.548 -96 работы на нефтескладе относятся к категории1б с интенсивностью энергозатрат 121-150 ккал/ч (140-174 Вт), производимые сидя, стоя или связанные с ходьбой и сопровождающиеся с некоторым физическим напряжением. По электробезопасности хозяйство относится к категории Б, разряд зрительных работ – v.
5.1.1 Опасные и вредные производственные факторы, действующие на работников
- Нефтебазы, склады ГСМ, АЗС и ПАЗС - сложные
многофункциональные системы с объектами различного производственного назначения, обеспечивающие хранение, прием и отпуск нефтепродуктов, многие из которых токсичны, имеют низкую температуру испарения, способны электризоваться, пожаровзрывоопасны.
В связи с этим работники нефтебаз, складов ГСМ, АЗС и ПАЗС могут быть подвержены воздействию различных физических и химических опасных и вредных производственных факторов.
- Основные физические опасные и вредные производственные факторы:
движущиеся машины и механизмы, подвижные части производственного оборудования;
повышенная или пониженная температура поверхностей оборудования, нефтепродуктов;
повышенная или пониженная температура воздуха рабочей зоны;
повышенный уровень шума на рабочем месте;
повышенный уровень вибрации;
повышенная или пониженная влажность воздуха;
повышенная (пониженная) подвижность воздуха;
повышенное значение напряжения в электрической цепи, замыкание которой может произойти через тело человека;
электромагнитные поля; излучения в области низких и сверхнизких частот;
повышенный уровень статического электричества;
недостаточная освещенность рабочей зоны;
расположение рабочего места на значительной высоте (глубине) относительно поверхности земли.
- Основным опасным и вредным химическим фактором является токсичность многих нефтепродуктов и их паров, особенно этилированных бензинов.
5.1.2 Требования безопасности, предъявляемые к организации производственных процессов
- Безопасность производственных процессов на нефтебазах, складах ГСМ, АЗС и ПАЗС достигается профилактическими мерами по предупреждению опасной аварийной ситуации и должна быть обеспечена: применением технологических процессов приема, хранения, отпуска и учета нефтепродуктов в соответствии с действующими правилами и инструкциями; применением производственного оборудования, удовлетворяющего требованиям нормативной документации и не являющегося источником травматизма и профессиональных заболеваний; обустройством территории нефтебаз, складов ГСМ, АЗС; применением надежно действующих и регулярно поверяемых контрольно-измерительных приборов, устройств противоаварийной защиты, средств получения, переработки и передачи информации; применением быстродействующей герметичной запорной ирегулирующей арматуры и средств локализации опасных и вредных производственных факторов; рациональным размещением производственного оборудования и организацией рабочих мест; профессиональным отбором, обучением работников, проверкой их знаний и навыков безопасности труда; применением средств индивидуальной и коллективной защиты работников; осуществлением технических и организационных мер по предотвращению взрыва и противопожарной защите.
- Производство работ в местах, где имеется или может возникнуть повышенная производственная опасность, должно осуществляться по наряду-допуску на работы повышенной опасности.
Перечень таких работ, а также перечни должностей специалистов, имеющих право выдавать наряд-допуск и руководить этими работами, утверждаются работодателем или лицом, им уполномоченным. - Для взрывоопасных технологических процессов приема, хранения и отпуска нефтепродуктов должны предусматриваться автоматические системы противоаварийной защиты, предупреждающие образование взрывоопасной среды и другие аварийные ситуации при отклонении от предусмотренных регламентом предельно допустимых параметров во всех режимах работы и обеспечивающие безопасную остановку или перевод процесса в безопасное состояние.
5.1.3 Требования к территории нефтебазы, склада ГСМ, АЗС
- Территория нефтебазы, склада ГСМ, АЗС должна быть спланирована, иметь автомобильные дороги, пожарные проезды и выезды на дороги общего пользования.
- Дороги на территории нефтебазы, склада ГСМ, АЗС должны иметь асфальтовое, гравийное или бетонное покрытие.
- Для обеспечения безопасного проезда все дороги и проезды следует содержать в исправности, своевременно ремонтировать, в зимнее время очищать от снега, в темное время суток освещать.
- Для пешеходного движения должны быть устроены
асфальтированные тротуары шириной не менее 0,75 м.
- В целях безопасности пешеходов при переходе рельсовых путей в местах их пересечения с дорогами необходимо устраивать сплошные настилы вровень с головками рельсов, а также защитные барьеры, устанавливать сигнализацию для предупреждения об опасности.
- Наземные трубопроводы в местах пересечения
автомобильных дорог и переходов должны быть подвешены на опорах высотой не менее 4,25 м над автомобильными дорогами и переездами и не менее 2,2 м - над переходами.
- Территория нефтебазы, склада ГСМ должна быть ограждена оградой из негорючих материалов высотой не менее 2 м. Ограда должна отстоять от зданий и сооружений (кроме административных) не менее чем на 5 м.
- Размещение зданий, сооружений и оборудования на территории нефтебазы, склада ГСМ, АЗС должно соответствовать требованиям действующих строительных норм и правил.
- Территории нефтебазы, склада ГСМ, АЗС необходимо содержать в чистоте и порядке. Не допускается засорение территорий и скопление на них мусора. В летнее время трава в резервуарном парке должна быть скошена и вывезена с территорий в сыром виде.
- На территориях нефтебазы, склада ГСМ, АЗС, ПАЗС запрещается применение открытого огня.
- Курение на территориях нефтебазы, склада ГСМ, АЗС, ПАЗС запрещается и может быть разрешено только в специально отведенных и оборудованных местах, обозначенных надписью "Место для курения".
- Во всех местах, представляющих опасность, должны быть установлены предупреждающие знаки безопасности в соответствии с действующими государственными стандартами.
5.2 Охрана природы
На нефтескладах продуктами загрязнения атмосферного воздуха являются пары нефтепродуктов, а рек и водоемов - нефтесодержащие стоки ливневых и производственных вод. Источниками загрязнения могут быть утечки через неплотности соединений трубопроводов и сальниковые уплотнения, переливы в резервуарах, разрывы технологических трубопроводов, переливы и утечки во время сливо-наливных операций, выбросы в атмосферу паров нефтепродуктов при заполнении резервуаров, автоцистерн и других емкостей для нефтепродуктов.
Для защиты окружающей среды в проектах нефтескладов следует предусматривать герметизацию технологических трубопроводов при сливоналивных операциях и минимально необходимое число фланцевых соединений, применять насосы со специальными торцевыми уплотнениями и т.д.
Кроме того, необходимо предусматривать сбор, отведение и очистку стоков, загрязненных нефтепродуктами, из резервуарных парков, с площадок сливоналивных устройств, с площадок заправки тракторов и автомобилей.
Если в резервуарном парке хранится этилированный бензин, то в проектах нефтебаз эти емкости выделяют в отдельную группу с самостоятельным обвалованием.
5.3 Противопожарные мероприятия
Основные мероприятия по защите зданий и сооружений нефтесклада от пожара - назначение при проектировании нормативных противопожарных расстояний до зданий и сооружений соседних предприятий, жилых и общественных зданий населенных пунктов, а также между зданиями и сооружениями нефтесклада. Кроме того, обвалования резервуарных парков должны вмещать полный объем отдельно стоящего резервуара. Все здания и сооружения должны быть не ниже II степени огнестойкости.
На нефтескладах III категории с резервуарами вместимостью менее 5000 м3 каждый, допускается тушение пожаров мотопомпами или автонасосами из противопожарных или естественных водоемов. На нефтескладе предусматривается противопожарный водоем. Если на расстоянии менее 250 м от нефтесклада есть естественный водоем, противопожарного водоема не требуется, но нефтесклад должен быть обеспечен дополнительно к средствам первичного пожаротушения двумя углекислотными огнетушителями.
При проектировании мероприятий по технике безопасности и санитарии следует учитывать, что резервуарные парки с нефтепродуктами должны быть расположены с подветренной стороны по отношению к зданиям и сооружениям с постоянным пребыванием работающих и также по отношению к зданиям и сооружениям, где применяют открытый огонь (котельные, сварочные участки и т. п.).
Резервуарные парки размещают ниже по рельефу местности или вертикальной планировки по отношению к зданиям и сооружениям соседних предприятий.
В генеральном плане должен быть предусмотрен необходимый комплекс очистных сооружений для хозфекальных и ливневых стоков, содержащих нефтепродукты, в том числе этилированные.
При типовом проектировании должно быть предусмотрено благоустройство и озеленение территории нефтесклада.
В специальных разделах проекта ". Мероприятия по предотвращению взрывопожарной. и пожарной опасности" и "Охрана окружающей среды" должны быть изложены мероприятия по снижению пожарной и взрывной опасности технологических процессов, по уменьшению вредных выбросов в атмосферу и загрязненных стоков в водоемы, по ограничению возможного пожара и снижению разрушительных последствий возможного взрыва и пожара.
6. ЭКОНОМИЧЕСКОЕ ОБОСНОВАНИЕ ПРОЕКТИРОВАНИЯ НЕФТЕХОЗЯЙСТВА СХПК «Присухонское»
Цель экономического обоснования: эффективность внедрения нового проекта нефтехозяйства. Эффективность зависит прежде всего от технического уровня нефтехозяйства, правильности организации завоза, хранения, отпуска и заправки машин нефтепродуктами и использования технических средств нефтехозяйства. Эффективность характеризуется прежде всего в снижении затрат труда и средств на 1 тонну топлива и смазочных материалов в хозяйстве, окупаемостью капитальных сложений.
6.1 Расчет стоимости конструктивной разработки
Конструктивная разработка – подъемник бочек. Подъемник бочек состоит: из ручной тали, двигающейся по швеллеру и передвижного механизма балки с талью. В передвижной механизм балки входят электродвигатель с редуктором, двухребордные колеса, колеса, корпуса подшипников и рельса квадратного сечения.
Для расчета стоимости конструктивной разработки используем формулу:
Скр = Сп.д. + Сор.д. + Ссб + Сб + Снак(6.1)
где, Сп.л. – стоимость покупных деталей, руб.
Сор.д. – стоимость изготовления оригинальных деталей, руб.
Ссб. – общая заработная плата рабочих занятых на сборке, руб.
Ссб. – стоимость базовой машины, руб.
Снак. – общепроизводственные накладные расходы, руб.
6.1.1 Определение стоимости покупных деталей
Таблица 6.2.1 Стоимость покупных товаров
| Наименование | Количество, штуки | Цена запчасти (договорная) руб. | Сумма руб. |
| Квадратная заготовка | 2 | 1000 | 2000 |
| Уголок неравнополчный | 4 | 600 | 2400 |
| Швеллер | 4 | 750 | 3000 |
| Колесо двухребордное | 2 | 250 | 500 |
| Подшипниковый узел в сборе | 3 | 800 | 2400 |
| Муфта УВП | 2 | 300 | 600 |
| Редуктор Ч-50 | 2 | 2500 | 5000 |
| Электродвигатель 4А63А6У3 | 1 | 500 | 500 |
| Полоса стальная | 1 | 500 | 500 |
| Двутавр | 1 | 1000 | 1000 |
| Колесо ходовое | 4 | 250 | 1000 |
| Подшипник 306 | 12 | 100 | 1200 |
| Корпус подшипников | 2 | 250 | 500 |
| Колесо тяговое | 2 | 250 | 500 |
| Цепь круглозвенная | 2 | 150 | 300 |
| Цепь пластинчатая | 1 | 700 | 700 |
| Крюковая обойма в сборе | 1 | 2000 | 2000 |
| Итого: | 24100 |
Спд = 24100 руб. (6.2)
6.1.2 Определение стоимости изготовления оригинальных деталей
Стоимость изготовления оригинальных деталей для клещевого захвата определяем по формуле:
Сор.д. = Сзп + См(6.3)
где, Сзп – заработная плата производственных рабочих, занятых на изготовлении оригинальных деталей, руб.
См – стоимость материала заготовок для изготовления оригинальных деталей, руб.
См = Сз ∙ m (6.4)
где, См – стоимость материала заготовок (принимаем С1 = 10 руб./кг по договорной цене).
m – масса деталей, m = 25 кг
См = 10 ∙ 25 = 250 руб.
6.1.3 Определение полной заработной платы
Сзп = tст ∙ Тобщ. ∙ Кп ∙ Кпр ∙ Ксев ∙ Котп ∙ Кст ∙ Кнач(6.5)
где, tст – тарифная ставка по IV разряду, tст = 10,82 руб./час.
Тобщ – трудоемкость изготовления деталей. Принимаем Тобщ – 30 часов.
Кп – повышенный коэффициент, Кп – 1,8
Кпр – коэффициент, учитывающий премиальные отчисления, Кпр = 1,4...2. Принимаем Кпр = 1,4
Котп – коэффициент, учитывающий отчисления на отпуск, Котп = 1,0854.
Кст – коэффициент, учитывающий стаж работы, Кст – 1,092.
Кнач – коэффициент, учитывающий отчисления на заработную плату, Кнач = 1,261.
Определяем Сm
Сm = 10,82 ∙30 ∙ 1,8 ∙ 1,4 ∙ 1,15 ∙1,0854 ∙ 1,092 ∙1,261 = 1406 рублей.
Определяем Сор.д
Сор.д = 1406 + 250 = 1656 рублей.
6.1.4 Определение заработной платы рабочих, занятых на сборке конструкций
Ссб = t ст ∙ Тобщ ∙ Кп ∙ Кпр ∙ КСев ∙ Котп ∙ Кст ∙ Кнач(6.6)
где, tст – тарифная ставка по IV разряду, tст = 10,82 руб./час.
Тобщ – трудоемкость работ на сборке конструкций.
Тобщ – 60 часов.
Кп, Кпр, Ксев, Котп, Кст, Кнач – смотри 6.2.2.1.
Ссб = 10,82 ∙ 60 ∙ 1,15 1,8 ∙ 1,4 ∙ 1,0854 ∙ 1,092 ∙ 1,261 = 2812 рублей
6.1.5 Стоимость базовой машины
Так как разрабатывается манипулятор полностью, то емкость базовой машины равна 0 рублей.
6.1.6 Определение накладных общепроизводственных расходов на изготовление конструкции
Определяем общепроизводственные накладные расходы из выражения:
Снак + Со.зп * Поп/100 (6.7)
где, Со.зп – общая заработная плата рабочих.
Со.зп = Ссб + Сзп
Со.зп = 2812 + 1656 = 4468 рублей.
Поп – процент общепроизводственных расходов (берем Поп = 20%)
| Снак = | 4468 * 20 | = 893,6 рублей |
| 100 |
Исходя из расчетных стоимостей определяем стоимость конструктивной разработки:
Скр = 24100 + 1656 + 2812 + 0 + 893,6 = 29461,6
6.2Расчет эффективности проектируемого нефтехозяйства
Для приема, хранения и отпуска нефтепродуктов требуются текущие затраты и значительные капиталовложения в строения, оборудование и технические средства, а также специально подготовленный персонал для обслуживания нефтехозяйства.
Чтобы рационально организовать нефтехозяйство, необходимо правильно определить потребное количество оборудования, лучше использовать его, организовать прием, перевозку, хранение и отпуск нефтепродуктов с минимальными потерями.
Расчет эффективности производят при проектировании реконструкции нефтехозяйства для обоснования его внедрения по ряду показателей: текущие удельные затраты, общие потери нефтепродуктов, годовая экономия, производительность труда, общий размер капиталовложений.
6.2.1 Текущие затраты на 1 тонну нефтепродуктов
6.2.1.1 Фактические затраты
| С = | З + А + Рт+ Эт+ Пт+ Стр + Хр |
| Q |
где, З – заработная плата работников нефтебазы, руб.
А – амортизационные отчисления от балансовой стоимости сооружений, оборудования и транспортных средств, руб.
Рт – отчисления на текущий ремонт тех же материальных средств, руб.
Пт – фактические потери нефтепродуктов, руб.
Q – фактические расход нефтепродуктов за год, кг. В исходном варианте Qисх = 249216 кг, в проектируемом варианте Qпроект = 326611 кг.
Эт – затраты на электроэнергию и отопление помещений, руб.
Стр – транспортные расходы, руб.
Хр – затраты на хранение техники, руб.
Определяем заработную плату работников нефтехозяйства.
В исходном и проектируемом варианте в нефтехозйстве работают: заведующий нефтехозяйством по ставке 4590 руб. (5 разряд), водитель по ставке 5062 руб. (6 разряд), заправщик по ставке 4117 руб. (4 разряд).
Рассчитываем годовой фонд заработной платы.
- оплата заведующего
Тзав = 4590 ∙ 1,8 ∙ 1,15 ∙ 1,0854 ∙ 1,092 ∙ 12 = 135137,7 рублей
где, 1,8 – повышающий коэффициент
1,15 – северный коэффициент
1,0854 – коэффициент, учитывающий расходы на отпуск
1,092 – коэффициент, учитывающий стаж
12 – число месяцев
- оплата водителя 5062 ∙ 1,8 ∙ 1,15 ∙ 1,0854 ∙ 1,092 ∙ 12 = 149034,2 рубля;
- оплата заправщика 4117 ∙ 1,8 ∙ 1,15 ∙ 1,0854 ∙ 1,092 ∙ 12 = 121211,8 рублей, значит
З = 135137,7 + 149034,2 + 121211,8 = 405383,7 рублей.
В проектируемом варианте количество работников не изменяется, поэтому затраты на заработную плату остаются на прежнем уровне.
Определяем размеры амортизационных отчислений в данном и проектируемом проекте.
Для этого нужно знать стоимость сооружений, оборудования и транспортных средств, руб.
Амортизационные отчисления определяются по формуле:
А = Спб * Нг,(6.9)
где, Спб – первичная балансовая стоимость зданий, оборудования, руб.
Нг – годовая норма отчислений, в %.
Таблица 6.2
Стоимость оборудования и амортизационные отчисления (исходный и проектируемый варианты.
| Наименование оборудования | Исходный | Проектируемый | ||||||||
| Колич. ед. | Баланс. стоим. руб. | Норма аморт. % | Сумма отчисл. руб. | Колич. ед. | Баланс. стоим. руб. | Норма аморт. % | Сумма отчисл. руб | |||
| Заправочный агрегат | 1 | 1116228 | 14,2 | 158504 | 1 | 1116228 | 14,2 | 158504 | ||
| Емкость под диз. топливо Исх. Проект | ||||||||||
| V=10м3 | 3 | 150000 | 5 | 7500 | 4 | 200000 | 5 | 10000 | ||
| V=5м3 | 5 | 125000 | 5 | 6250 | 5 | 125000 | 5 | 6250 | ||
| Емкость под масло Исх. Проект | ||||||||||
| V=3м3 | - | - | - | - | 2 | 40000 | 5 | 2000 | ||
| Емкость под бензин Исх. Проект | ||||||||||
| V=5м3 | 3 | 75000 | 5 | 3750 | 3 | 75000 | 5 | 3750 | ||
| Операторская и нефтескладская с бытовыми помещениями | 1 | 2500000 | 3,6 | 90000 | 1 | 2500000 | 3,6 | 90000 | ||
| Топливно-раздаточные колонки «Нара-27» | 2 | 74068 | 11 | 8147 | 2 | 74068 | 11 | 8147 | ||
| Маслораздаточ- ные колонки | - | - | - | - | 1 | 37000 | 11,3 | 4070 | ||
| Ограждения | 1 | 25000 | 2,1 | 525 | 1 | 25000 | 2,1 | 525 | ||
| Пожарный и специальный инвентарь | - | - | - | - | - | 15000 | 4,6 | 690 | ||
| Подъемник емкостей | - | - | - | - | 1 | 29461,6 | 8,2 | 2415,8 | ||
| Дороги | - | 80000 | 10,0 | 8000 | - | 800000 | 10,0 | 8000 | ||
| Итого: | 4145296 | 274576 | 4236757,6 | 294351,8 | ||||||
Отчисления на текущий ремонт составляют 4% от базовой стоимости материальных средств.
Рт.исх = 4145296 ∙ 0,04 = 165811,8
Рт.проект = 4236757,6 ∙ 0,04 = 169470,3
эт – затраты на электроэнергию и отопление рассчитаны по формулам.
- Годовой расчет силовой электроэнергии, кВт.ч.
Wс = Ера ∙ Фо ∙ n3 (6.10)
где, Ера – сумма мощностей электроприемников, кВт.
(Ера = 24 кВт (проект),
Ера = 18 кВт (исходный)
Фо – исходный фонд времени оборудования, Фд = 2916 часов;
n3 – коэффициент загрузки оборудования по времени, n3 = 0,9
Wс.исх = 18 ∙ 2916 = 47239,2 кВт/ч.
Wс.проект = 24 ∙ 2916 = 62985,6 кВт/ч.
- Годовой расход осветительной энергии, кВт определяем по формуле
Wос = Тос ∙ Fуч ∙ Sо/1000 (6.11)
где, Fуч – площадь участков (Fуч.исх = 60м2, Fуч.проект = 60м2)
Sо – удельная мощность осветительной нагрузки, Sо = 20 кВт/м3
Тос – годовая продолжительность использования осветительной установки, Тос = 1200 ч.
Wос.исх = 1200 ∙ 60 ∙ 20/1000 = 1440 кВт/ч
Wос.пр = 1200 ∙ 60 ∙ 20/1000 = 1440 кВт/ч
Стоимость 1 кВт/ч – 2,78 руб.
Определим затраты:
Эт = (Wс + Wос) ∙ 2,78 (6.12)
Эт.исх + (47239,2 + 1440) ∙ 2,78 = 135328
Эпроект + (62985,6 + 1440) ∙ 2,78 = 179103
6.2.1.2 Фактические потери нефтепродуктов:
В исходном варианте потери нефтепродуктов составили 1508,68 кг, из них потери дизельного топлива составили 725,35 кг, масла 689 кг, бензина 714,1 кг, а в денежном выражении дизельное топливо – 17626,005 руб., масло – 58750,4 руб. бензин – 14924,69 руб. В сумме потери составляют 38425,735 рублей по данным бухгалтерского учета СХПК «Присухонское».
По установленным нормам потери должны составлять не более 0,3% от общего расхода топлива. В проектируемом варианте потери будут: дизельного топлива – 155 кг, бензина – 101,6 кг, масла – 92,2 кг.
Затраты на потери составляют: на дизельное топливо – 3766,5 руб., бензина – 2123,44 руб., масла – 1255,3 руб. Всего затрат в проектируемом варианте – 7145,24 руб.
6.2.1.3 Определим затраты на хранение техники
Затраты на хранение техники берутся в размере 3% от балансовой стоимости.
Хрт – Сб ∙ Ккр (6.13)
Хр.исх = 4145296 ∙ 0,03 = 124358 руб.
Хр.проект = 4256757 ∙ 0,03 = 127102 руб.
6.2.1.4 Определяем затраты на транспортные расходы по формуле:
Стр = Q ∙ S ∙ Ст.км (6.14)
где, Q – фактический расход нефтепродуктов, т
S – расстояние перевозки, S = 30 км
Ст.км – стоимость перевозки, ткм (1 т.км = 15 руб/т.км
Стр.исх = 249,216 ∙ 30 ∙ 15 = 112147,2 руб.
Стр.пр = 326,611 ∙ 30 ∙ 15 = 146974,95 руб.
Следовательно, фактические затраты будут равны
| Сисх = | 405384,7 + 274576 + 165811,8 + 135328 + 125150,72 +124358 + 181825 | = 5667,5 руб/т |
| 249,216 |
| Спр = | 405384,7 + 294352 + 169470,3 + 179103 + 4458,48 + 127102 + 265293 | = 3612,46 руб/т |
| 326,611 |
6.2.1.5 Определение удельной экономии
Удельную экономию определяем из выражения:
Эуд = Сисх - Спр (6.15)
Эуд = 5667,5 – 3612,46 = 2055,04 руб/т.
6.2.1.6 Определение годовой экономии
Годовую экономию находим по формуле
Эт = (Сисх – Спр) ∙ Qпр (6.16)
Эуд = 2055,04∙ 326,611 = 671198,6 руб.
6.2.1.7 Определение производительности труда работников нефтехозяйства
Производительность труда работников нефтехозйства определяем из выражения:
| Пт.исх = | Qисх |
| Тисх |
(6.17)
| Пт.пр = | Qпр |
| Тпр |
где, Qисх, Qпр – количество расходуемых нефтепродуктов в исходном и проектируемом варианте, т;
Тисх, Тпр – число человеко-часов, затраченных за год работниками нефтебазы, фактически и по проекту находим путем перемножением возможного фонда рабочего времени на количество работников, так как количество работников в обоих вариантах одинаково, то
Тисх = Тпр = 2080 ∙ 3 = 6240 чел/час.
3 – количество работников нефтебазы, чел.
2080 – фонд рабочего времени за год, чел/час.
| Пт.исх = | 249,216 | = 0,039 т/чел.часов |
| 6240 |
| Пт.пр = | 326,611 | = 0,052 т/чел.часов |
| 6240 |
рост производительности труда
| Рпт = | Ппр | ∙ 100% |
| Пт.исх |
(6.18)
| Рпт = | 0,052 | ∙ 100 = 133% |
| 0,039 |
6.2.2 Эффективность капиталовложений
6.2.2.1 Общий размер капиталовложений
Капиталовложения первоначальны в исходном варианте нефтехозяйства Кисх = 4145296 рублей. Капиталовложения первоначальные в проектируемом варианте нефтехозяйства Кпр = 4236757,6 рублей.
Дополнительные капиталовложения находим из выражения:
Ку = Кпр - Кисх (6.19)
Ку = 4236757,6 – 4145296 = 91461,6 рублей.
6.2.2.2 Определение удельного размера капиталовложений
Удельный размер капиталовложений находим по формуле
| Ку(исх) = | Кисх |
| Qисх |
(6.20)
| Ку(пр) = | Кпр |
| Qпр |
| Ку(исх) = | 4145296 | = 16633,3 руб/т |
| 249,216 |
| Ку(пр) = | 4236757,6 | = 12971,9 руб/т |
| 326,611 |
6.2.2.3 Определение годовой экономической эффективности
Годовая экономическая эффективность определяется по формуле:
Эт = [Сисх + Еп ∙ Ку(исх)) – (Спр + Еп ∙ Ку(пр))] ∙ Qпр (6.21)
где, Сисх и Спр – прямые затраты в исходном и проектируемом варианте
Еп – нормативный коэффициент эффективности, Еп = 0,15
Ку(исх) и Ку(пр) – удельные капитальные вложения на 1 т топливо-смазочных материалов, руб/т
Эт = [(5667,5 + 0,15 ∙ 16633,3) – (3612,46 + 0,15 ∙ 12971,9)] ∙ 326,611 = 850591,4 рублей
6.2.2.4 Определяем срок окупаемости капиталовложений по формуле:
| То = | Кпр |
| Эгод |
| То = | 4236757,6 | = 5 лет. |
| 850591,4 |
Итак, в результате ввода в строй нового нефтехозяйства производительность труда возрастает на 33%, текущие удельные расходы снизятся на 3661,4 руб/т., в основном за счет снижения потерь нефтепродуктов на 126804,9 рублей. Годовой экономический эффект составит 850591,4 рублей, вследствие чего капиталовложения окупятся за 5 лет.
Таблица 6.3
Сводные показатели эффективности проектируемого нефтехозяйства СХПК «Писухонское»
| Показатели | Нефтехозяйство | Разница + - | ||
| исходное | проектируемое | |||
| Площадь, га | 0,3856 | 0,3856 | 0 | |
| Число работников, чел. | 3 | 3 | 0 | |
| Расход ГСМ, т | 249,216 | 326,611 | 77,359 | |
| Балансовая стоимость, тыс. рублей | 4145,296 | 4236,757 | 91,4 | |
| Общие потери нефтепродуктов, тыс.руб. | 38,4257 | 7,145 | - 31,28 | |
| Годовая экономия, тыс.руб. | 671,198 | |||
| Производительность труда, т/чел.час | 0,039 | 0,052 | 0,013 | |
| Удельный размер капиталовложений, тыс.руб | 16,633 | 12,971 | -3,6 | |
| Годовой экономический эффект, тыс. руб | 850,591 | |||
| Срок окупаемости капиталовложений, лет | 5 | |||
Список использованных источников
1. Власов Н.С. «Организация производства в сельскохозяйственном предприятии.» Колос. 1982г.
2. Итинская Н.И. «Экономное использование нефтепродуктов.» Колос.1984г.
3. «Нефтепродукты для сельскохозяйственной техники» Россельхозиздат. 1990г.
4. Руденко А.И. «Нефтехозяйство колхозов и совхозов» Колос.1975г.
5. Посоднеев Е.К. «Использование и хранение нефтепродуктов» Москва.1978г.
6. Ленский А.В. «Новое в нефтехозяйстве колхозов и совхозов» Россельхозиздат. 1969г.
7. Бокарев Т.И. «Эксплуатация нефтесклада колхоза и совхоза» Москва. 1978г.
8. Итинская Н.И. Справочник. Агропромиздат.1989г.
9. Бобриков Ф.А. «Курсовое и дипломное проектирование» Колос.1975г.
10. Ерохин М.Н. «Проектирование и расчет подъемно-транспортирующих машин сельскохозяйственного назначения» Колос. 1999г.
11. Глебов Н.В. «Безопасность при работе с нефтепродуктами» Колос. 1979г.
12. СанПин. 2.2.4.548-96 «Санитарные нормы, правила и инструкции» Москва. 1997г.
13. Правила технической эксплуатации нефтебаз. СКБ
«Транснефтеавтоматика» по заказу Главнефтепродукта ГП
«Росснефть». Москва. 1997г.
20. Власов Н.С. «Методика экономической оценки сельскохозяйственной техники» Колос. 1968г.
21. Ресурсы интернет.
0>














